GM Service Manual Online
For 1990-2009 cars only
Makes
🢒
Pontiac
🢒
2005
🢒
Wave
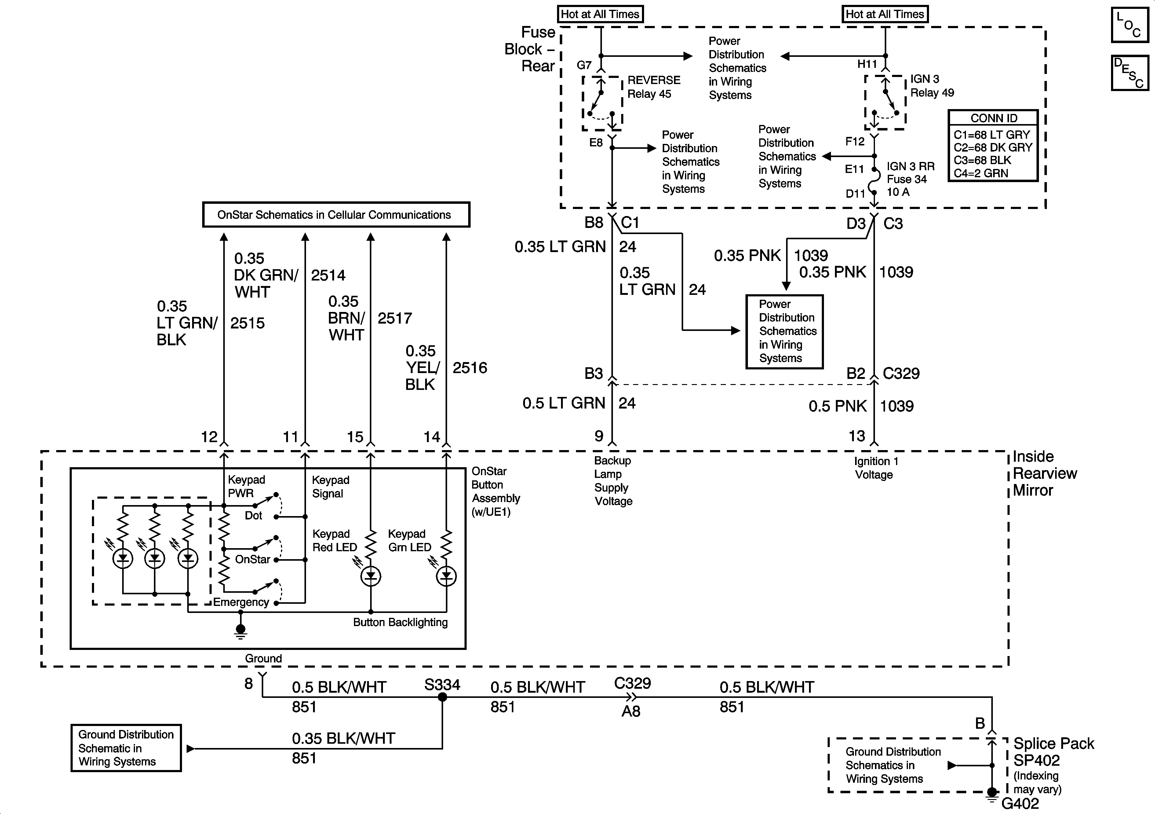
🢒 Inside RV Mirror Schematic
Inside RV Mirror Schematic
Master Electrical Component List
Automatic Day-Night Mirror Description and Operation
Rear Fuse Block B+ Bus
IGN SW and PRK/REV Fuses
IGN SW and PRK/REV Fuses
Keypad Controls
IGN SW and PRK/REV Fuses
G402
G402