GM Service Manual Online
For 1990-2009 cars only
Makes
🢒
Pontiac
🢒
2005
🢒
Wave
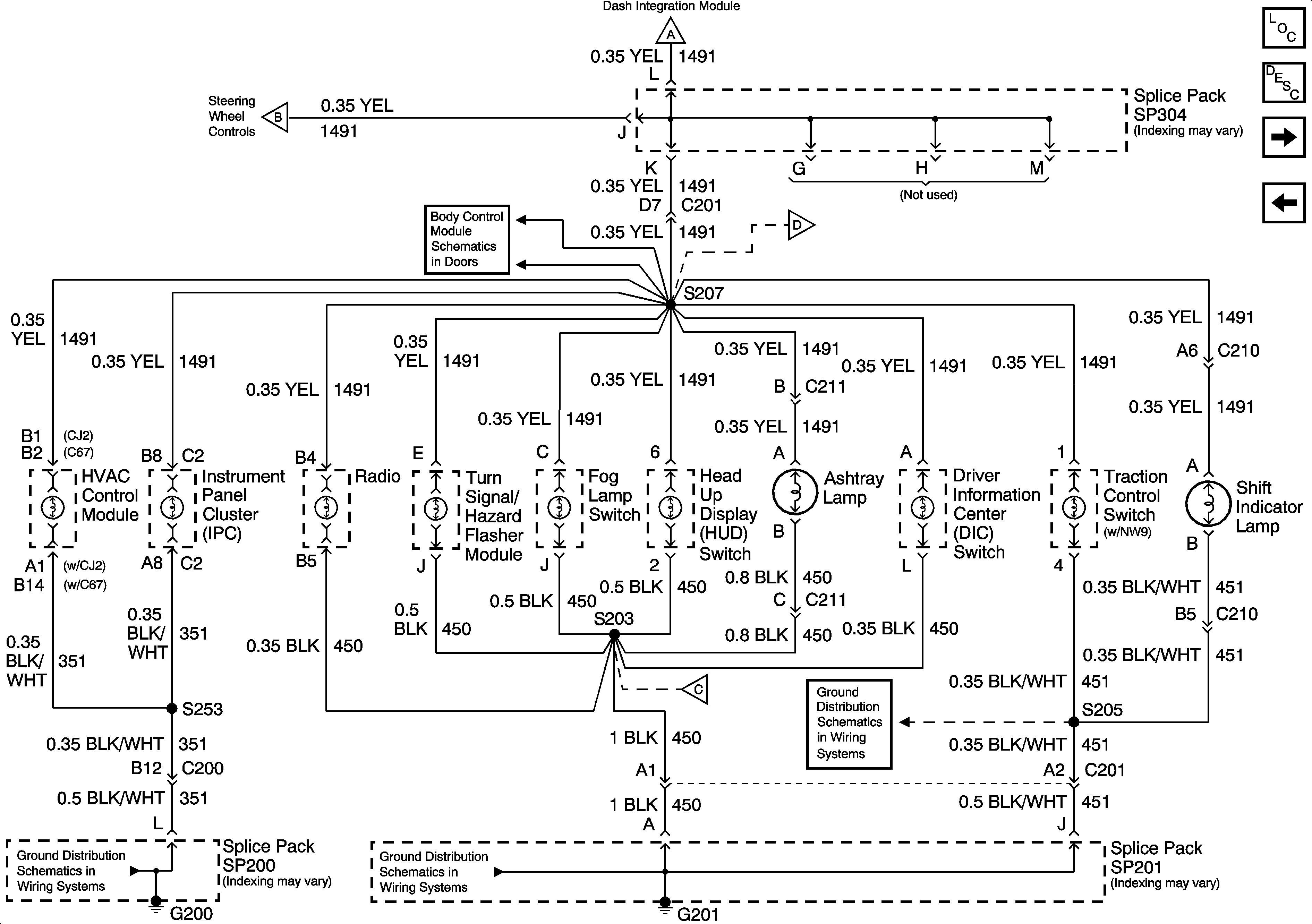
🢒 I/P and Console Dimming
I/P and Console Dimming
I/P and Console Dimming
Master Electrical Component List
Interior Lighting Systems Description and Operation
Front Floor Lamps, and Heated Seat Dimming
Dimming Control
Dimming Control
Steering Column Lamps Dimming
Driver Door Switch Assembly
Front Floor Lamps, and Heated Seat Dimming
Front Floor Lamps, and Heated Seat Dimming
G201 - 2 of 2
G200
G201 - 1 of 2