GM Service Manual Online
For 1990-2009 cars only
Makes
🢒
Pontiac
🢒
2006
🢒
Wave
🢒
Engine
🢒
Engine Electrical
🢒 Starting and Charging Schematics
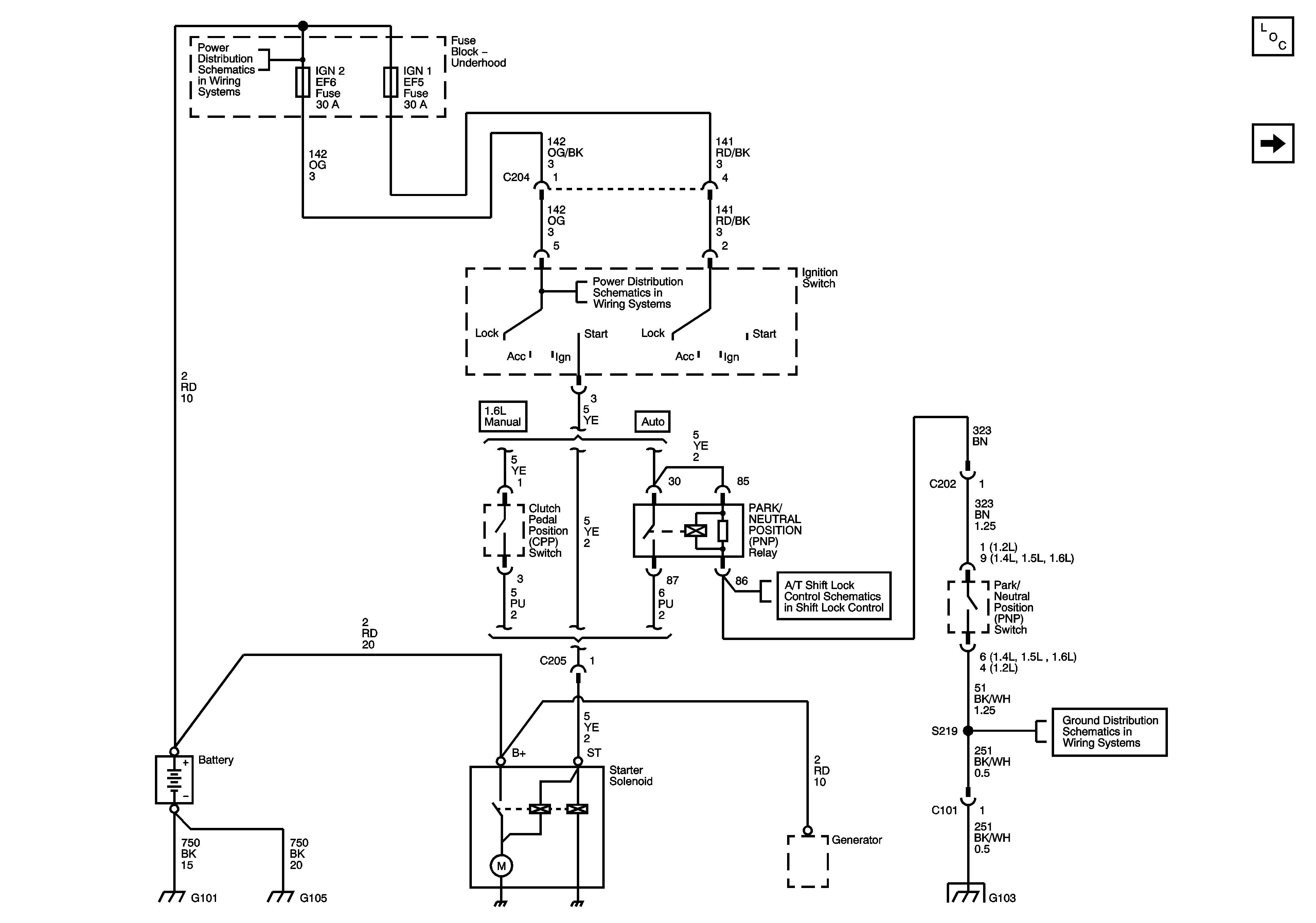
Figure
1:
Starting System
Master Electrical Component List
Charging System
Power Distribution - Battery Feed
Power Distribution - Battery Feed
06 S Car Aveo Figure for Graphic 1630196
Ground Distribution - G101, G102, G105
Ground Distribution - G101, G102, G105
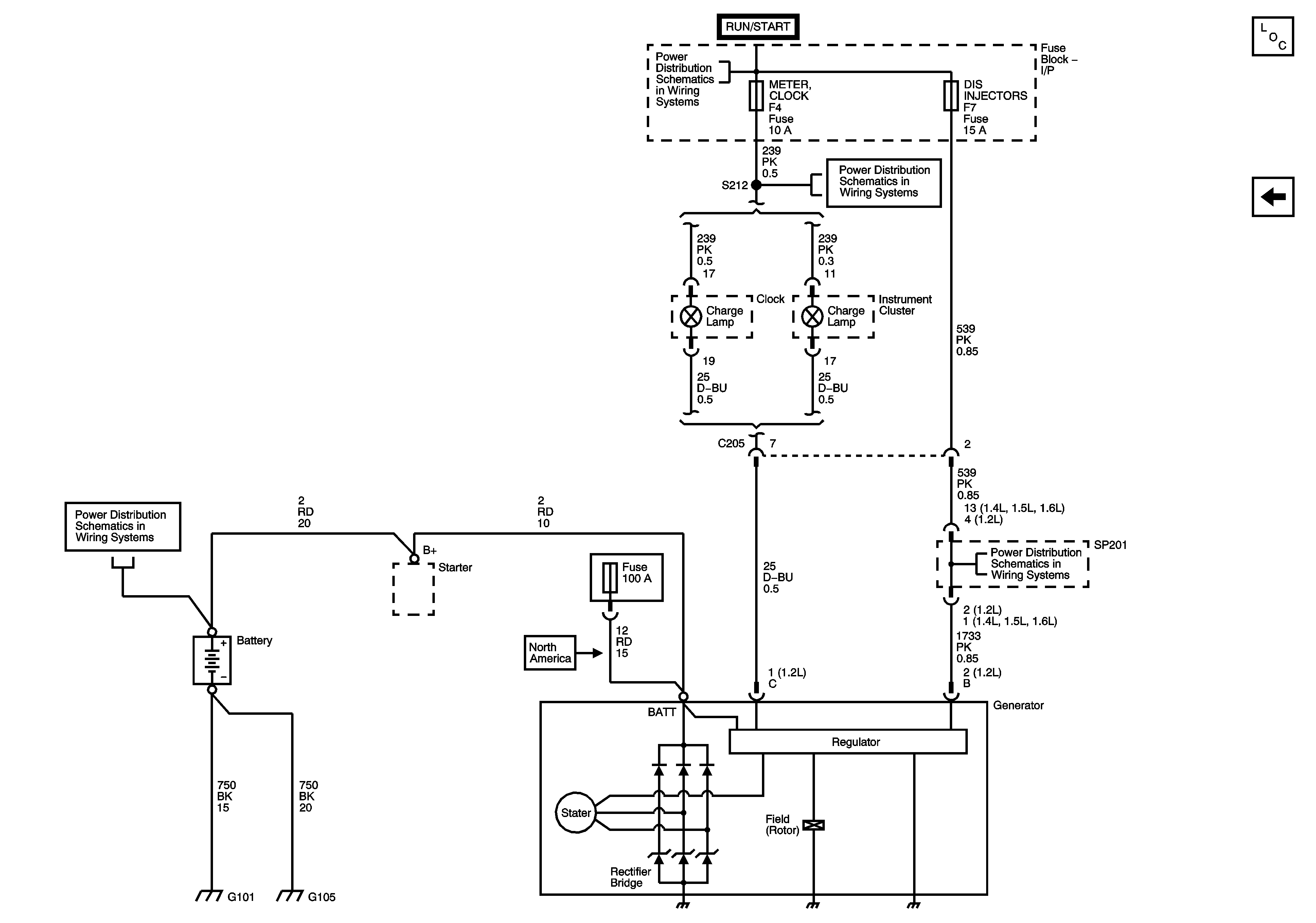
Figure
2:
Charging System
Master Electrical Component List
Starting System
Power Distribution - Battery Feed
Power Distribution - Battery Feed
Power Distribution - Battery Feed
Power Distribution - Battery Feed
Ground Distribution - G101, G102, G105