GM Service Manual Online
For 1990-2009 cars only
Figure 1:

Engine Controls Power, Ground and MIL


Object Number: 1679917  Size: FS
Master Electrical Component List
Engine Controls Data Sensors
Power Distribution - Battery Feed
Power Distribution - Battery Feed
Power Distribution - Battery Feed
Power Distribution - Battery Feed
Power Distribution - Battery Feed
Power Distribution - Battery Feed
Auto Transaxle Power and Ground
06 S Car Aveo Figure for Graphic 1680290
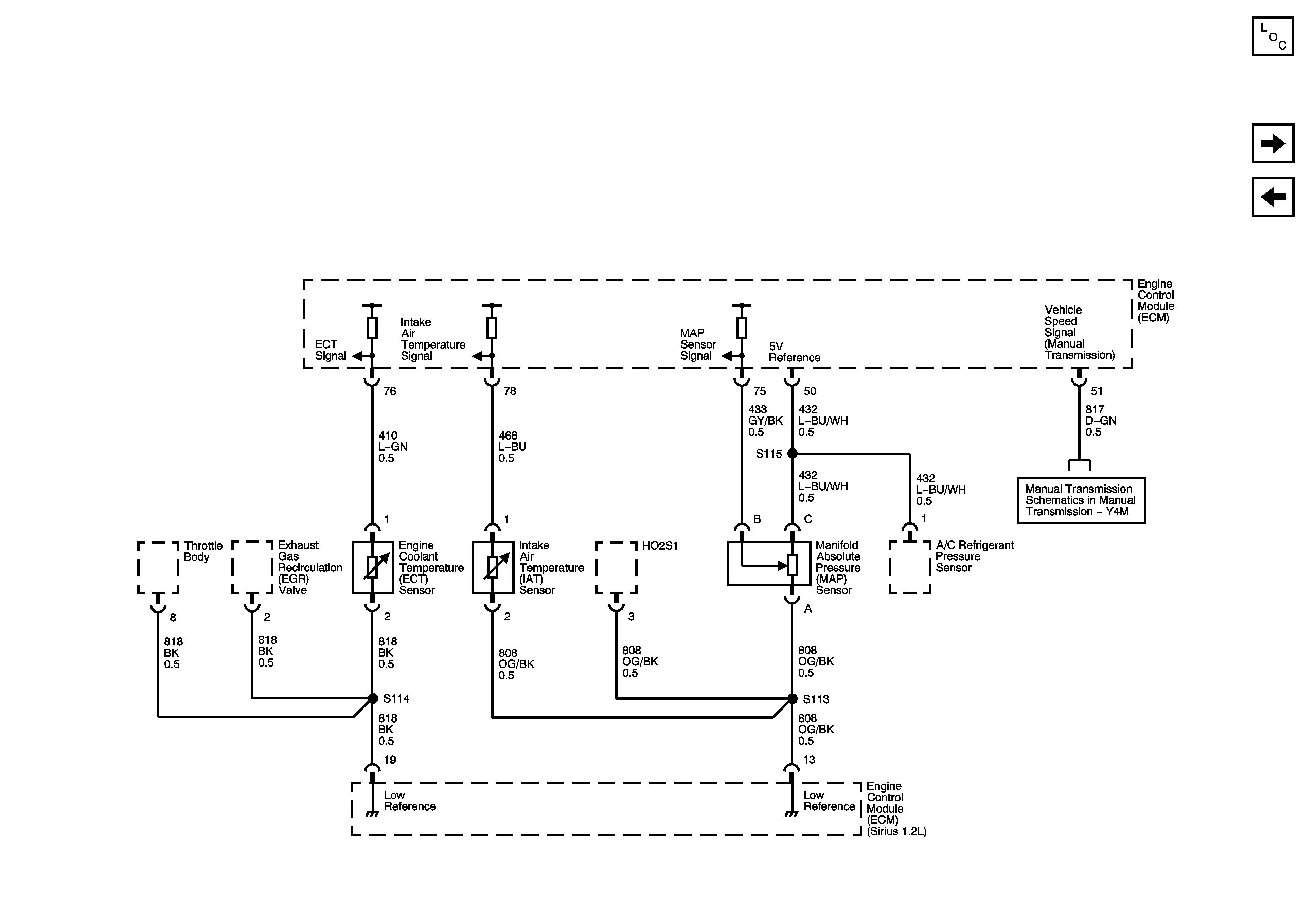
Figure 2:

Engine Controls Data Sensors


Object Number: 1679920  Size: FS
Master Electrical Component List
Engine Controls Ignition Sensors
Engine Controls Power, Ground and MIL
06 S Car Aveo Figure for Graphic 1680284
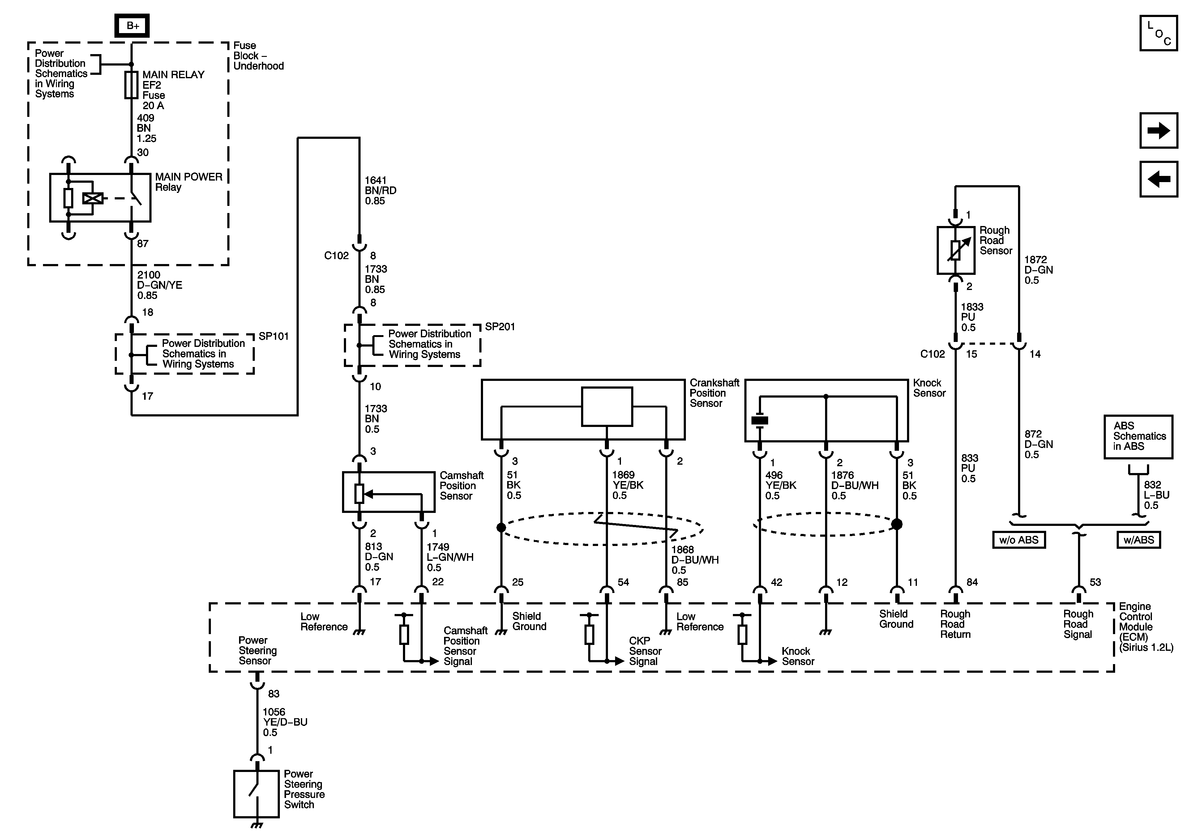
Figure 3:

Engine Controls Ignition Sensors


Object Number: 1679922  Size: FS
Master Electrical Component List
Engine Controls Ignition System
Engine Controls Data Sensors
Power Distribution - Battery Feed
Power Distribution - Battery Feed
Power Distribution - Battery Feed
ABS - Power, Ground and Inputs
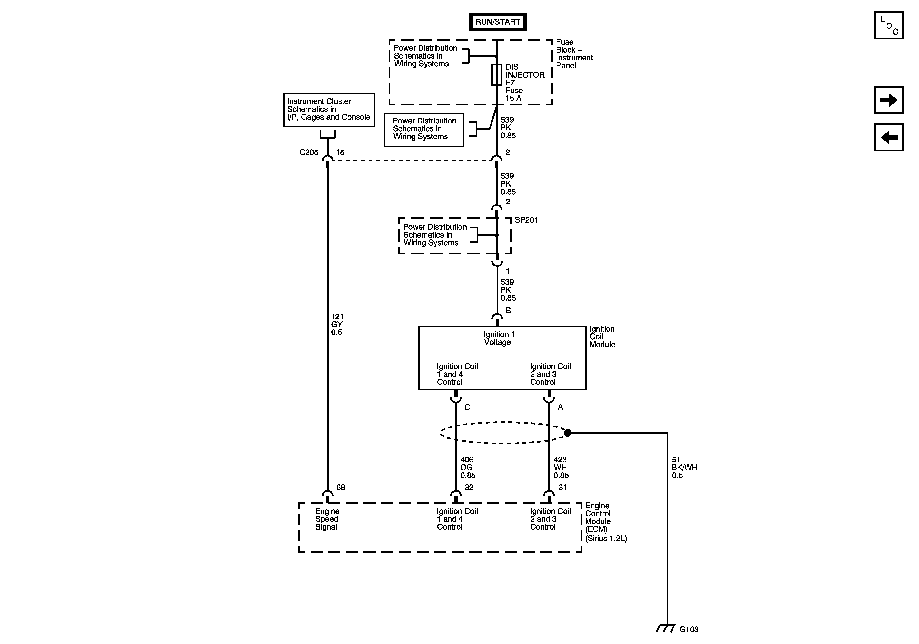
Figure 4:

Engine Controls Ignition System


Object Number: 1679927  Size: FS
Master Electrical Component List
Engine Controls Throttle Control
Engine Controls Ignition Sensors
Instr Cluster 1.2L Gauges
Power Distribution - Battery Feed
Power Distribution - Battery Feed
Power Distribution - Battery Feed
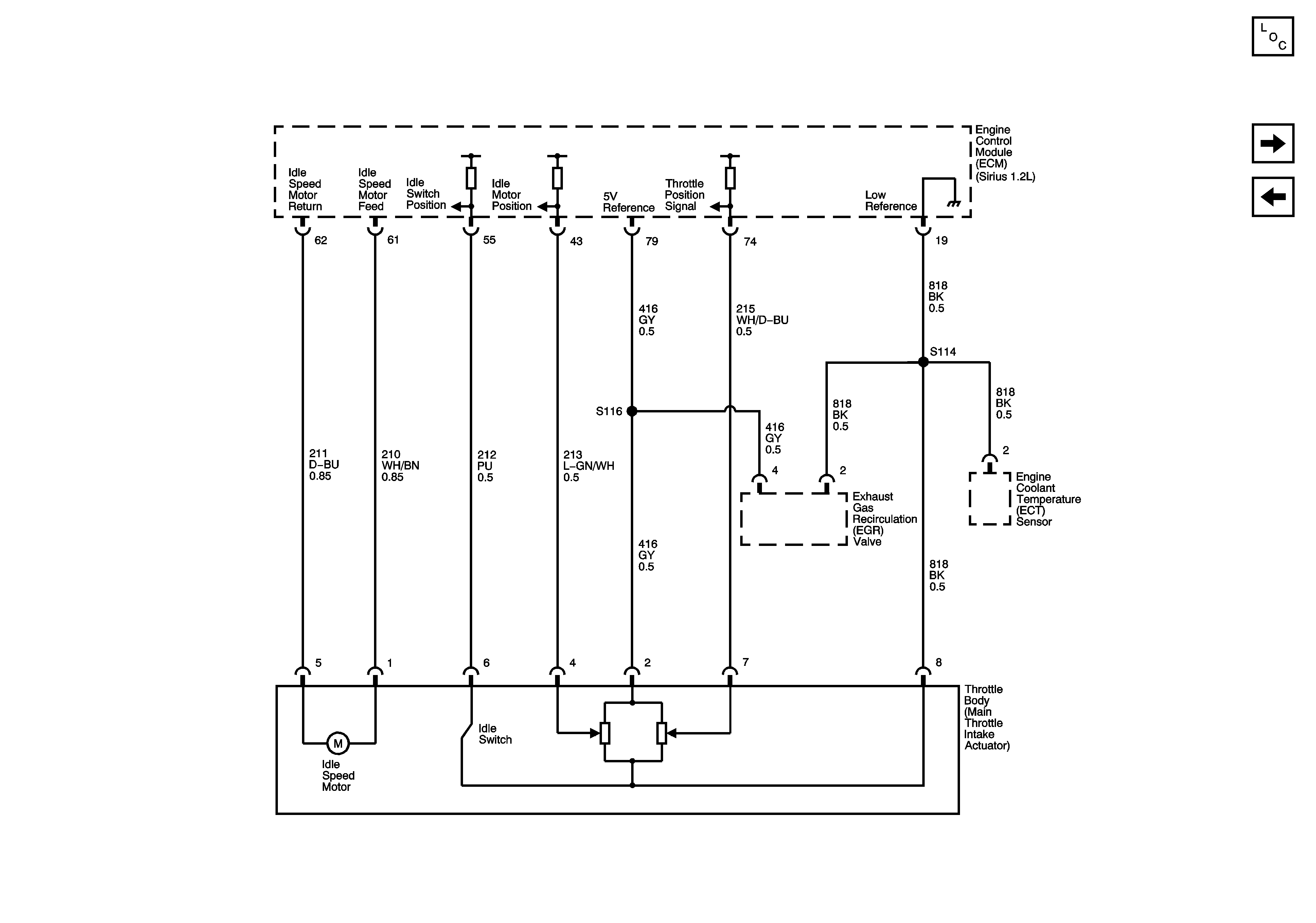
Figure 5:

Engine Controls Throttle Control


Object Number: 1679929  Size: FS
Master Electrical Component List
Engine Controls Oxygen Sensors
Engine Controls Ignition System
Figure 6:

Engine Controls Oxygen Sensors


Object Number: 1679931  Size: FS
Master Electrical Component List
Engine Controls Fuel System
Engine Controls Throttle Control
Power Distribution - Battery Feed
Power Distribution - Battery Feed
Power Distribution - Battery Feed
Engine Controls Power, Ground and MIL
HVAC Systems - Manual - Blower Controls
Figure 7:

Engine Controls Fuel System


Object Number: 1679934  Size: FS
Master Electrical Component List
Engine Controls EVAP and Octane Selector
Engine Controls Oxygen Sensors
Power Distribution - Battery Feed
Power Distribution - Ignition Switch and Fuses EF5, F1, 2, 3, 4, 5, 8
Power Distribution - Battery Feed
Power Distribution - Fuses EF1, 2, 3, 10 and MAIN Relay
Power Distribution - Battery Feed
Power Distribution - Fuses EF1, 2, 3, 10 and MAIN Relay
Instr Cluster 1.2L Gauges
Ground Distribution - G401 Notchback
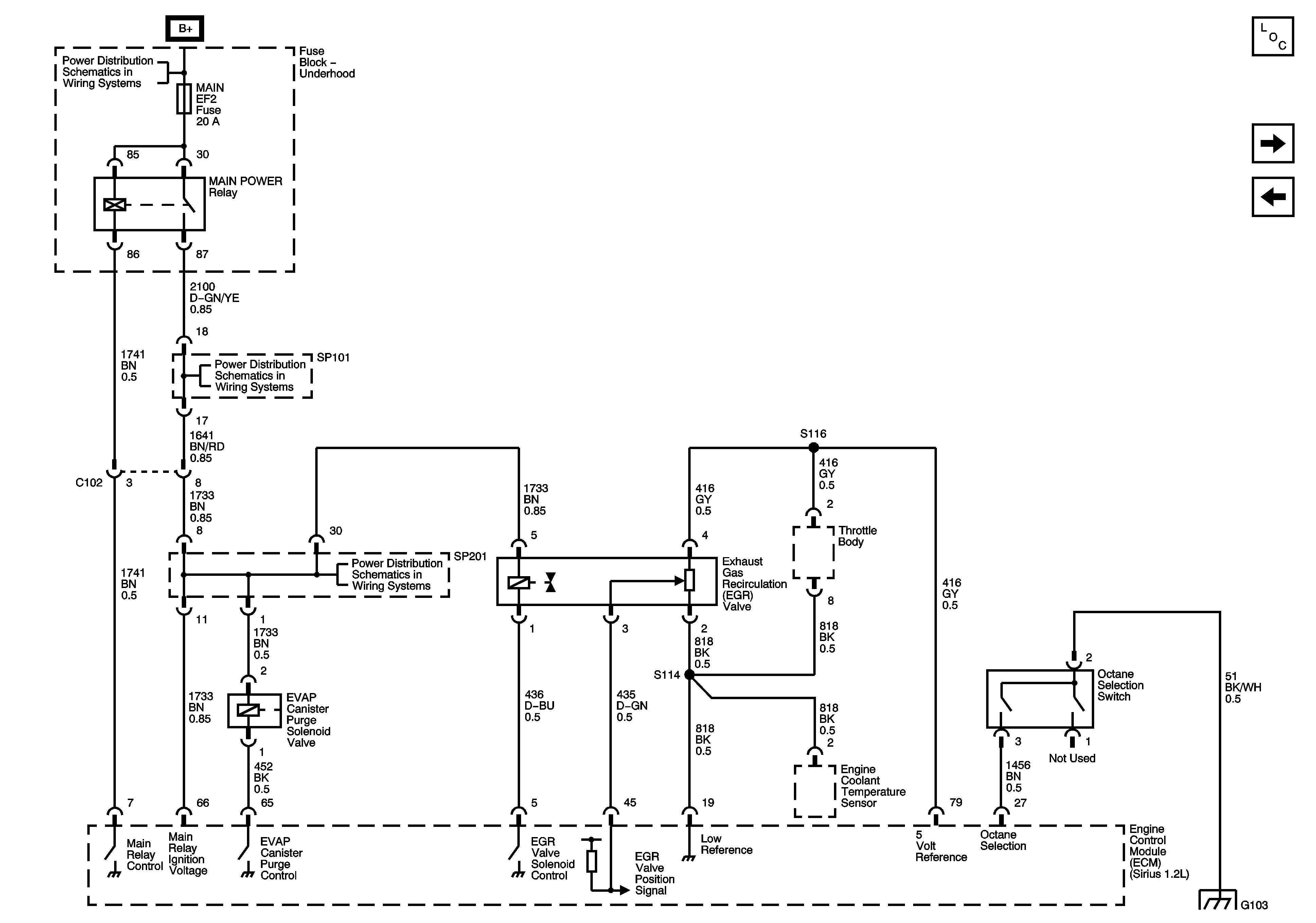
Figure 8:

Engine Controls EVAP and Octane Selector


Object Number: 1679940  Size: FS
Master Electrical Component List
Engine Controls Subsystem References
Engine Controls Fuel System
Power Distribution - Battery Feed
Power Distribution - Battery Feed
Power Distribution - Battery Feed
Figure 9:

Engine Controls Subsystem References


Object Number: 1456587  Size: FS
Master Electrical Component List
Engine Controls EVAP and Octane Selector
Instr Cluster 1.2L Gauges
Engine Cooling - 1.2L
HVAC Systems - Manual - Blower Controls