GM Service Manual Online
For 1990-2009 cars only
Figure 1:

Engine Controls Power, Ground and MIL


Object Number: 1679952  Size: FS
Master Electrical Component List
Engine Controls Data Sensors
OBD II Symbol Description Notice
Power Distribution - Battery Feed
Power Distribution - Battery Feed
Power Distribution - Battery Feed
Power Distribution - Battery Feed
Power Distribution - Battery Feed
Ground Distribution - G103 - 1.4L
Auto Transaxle Power and Ground
06 S Car Aveo Figure for Graphic 1680290
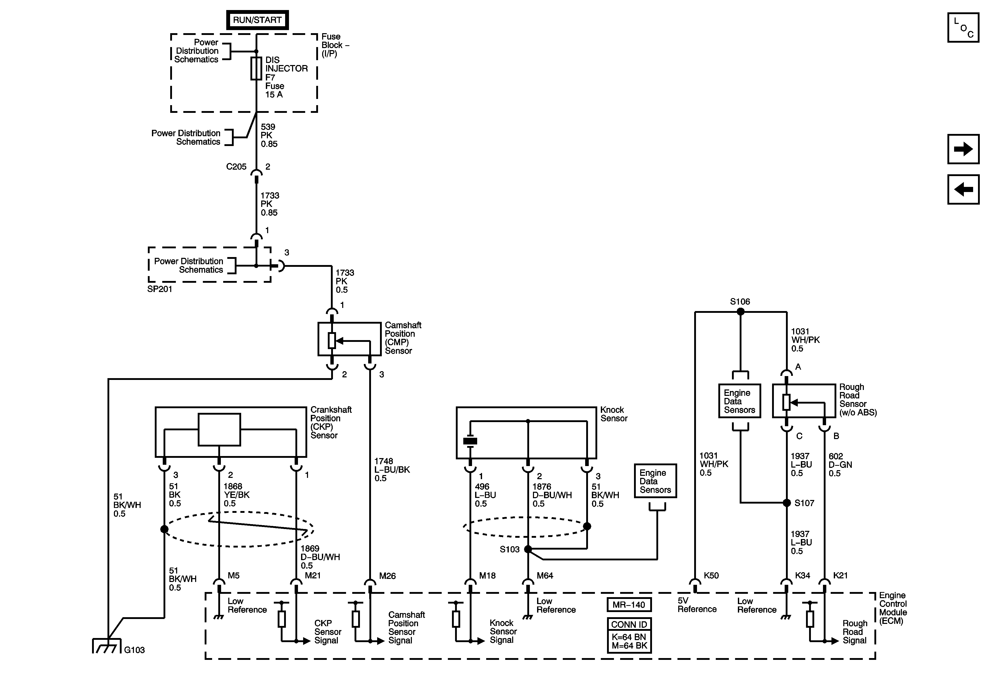
Figure 2:

Engine Controls Data Sensors


Object Number: 1679956  Size: FS
Master Electrical Component List
Engine Controls Ignition System
Engine Controls Power, Ground and MIL
OBD II Symbol Description Notice
Engine Controls Subsystem References
Figure 3:

Engine Controls Ignition System


Object Number: 1679959  Size: FS
Master Electrical Component List
Engine Controls Oxygen Sensors
Engine Controls Data Sensors
OBD II Symbol Description Notice
Instr Cluster 1.2L Gauges
Power Distribution - Battery Feed
Power Distribution - Battery Feed
Ground Distribution - G103 - 1.4L
Figure 4:

Engine Controls Oxygen Sensors


Object Number: 1679963  Size: FS
Master Electrical Component List
Engine Controls Ignition Sensors
Engine Controls Ignition System
OBD II Symbol Description Notice
Power Distribution - Battery Feed
Power Distribution - Battery Feed
Power Distribution - Battery Feed
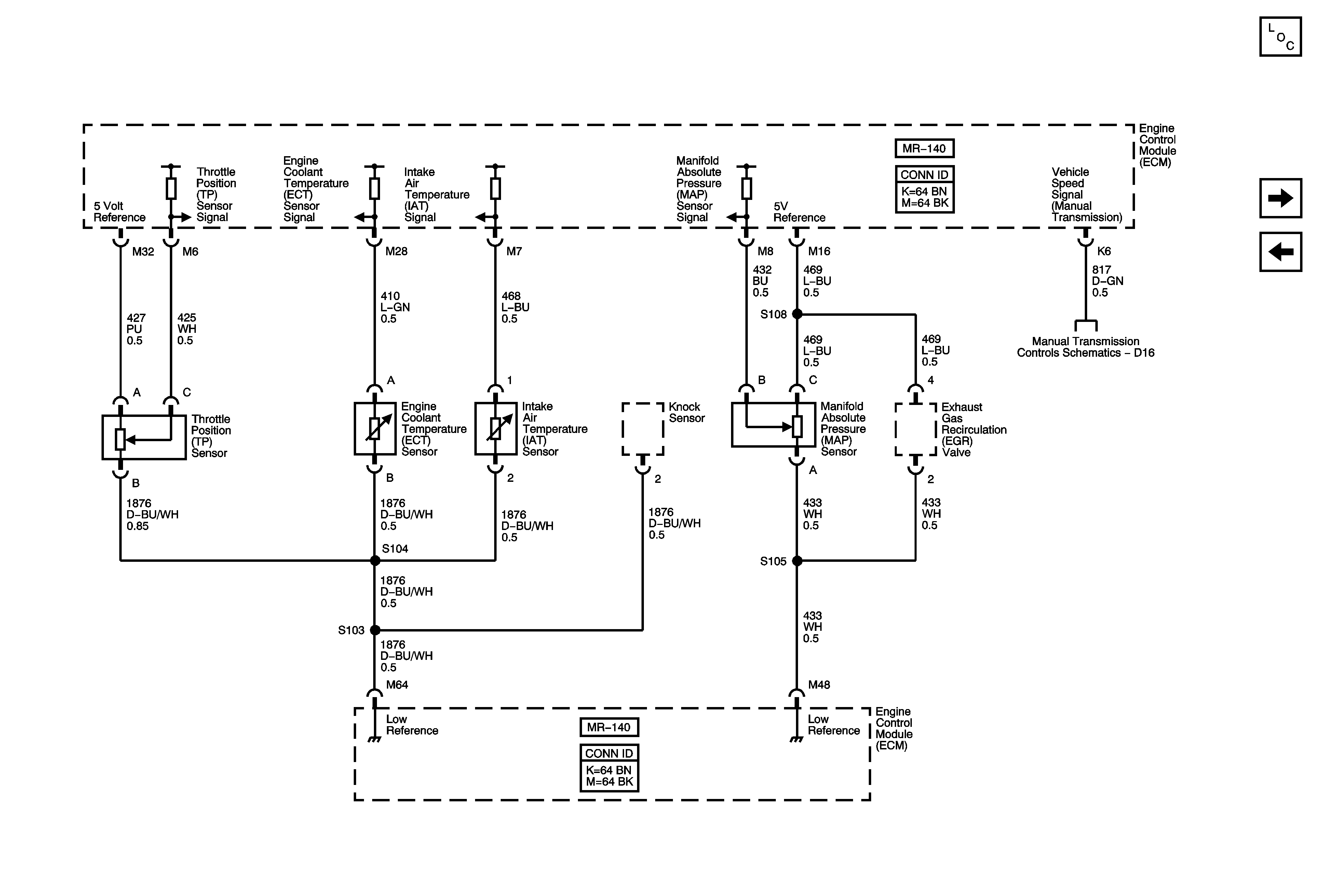
Figure 5:

Engine Controls Ignition Sensors


Object Number: 1679965  Size: FS
Master Electrical Component List
Engine Controls Fuel System
Engine Controls Oxygen Sensors
OBD II Symbol Description Notice
Power Distribution - Battery Feed
Power Distribution - Battery Feed
Power Distribution - Battery Feed
Engine Controls Data Sensors
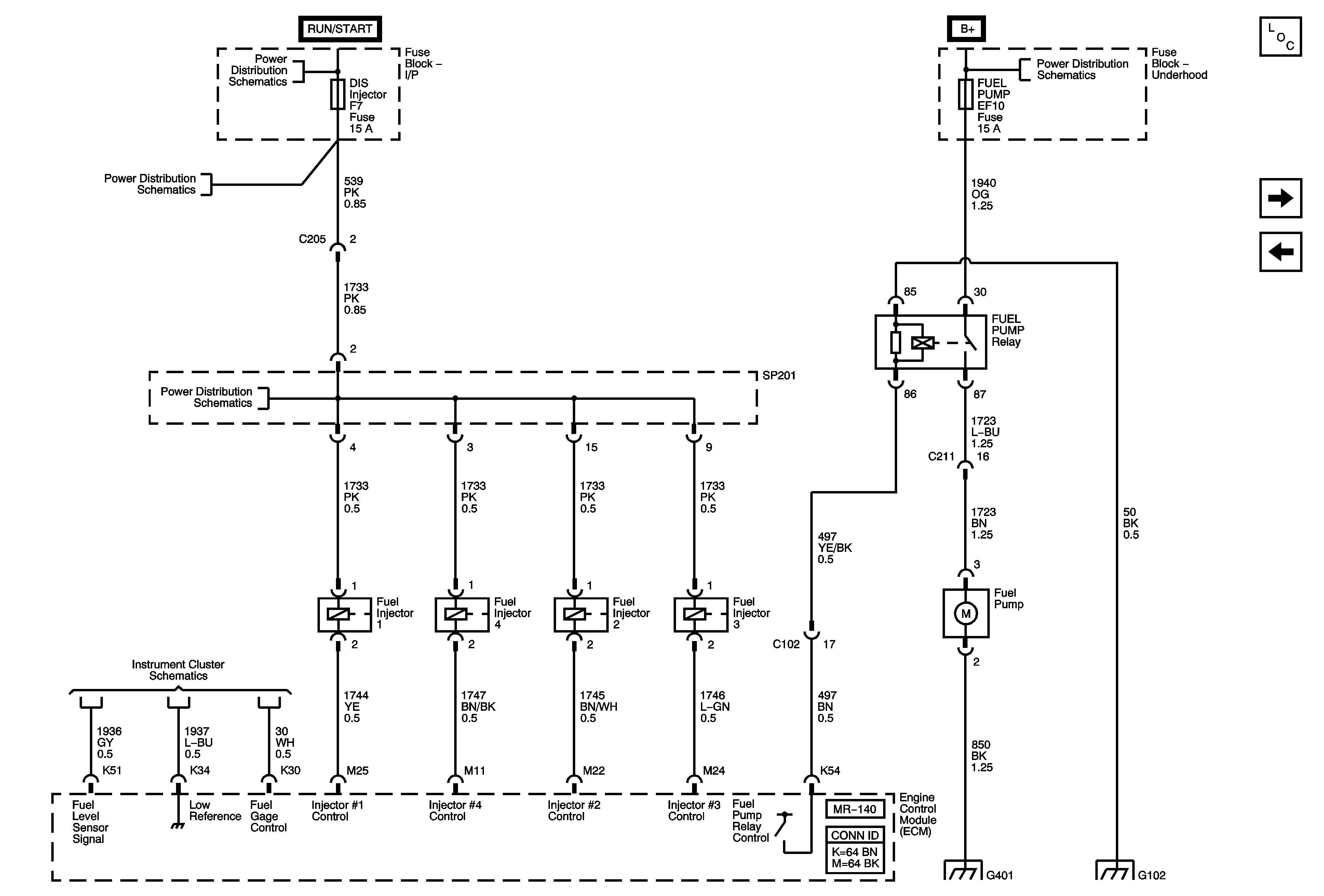
Figure 6:

Engine Controls Fuel System


Object Number: 1679968  Size: FS
Master Electrical Component List
Engine Controls EVAP and A/C Pressure Sensor
Engine Controls Ignition Sensors
OBD II Symbol Description Notice
Power Distribution - Battery Feed
Power Distribution - Battery Feed
Power Distribution - Battery Feed
Instr Cluster 1.2L Gauges
Ground Distribution - G401 Hatchback, G901
Ground Distribution - G102 cont.
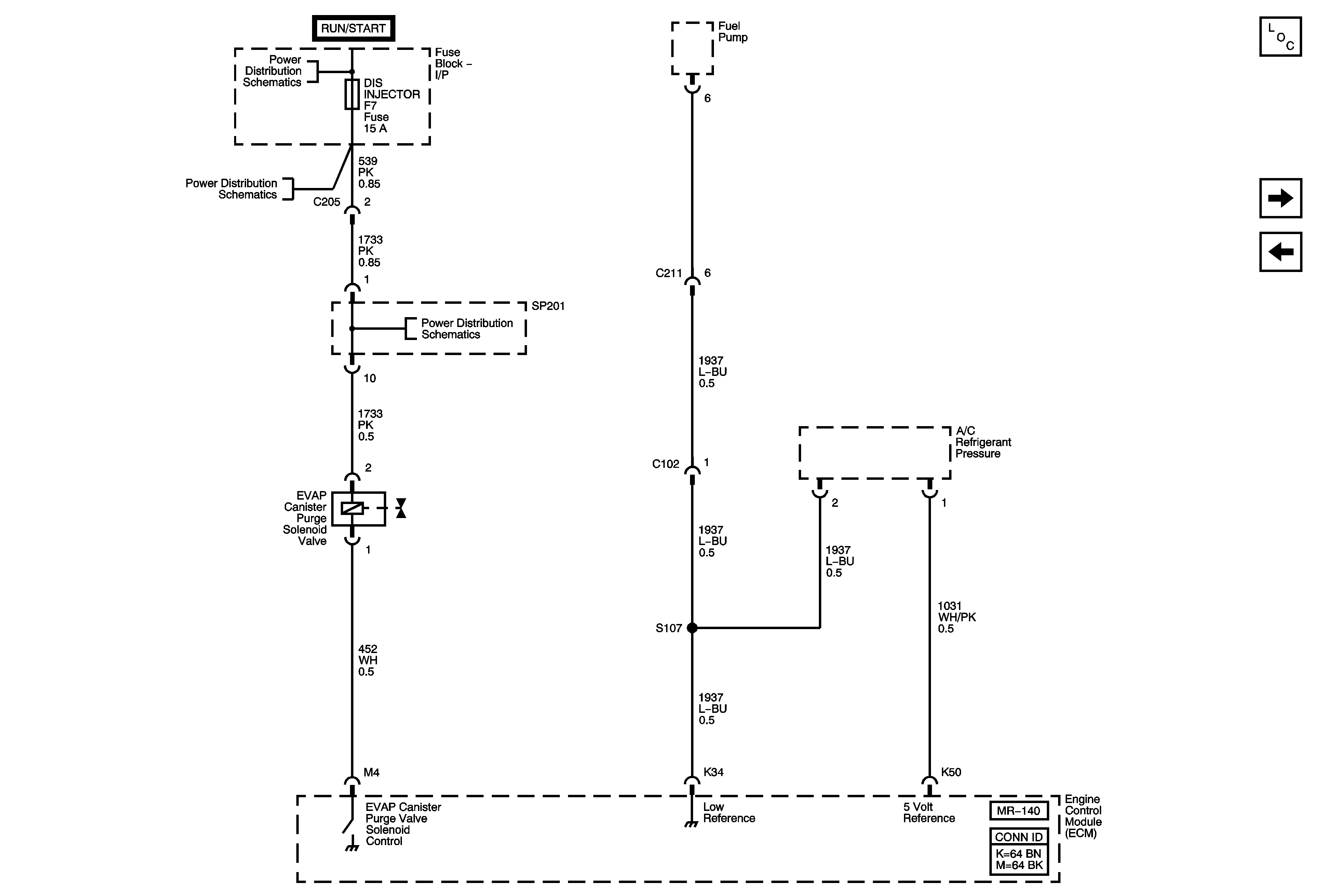
Figure 7:

Engine Controls EVAP and A/C Pressure Sensor


Object Number: 1679971  Size: FS
Master Electrical Component List
Engine Controls Fuel System
Engine Controls Intake Valves and Octane Selector
OBD II Symbol Description Notice
Power Distribution - Battery Feed
Power Distribution - Battery Feed
Power Distribution - Battery Feed
Figure 8:

Engine Controls Intake Valves and Octane Selector


Object Number: 1679973  Size: FS
Master Electrical Component List
Engine Controls System References
Engine Controls EVAP and A/C Pressure Sensor
OBD II Symbol Description Notice
Power Distribution - Battery Feed
Power Distribution - Battery Feed
Power Distribution - Battery Feed
Ground Distribution - G103 - 1.4L
Figure 9:

Engine Controls System References


Object Number: 1679977  Size: FS
Master Electrical Component List
Engine Controls Intake Valves and Octane Selector
OBD II Symbol Description Notice
ABS - Power, Ground and Inputs
Instr Cluster 1.2L Gauges
Engine Cooling - 1.2L
HVAC Systems - Manual - Blower Controls