GM Service Manual Online
For 1990-2009 cars only
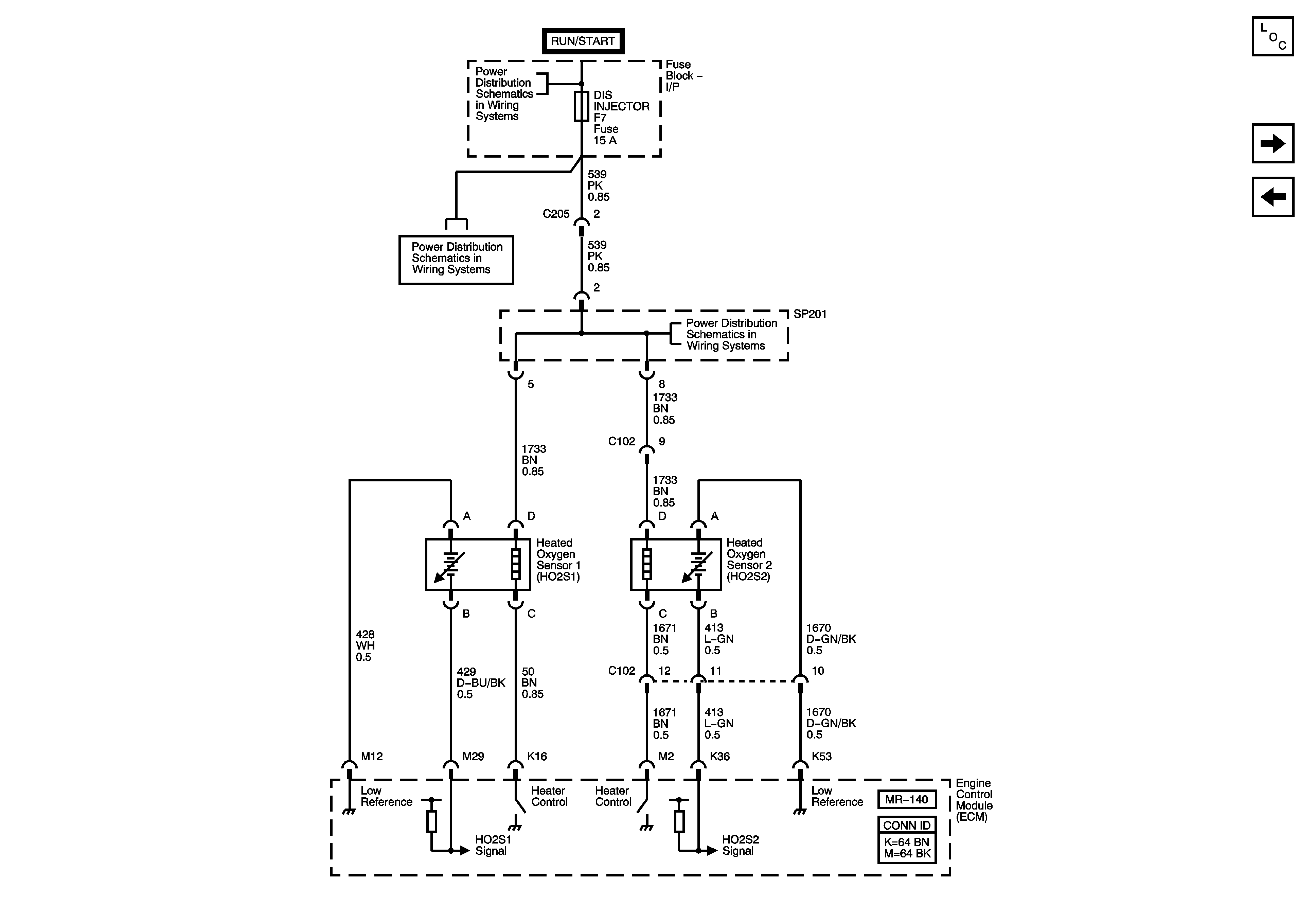
Figure 1:

Engine Controls Power, Ground and MIL


Object Number: 1629955  Size: FS
Master Electrical Component List
Engine Controls Data Sensors
Power Distribution - Battery Feed
Power Distribution - Battery Feed
Power Distribution - Battery Feed
Ground Distribution - G103 - 1.4L
Auto Transaxle Power and Ground
06 S Car Aveo Figure for Graphic 1680290
Figure 2:

Engine Controls Data Sensors


Object Number: 1629956  Size: FS
Master Electrical Component List
Engine Controls Oxygen Sensors
Engine Controls Power, Ground and MIL
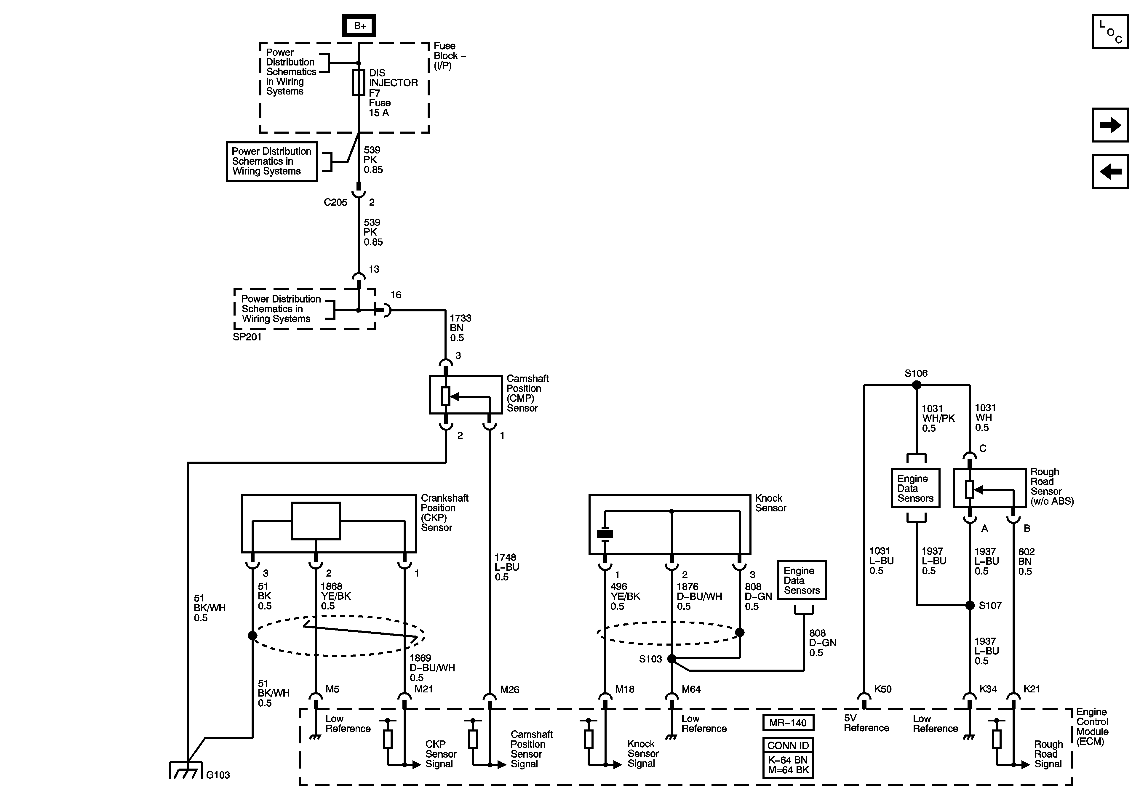
Figure 3:

Engine Controls Oxygen Sensors


Object Number: 1629958  Size: FS
Master Electrical Component List
Engine Controls Ignition System
Engine Controls Data Sensors
Power Distribution - Battery Feed
Power Distribution - Battery Feed
Power Distribution - Battery Feed
Figure 4:

Engine Controls Ignition System


Object Number: 1629967  Size: FS
Master Electrical Component List
Engine Controls Ignition Sensors
Engine Controls Oxygen Sensors
Instr Cluster 1.2L Gauges
Power Distribution - Battery Feed
Power Distribution - Battery Feed
Ground Distribution - G103 - 1.4L
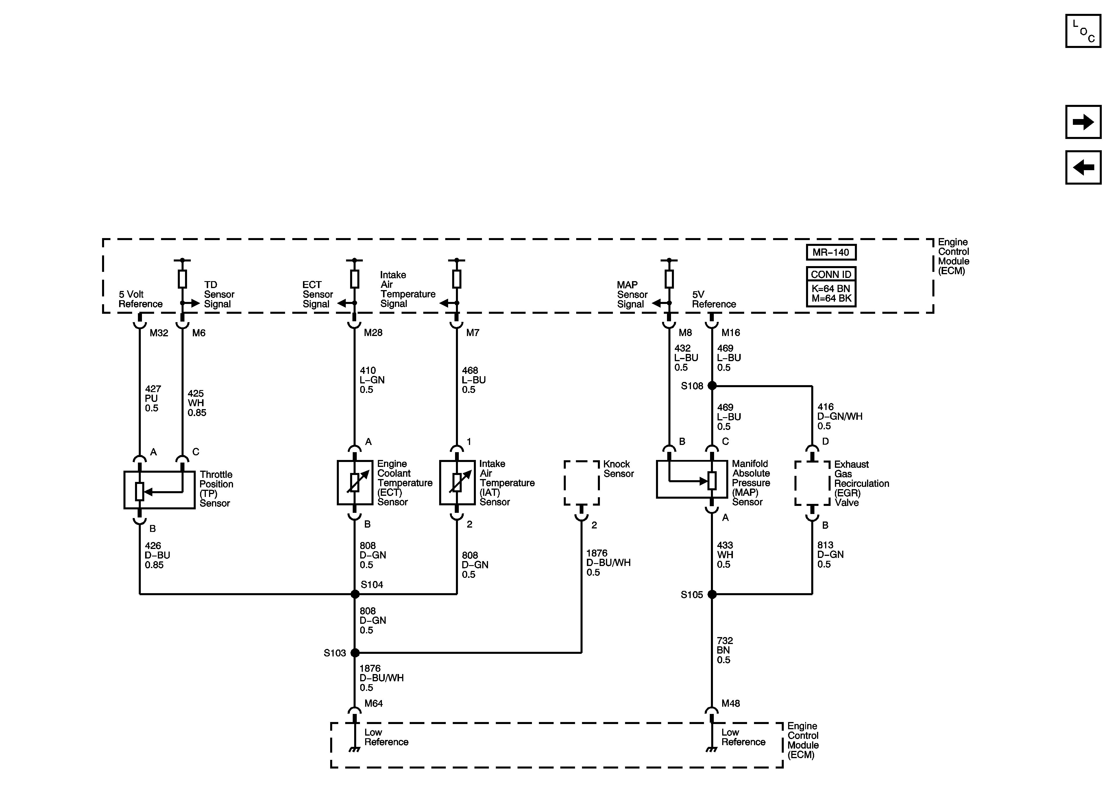
Figure 5:

Engine Controls Ignition Sensors


Object Number: 1629985  Size: FS
Master Electrical Component List
Engine Controls Fuel System
Engine Controls Ignition System
Power Distribution - Battery Feed
Power Distribution - Battery Feed
Power Distribution - Battery Feed
Engine Controls Data Sensors
Engine Controls Data Sensors
Ground Distribution - G103 - 1.4L
Figure 6:

Engine Controls Fuel System


Object Number: 1456608  Size: FS
Master Electrical Component List
Engine Controls EVAP, EGR, IAC and Octane Selector
Engine Controls Ignition Sensors
Power Distribution - Battery Feed
Power Distribution - Battery Feed
Power Distribution - Battery Feed
Instr Cluster 1.2L Gauges
Ground Distribution - G401 Notchback
Ground Distribution - G102 cont.
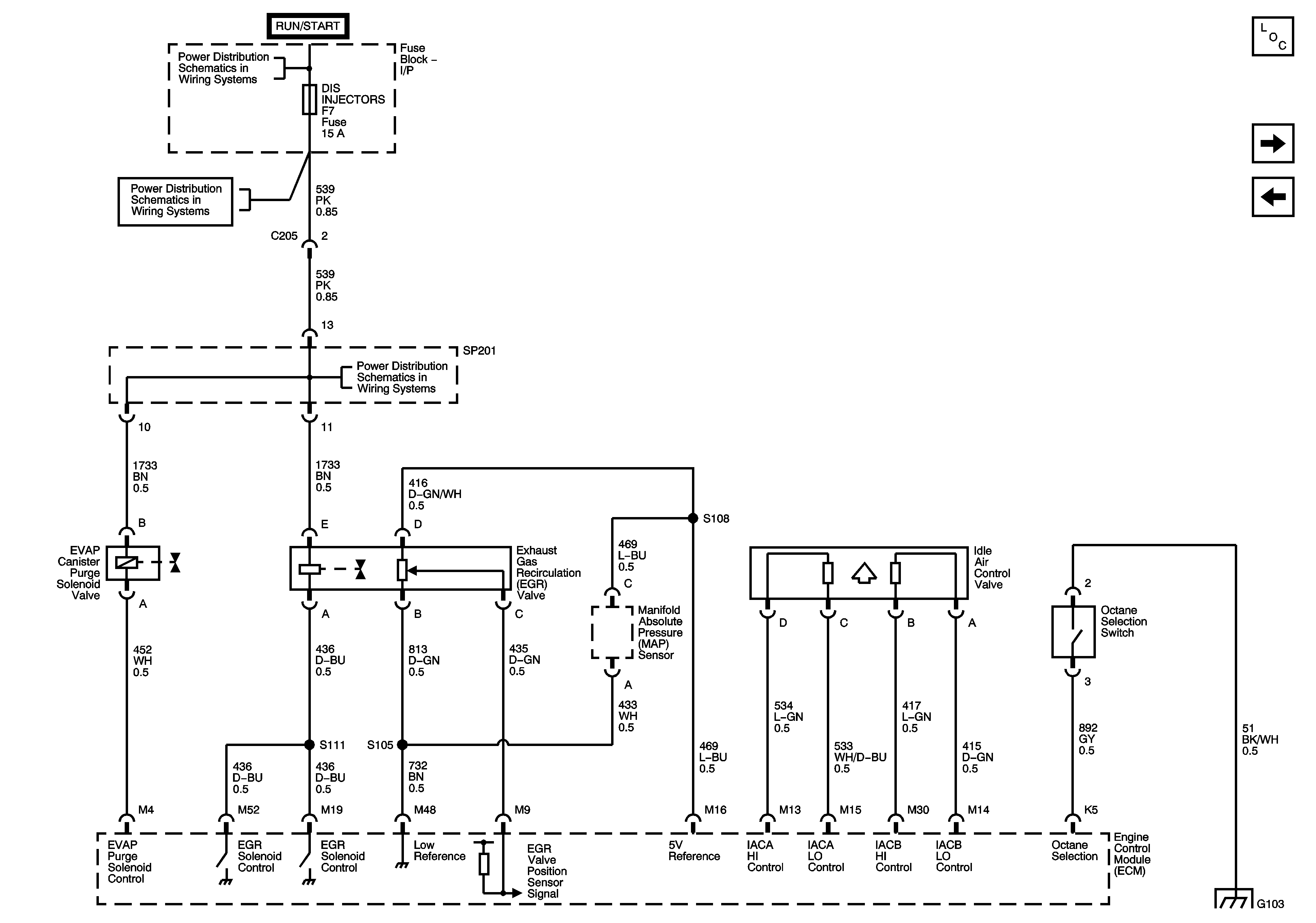
Figure 7:

Engine Controls EVAP, EGR, IAC and Octane Selector


Object Number: 1630086  Size: FS
Master Electrical Component List
Engine Controls Subsystem References
Engine Controls Fuel System
Power Distribution - Battery Feed
Power Distribution - Battery Feed
Power Distribution - Battery Feed
Figure 8:

Engine Controls Subsystem References


Object Number: 1456594  Size: FS
Master Electrical Component List
Engine Controls EVAP, EGR, IAC and Octane Selector
ABS - Power, Ground and Inputs
Instr Cluster 1.2L Gauges
Engine Cooling - 1.2L
HVAC Systems - Manual - Blower Controls