GM Service Manual Online
For 1990-2009 cars only
Figure 1:

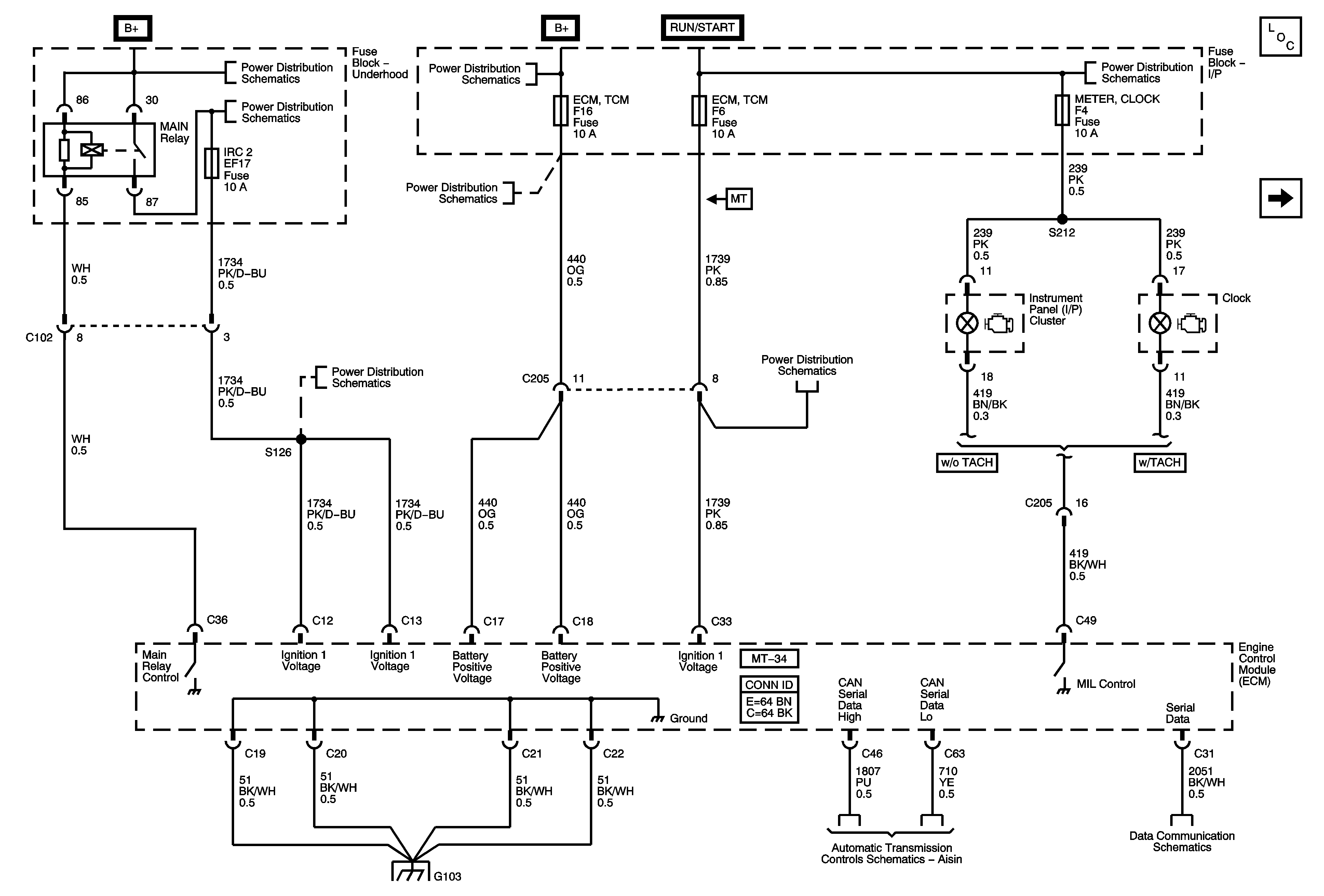
Engine Controls Power, Ground and MIL


Object Number: 1680149  Size: FS
Master Electrical Component List
Engine Controls Data Sensors
OBD II Symbol Description Notice
Power Distribution - Battery Feed
Power Distribution - Battery Feed
Power Distribution - Battery Feed
Power Distribution - Battery Feed
Power Distribution - Battery Feed
Power Distribution - Battery Feed
Ground Distribution - G103 - 1.4L
Auto Transaxle Power and Ground
06 S Car Aveo Figure for Graphic 1680290
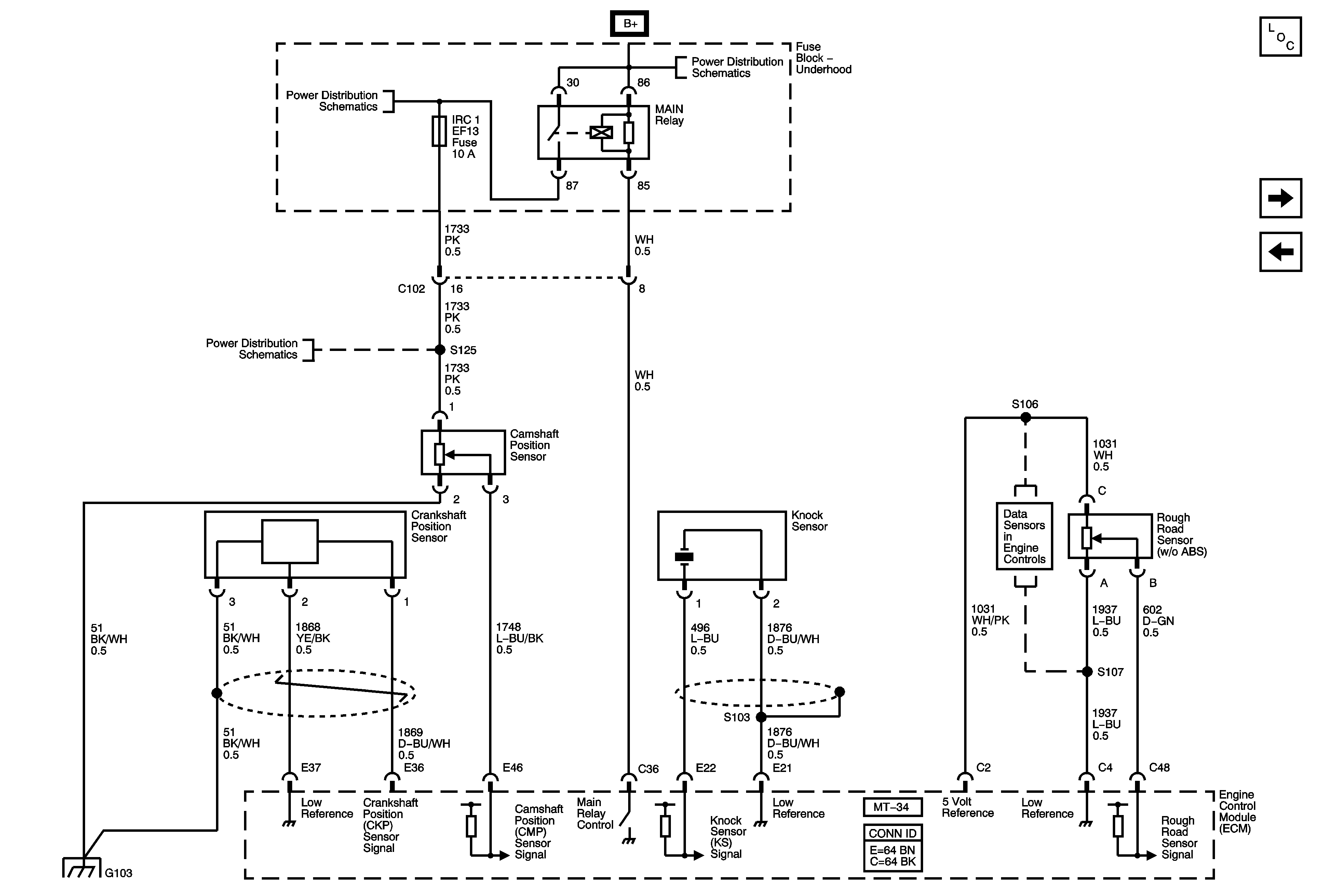
Figure 2:

Engine Controls Data Sensors


Object Number: 1680155  Size: FS
Master Electrical Component List
Accelerator Pedal Position (APP) Sensor
Engine Controls Power, Ground and MIL
OBD II Symbol Description Notice
VSS 1.6L
Figure 3:

Accelerator Pedal Position (APP) Sensor


Object Number: 1808646  Size: FS
Master Electrical Component List
Engine Controls Throttle Actuator Control
Engine Controls Data Sensors
OBD II Symbol Description Notice
SIR Caution for Zoning
Figure 4:

Throttle Actuator Control


Object Number: 1680160  Size: FS
Master Electrical Component List
Engine Controls Oxygen Sensors
Accelerator Pedal Position (APP) Sensor
OBD II Symbol Description Notice
Figure 5:

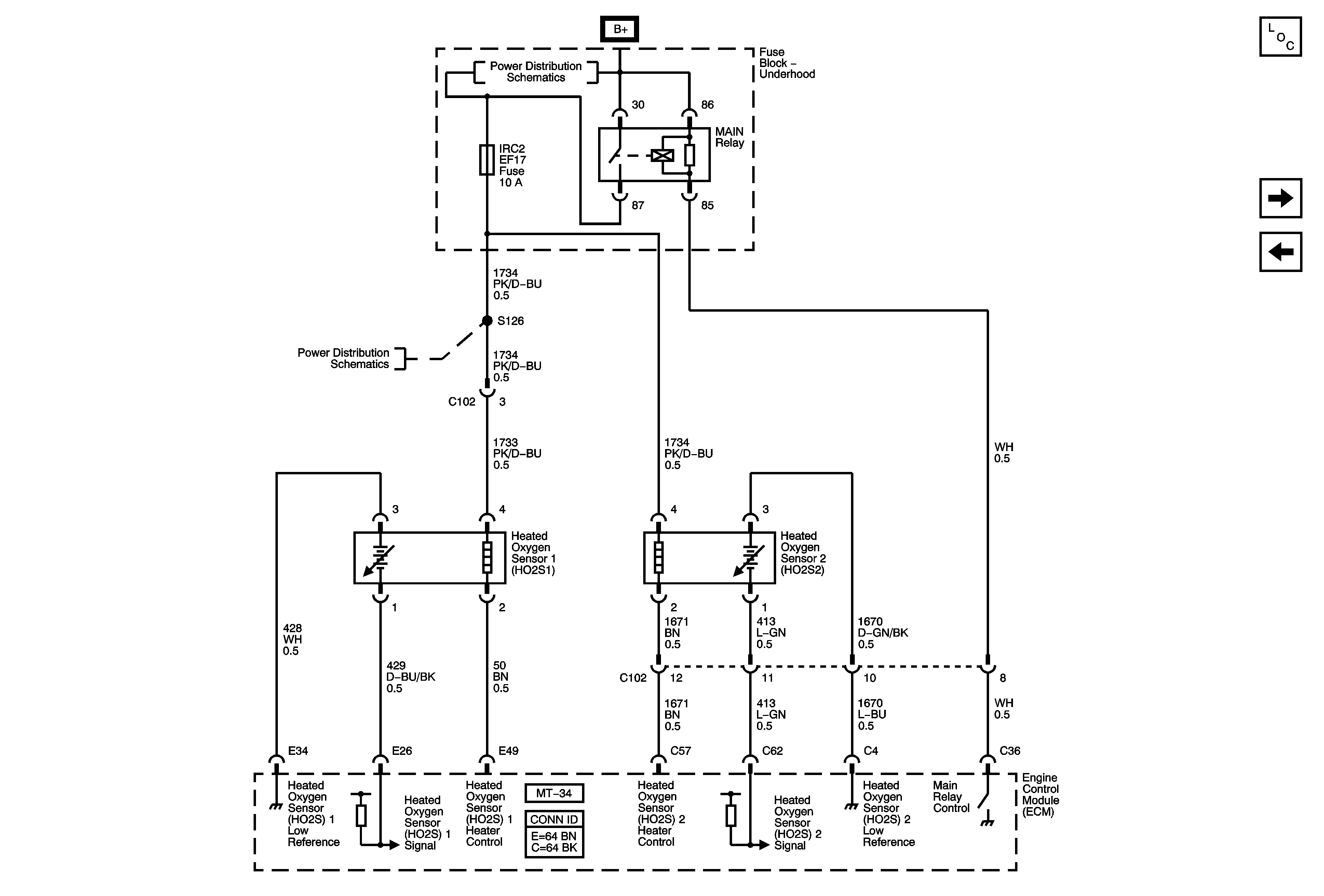
Engine Controls Oxygen Sensors


Object Number: 1680165  Size: FS
Master Electrical Component List
Engine Controls Ignition System
Engine Controls Throttle Actuator Control
OBD II Symbol Description Notice
Power Distribution - Battery Feed
Power Distribution - Battery Feed
Figure 6:

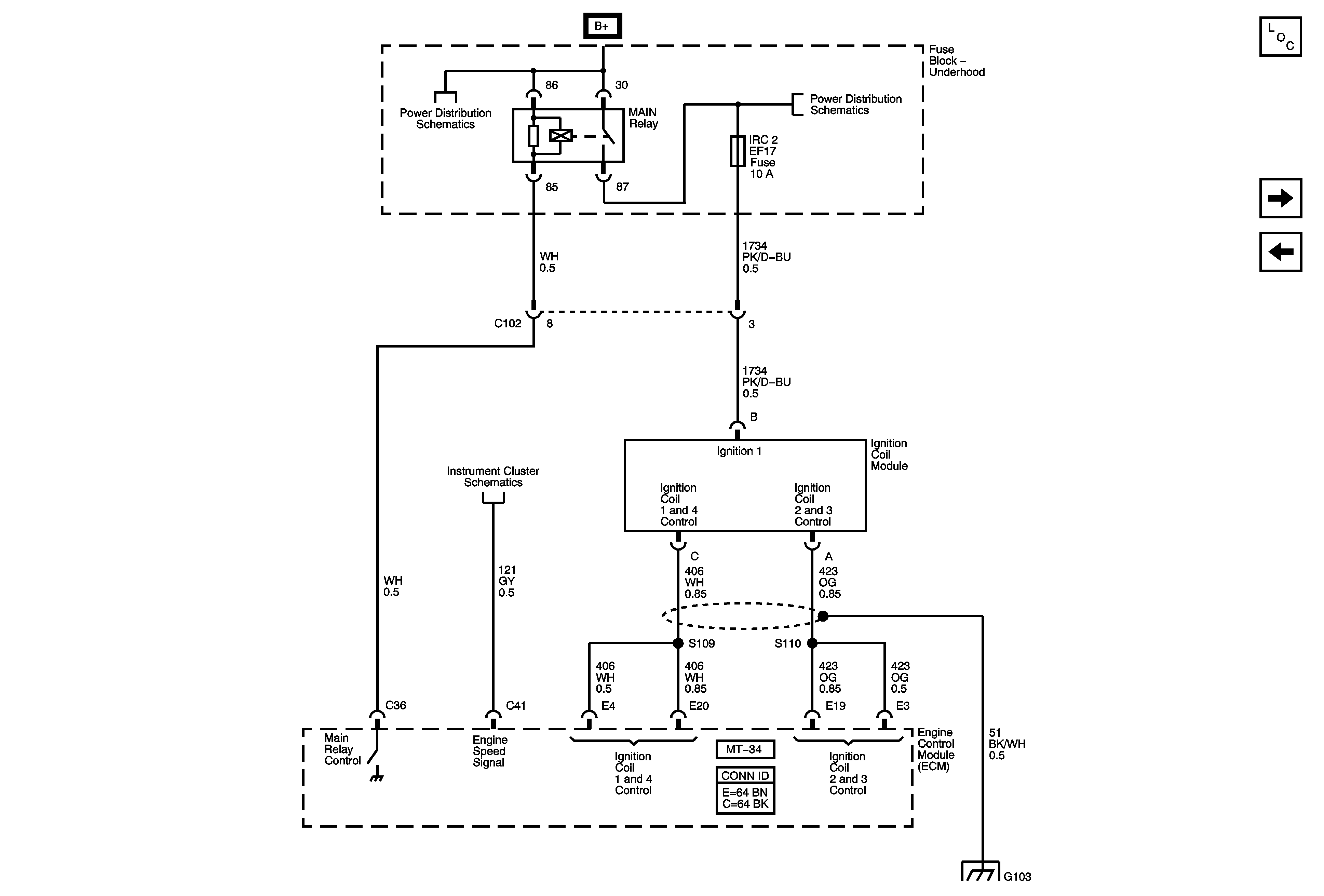
Engine Controls Ignition System


Object Number: 1680228  Size: FS
Master Electrical Component List
Engine Controls Ignition System Sensors
Engine Controls Oxygen Sensors
OBD II Symbol Description Notice
Power Distribution - Battery Feed
Power Distribution - Battery Feed
Instr Cluster 1.2L Gauges
Ground Distribution - G103 - 1.2L
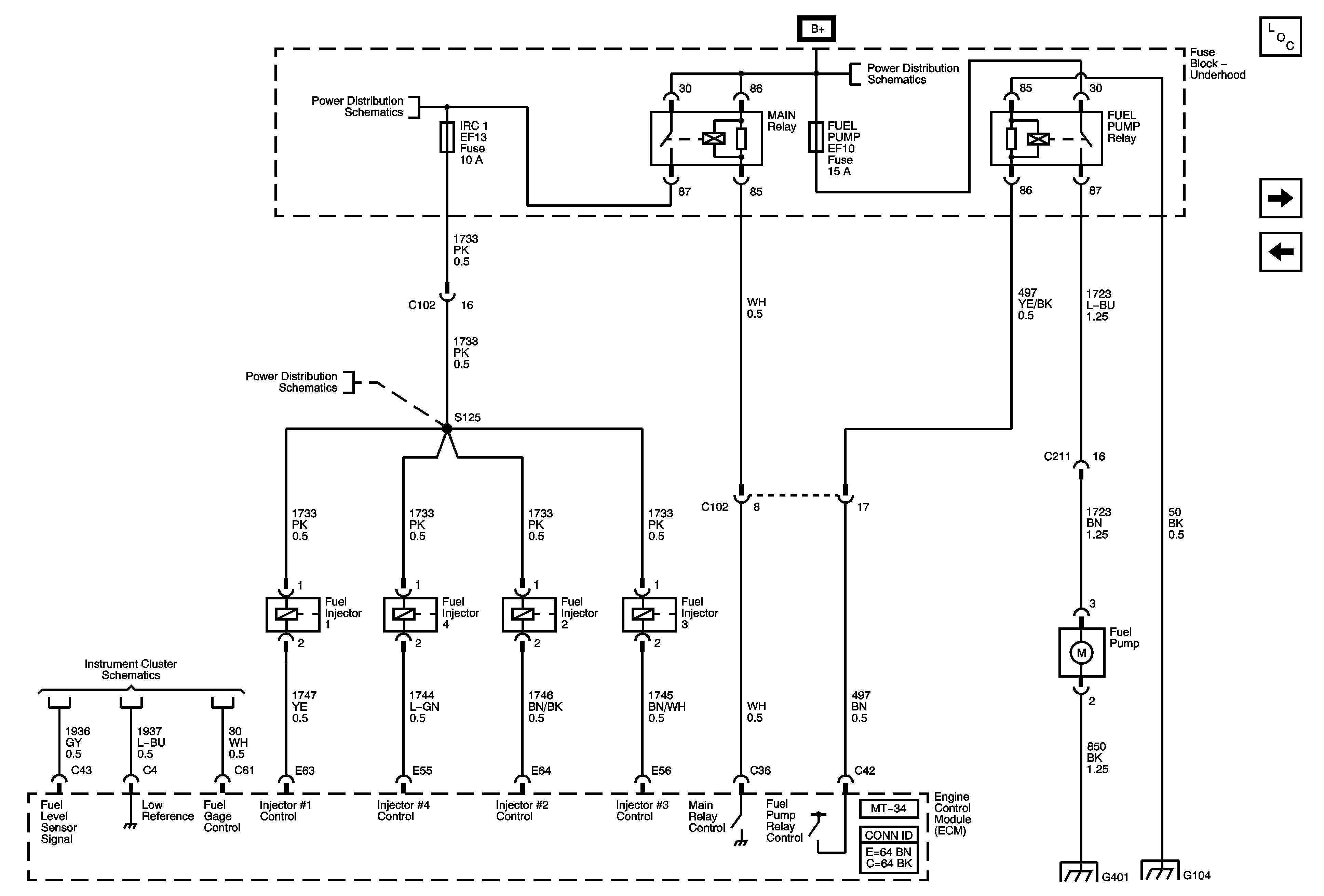
Figure 7:

Engine Controls Ignition Sensors


Object Number: 1680234  Size: FS
Master Electrical Component List
Engine Controls Fuel Pump and Fuel Injectors
Engine Controls Ignition System
OBD II Symbol Description Notice
Power Distribution - Battery Feed
Power Distribution - Battery Feed
Power Distribution - Battery Feed
Engine Controls EVAP Controls
Figure 8:

Engine Controls Fuel Injectors


Object Number: 1680238  Size: FS
Master Electrical Component List
Engine Controls EVAP Controls
Engine Controls Ignition System Sensors
OBD II Symbol Description Notice
Power Distribution - Battery Feed
Power Distribution - Battery Feed
Power Distribution - Battery Feed
Instr Cluster 1.6L Gauges
Ground Distribution - G401 Hatchback, G901
Ground Distribution - G104
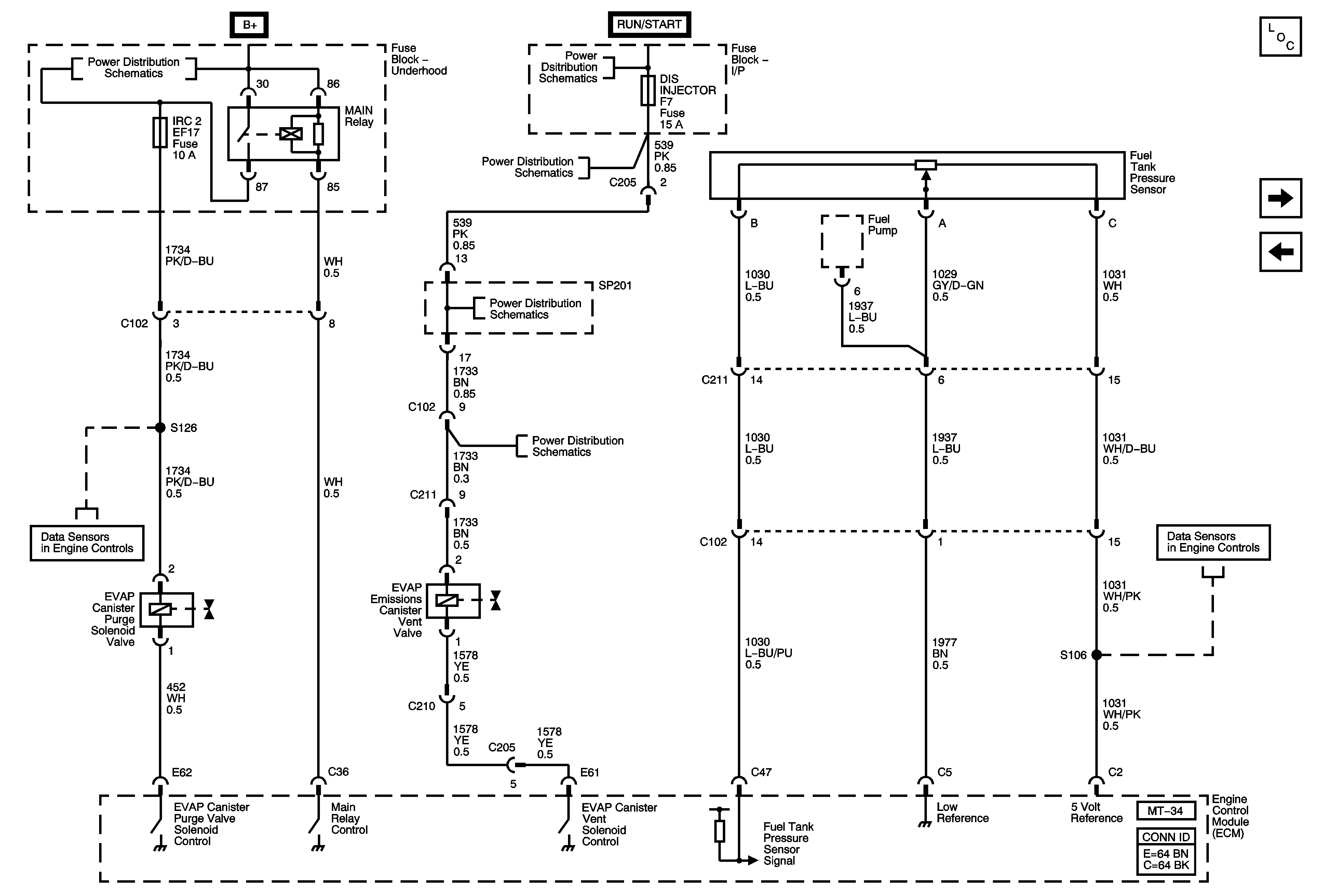
Figure 9:

Engine Controls EVAP Controls


Object Number: 1680241  Size: FS
Master Electrical Component List
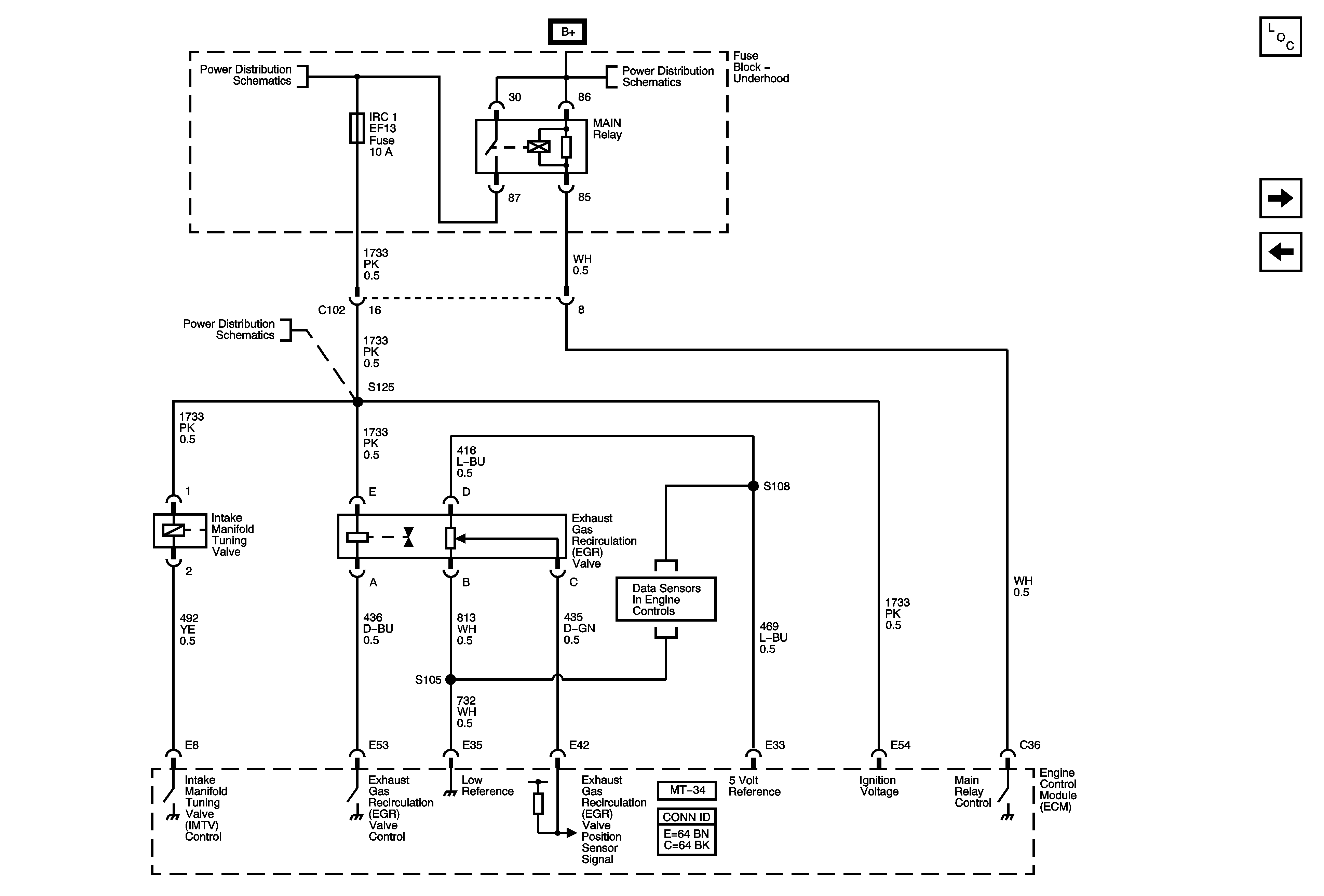
Intake Manifold Tuning (IMT) Valve, Exhaust Gas Recirculation (EGR) Valve
Engine Controls Fuel Pump and Fuel Injectors
OBD II Symbol Description Notice
Power Distribution - Battery Feed
Power Distribution - Battery Feed
Power Distribution - Battery Feed
Power Distribution - Battery Feed
Power Distribution - Battery Feed
Engine Controls Oxygen Sensors
Engine Controls Ignition System Sensors
Figure 10:

Engine Controls Intake, Exhaust Valves


Object Number: 1680246  Size: FS
Master Electrical Component List
Engine Controls Subsystem References
Engine Controls EVAP Controls
OBD II Symbol Description Notice
Power Distribution - Battery Feed
Power Distribution - Battery Feed
Power Distribution - Battery Feed
Engine Controls Data Sensors
Figure 11:

Engine Controls Subsystem References


Object Number: 1680249  Size: FS
Master Electrical Component List
Intake Manifold Tuning (IMT) Valve, Exhaust Gas Recirculation (EGR) Valve
OBD II Symbol Description Notice
ABS - Power, Ground and Inputs
Instr Cluster 1.6L Gauges
Engine Cooling - 1.6L
HVAC Systems - Manual - Blower Controls