GM Service Manual Online
For 1990-2009 cars only

SIR Schematics Except North American


Object Number: 1680496  Size: FS
Master Electrical Component List
Power Distribution - Battery Feed
Power Distribution - Battery Feed
SIR Schematic Icons
SIR Schematic Icons
SIR Schematic Icons
SIR Schematic Icons
SIR Schematic Icons
SIR Schematic Icons

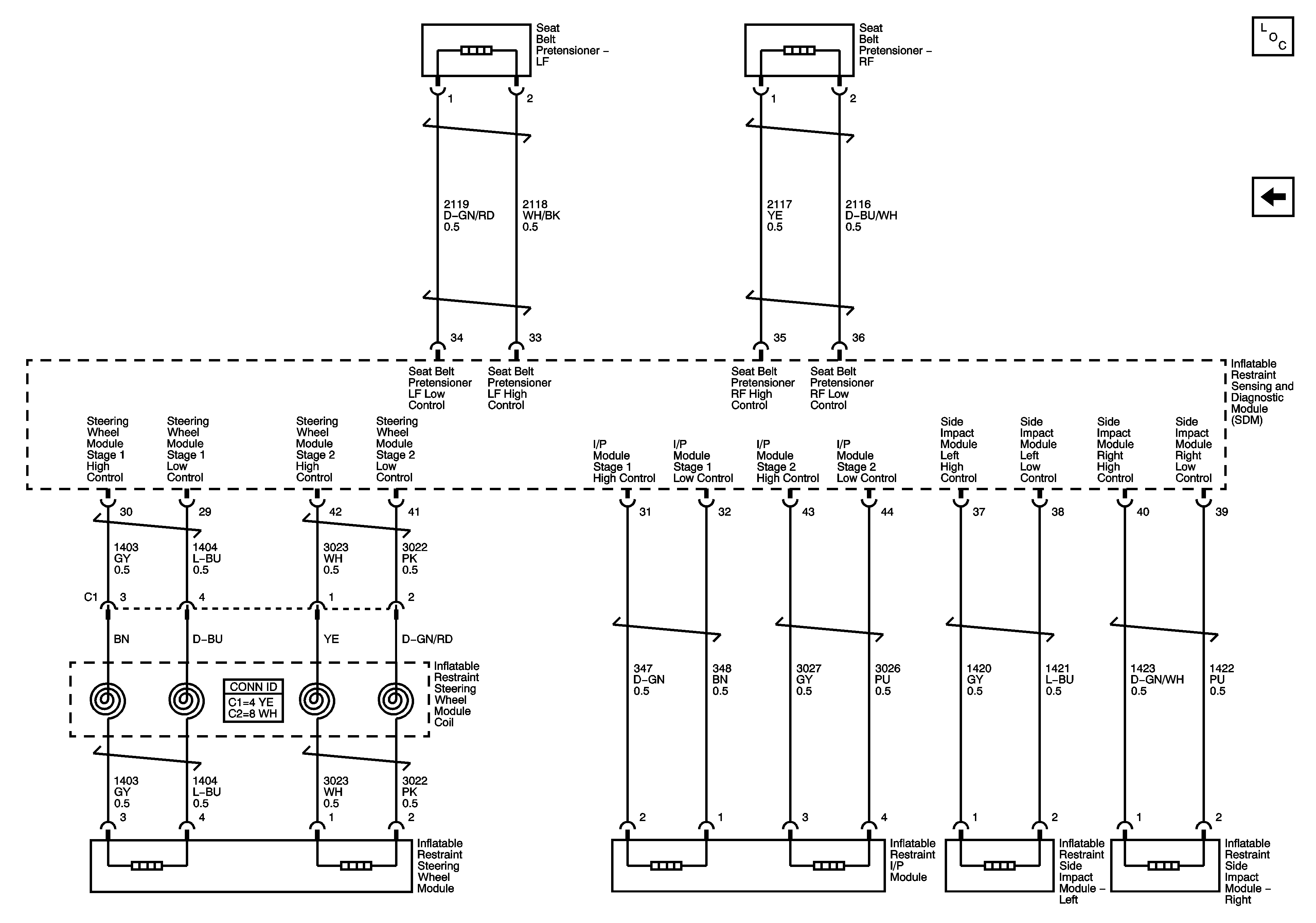
SIR Schematics North American

Figure 1:
Object Number: 1680666  Size: FS
Master Electrical Component List
SIR - North American (2of2)
OBD II Symbol Description Notice
Power Distribution - Battery Feed
Power Distribution - Battery Feed
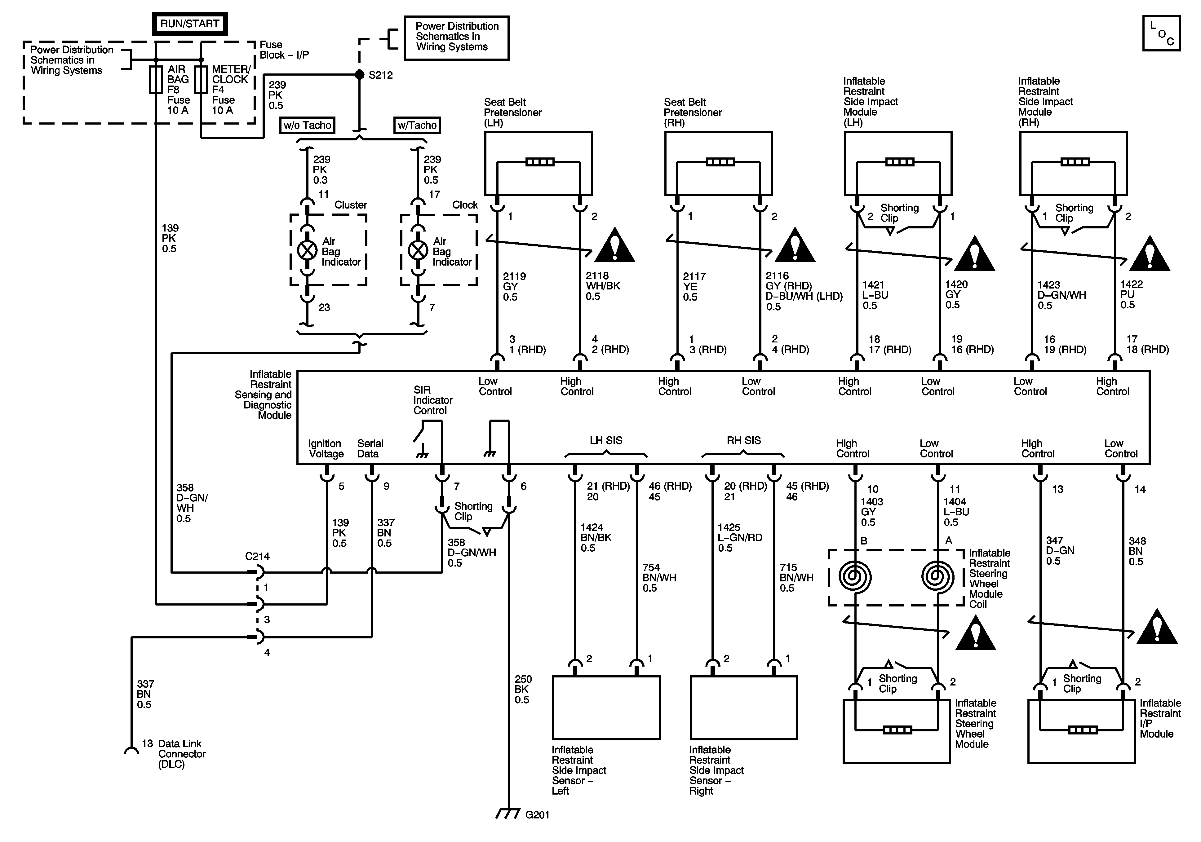
Figure 2:
Object Number: 1680667  Size: FS
Master Electrical Component List
SIR - North America