GM Service Manual Online
For 1990-2009 cars only
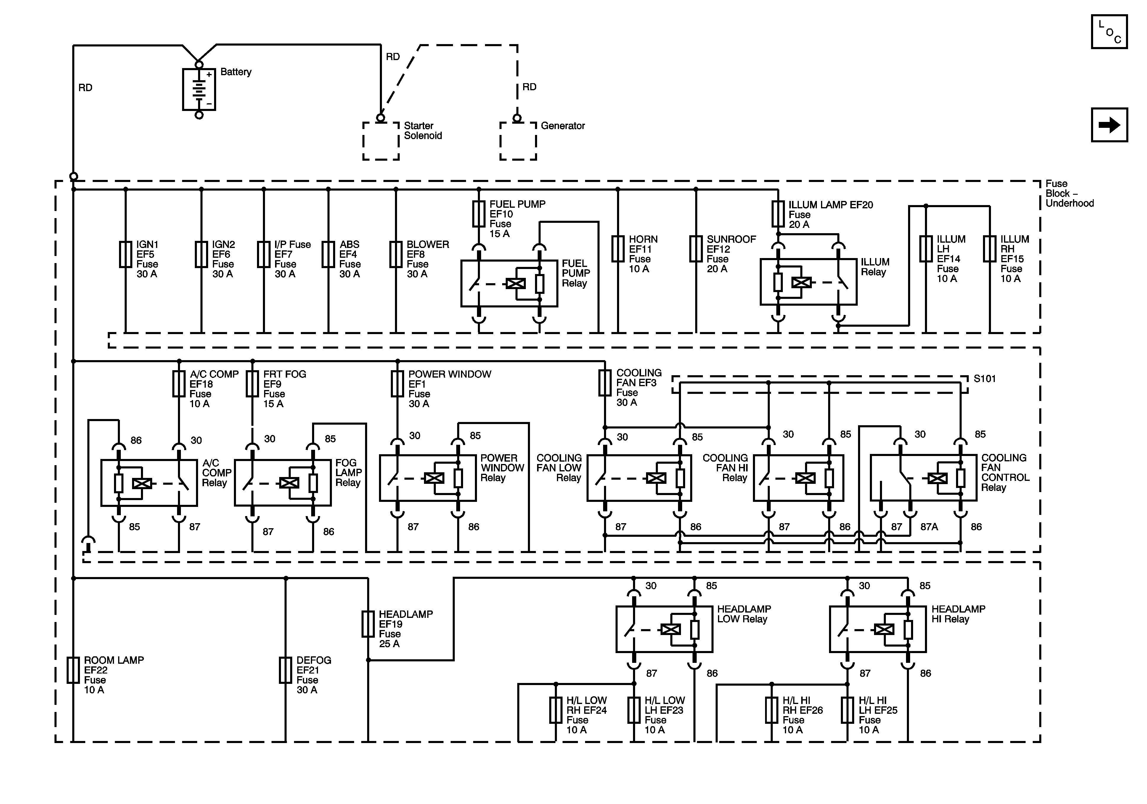
Figure 1:

Battery Feed


Object Number: 1257871  Size: FS
Master Electrical Component List
Power Distribution - Fuses EF4, 8, 11, 12 and 21
Figure 2:

Fuses EF4, 8, 11, 12 and 21


Object Number: 1679606  Size: FS
Master Electrical Component List
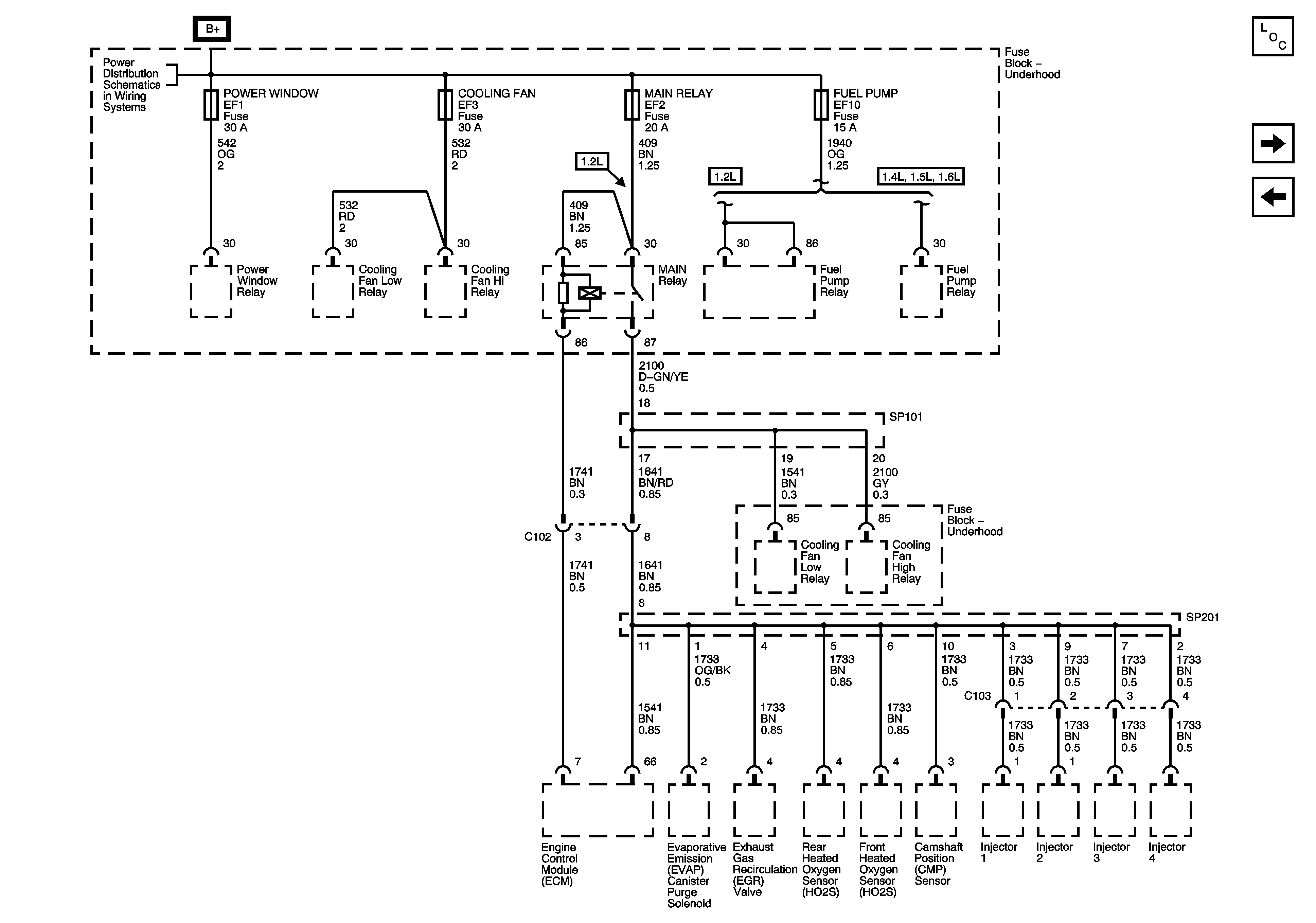
Power Distribution - Fuses EF1, 2, 3, 10 and MAIN Relay
Power Distribution - Battery Feed
Power Distribution - Battery Feed
Figure 3:

Fuses EF1, 2, 3, 10 and MAIN Relay


Object Number: 1375076  Size: FS
Master Electrical Component List
Power Distribution - Fuse EF13
Power Distribution - Fuses EF4, 8, 11, 12 and 21
Power Distribution - Battery Feed
Figure 4:

Fuse EF13


Object Number: 1679616  Size: FS
Master Electrical Component List
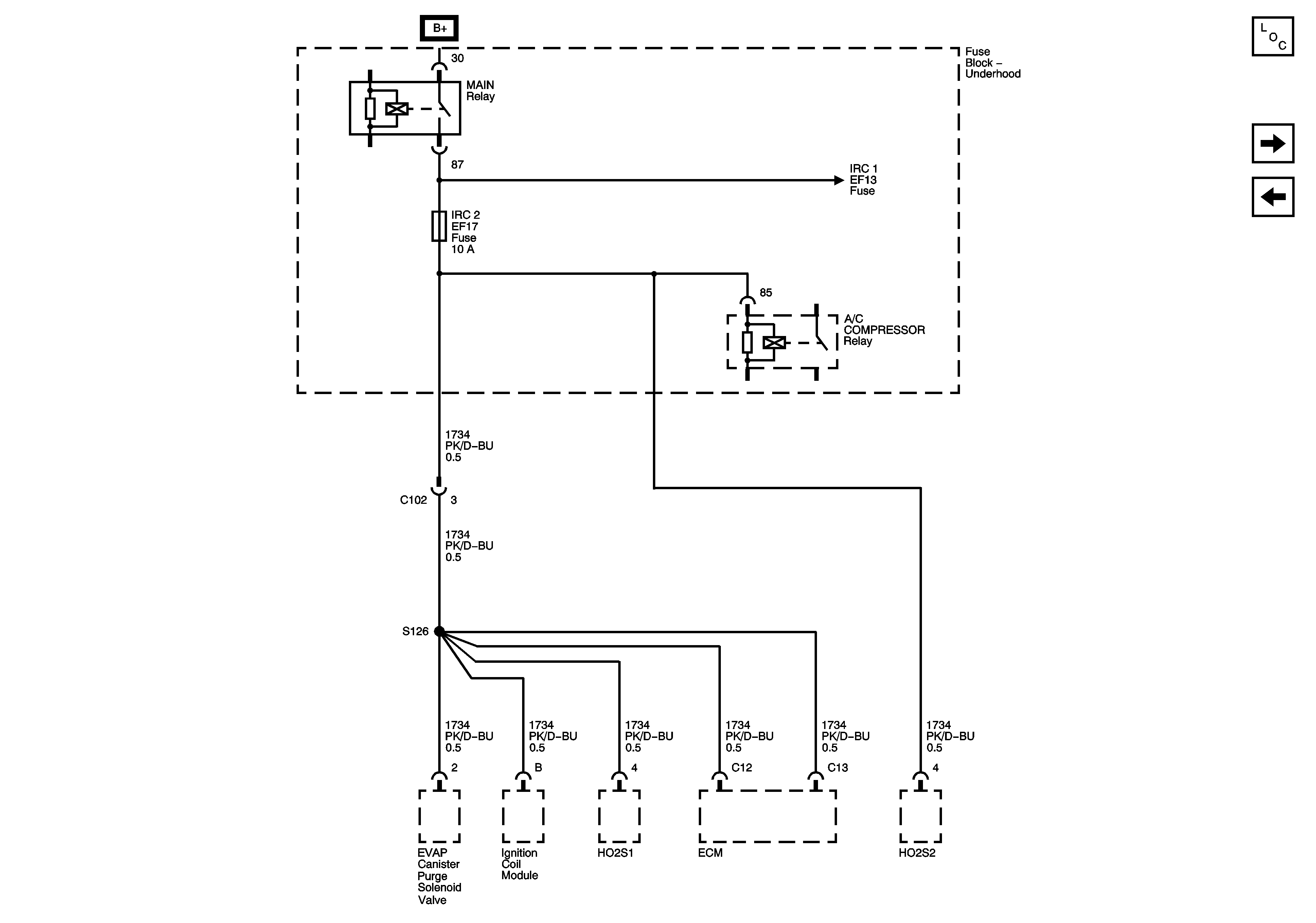
Power Distribution - Fuse EF17
Power Distribution - Fuses EF1, 2, 3, 10 and MAIN Relay
Figure 5:

Fuse EF17


Object Number: 1679617  Size: FS
Master Electrical Component List
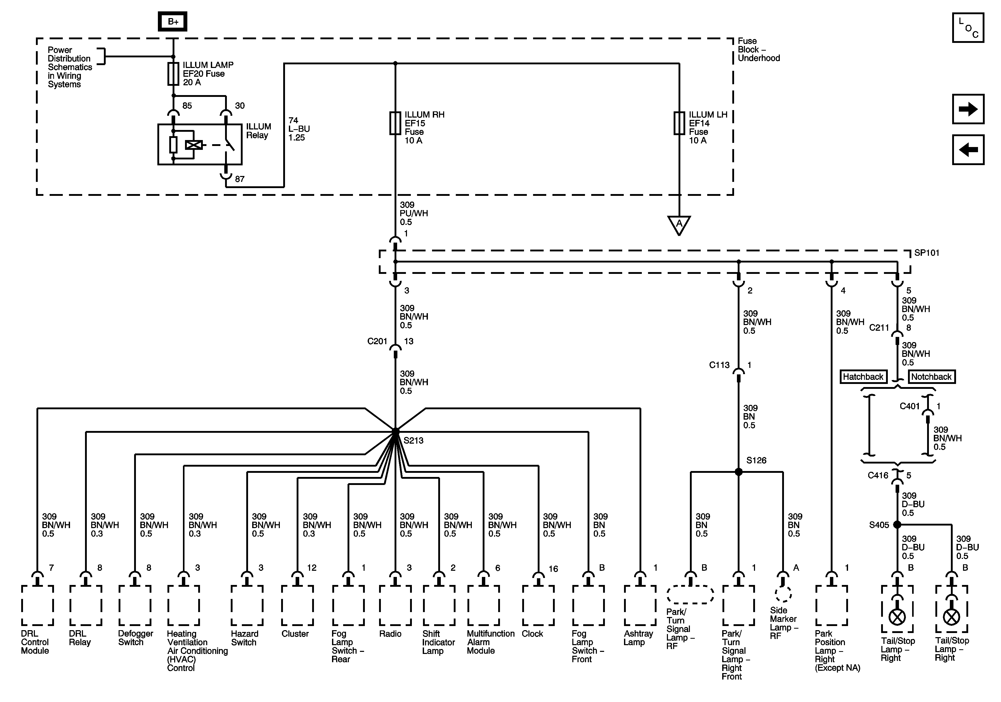
Power Distribution - Fuse EF20, Illum Relay
Power Distribution - Fuse EF13
Figure 6:

Fuse EF20, ILLUM Relay, EF14-1 of 2 and EF15


Object Number: 1679618  Size: FS
Master Electrical Component List
Power Distribution - Fuses EF14 cont., EF9, 22
Power Distribution - Fuse EF17
Power Distribution - Battery Feed
Power Distribution - Fuses EF14 cont., EF9, 22
Figure 7:

Fuses EF14 - 2 of 2 EF9 and 22


Object Number: 1257877  Size: FS
Master Electrical Component List
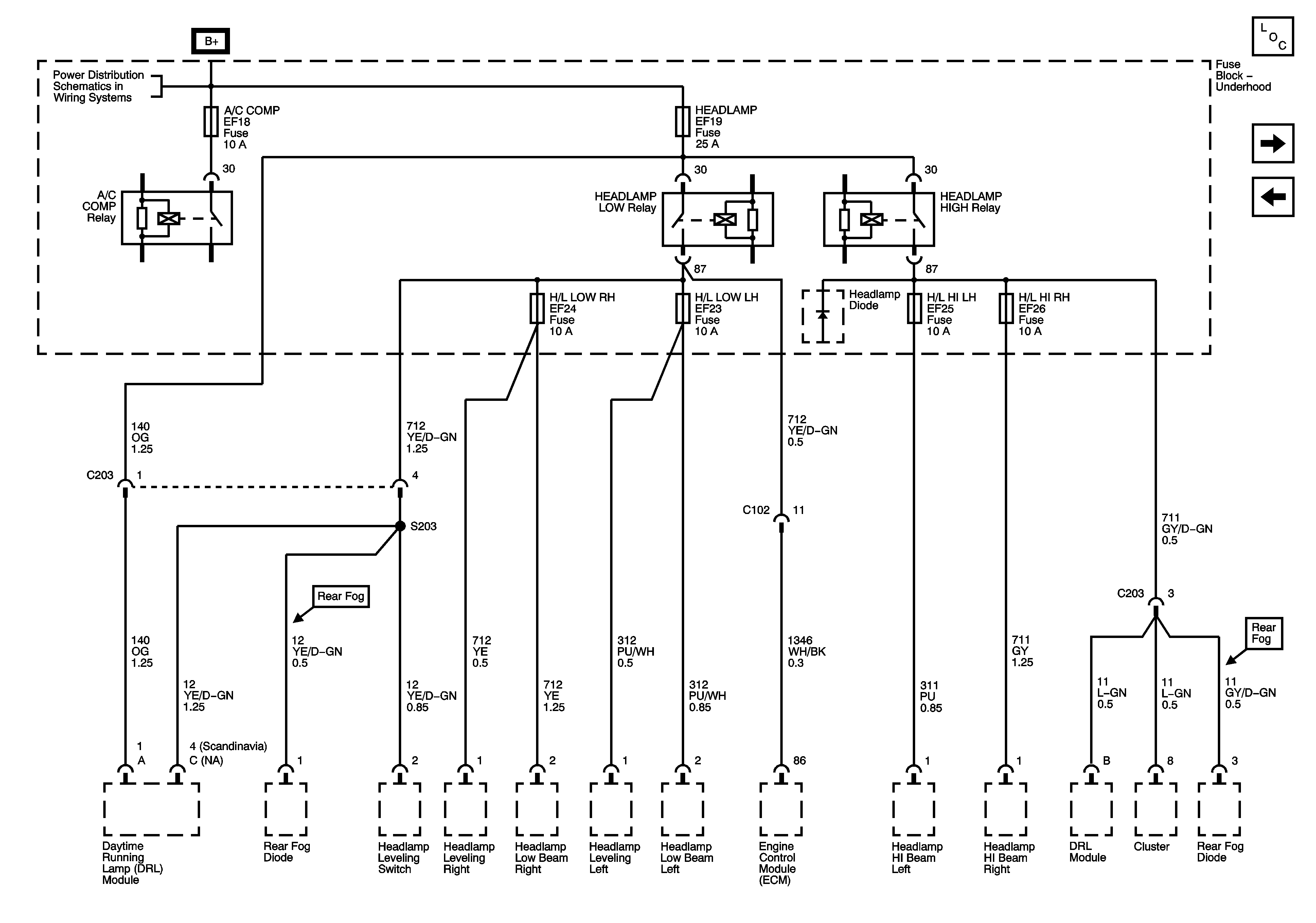
Power Distribution - Fuses EF18, 19, 23, 24, 25, 26
Power Distribution - Fuse EF20, Illum Relay
Power Distribution - Battery Feed
Power Distribution - Fuse EF20, Illum Relay
Figure 8:

Fuses EF18, 19, 23, 24, 25 and 26


Object Number: 1679619  Size: FS
Master Electrical Component List
Power Distribution - Fuses EF7, F12, 13, 14, 15, 16, 23
Power Distribution - Fuses EF14 cont., EF9, 22
Power Distribution - Battery Feed
Figure 9:

Fuses EF7, F12, 13, 14, 15, 16 and 23


Object Number: 1679669  Size: FS
Master Electrical Component List
Power Distribution - Ignition Switch and Fuses EF5, F1, 2, 3, 4, 5, 8
Power Distribution - Fuses EF18, 19, 23, 24, 25, 26
Power Distribution - Battery Feed
Figure 10:

Ignition Switch and Fuses EF5, F1, 2, 3, 4, 5 and 8


Object Number: 1679671  Size: FS
Master Electrical Component List
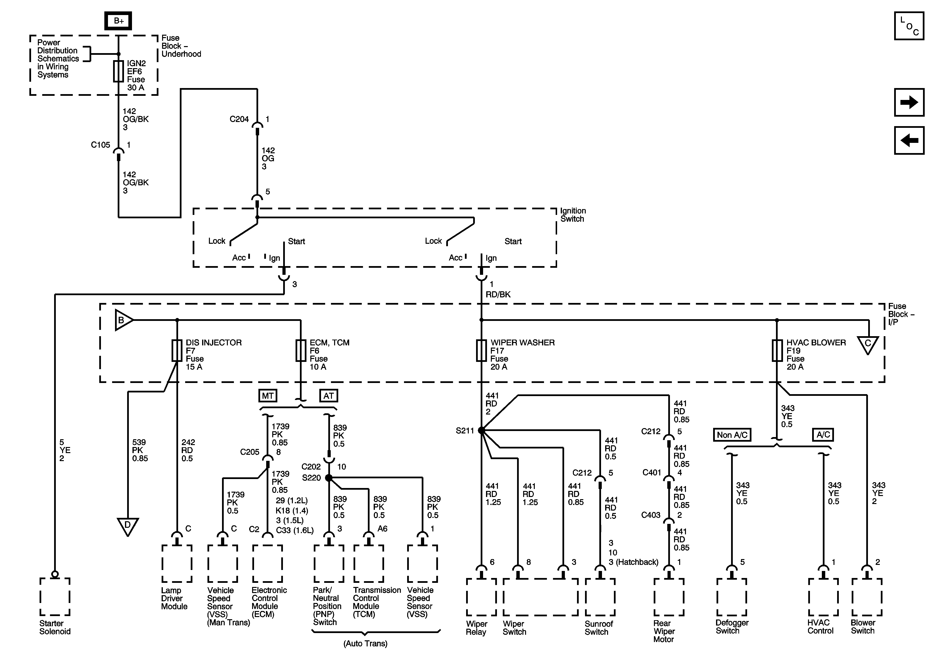
Power Distribution - Ignition switch and Fuses F6, 7, 17, 19
Power Distribution - Fuses EF7, F12, 13, 14, 15, 16, 23
Power Distribution - Ignition switch and Fuses F6, 7, 17, 19
Power Distribution - Battery Feed
Figure 11:

Ignition Switch and Fuses F6, 7 - 1 of 2, 17 and 19


Object Number: 1679677  Size: FS
Master Electrical Component List
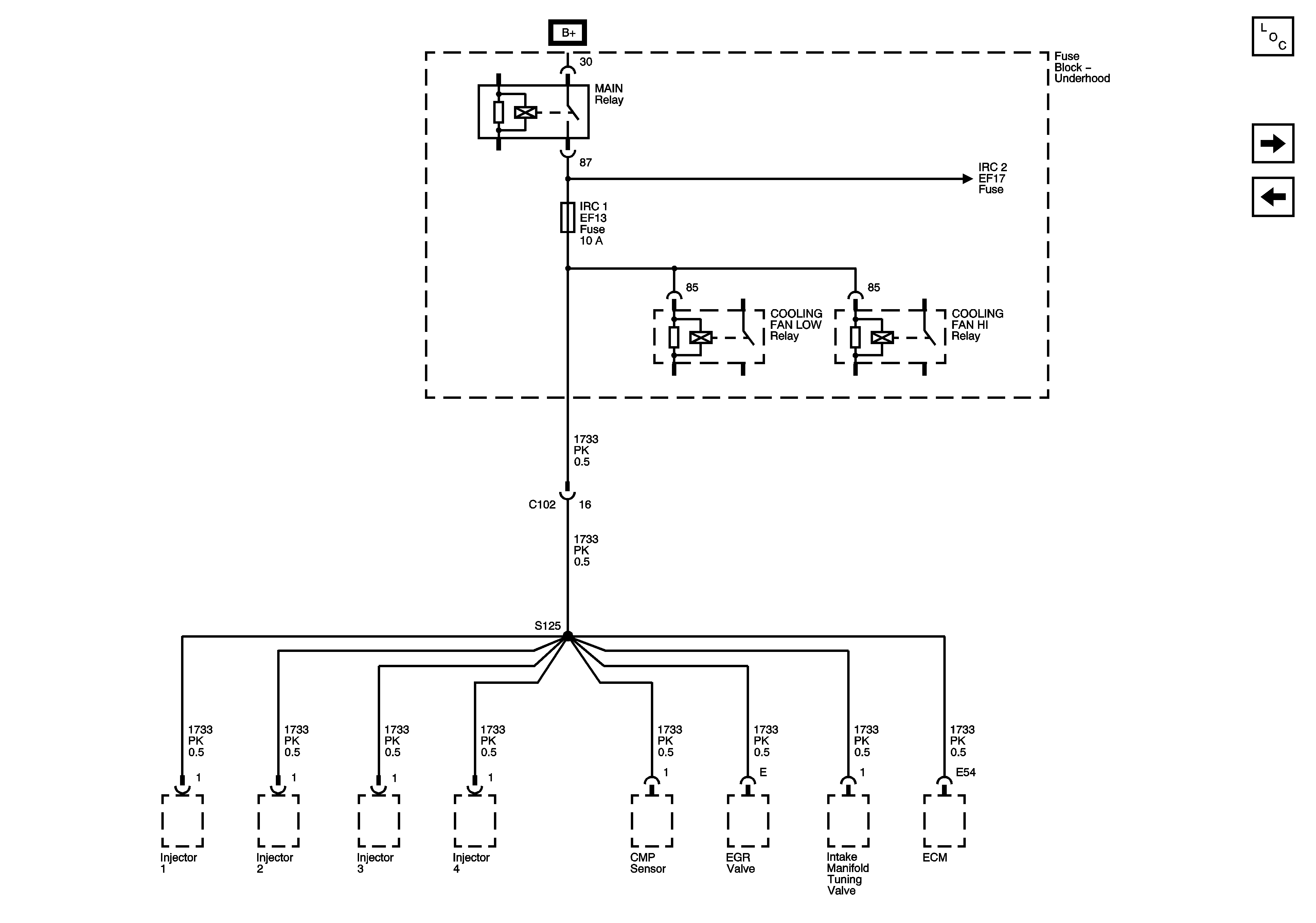
Power Distribution - Fuse F7 cont.
Power Distribution - Ignition Switch and Fuses EF5, F1, 2, 3, 4, 5, 8
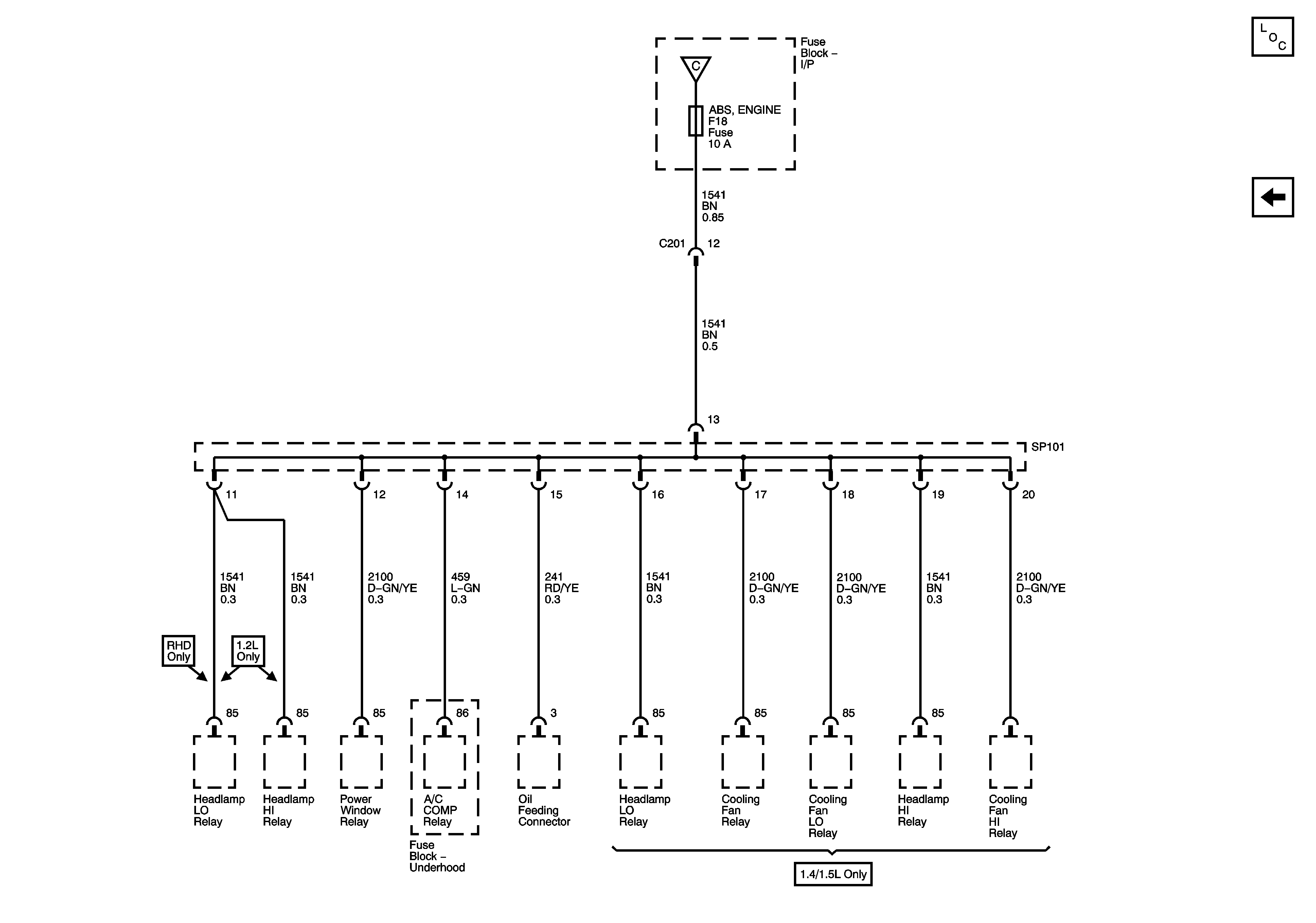
Power Distribution - Fuse F18
Power Distribution - Battery Feed
Power Distribution - Ignition Switch and Fuses EF5, F1, 2, 3, 4, 5, 8
Power Distribution - Fuse F7 cont.
Figure 12:

Fuse F7 - 2 of 2


Object Number: 1679681  Size: FS
Master Electrical Component List
Power Distribution - Fuse F18
Power Distribution - Ignition switch and Fuses F6, 7, 17, 19
Power Distribution - Battery Feed
Figure 13:

Fuse F18


Object Number: 1679684  Size: FS
Master Electrical Component List
Power Distribution - Fuse F7 cont.
Power Distribution - Ignition switch and Fuses F6, 7, 17, 19