GM Service Manual Online
For 1990-2009 cars only
Figure 1:

Theft Deterrent and RKE Power and Ground


Object Number: 1680678  Size: FS
Master Electrical Component List
Keyless Entry - Door Lock Control and Tamper Switches
Power Distribution - Battery Feed
Power Distribution - Battery Feed
Power Distribution - Battery Feed
06 S Car Aveo Figure for Graphic 1630260
06 S Car Aveo Figure for Graphic 1630254
Power Distribution - Battery Feed
Interior Lts - Lamp Control Module
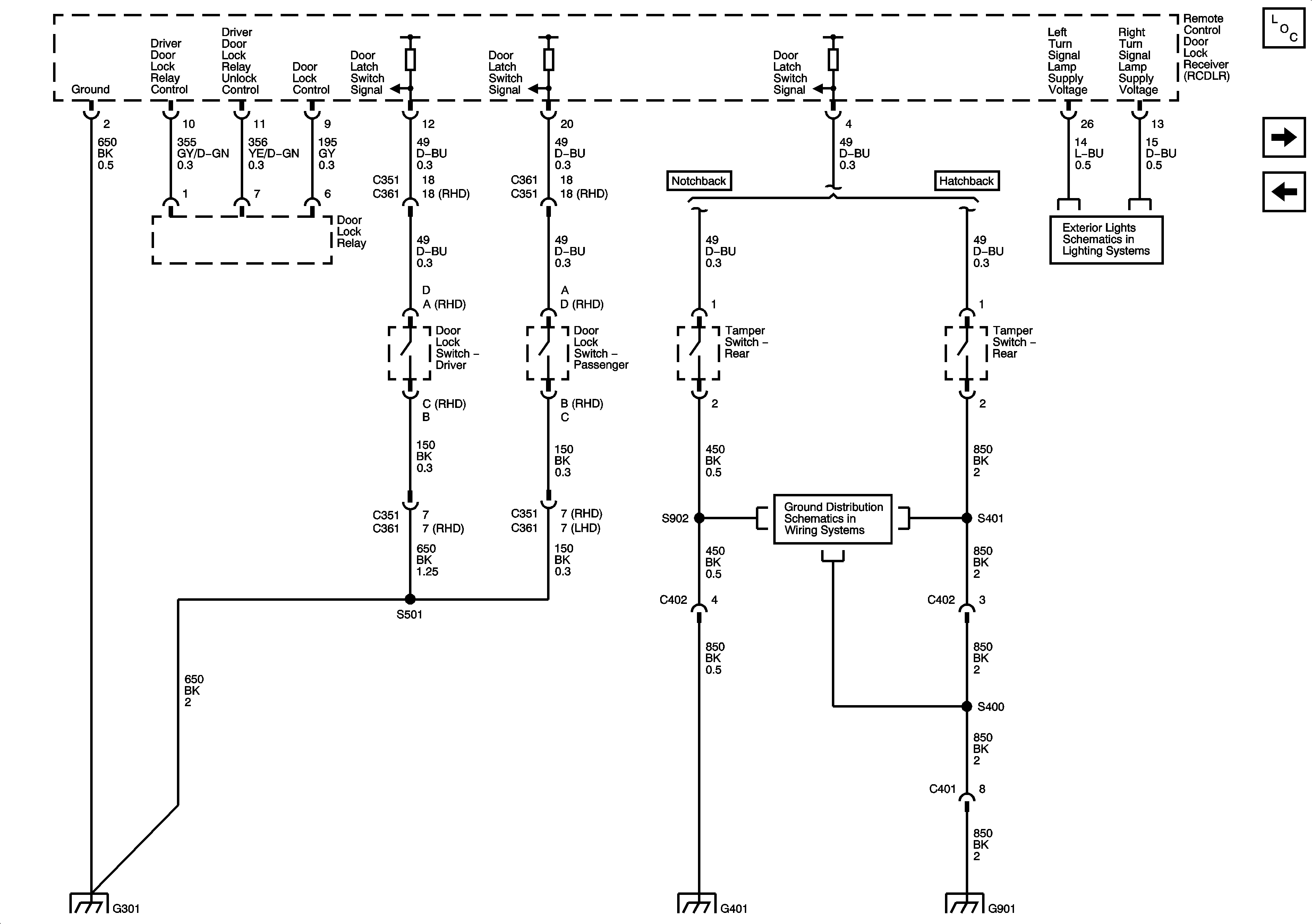
Figure 2:

Door Lock Control and Tamper Switches


Object Number: 1630255  Size: FS
Master Electrical Component List
Keyless Entry - Immobilizer
Keyless Entry - Theft Deterrent and RKE Power and Ground
Exterior Lts - Park Lamps
Ground Distribution - G101, G102, G105
Ground Distribution - G301
Ground Distribution - G401 Notchback
Ground Distribution - G401 Hatchback, G901
Figure 3:

Immobilizer


Object Number: 1291910  Size: FS
Master Electrical Component List
Keyless Entry - Door Lock Control and Tamper Switches
Power Distribution - Battery Feed
Power Distribution - Battery Feed
Power Distribution - Battery Feed
Power Distribution - Battery Feed
Power Distribution - Battery Feed
Ground Distribution - G101, G102, G105
06 S Car Aveo Figure for Graphic 1680290