GM Service Manual Online
For 1990-2009 cars only
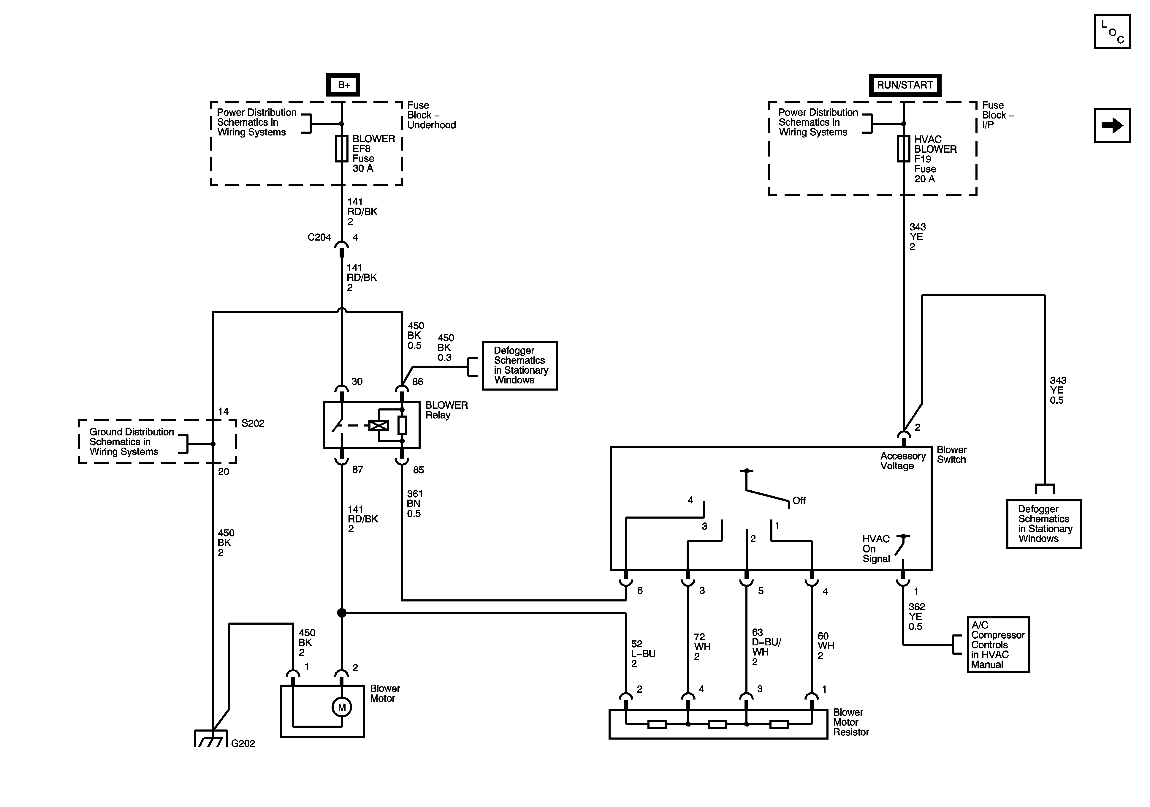
Figure 1:

Manual -- Blower Controls


Object Number: 1257896  Size: FS
Master Electrical Component List
HVAC Systems - Manual - Compressor Controls - 1.2L
Power Distribution - Battery Feed
Power Distribution - Battery Feed
06 S Car Aveo Figure for Graphic 1680401
Ground Distribution - G101, G102, G105
Ground Distribution - G202 1of3
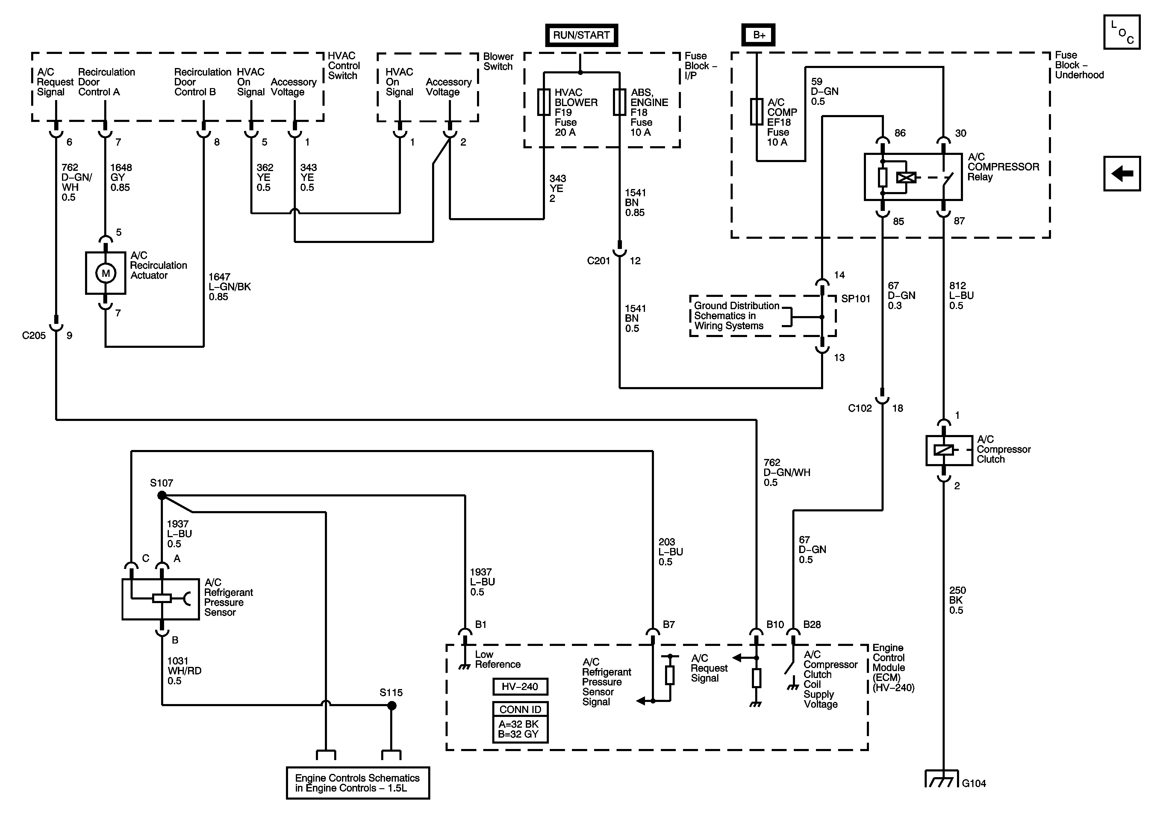
Figure 2:

Manual -- Compressor Controls -- 1.2L


Object Number: 1679801  Size: FS
Master Electrical Component List
HVAC Systems - Manual - Compressor Controls - 1.4L, 1.6L
HVAC Systems - Manual - Blower Controls
Power Distribution - Battery Feed
Engine Controls Power, Ground and MIL
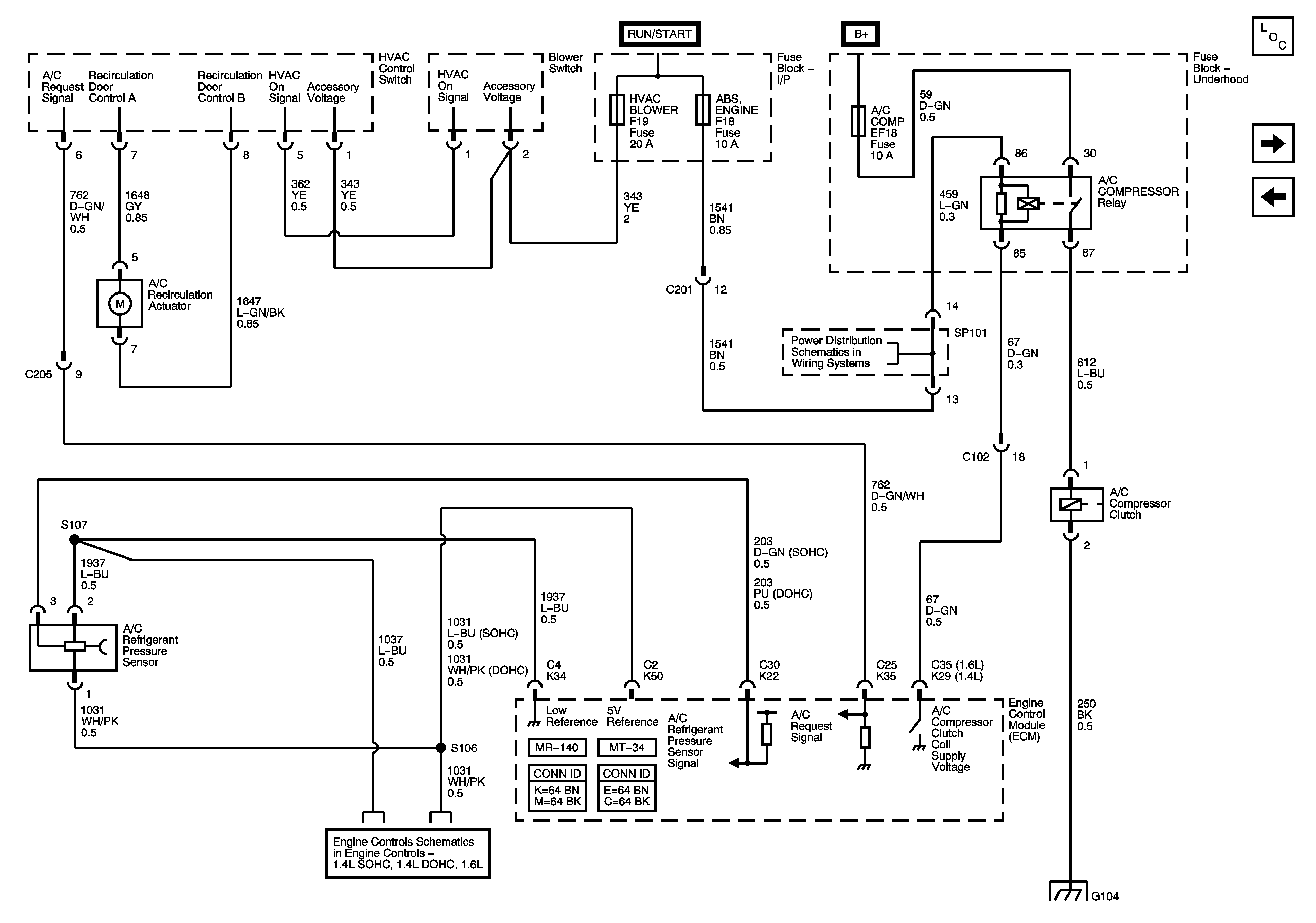
Figure 3:

Manual -- Compressor Controls -- 1.4L, 1.6L


Object Number: 1679806  Size: FS
Master Electrical Component List
HVAC Systems - Manual - Compressor Controls - 1.5L
HVAC Systems - Manual - Compressor Controls - 1.2L
Power Distribution - Battery Feed
Ground Distribution - G104
Engine Controls Power, Ground and MIL
Figure 4:

Manual -- Compressor Controls -- 1.5L


Object Number: 1630229  Size: FS
Master Electrical Component List
HVAC Systems - Manual - Compressor Controls - 1.4L, 1.6L
Power Distribution - Battery Feed
Engine Controls Power, Ground and MIL
Ground Distribution - G104