GM Service Manual Online
For 1990-2009 cars only
Makes
🢒
Pontiac
🢒
2006
🢒
Wave
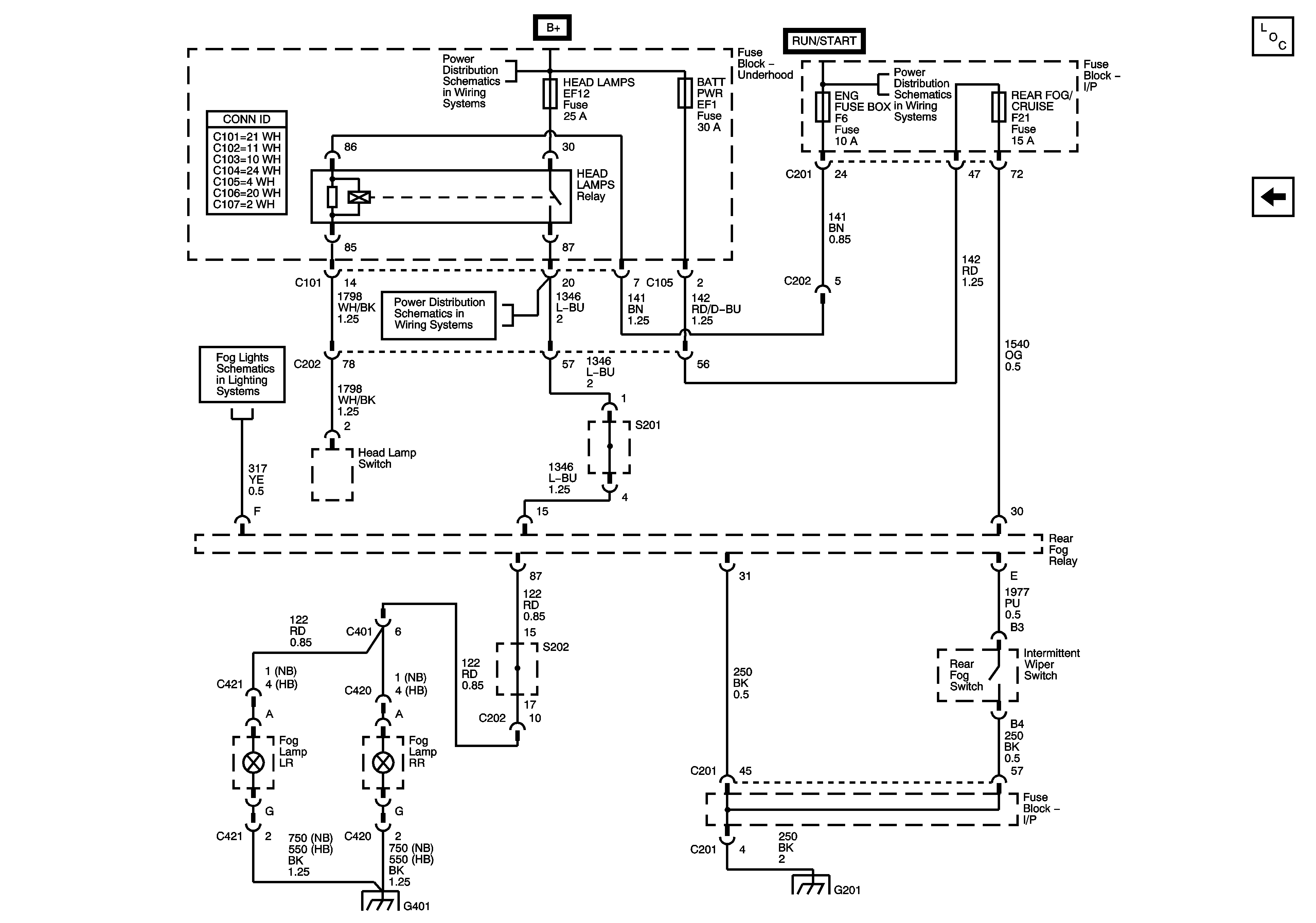
🢒 Fog Lights Schematics (Front and Rear Fog Lamps 1.6L, 1.8L)
Fog Lights Schematics (Front and Rear Fog Lamps 1.6L, 1.8L)
Fog Lights Schematics - Front and Repair Fog Lamps - 1.6L and 1.8L
Master Electrical Component List
Fog Lights Schematics (Front Fog Lamps 2.0L)