GM Service Manual Online
For 1990-2009 cars only
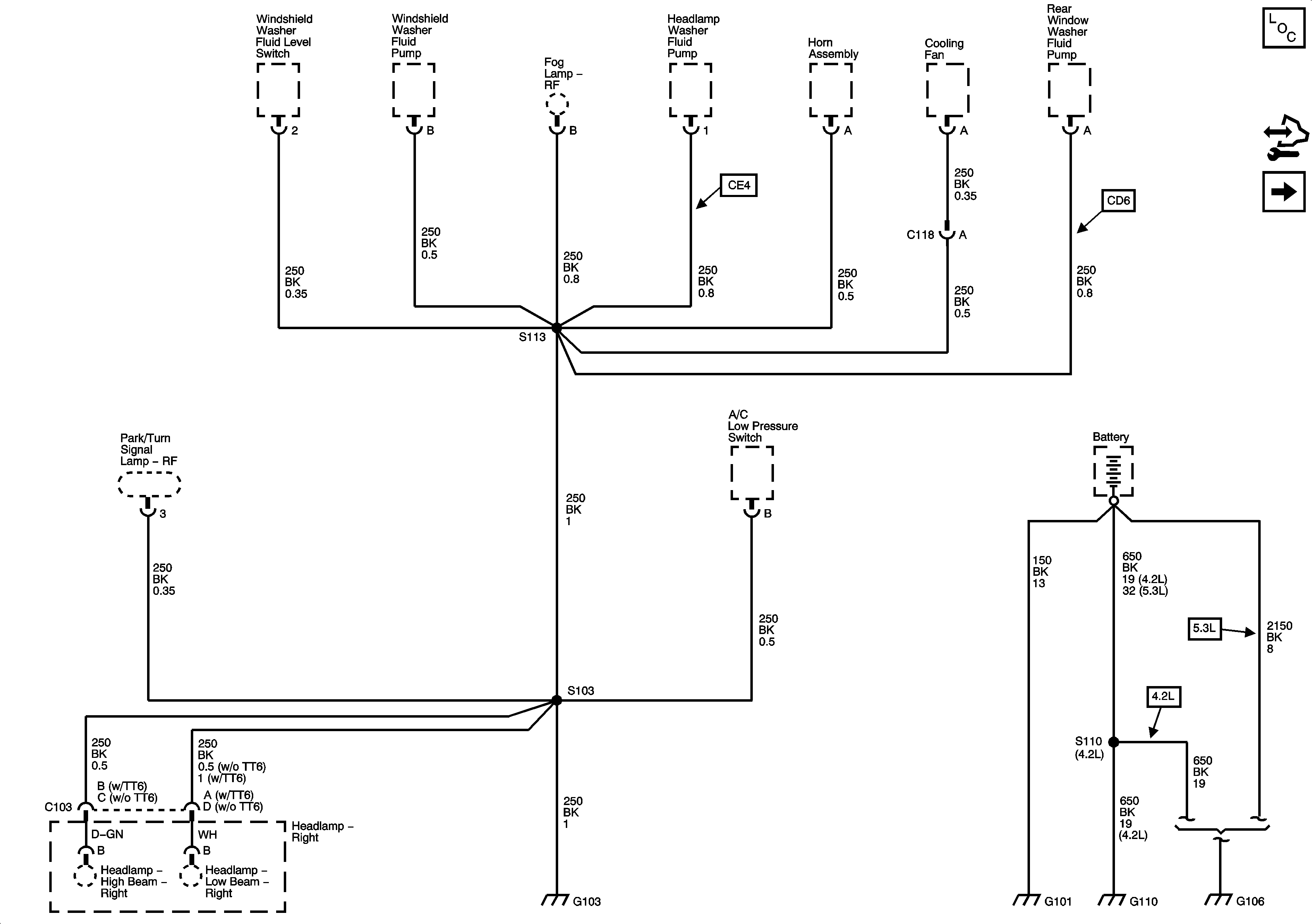
Figure 1:

G101, G103, G106, and G110


Object Number: 1532584  Size: FS
Master Electrical Component List
Control Module References
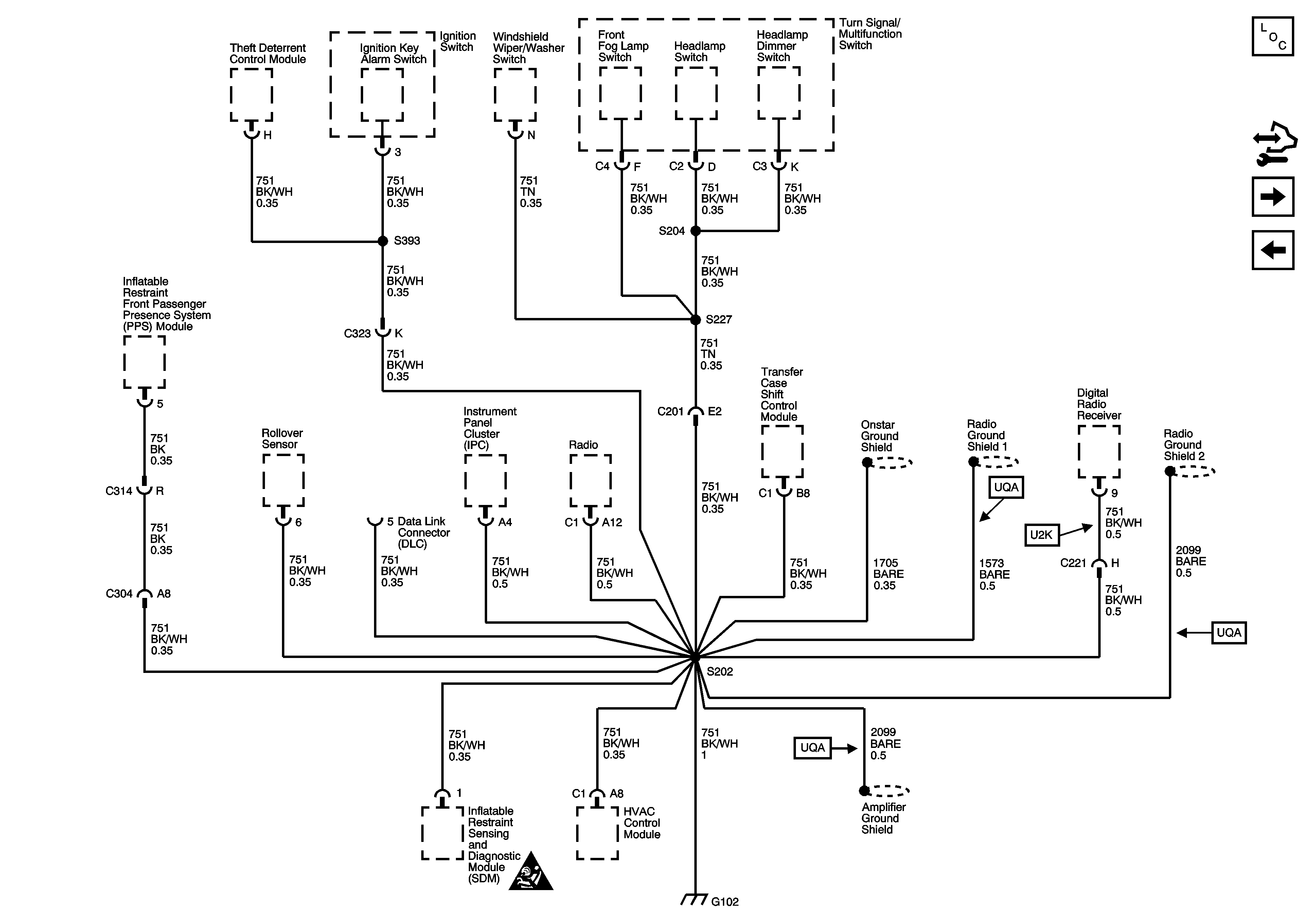
G102
Figure 2:

G102


Object Number: 1532590  Size: FS
Master Electrical Component List
Control Module References
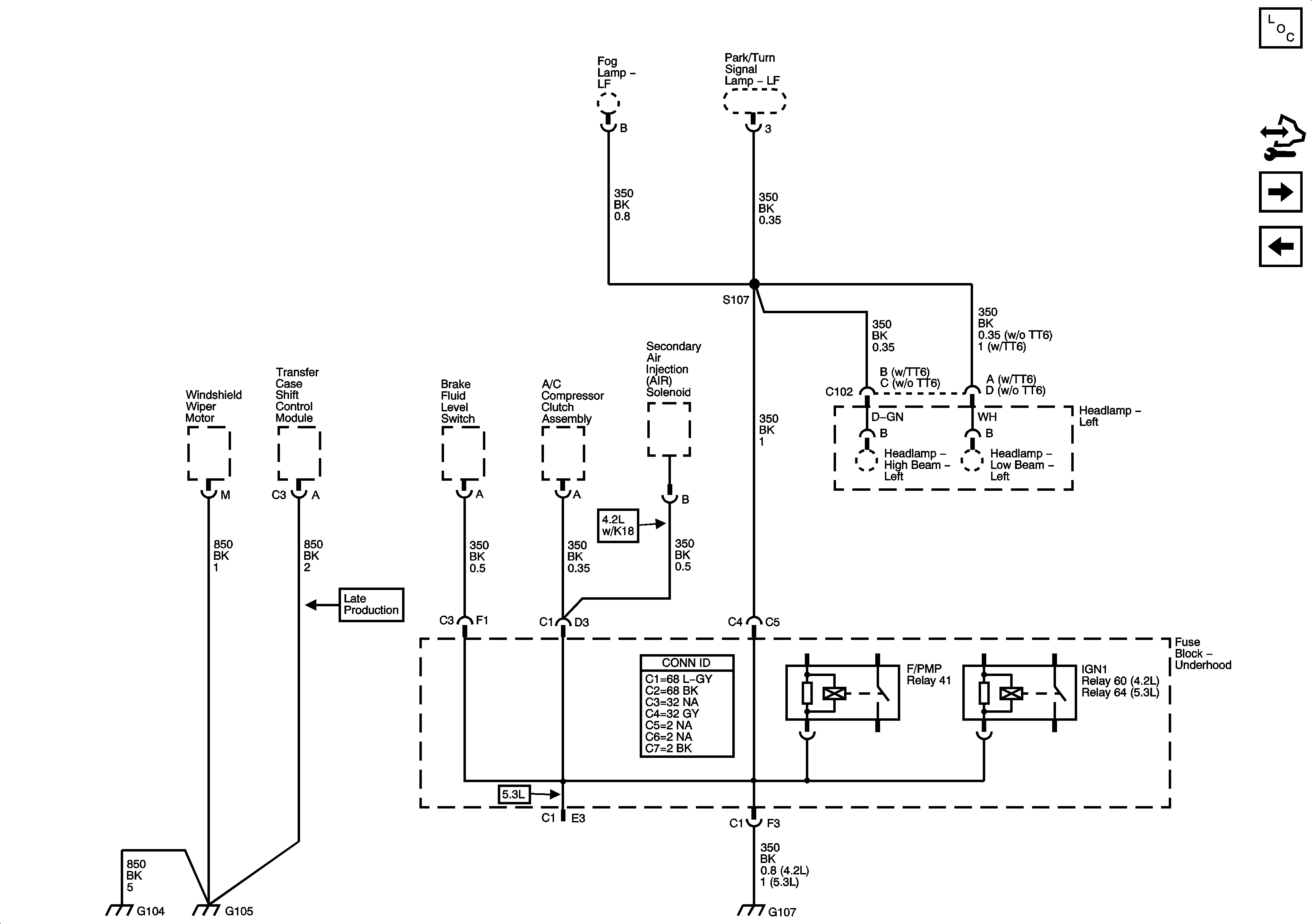
G104, G105 and G107
G101, G103, G106, and G110
SIR Caution for Zoning
Figure 3:

G104, G105, and G107


Object Number: 1532592  Size: FS
Master Electrical Component List
Control Module References
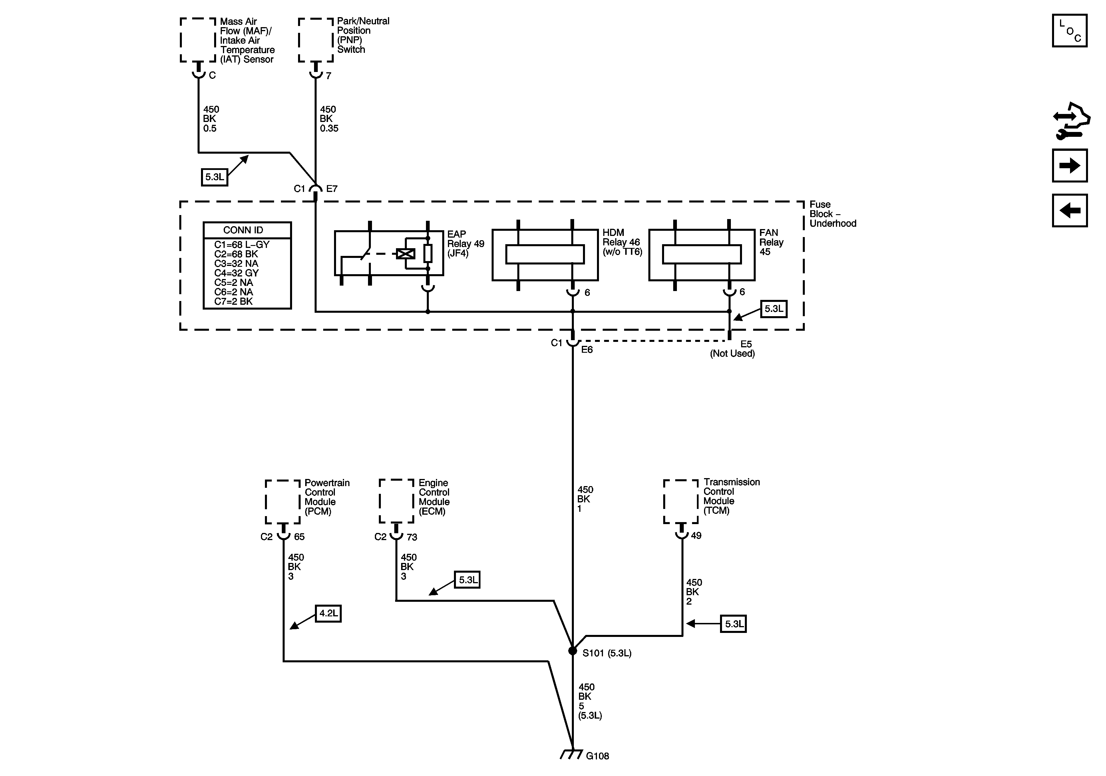
G108
G102
Figure 4:

G108


Object Number: 1532594  Size: FS
Master Electrical Component List
Control Module References
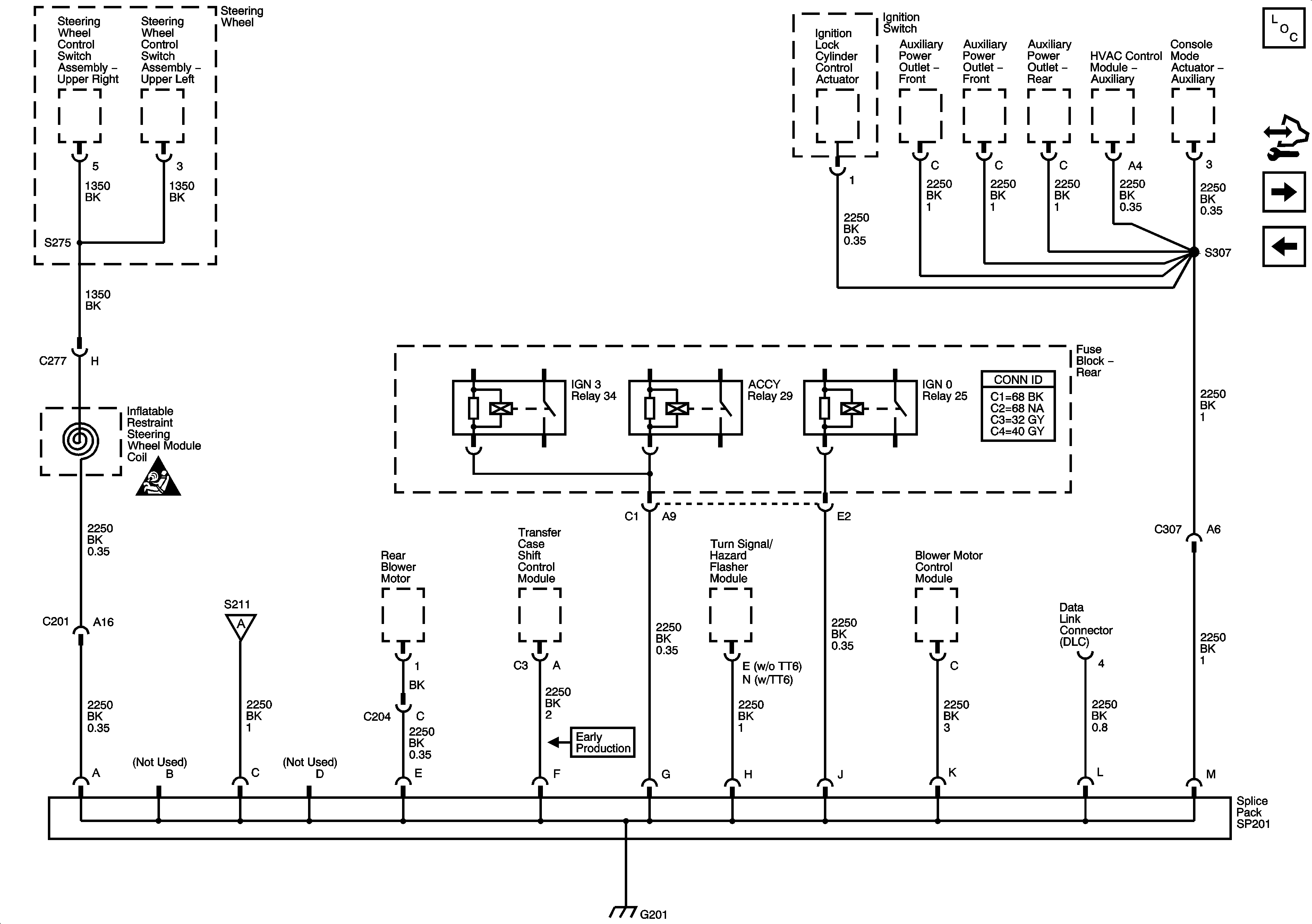
G109
G104, G105 and G107
Figure 5:

G109


Object Number: 1532596  Size: FS
Master Electrical Component List
Control Module References
G201 - 1 of 2
G108
Figure 6:

G201 - 1 of 2


Object Number: 1532631  Size: FS
Master Electrical Component List
Control Module References
G201 - 2 of 2 and G305
G109
SIR Caution for Zoning
G201 - 2 of 2 and G305
Figure 7:

G201 - 2 of 2 and G305


Object Number: 1532635  Size: FS
Master Electrical Component List
Control Module References
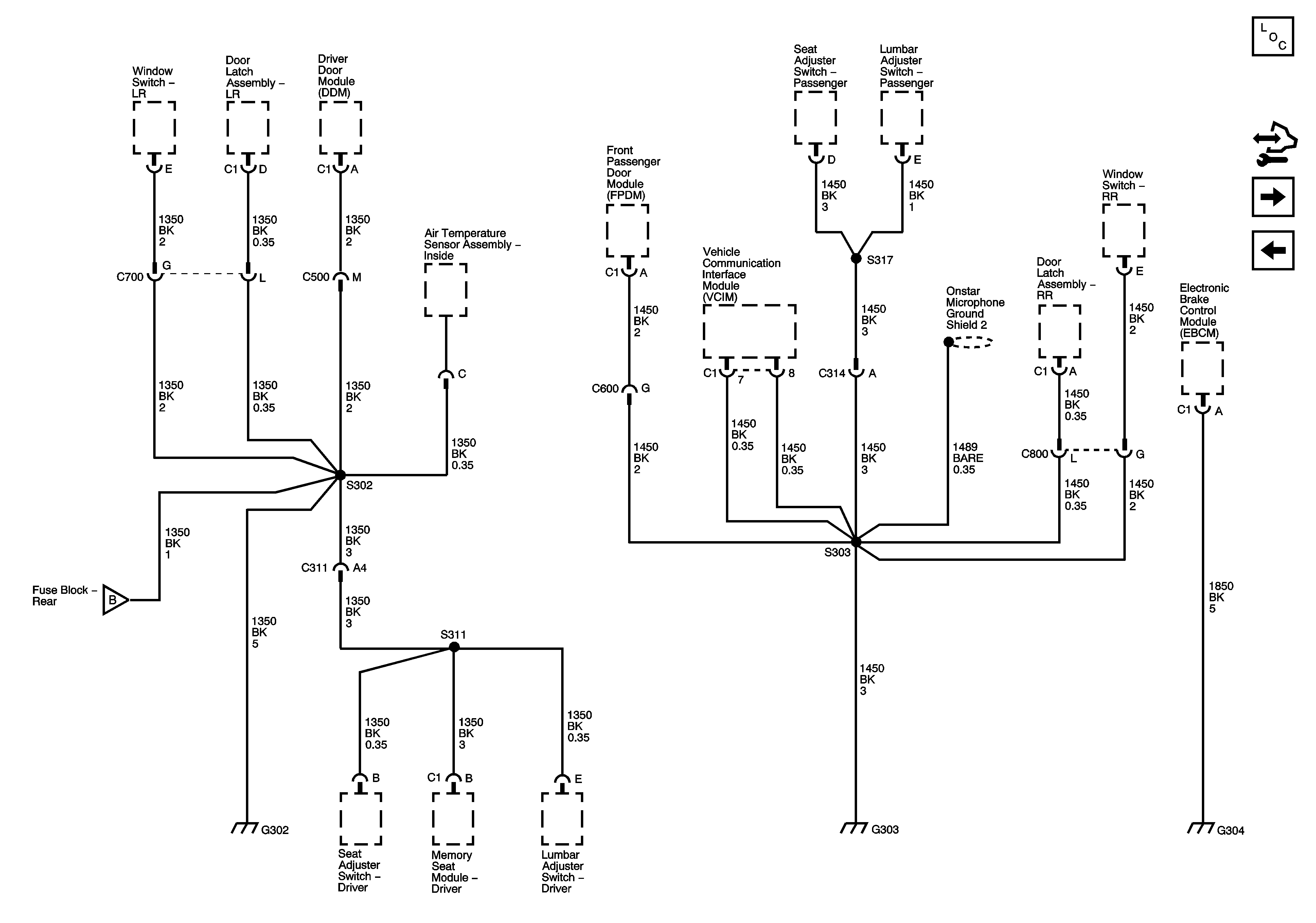
G302 - 1 of 2, G303, and G304
G201 - 1 of 2
G201 - 1 of 2
Figure 8:

G302 - 1 of 2, G303 and G304


Object Number: 1532636  Size: FS
Master Electrical Component List
Control Module References
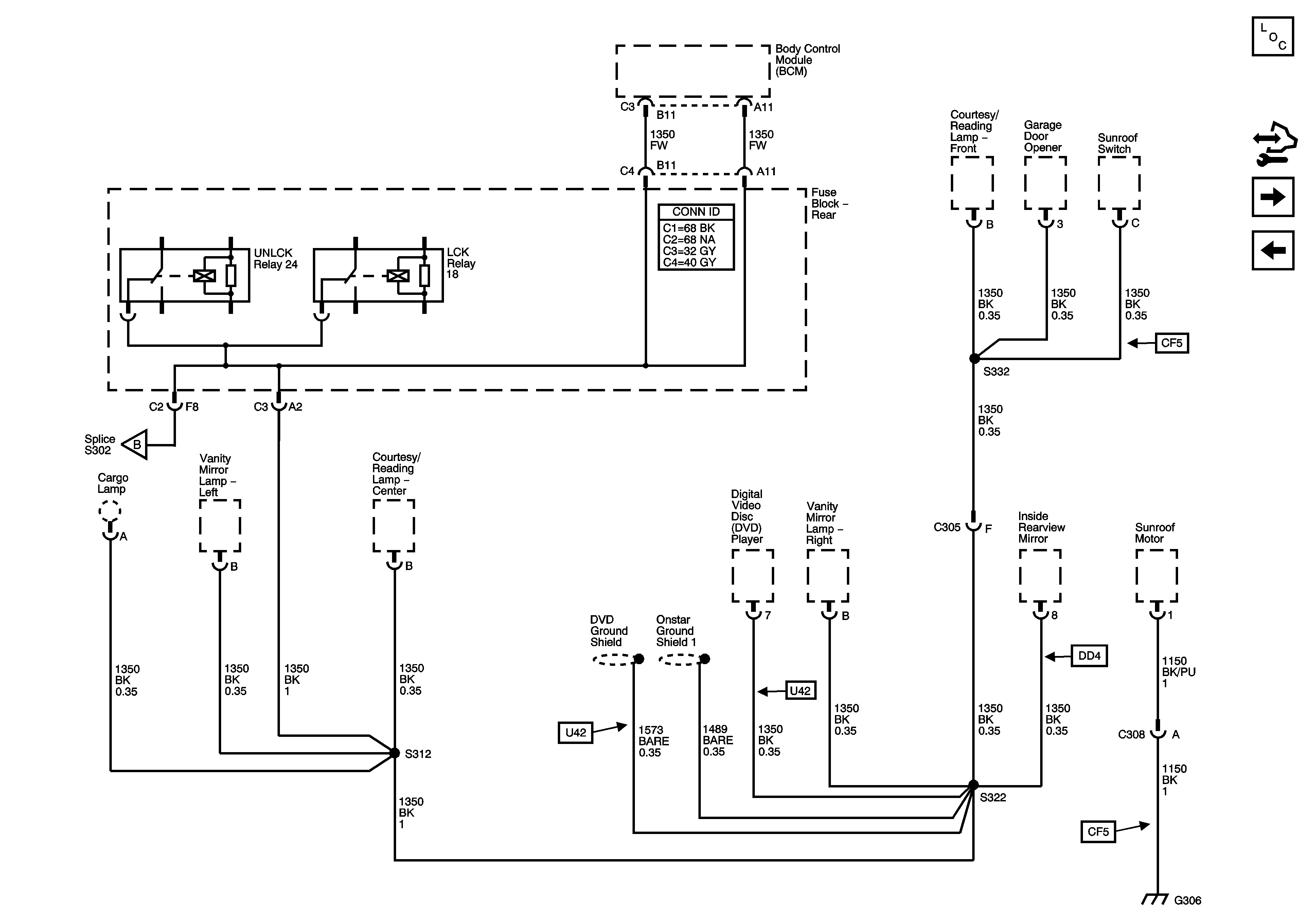
G302 - 2 of 2 and G306
G201 - 2 of 2 and G305
Figure 9:

G302 - 2 of 2 and G306


Object Number: 1532663  Size: FS
Master Electrical Component List
Control Module References
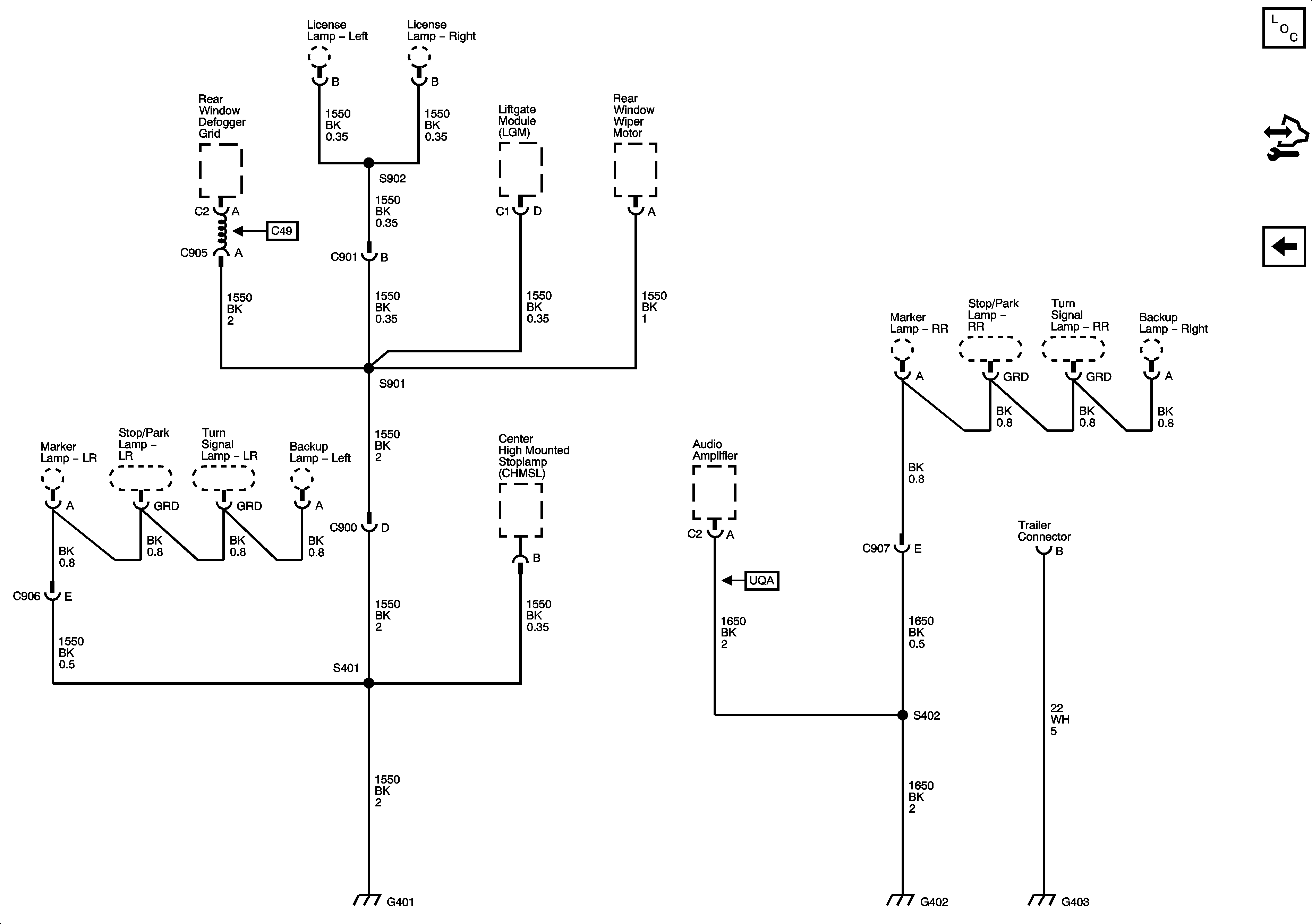
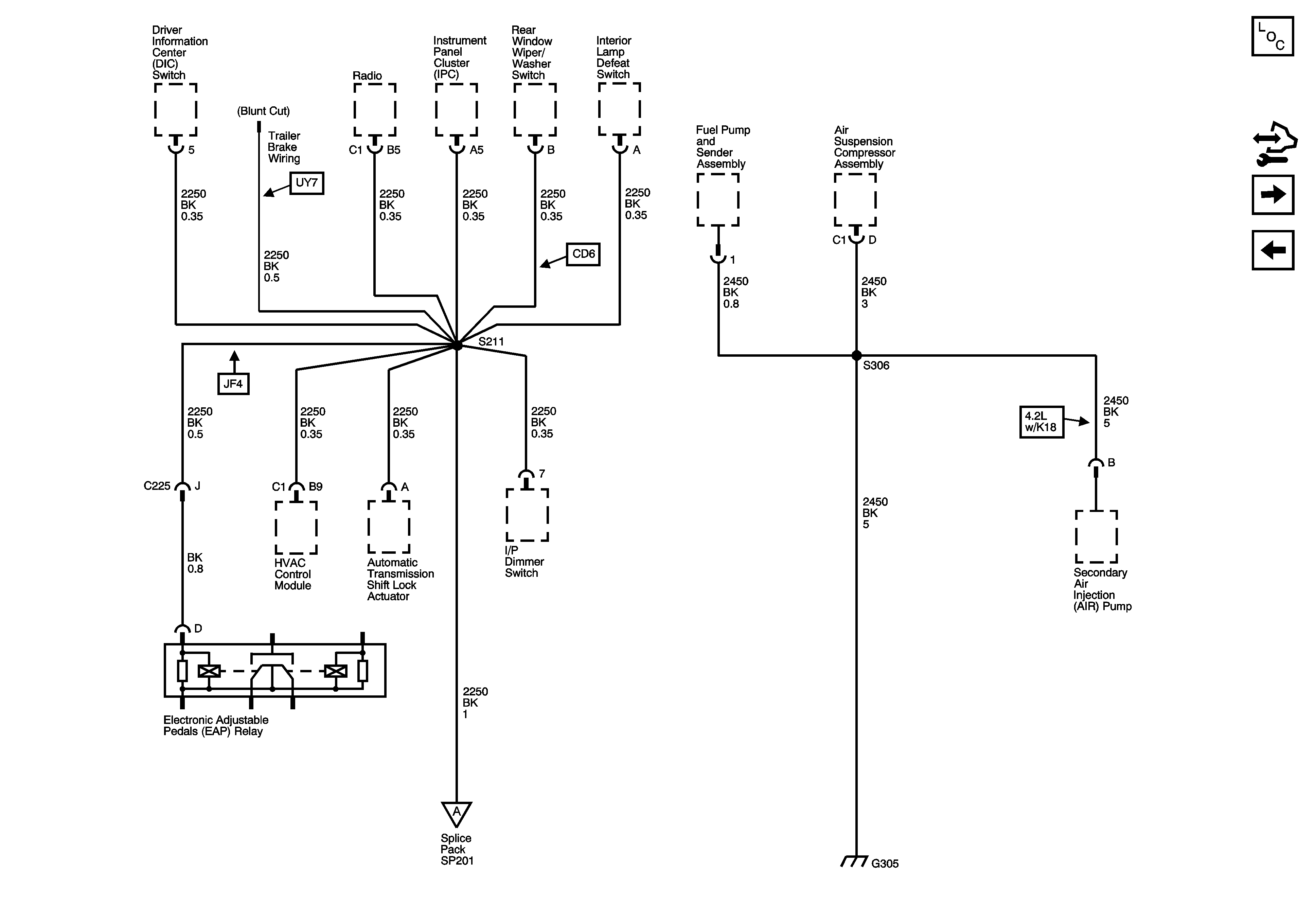
G401, G402, and G403
G302 - 1 of 2, G303, and G304
Figure 10:

G401, G402 and G403


Object Number: 1532664  Size: FS
Master Electrical Component List
Control Module References
G302 - 2 of 2 and G306