GM Service Manual Online
For 1990-2009 cars only
Makes
🢒
Saab
🢒
2005
🢒
9-7x
🢒
Body
🢒
Wiring Systems
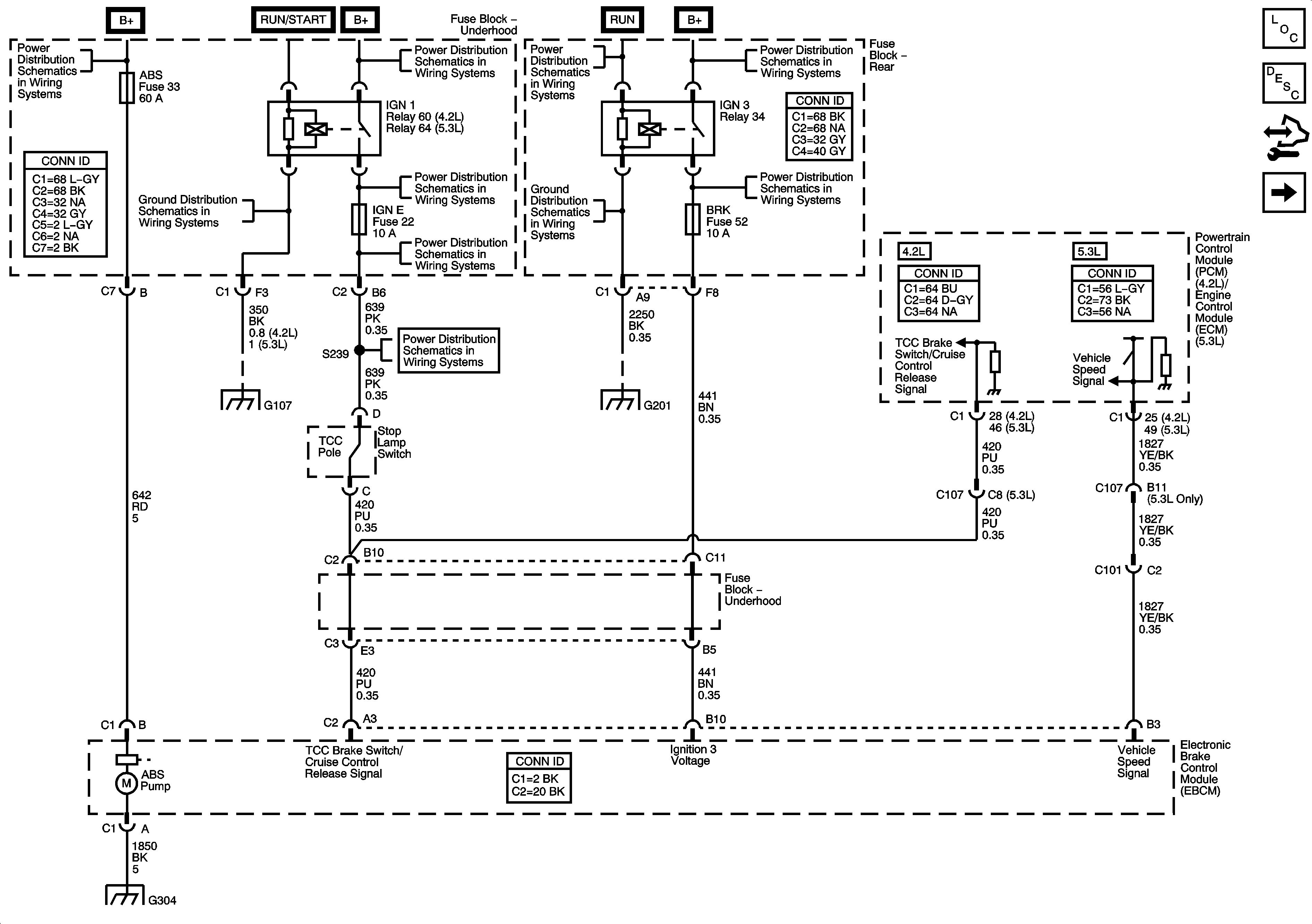
🢒 Antilock Brake System Schematics
Figure
1:
EBCM Power, Ground, and Signal Circuits
Master Electrical Component List
ABS Description and Operation (W/O NW7)
Control Module References
Serial Data, Indicator, and Wheel Speed Sensors
B+ Bus - Underhood Fuse Block - 1 of 2
G104, G105 and G107
G104, G105 and G107
G302 - 1 of 2, G303, and G304
B+ Bus - Underhood Fuse Block - 2 of 2
BACK UP, BTSI, IGN E, and TRLR B/U Fuses
BACK UP, BTSI, IGN E, and TRLR B/U Fuses
BACK UP, BTSI, IGN E, and TRLR B/U Fuses
Ignition Switch - ACCY/RUN/START, RUN, START Bus Bars and IGNA1 Fuse
G201 - 1 of 2
G201 - 1 of 2
B+ Bus - Rear Fuse Block
4WD, BRK, FRT WPR, HVACI, IGN0, and TCM Fuses
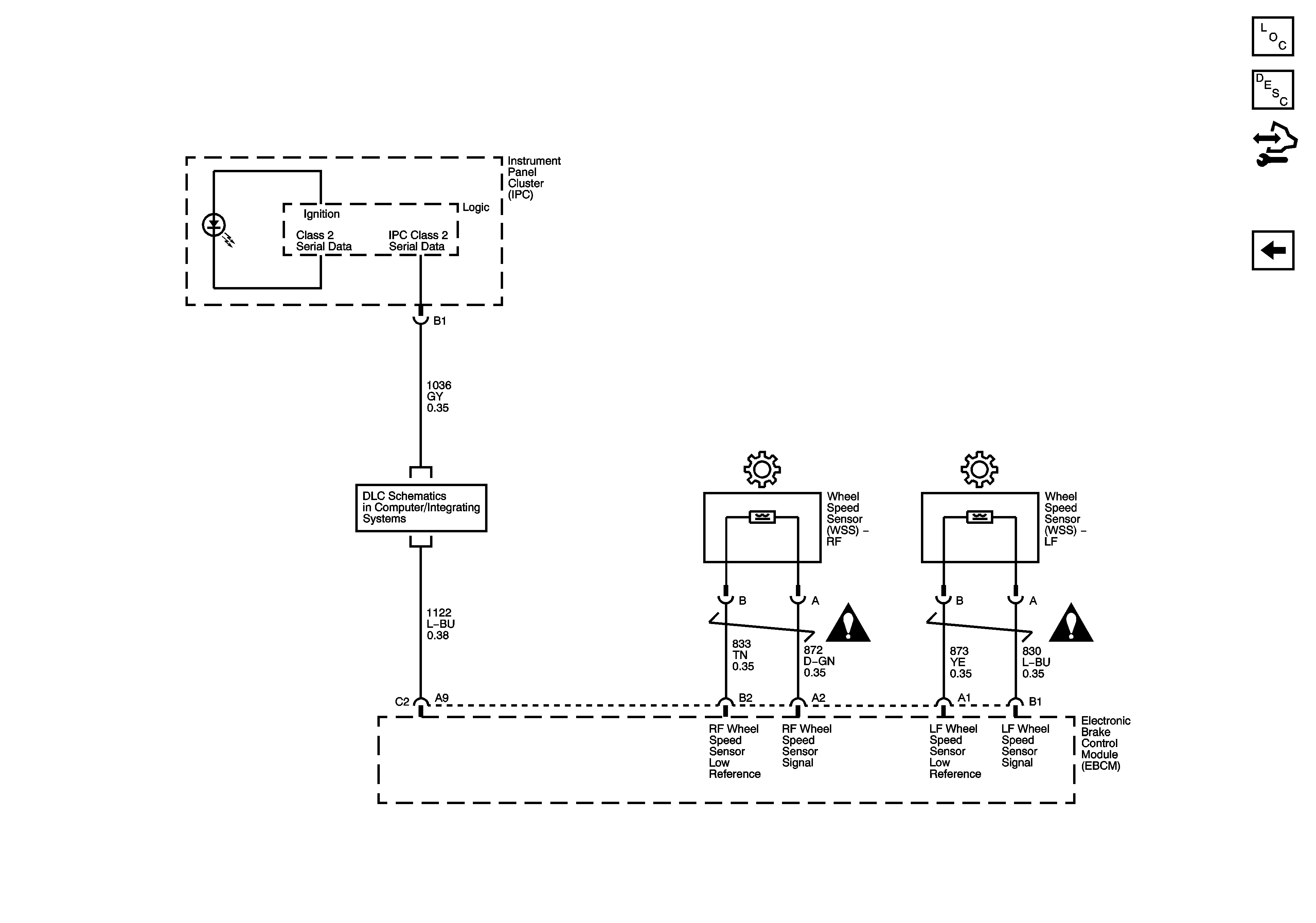
Figure
2:
Serial Data, Indicator, and Wheel Speed Sensors
Master Electrical Component List
ABS Description and Operation (W/O NW7)
Control Module References
EBCM Power, Ground, and Signal Circuits
Antilock Brake System Schematic Icons
Antilock Brake System Schematic Icons
SP 205