GM Service Manual Online
For 1990-2009 cars only
Makes
🢒
Saab
🢒
2005
🢒
9-7x
🢒 Ignition Switch - ACCY/RUN, RUN/START Bus Bars and IGNB1 Fuse
Ignition Switch - ACCY/RUN, RUN/START Bus Bars and IGNB1 Fuse
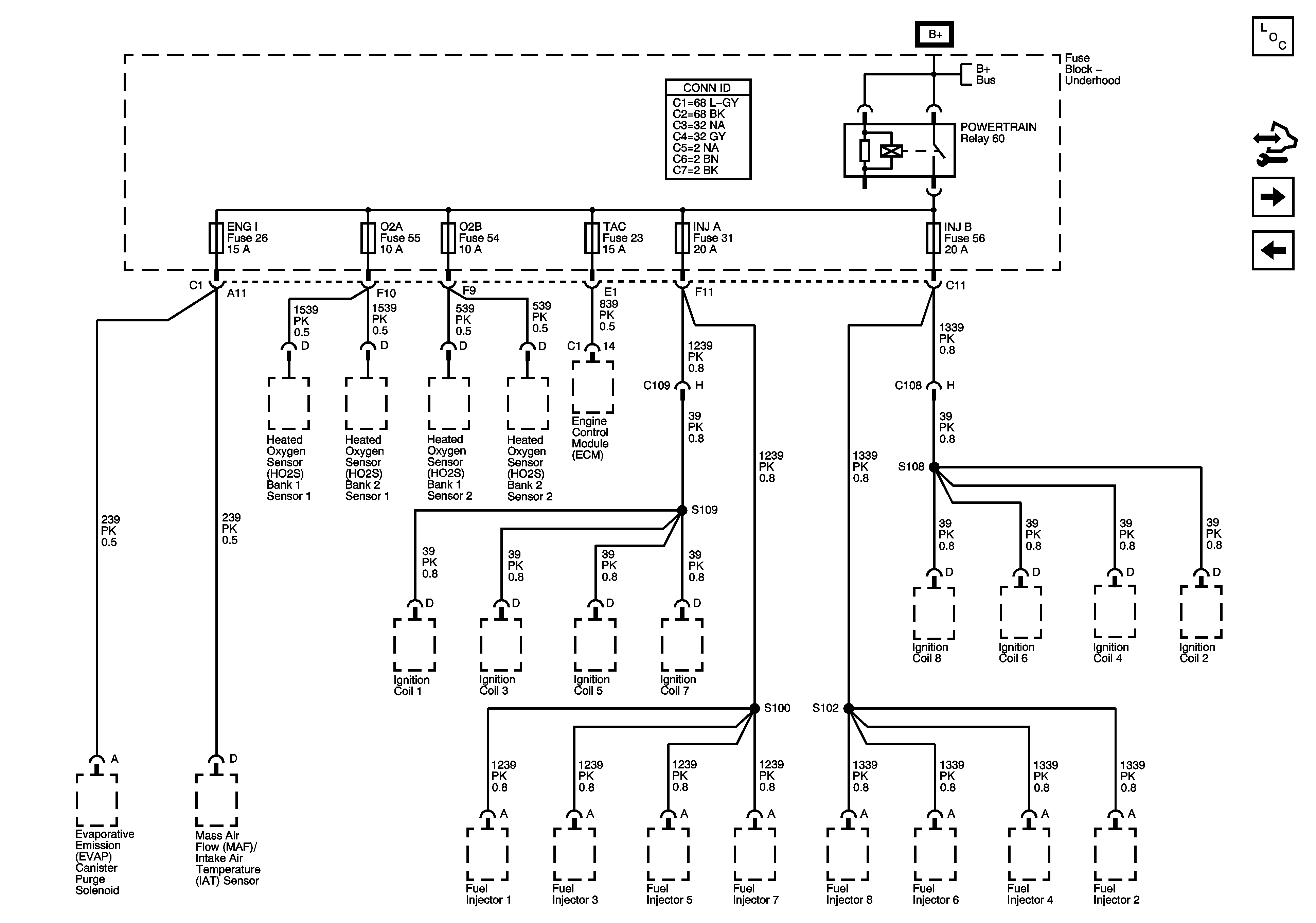
ENG 1, INJ A, INJ B, 02A, 02B, and TAC Fuses - 5.3L
Master Electrical Component List
Control Module References
BACK UP, BTSI, IGN E, and TRLR B/U Fuses
Ignition Switch - ACCY/RUN, RUN/START Bus Bars and IGNB1 Fuse
B+ Bus - Underhood Fuse Block - 2 of 2