GM Service Manual Online
For 1990-2009 cars only
Makes
🢒
Saab
🢒
2005
🢒
9-7x
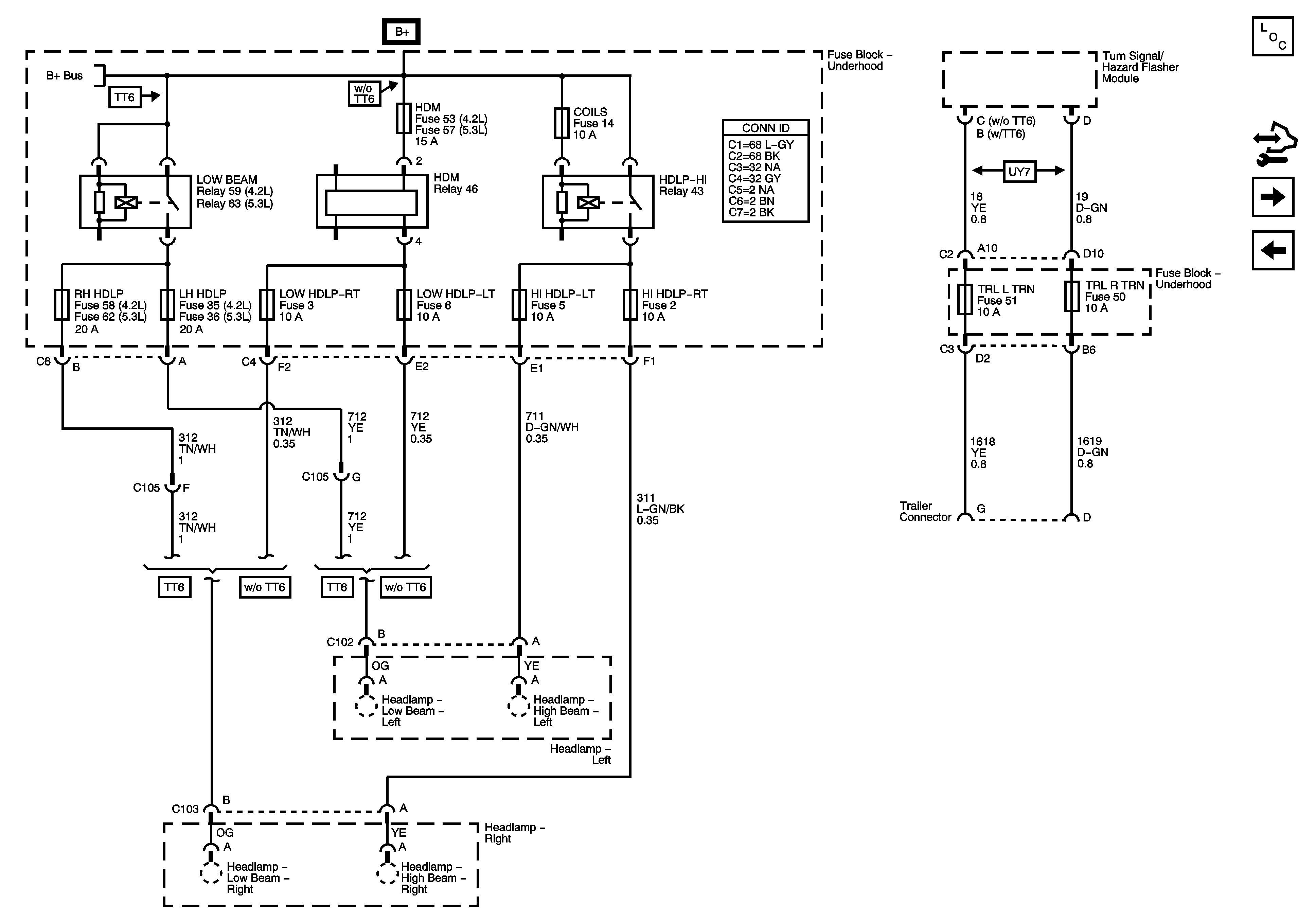
🢒 COILS, HDM, HI HDLP-LT, HI HDLP-RT, LH HDLP, LOW HDLP-LT, LOW HDLP-RT, RH HDLP, TRL L TRN, and TRL R TRN
COILS, HDM, HI HDLP-LT, HI HDLP-RT, LH HDLP, LOW HDLP-LT, LOW HDLP-RT, RH HDLP, TRL L TRN, and TRL R TRN
COILS, HDM, HI HDLP-LT, HI HDLP-RT, LH HDLP, LOW HDLP-LT, LOW HDLP-RT, RH HDLP, TRL L TRN, and TRL R TRN Fuses
Master Electrical Component List
Control Module References
FL TRN, FR TRN, RL TRN, and RR TRN Fuses
4WD, BRK, FRT WPR, HVACI, IGN0, and TCM Fuses
B+ Bus - Underhood Fuse Block - 1 of 2