GM Service Manual Online
For 1990-2009 cars only

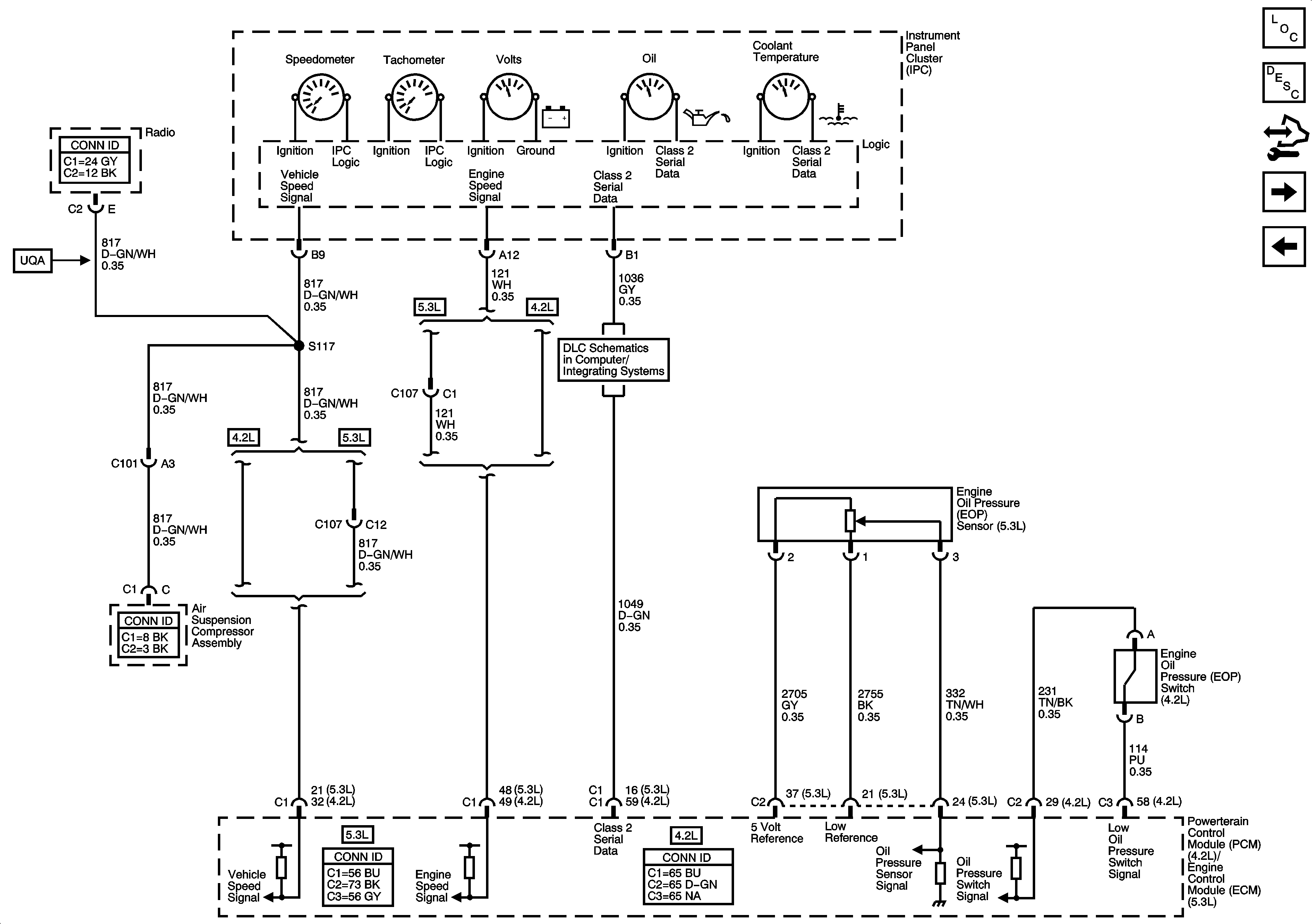
Gages

Gages


Object Number: 1533162  Size: FS
Master Electrical Component List
Instrument Cluster Description and Operation
Control Module References
Indicators and DIC Controls
Power, Ground, Serial Data, and MIL
SP 205