GM Service Manual Online
For 1990-2009 cars only
Makes
🢒
Saab
🢒
2005
🢒
9-7x
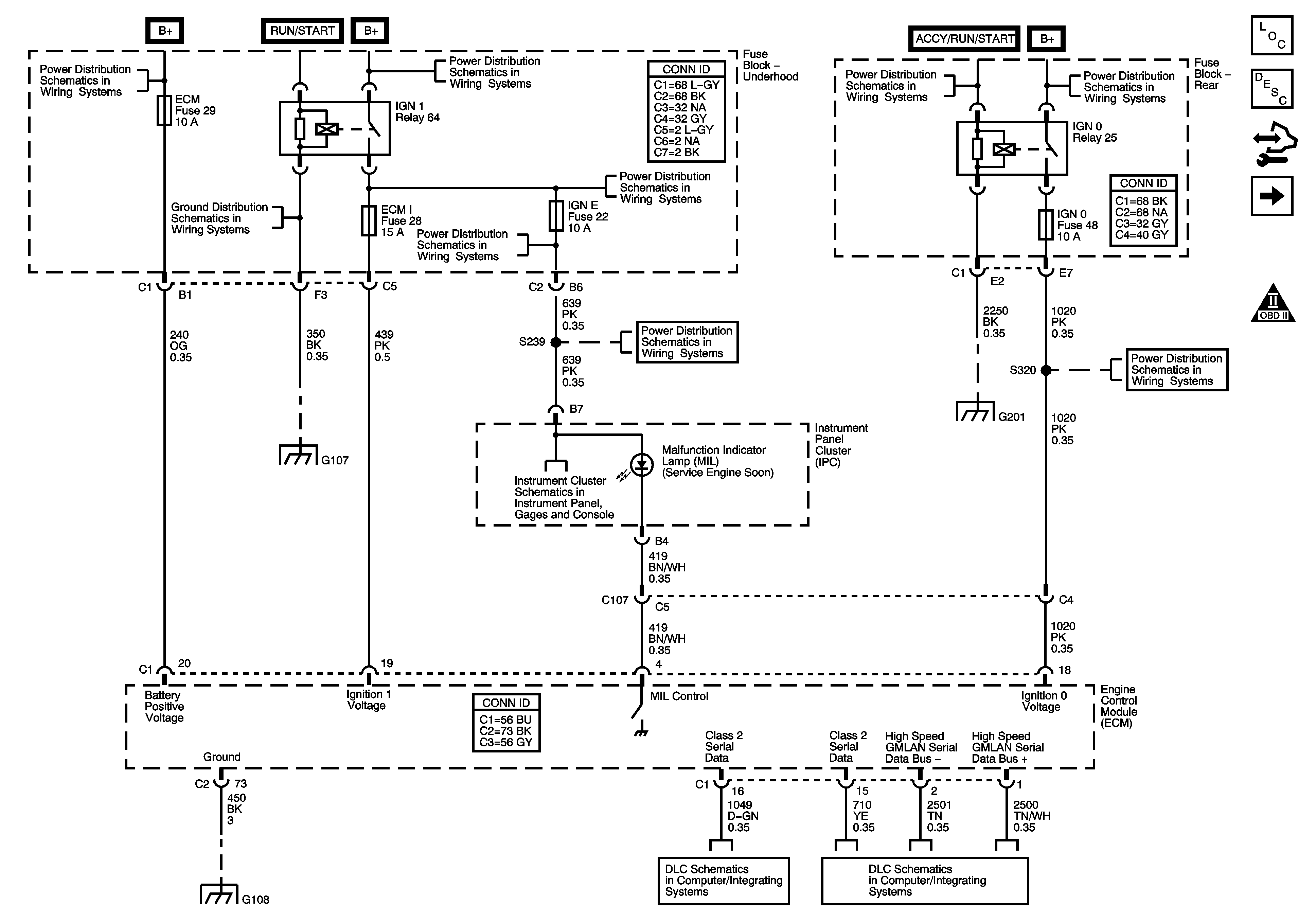
🢒 Module Power, Ground, Serial Data and MIL
Module Power, Ground, Serial Data and MIL
Module Power, Ground, Serial Data, and MIL
Master Electrical Component List
Engine Control Module Description
Control Module References
Fuse Block Underhood - Powertrain Relay - 1 of 2
OBD II Symbol Description Notice
B+ Bus - Rear Fuse Block
Ignition Switch - ACCY/RUN/START, RUN, START Bus Bars and IGNA1 Fuse
4WD, BRK, FRT WPR, HVACI, IGN0, and TCM Fuses
G201 - 1 of 2
B+ Bus - Underhood Fuse Block - 1 of 2
G104, G105 and G107
B+ Bus - Underhood Fuse Block - 1 of 2
BACK UP, BTSI, IGN E, and TRLR B/U Fuses
BACK UP, BTSI, IGN E, and TRLR B/U Fuses
BACK UP, BTSI, IGN E, and TRLR B/U Fuses
G104, G105 and G107
Instrument Cluster Schematics
G108
SP 205
Power, Ground, Data Link Connector