GM Service Manual Online
For 1990-2009 cars only
Makes
🢒
Saab
🢒
2005
🢒
9-7x
🢒 Starting System
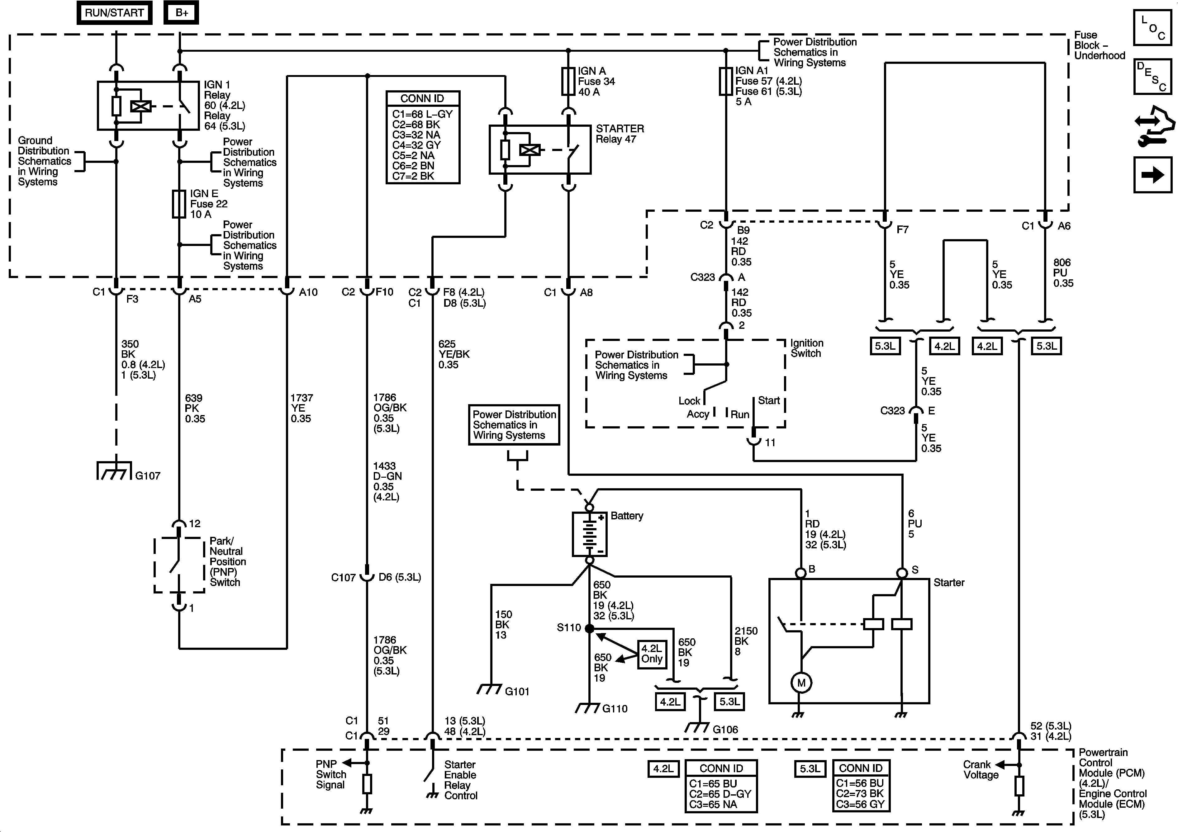
Starting System
Starting System
Master Electrical Component List
Starting System Description and Operation
Control Module References
Charging System
G104, G105 and G107
BACK UP, BTSI, IGN E, and TRLR B/U Fuses
BACK UP, BTSI, IGN E, and TRLR B/U Fuses
G104, G105 and G107
B+ Bus - Underhood Fuse Block - 1 of 2
Ignition Switch - ACCY/RUN/START, RUN, START Bus Bars and IGNA1 Fuse
B+ Bus - Underhood Fuse Block - 1 of 2
G101, G103, G106, and G110
G101, G103, G106, and G110
G101, G103, G106, and G110