GM Service Manual Online
For 1990-2009 cars only
Makes
🢒
Saab
🢒
2005
🢒
9-7x
🢒 Engine Cooling
Engine Cooling
Master Electrical Component List
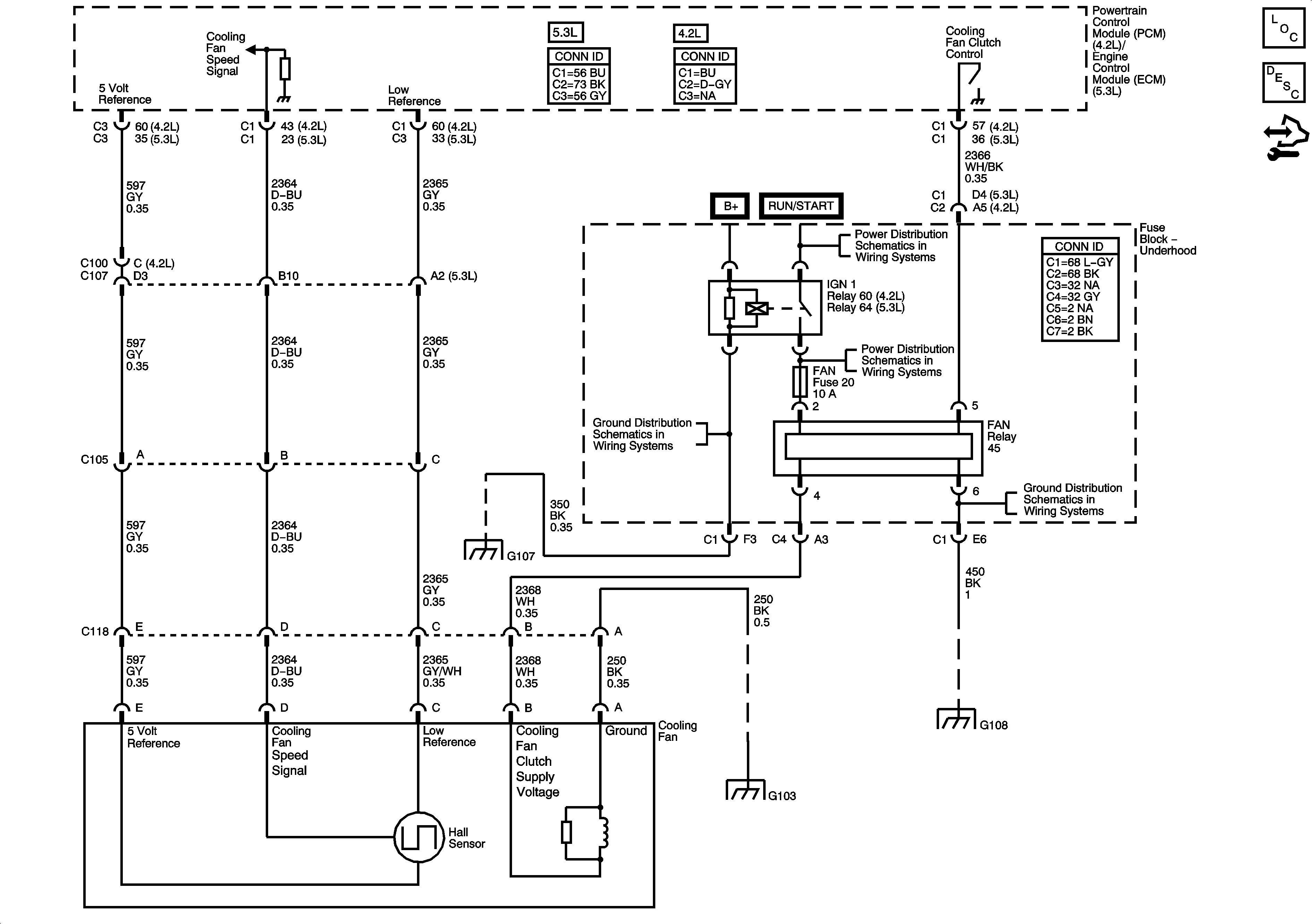
Cooling System Description and Operation
Control Module References
G104, G105 and G107
G104, G105 and G107
G101, G103, G106, and G110
B+ Bus - Underhood Fuse Block - 2 of 2
B+ Bus - Underhood Fuse Block - 2 of 2
G108
G108