GM Service Manual Online
For 1990-2009 cars only
Makes
🢒
Saab
🢒
2005
🢒
9-7x
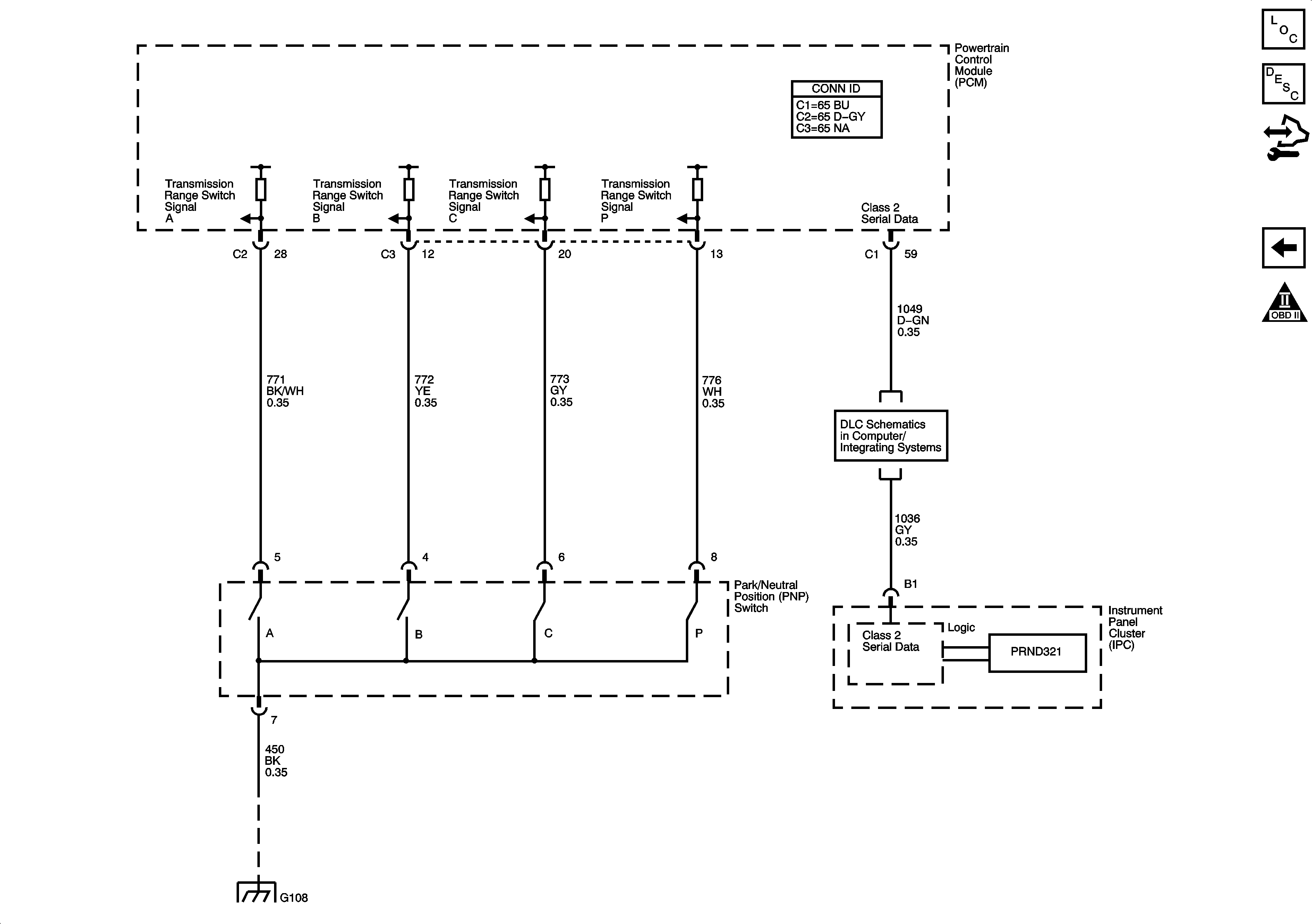
🢒 PNP Switch, Serial Data, and Indicators
PNP Switch, Serial Data, and Indicators
PNP Switch, Serial Data, and Indicator
Master Electrical Component List
Transmission Component and System Description
Control Module References
Pressure Controls, Temperature, and VSS
OBD II Symbol Description Notice
G108
SP 205