GM Service Manual Online
For 1990-2009 cars only
Makes
🢒
Saab
🢒
2005
🢒
9-7x
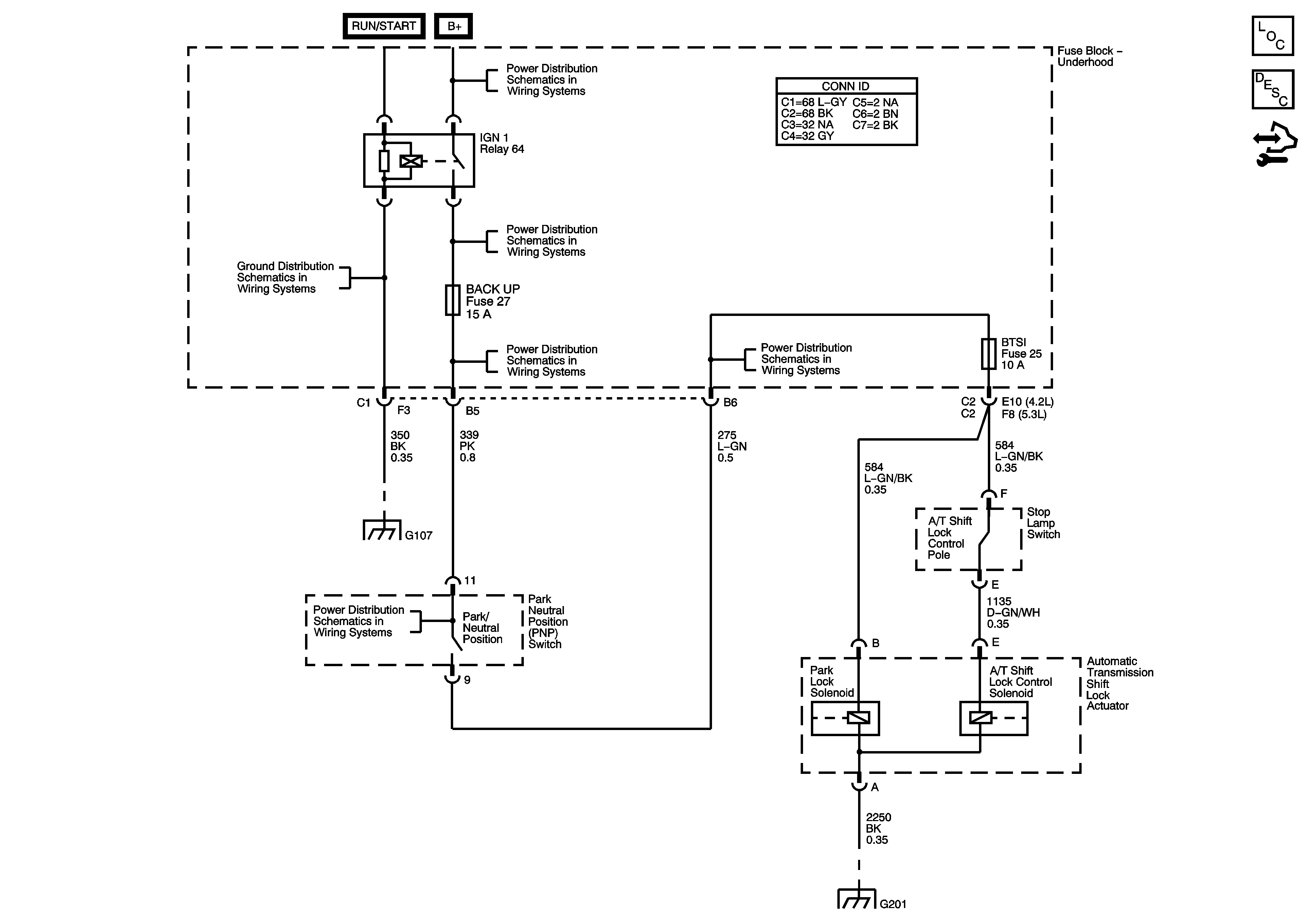
🢒 Shift Lock Control
Shift Lock Control
A/T Shift Lock
Master Electrical Component List
Transmission Component and System Description
Control Module References
B+ Bus - Underhood Fuse Block - 2 of 2
G104, G105 and G107
BACK UP, BTSI, IGN E, and TRLR B/U Fuses
BACK UP, BTSI, IGN E, and TRLR B/U Fuses
G104, G105 and G107
BACK UP, BTSI, IGN E, and TRLR B/U Fuses
BACK UP, BTSI, IGN E, and TRLR B/U Fuses
G201 - 2 of 2 and G305