GM Service Manual Online
For 1990-2009 cars only

DTC P0787 5.3L


Object Number: 1508477  Size: LF
Master Electrical Component List
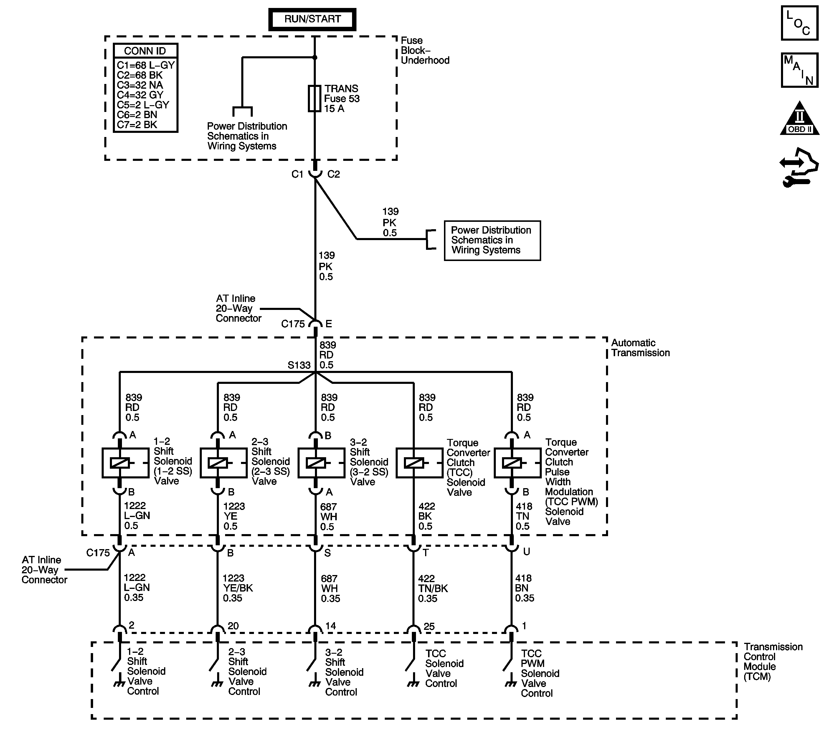
Automatic Transmission Controls Schematics (5.3L)
OBD II Symbol Description Notice
Control Module References

Circuit Description

The 3-2 shift solenoid (SS) valve is a normally-closed, 3-port, on/off device that controls the 3-2 downshift. The solenoid attaches to the control valve body within the transmission. The solenoid receives ignition voltage through the ignition 1 circuit. The transmission control module (TCM) controls the solenoid by providing a ground path on the 3-2 shift solenoid valve control circuit. During a 3-2 downshift, the 2-4 band applies as the 3-4 clutch releases. The TCM varies the timing between the 3-4 clutch release and the 2-4 band apply depending on the vehicle speed and the throttle position.

When the TCM detects a continuous open or short to ground in the 3-2 SS valve circuit, then DTC P0787 sets. DTC P0787 is a type A DTC.

DTC Descriptor

This diagnostic procedure supports the following DTC:

DTC P0787 3-2 Shift Solenoid (SS) Control Circuit Low Voltage

Conditions for Running the DTC

    • The system voltage is 8-18 volts.
    • The engine speed is greater than 475 RPM for 5 seconds.
    • Vehicle speed is less than 200 km/h (124 mph).

Conditions for Setting the DTC

DTC P0787 sets if one of the following conditions occurs for 5 seconds:

Condition 1

The TCM commands the solenoid ON and the voltage feedback remains high, B+.

Condition 2

The TCM commands the solenoid OFF and the voltage feedback remains low, 0 volts.

Action Taken When the DTC Sets

    • The transmission control module (TCM) requests the engine control module (ECM) to illuminate the malfunction indicator lamp (MIL).
    • The TCM commands third gear.
    • The TCM commands maximum line pressure.
    • The TCM inhibits torque converter clutch (TCC) engagement.
    • The TCM freezes transmission adaptive functions.
    • At the time of the first failure, the TCM records the operating conditions when the Conditions for Setting the DTC are met. The TCM stores this information as a Failure Record.
    • At the time of the second failure, the ECM records the operating conditions when the Conditions for Setting the DTC are met. The ECM stores this information as a Freeze Frame.
    • The TCM stores DTC P0787 in TCM history during the second consecutive trip in which the Conditions for Setting the DTC are met.

Conditions for Clearing the DTC

    • The ECM turns OFF the MIL after the 4th consecutive drive trip in which the TCM does not send a MIL illumination request.
    • A scan tool can clear the DTC.
    • The TCM clears the DTC from TCM history if the vehicle completes 40 warm-up cycles without a non-emission related diagnostic fault occurring.
    • The TCM cancels the DTC default actions when the ignition is OFF long enough in order to power down the TCM.

Test Description

The numbers below refer to the step numbers on the diagnostic table.

  1. This step tests the ability of the TCM to control the solenoid.

  2. This step tests for voltage to the 3-2 SS valve.

  3. This step tests the ability of the TCM and wiring to control the ground circuit.

  4. This step measures resistance of the automatic transmission (AT) wiring harness and the 3-2 SS valve.

DTC P0787

Step

Action

Values

Yes

No

1

Did you perform the Diagnostic System Check - Vehicle?

--

Go to Step 2

Go to Diagnostic System Check - Vehicle

2

  1. Install a scan tool.
  2. Turn ON the ignition, with the engine OFF.
  3. Important:: Before clearing the DTC, use the scan tool in order to record the Freeze Frame and Failure Records. Using the Clear Info function erases the Freeze Frame and Failure Records from the transmission control module (TCM).

  4. Record the DTC Freeze Frame and Failure Records.
  5. Clear the DTC.

Are any of the following DTCs also set?

    • P0961
    • P0973
    • P0976
    • P2764
    • P2769

--

Go to Step 3

Go to Step 4

3

Inspect the ignition voltage supply fuse for an open.

Refer to Circuit Protection - Fuses .

Is the fuse open?

--

Go to Step 12

Go to Step 5

4

With a scan tool, command the 3-2 Downshift Solenoid ON.

Does the 3-2 Sol. CKT status parameter display OK when commanded ON?

--

Go to Testing for Intermittent Conditions and Poor Connections

Go to Step 5

5

  1. Turn OFF the ignition.
  2. Disconnect the AT inline 20-way connector, additional DTCs may set.
  3. Install the J 44152 Jumper Harness (20 pins) on the engine side of the AT inline 20-way connector.
  4. Turn ON the ignition, with the engine OFF.
  5. Using the J 35616 GM Terminal Test Kit, connect a test lamp from 3-2 SS valve ignition voltage circuit of the J 44152 to ground.

Refer to Automatic Transmission Inline 20-Way Connector End View .

Does the test lamp illuminate?

--

Go to Step 6

Go to Step 15

6

  1. Connect a test lamp between the 3-2 SS valve ignition voltage and control circuits of the J 44152 .
  2. Refer to Automatic Transmission Inline 20-Way Connector End View and Testing for Continuity .

  3. Use the scan tool in order to command the 3-2 SS valve ON and OFF three times.

Does the test lamp turn ON and OFF with each command?

--

Go to Step 8

Go to Step 7

7

Is the test lamp always ON?

--

Go to Step 16

Go to Step 17

8

  1. Install the J 44152 on the transmission side of the AT inline 20-way connector.
  2. Using the DMM and the J 35616 , measure the resistance between the 3-2 SS valve ignition voltage and control circuits of the J 44152 .
  3. Refer to Testing for Continuity .

Refer to Automatic Transmission Inline 20-Way Connector End View .

Does the resistance measure within the specified range?

20-32 ohms

Go to Step 9

Go to Step 10

9

Measure the resistance from the 3-2 SS valve ignition voltage and control circuits to ground.

Refer to Testing for Continuity .

Do both readings measure greater than the specified value?

250 K ohms

Go to Testing for Intermittent Conditions and Poor Connections

Go to Step 11

10

  1. Disconnect the AT wiring harness from the 3-2 SS valve.
  2. Measure the resistance of the 3-2 SS valve.

Refer to Testing for Continuity .

Does the resistance measure within the specified range?

20-32 ohms

Go to Step 18

Go to Step 19

11

  1. Disconnect the AT wiring harness from the 3-2 SS valve.
  2. Measure the resistance from the component's terminals to ground.

Refer to Testing for Continuity .

Do both readings measure greater than the specified value?

250 K ohms

Go to Step 18

Go to Step 19

12

Important: The condition that affects this circuit may exist in other connecting branches of the circuit. Refer to Power Distribution Schematics for complete circuit distribution.

Test the ignition circuit of the 3-2 SS valve for a short to ground between the fuse block-underhood and the AT inline 20-way connector.

Refer to Testing for Short to Ground and Wiring Repairs .

Did you find and correct the condition?

--

Go to Step 21

Go to Step 13

13

Important: The condition that affects this circuit may exist in other connecting branches of the circuit. Refer to Power Distribution Schematics for complete circuit distribution.

Test the ignition voltage circuit of the 3-2 SS valve for a short to ground between the AT inline 20-way connector and the 3-2 SS valve assembly.

Refer to Testing for Short to Ground .

Did you find a short to ground condition?

--

Go to Step 18

Go to Step 14

14

  1. Test each solenoid for a short to ground.
  2. Refer to Testing for Short to Ground .

  3. Replace the faulty solenoid as necessary.

Did you complete the replacement?

--

Go to Step 21

--

15

Important: The condition that affects this circuit may exist in other connecting branches of the circuit. Refer to Power Distribution Schematics for complete circuit distribution.

Test the ignition circuit of the 3-2 SS valve for an open.

Refer to Testing for Continuity and Wiring Repairs .

Did you find and correct the condition?

--

Go to Step 21

--

16

Test the control circuit of the 3-2 SS valve for a short to ground between the TCM and the AT inline 20-way connector.

Refer to Testing for Short to Ground and Wiring Repairs .

Did you find and correct the condition?

--

Go to Step 21

Go to Step 20

17

Test the control circuit of the 3-2 SS valve for an open between the TCM and the AT inline 20-way connector.

Refer to Testing for Continuity and Wiring Repairs .

Did you find and correct the condition?

--

Go to Step 21

Go to Step 20

18

Replace the AT wiring harness.

Refer to Torque Converter Clutch Pulse Width Modulation Solenoid, Torque Converter Clutch Solenoid, and Wiring Harness .

Did you complete the replacement?

--

Go to Step 21

--

19

Replace the 3-2 SS valve.

Refer to Control and Shift Solenoids Replacement .

Did you complete the replacement?

--

Go to Step 21

--

20

Replace the TCM.

Refer to Control Module References for replacement, setup, and programming.

Did you complete the replacement?

--

Go to Step 21

--

21

Perform the following procedure in order to verify the repair:

  1. Select DTC.
  2. Select Clear Info.
  3. Drive the vehicle in D3 or D4 and perform a 3-2 downshift. Ensure the 3-2 Sol. CKT status parameter displays OK.
  4. Select Specific DTC.
  5. Enter DTC P0787.

Has the test run and passed?

--

Go to Step 22

Go to Step 2

22

With the scan tool, observe the stored information, capture info, and DTC Info.

Does the scan tool display any DTCs that you have not diagnosed?

--

Go to Diagnostic Trouble Code (DTC) List - Vehicle

System OK