GM Service Manual Online
For 1990-2009 cars only
Makes
🢒
Saab
🢒
2006
🢒
9-7x
🢒
Body
🢒
Doors
🢒 Door Lock/Indicator Schematics
Figure
1:
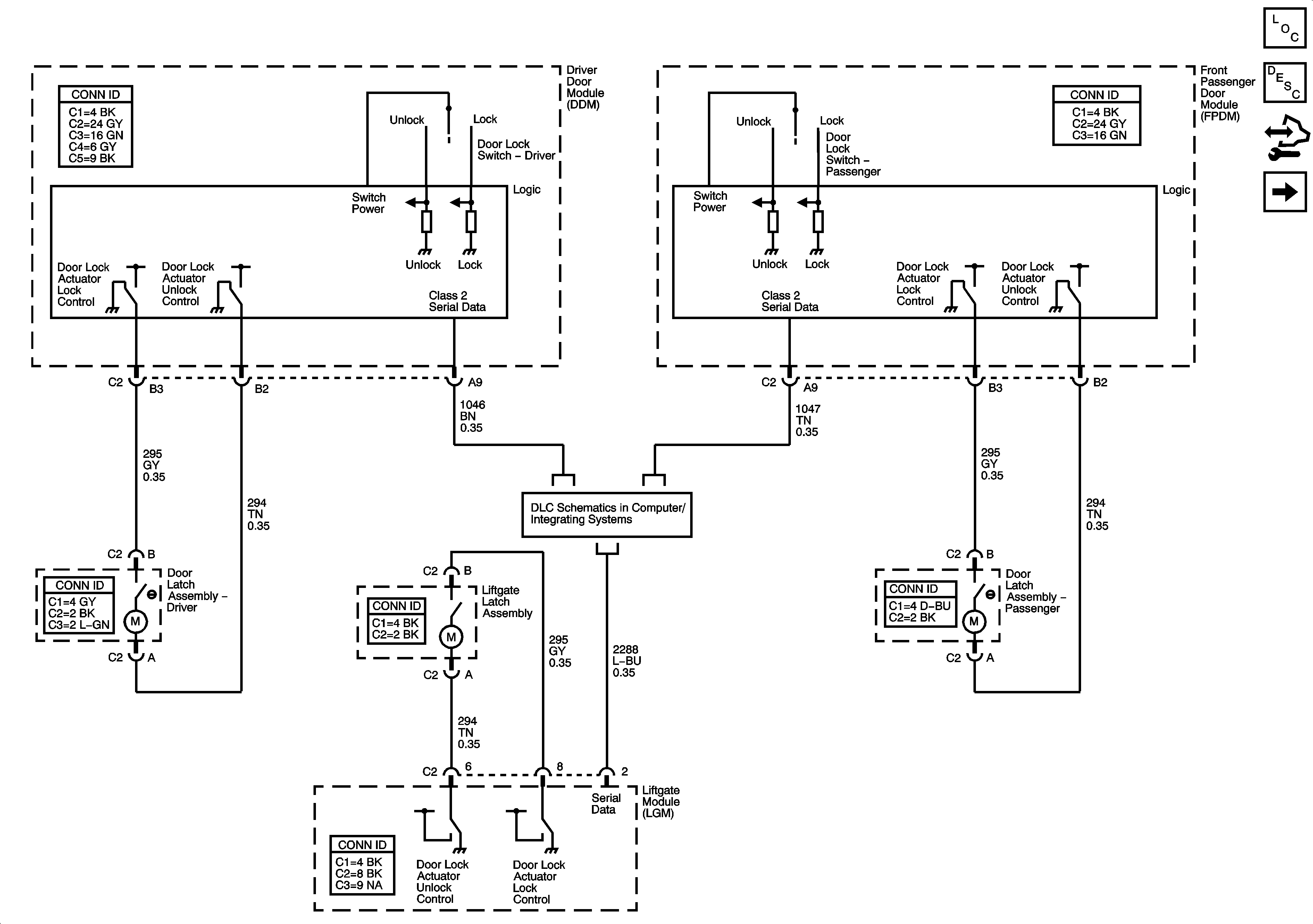
Front Doors and Liftgate
Master Electrical Component List
Power Door Locks Description and Operation
Control Module References
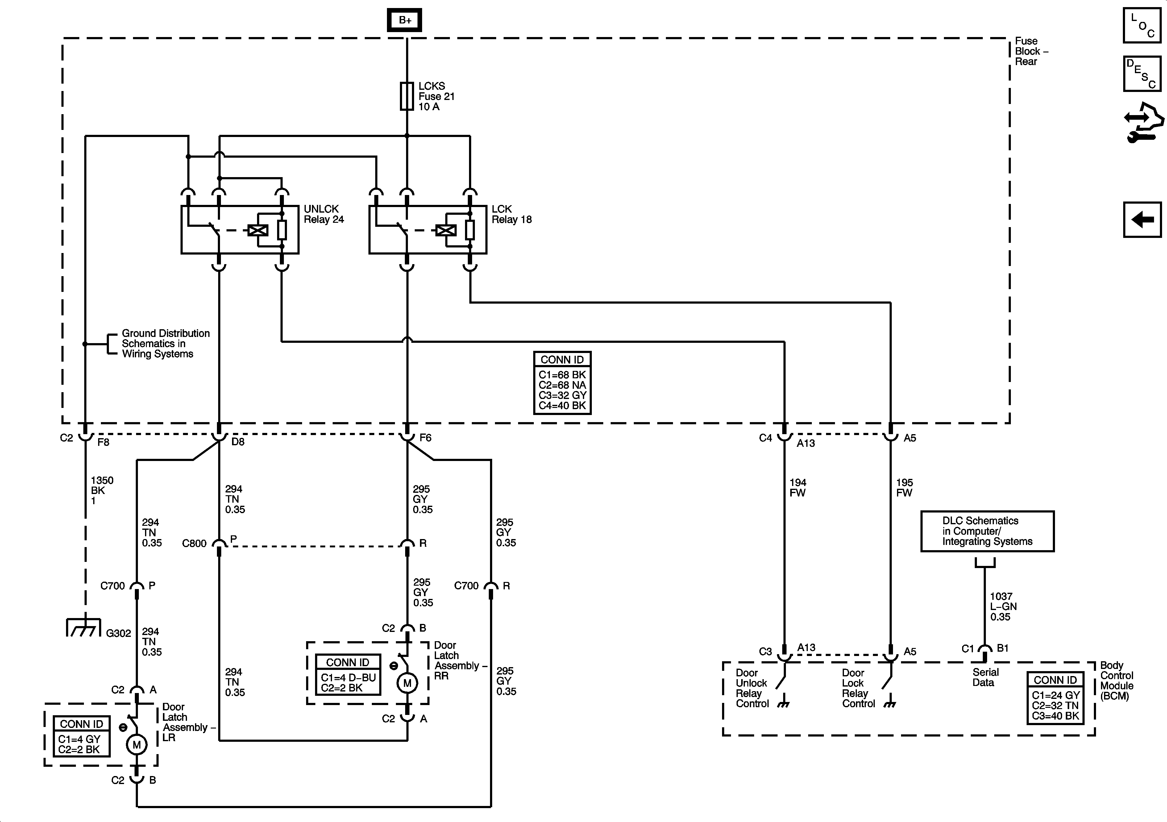
Rear Doors
SP306
Figure
2:
Rear Doors
Master Electrical Component List
Power Door Locks Description and Operation
Control Module References
Front Doors and Lift Gate
G302 - 2 of 2 and G306
G302 - 1 of 2, G303, and G304
SP 205