GM Service Manual Online
For 1990-2009 cars only
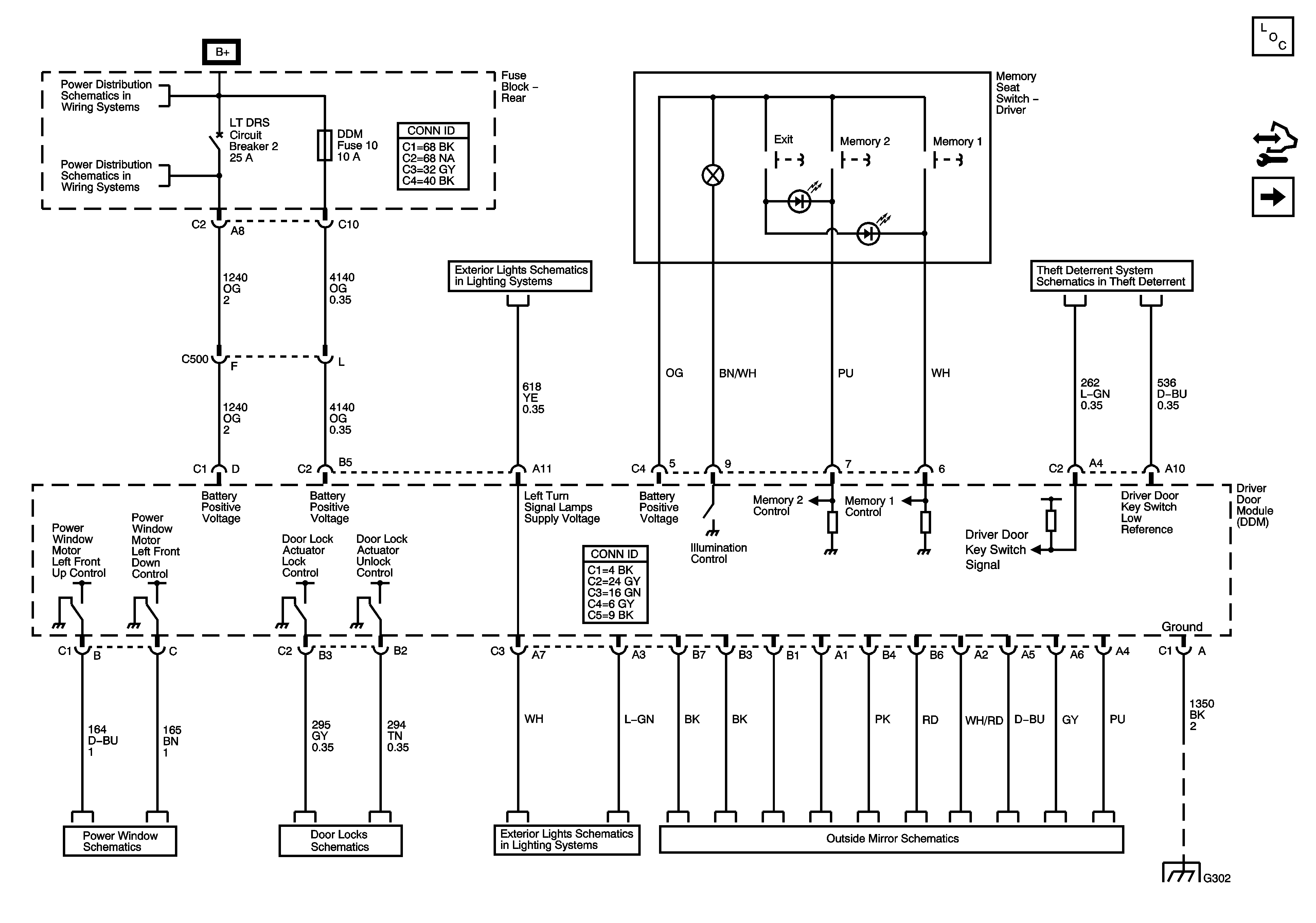
Figure 1:

Power, Ground, and Subsystem References


Object Number: 1630461  Size: FS
Master Electrical Component List
Control Module References
Serial Data and Subsystem References
B+ Bus - Rear Fuse Block
AMP, DDM, PDM Fuses, LT DRS, RT DRS, and SEATS Circuit Breakers
Left Turn Signal
Theft Deterrent Schematics
Power Windows - Left
Front Doors and Lift Gate
Left Turn Signal
Outside Mirrors Schematics
G302 - 1 of 2, G303, and G304
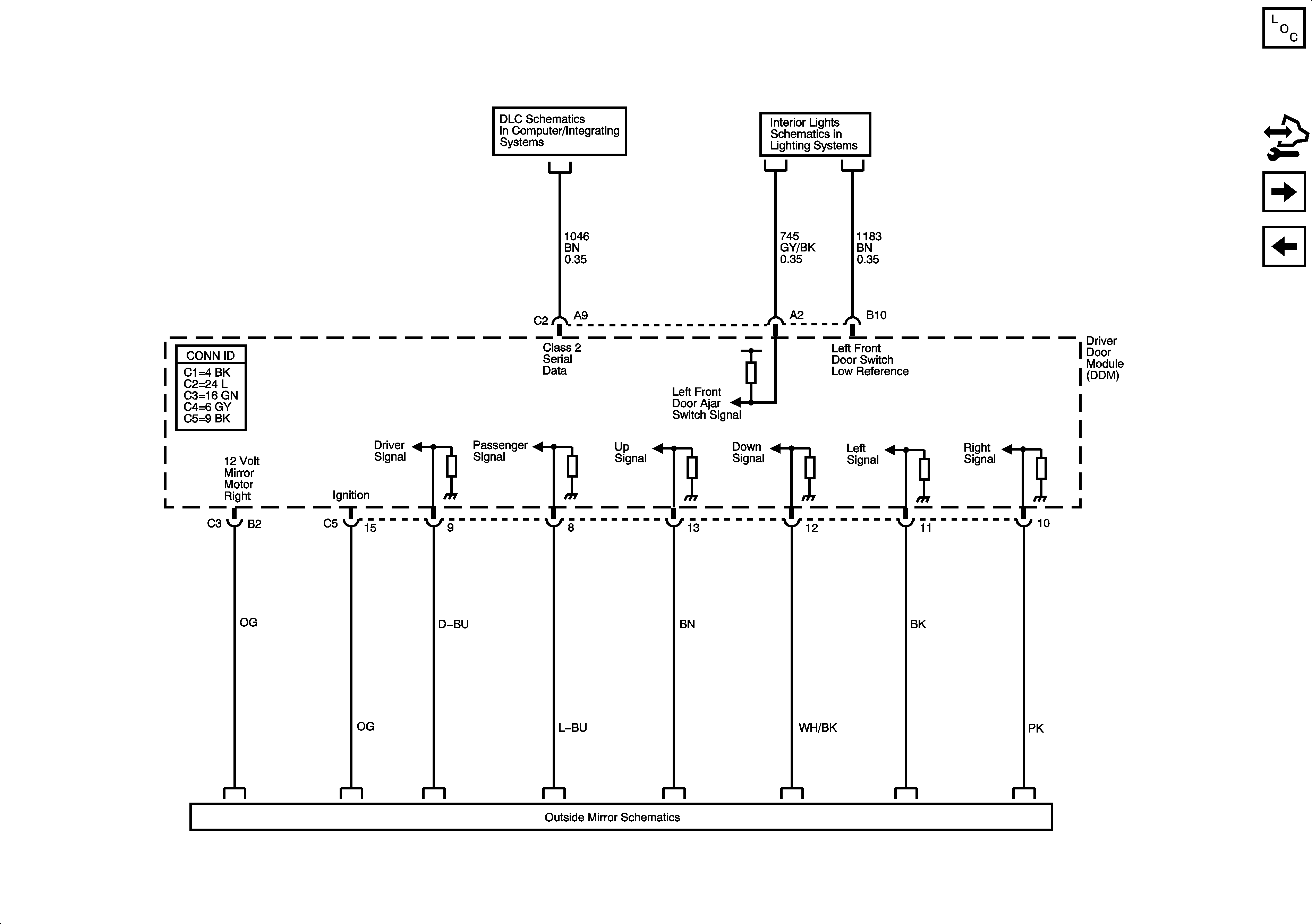
Figure 2:

Serial Data and Subsystem References


Object Number: 1630462  Size: FS
Master Electrical Component List
Control Module References
Front Passenger
Power, Ground, and Subsystem References
SP306
Door Switch and Liftgate Inputs
Outside Mirrors Schematics
Figure 3:

Front Passenger


Object Number: 1630463  Size: FS
Master Electrical Component List
Control Module References
Serial Data and Subsystem References
B+ Bus - Rear Fuse Block
AMP, DDM, PDM Fuses, LT DRS, RT DRS, and SEATS Circuit Breakers
Power Windows - Right
Front Doors and Lift Gate
Door Switch and Liftgate Inputs
Right Turn Signal
SP306
G302 - 1 of 2, G303, and G304
Outside Mirrors Schematics