GM Service Manual Online
For 1990-2009 cars only
Figure 1:

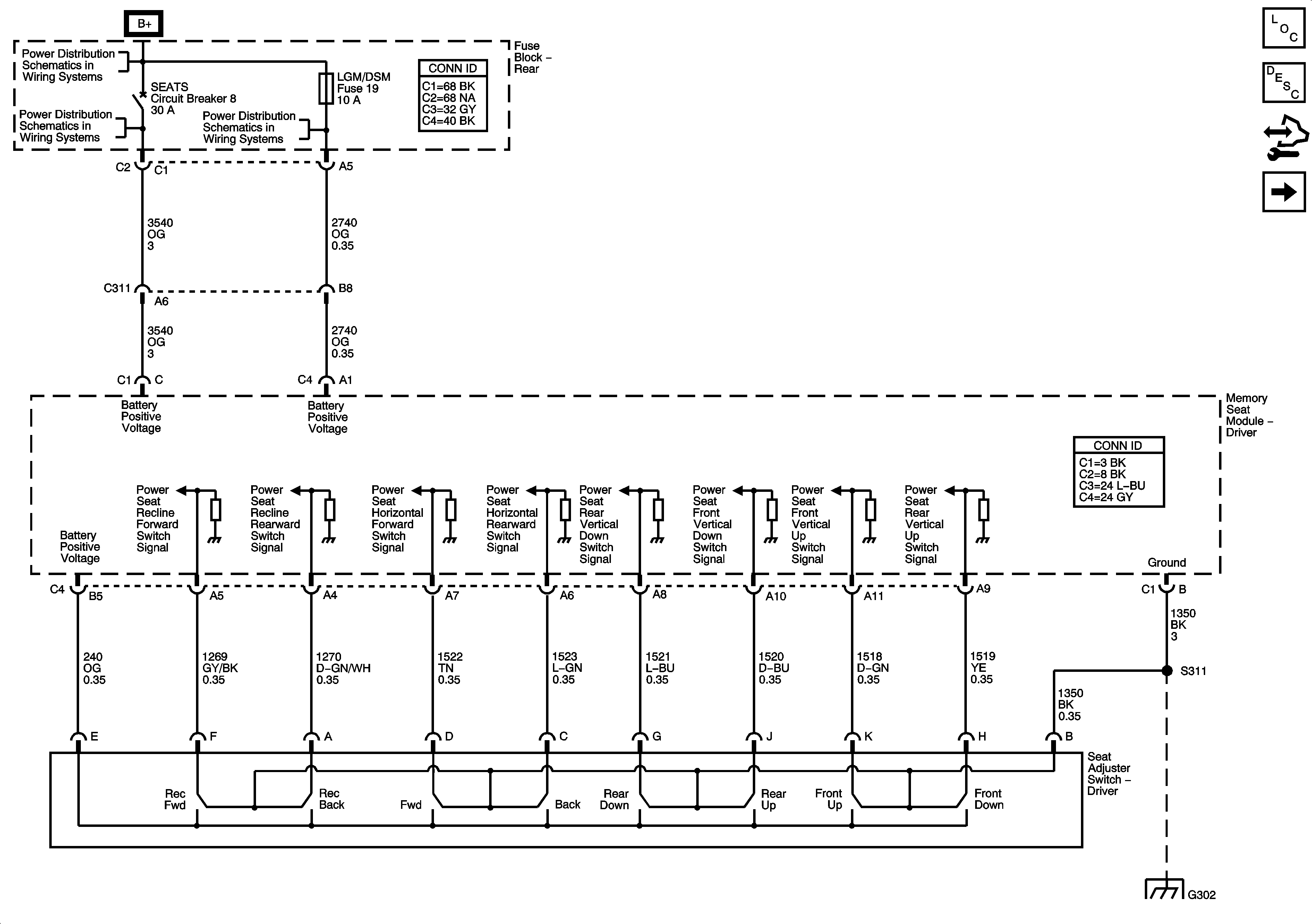
Power Seat Controls - Power, Ground, and Switch Controls


Object Number: 1628054  Size: FS
Master Electrical Component List
Power Seats System Description and Operation
Control Module References
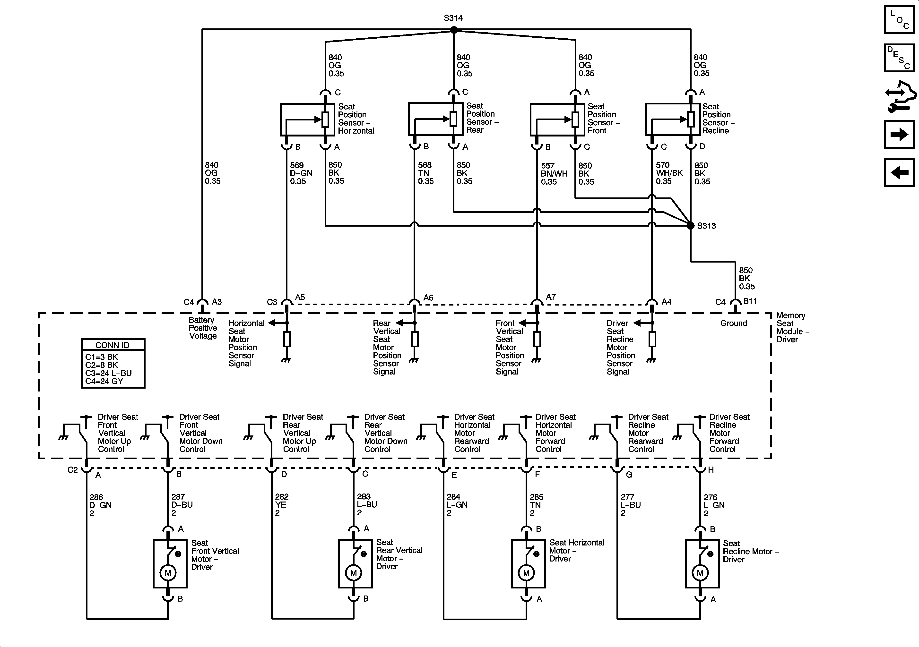
Power Seat Controls - Motors and Position Sensors
B+ Bus - Rear Fuse Block
AMP, DDM, PDM Fuses, LT DRS, RT DRS, and SEATS Circuit Breakers
HVAC B, LGM/DSM, OH BATT/ONSTAR, and RADIO Fuses
G302 - 1 of 2, G303, and G304
Figure 2:

Power Seat Controls - Motors and Position Sensors


Object Number: 1628056  Size: FS
Master Electrical Component List
Memory Seats Description and Operation
Control Module References
Lumbar Controls
Power Seat Controls - Power, Ground, and Switch Controls
Figure 3:

Lumbar Controls


Object Number: 1628057  Size: FS
Master Electrical Component List
Lumbar Support Description and Operation
Control Module References
Heat Controls
Power Seat Controls - Motors and Position Sensors
G302 - 1 of 2, G303, and G304
Adjustable Pedals Schematics
Figure 4:

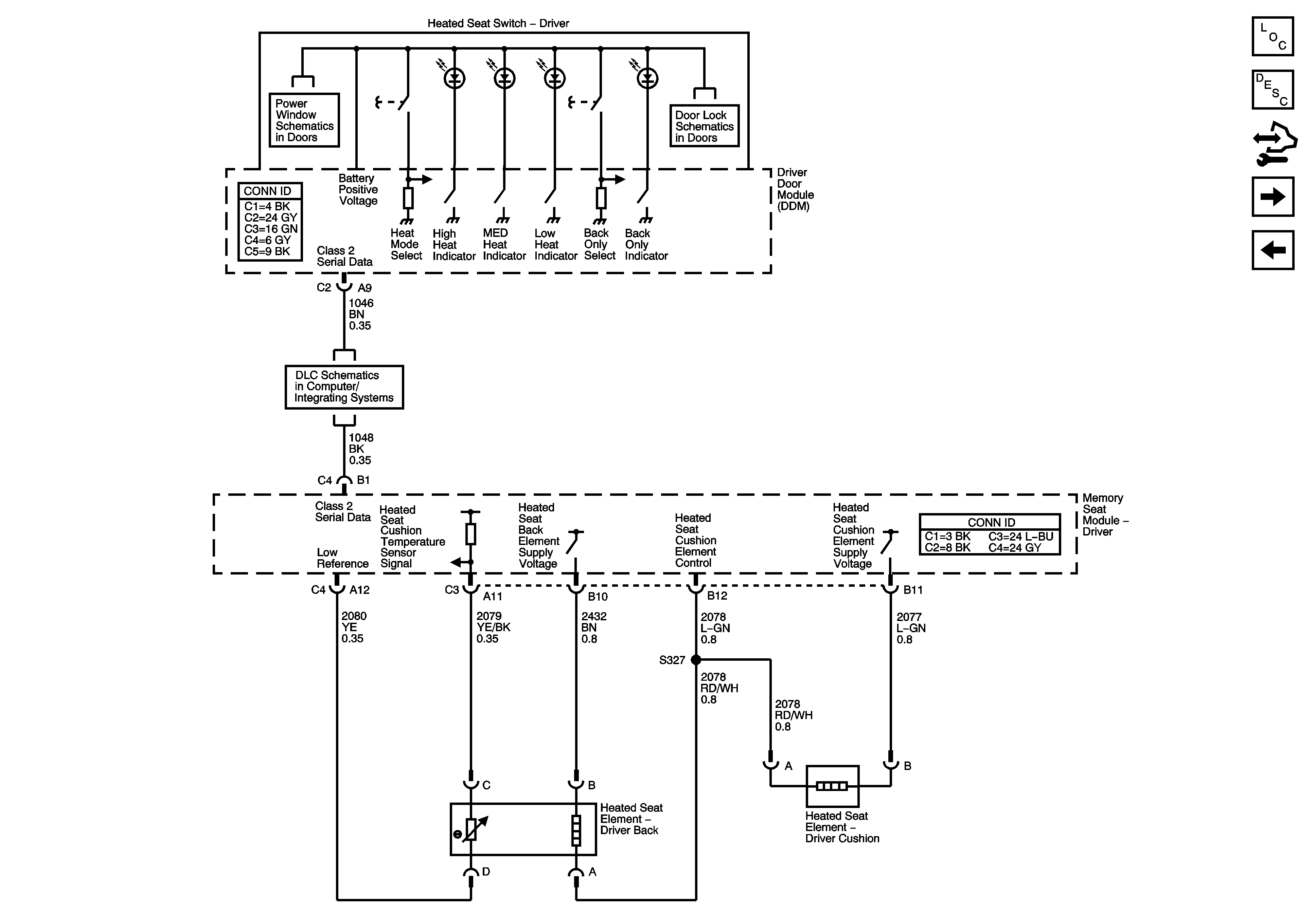
Heat Controls


Object Number: 1628058  Size: FS
Master Electrical Component List
Heated Seats Description and Operation
Control Module References
Memory Controls
Lumbar Controls
SP306
Figure 5:

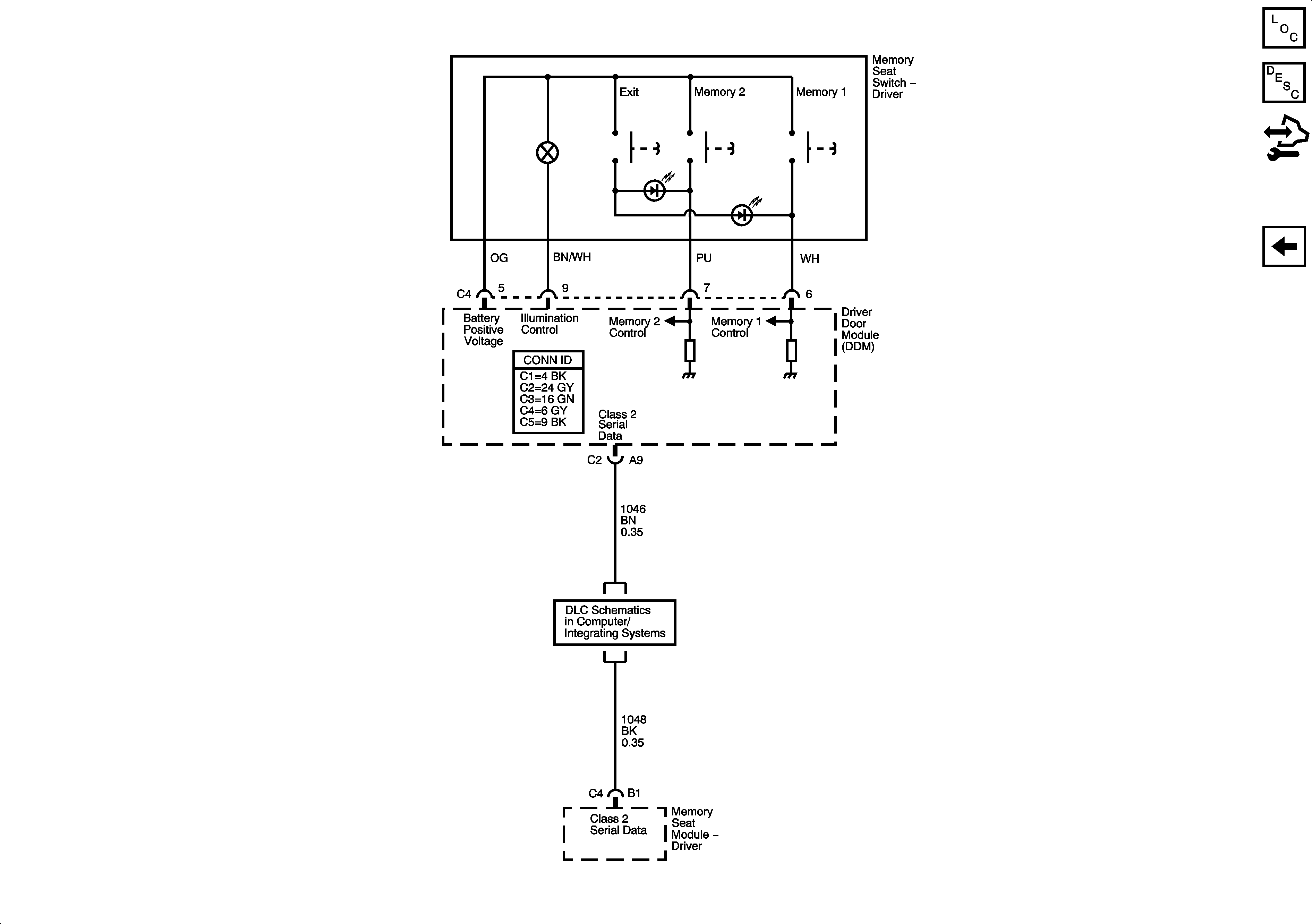
Memory Controls


Object Number: 1628062  Size: FS
Master Electrical Component List
Memory Seats Description and Operation
Control Module References
Heat Controls
SP306