GM Service Manual Online
For 1990-2009 cars only
Figure 1:

Power Seat Controls


Object Number: 1628064  Size: FS
Master Electrical Component List
Power Seats System Description and Operation
Control Module References
Lumbar Controls
B+ Bus - Rear Fuse Block
AMP, DDM, PDM Fuses, LT DRS, RT DRS, and SEATS Circuit Breakers
AMP, DDM, PDM Fuses, LT DRS, RT DRS, and SEATS Circuit Breakers
G302 - 1 of 2, G303, and G304
Figure 2:

Lumbar Controls


Object Number: 1628065  Size: FS
Master Electrical Component List
Lumbar Support Description and Operation
Control Module References
Heat Controls
Power Seat Controls
B+ Bus - Rear Fuse Block
AMP, DDM, PDM Fuses, LT DRS, RT DRS, and SEATS Circuit Breakers
AMP, DDM, PDM Fuses, LT DRS, RT DRS, and SEATS Circuit Breakers
G302 - 1 of 2, G303, and G304
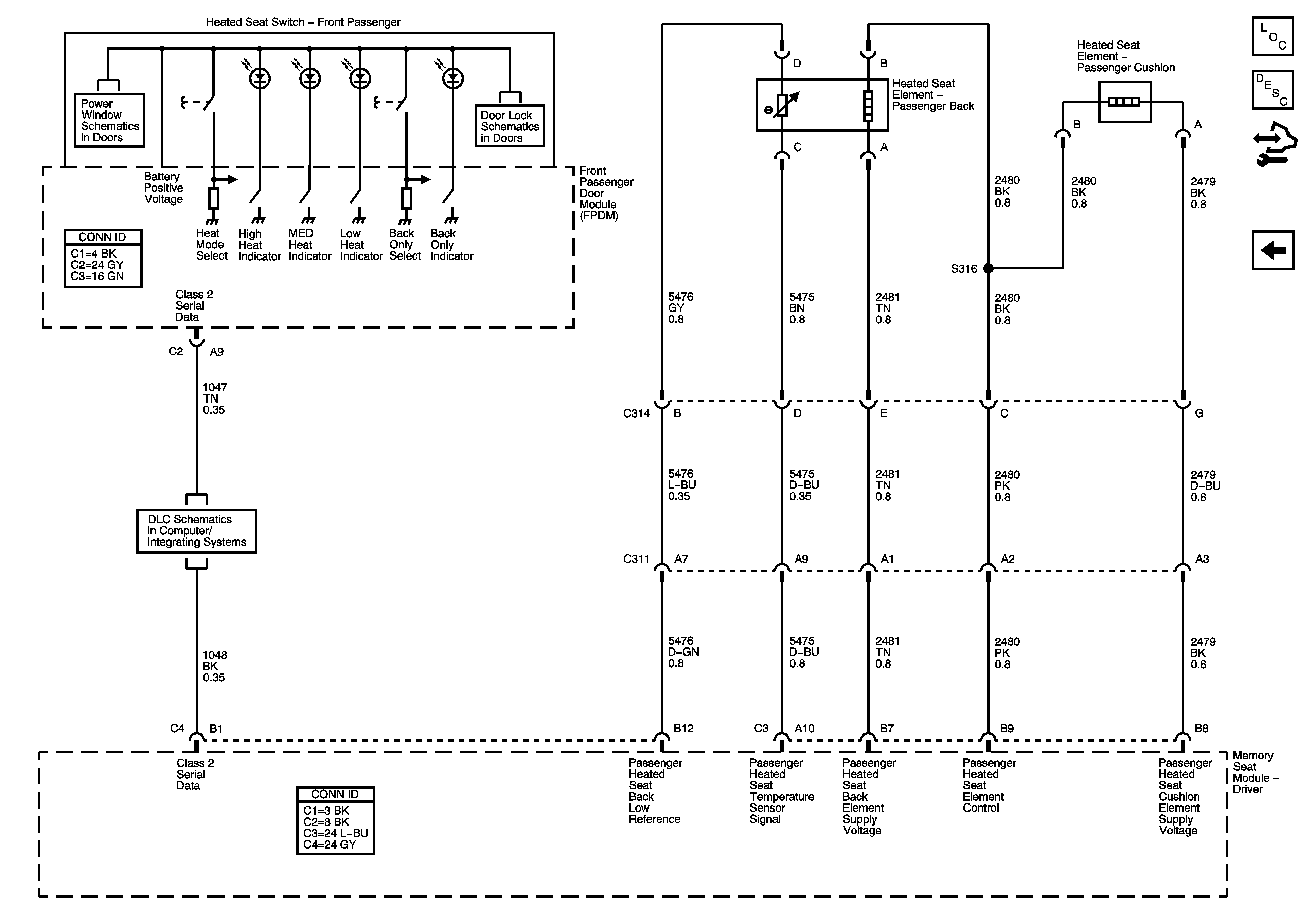
Figure 3:

Heat Controls


Object Number: 1628066  Size: FS
Master Electrical Component List
Heated Seats Description and Operation
Control Module References
Lumbar Controls
SP306