GM Service Manual Online
For 1990-2009 cars only
Figure 1:

Module Power, Ground, IGN 1 Relay, Serial Data, Indicator, and Side Impact Sensors


Object Number: 1622886  Size: FS
Master Electrical Component List
SIR System Description and Operation
Control Module References
Front Sensors and Modules
SIR Schematic Icons
SIR Schematic Icons
SIR Schematic Icons
SIR Schematic Icons
G104, G105 and G107
G102
G101, G103, G106, and G110
B+ Bus - Underhood Fuse Block - 2 of 2
BCK/UP, BTSI, IGN E, and TRLR BCK/UP Fuses
BCK/UP, BTSI, IGN E, and TRLR BCK/UP Fuses
BCK/UP, BTSI, IGN E, and TRLR BCK/UP Fuses
SP 205
Figure 2:

Front Sensors and Modules


Object Number: 1622971  Size: FS
Master Electrical Component List
SIR System Description and Operation
Control Module References
Seat Position Sensors, Rollover Sensor, and PPS Module
Module Power, Ground, IGN 1 Relay, Serial Data, Indicator, and Side Impact Sensors
SIR Schematic Icons
SIR Schematic Icons
SIR Schematic Icons
SIR Schematic Icons
SIR Schematic Icons
SIR Schematic Icons
Figure 3:

Seat Position Sensors, Rollover Sensor, and PPS Module


Object Number: 1622987  Size: FS
Master Electrical Component List
SIR System Description and Operation
Control Module References
PPS Sensors and Indicators
Front Sensors and Modules
SIR Schematic Icons
SIR Schematic Icons
SIR Schematic Icons
SIR Schematic Icons
G102
G102
BCK/UP, BTSI, IGN E, and TRLR BCK/UP Fuses
Module Power, Ground, IGN 1 Relay, Serial Data, Indicator, and Side Impact Sensors
AIRBAG, ECM I, and TRANS Fuses
G102
Seat Belts Schematics
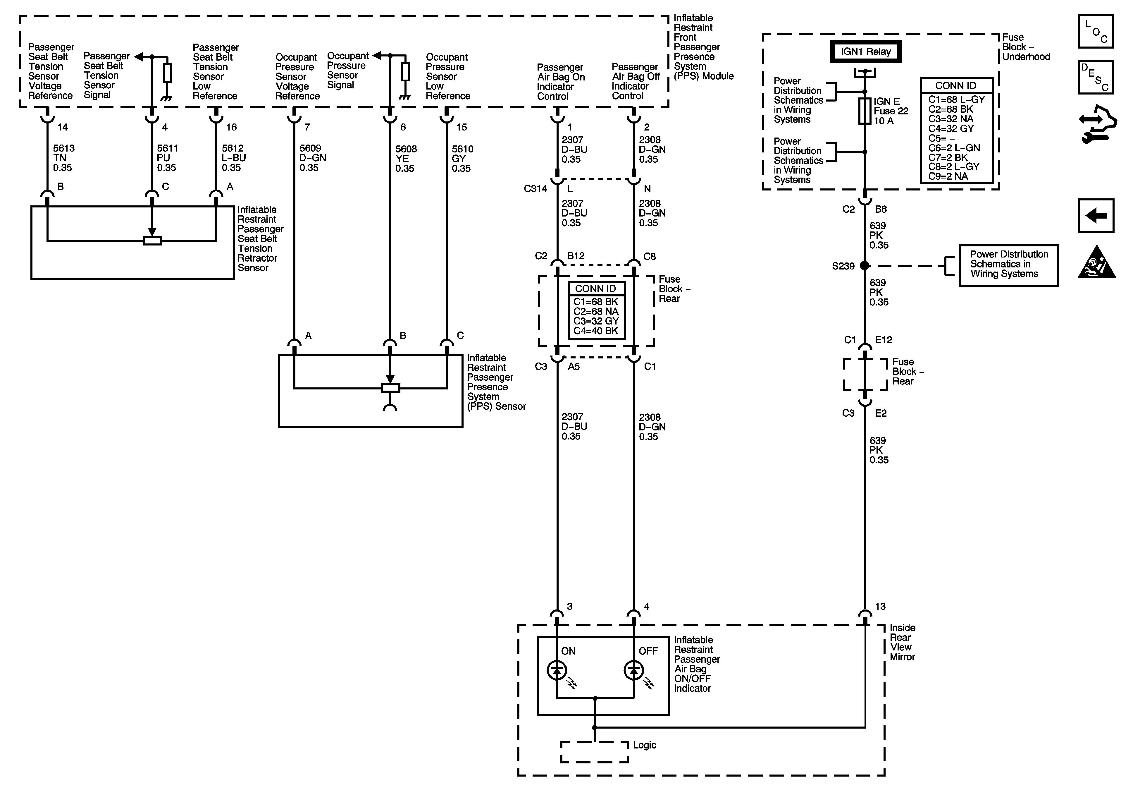
Figure 4:

PPS Sensors and Indicators


Object Number: 1623012  Size: FS
Master Electrical Component List
SIR System Description and Operation
Control Module References
Seat Position Sensors, Rollover Sensor, and PPS Module
SIR Schematic Icons
Module Power, Ground, IGN 1 Relay, Serial Data, Indicator, and Side Impact Sensors
BCK/UP, BTSI, IGN E, and TRLR BCK/UP Fuses
BCK/UP, BTSI, IGN E, and TRLR BCK/UP Fuses
BCK/UP, BTSI, IGN E, and TRLR BCK/UP Fuses