GM Service Manual Online
For 1990-2009 cars only
Makes
🢒
Saab
🢒
2006
🢒
9-7x
🢒
Transmission/Transaxle
🢒
Shift Lock Control
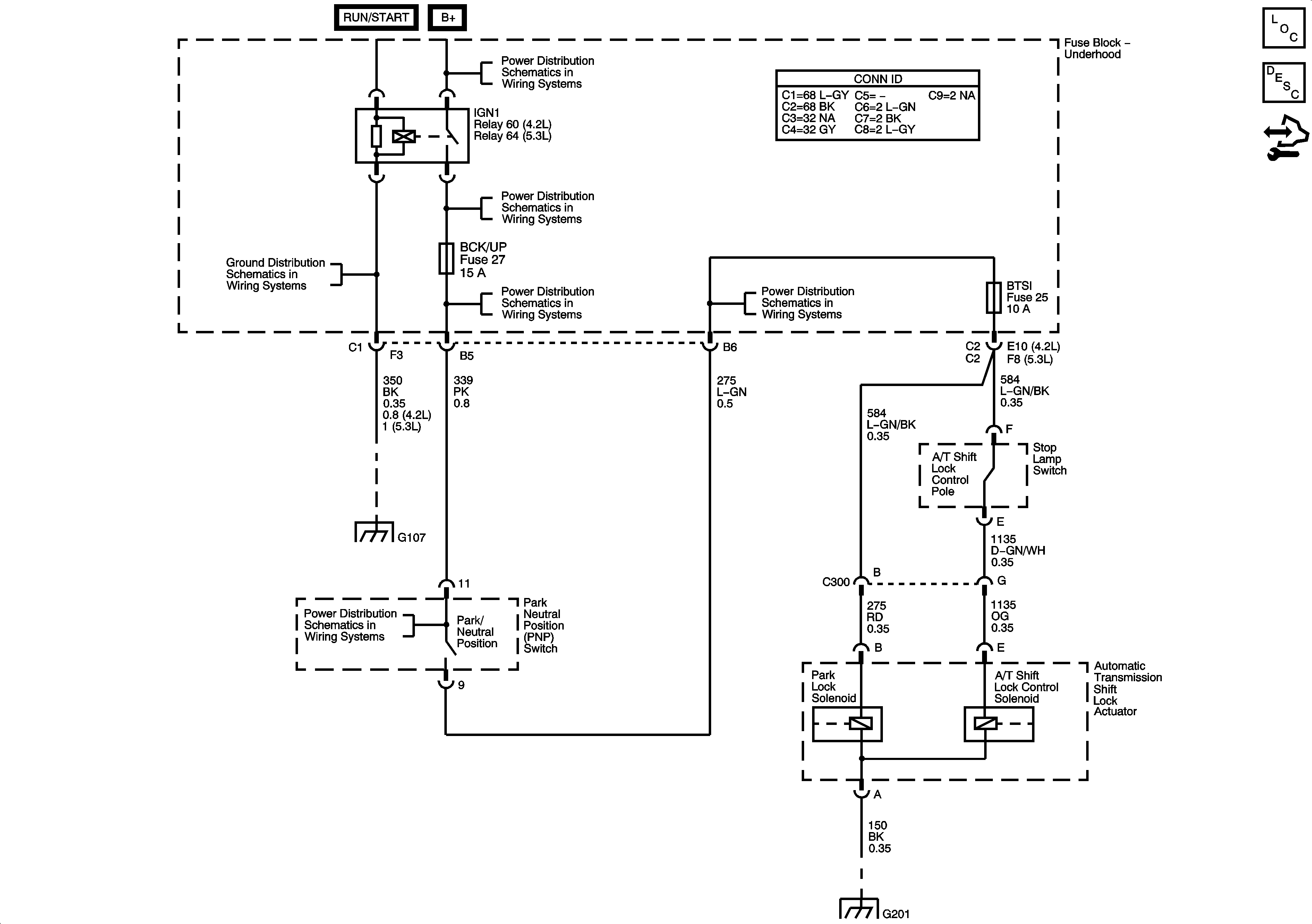
🢒 Shift Lock Control Schematics
A/T Shift Lock
Master Electrical Component List
Automatic Transmission Shift Lock Control Description and Operation
Control Module References
BCK/UP, BTSI, IGN E, and TRLR BCK/UP Fuses
G104, G105 and G107
BCK/UP, BTSI, IGN E, and TRLR BCK/UP Fuses
BCK/UP, BTSI, IGN E, and TRLR BCK/UP Fuses
G104, G105 and G107
BCK/UP, BTSI, IGN E, and TRLR BCK/UP Fuses
BCK/UP, BTSI, IGN E, and TRLR BCK/UP Fuses
G201 - 1 of 2