GM Service Manual Online
For 1990-2009 cars only
Makes
🢒
Saab
🢒
2006
🢒
9-7x
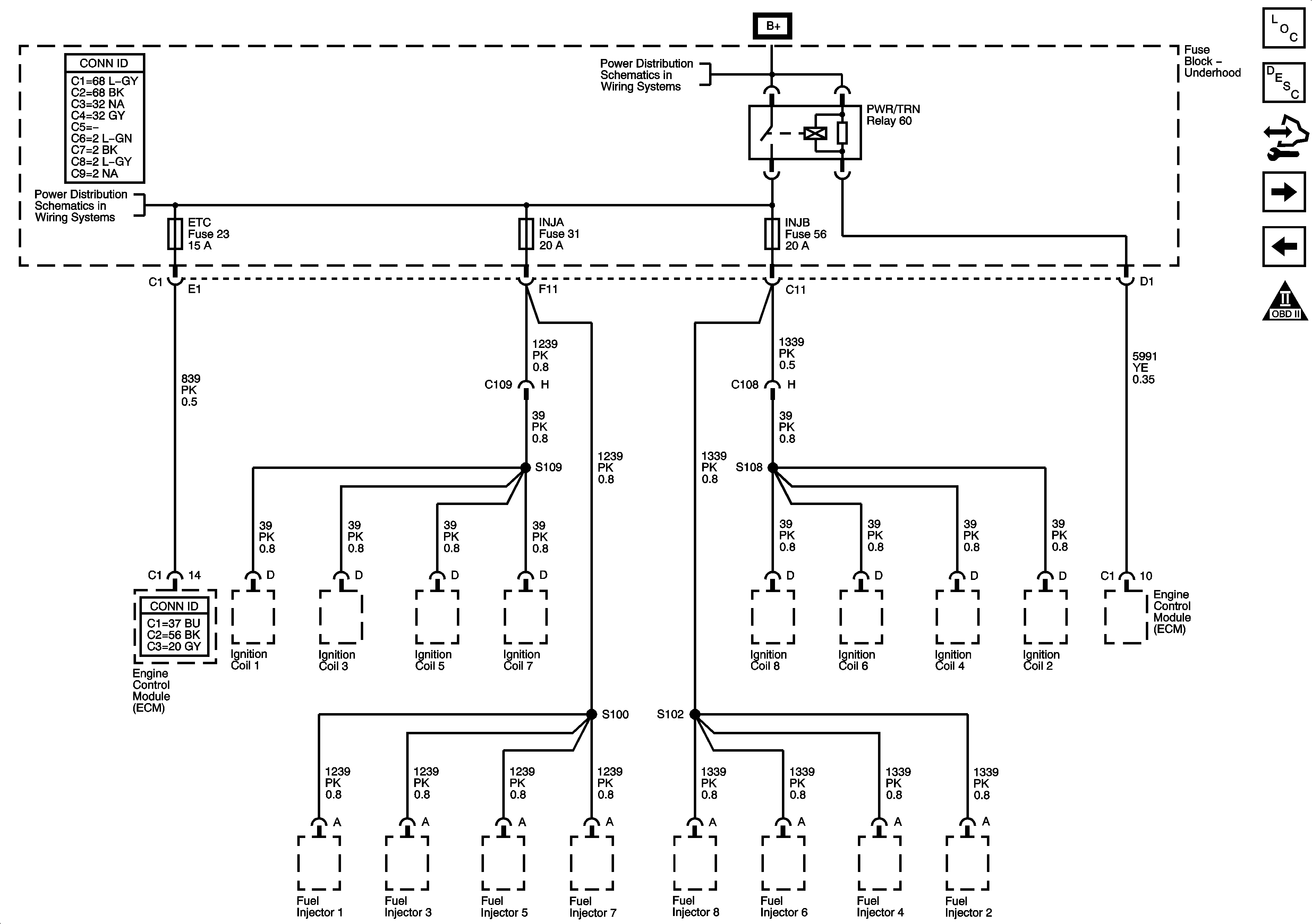
🢒 Fuse Block Underhood - PWR/TRN Relay - 1 of 2
Fuse Block Underhood - PWR/TRN Relay - 1 of 2
Fuse Block - Underhood - PWR/TRN Relay - 1 of 2
Master Electrical Component List
Fuel System Description
Control Module References
Fuse Block Underhood - PWR/TRN Relay - 2 of 2
Module Power, Ground, Serial Data and MIL
Engine Controls Schematic Icons
B+ Bus - Underhood Fuse Block - 2 of 2
ENG I, INJA, INJB, O2 SNSR A, and O2 SNSR B Fuses - 5.3L