GM Service Manual Online
For 1990-2009 cars only
Makes
🢒
Saab
🢒
2006
🢒
9-7x
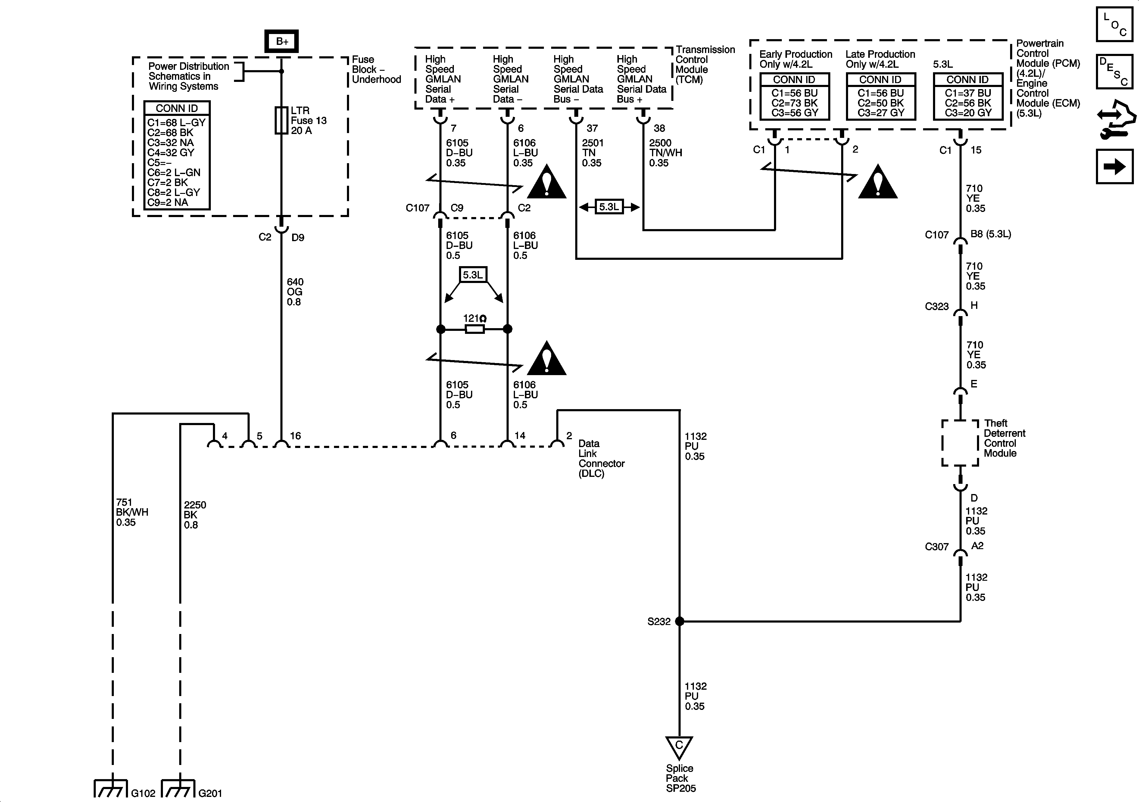
🢒 Power, Ground, Data Link Connector
Power, Ground, Data Link Connector
Power, Ground, and Data Link Connector
Master Electrical Component List
Data Link Communications Description and Operation
Control Module References
SP 205
COILS,HDM, HEADLAMP-LT, HEADLAMP-RT, HI HEADLAMP-LT, HI HEADLAMP-RT, IGN COILS, LO HEADLAMP-LT, LO HEADLAMP-RT, TRLR LT TRN, TRLR RT TRN, AND TRLR STOP/TURN Fuses
Computer/Integrating Systems Schematic Icons
Computer/Integrating Systems Schematic Icons
Computer/Integrating Systems Schematic Icons
G102
G201 - 1 of 2
SP 205