GM Service Manual Online
For 1990-2009 cars only
Makes
🢒
Saab
🢒
2006
🢒
9-7x
🢒 Brake Warning System Schematics
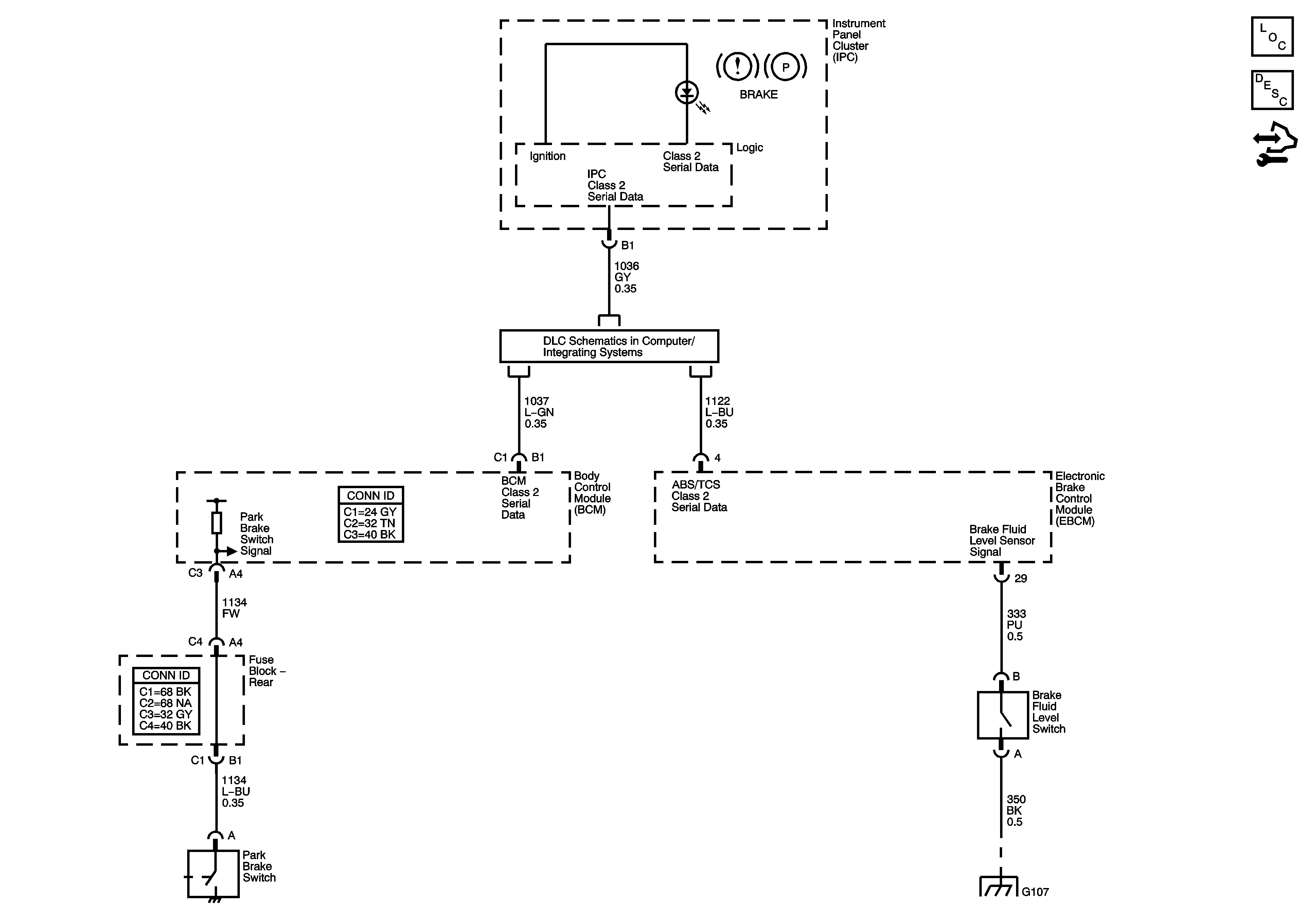
Brake Warning System Schematics
Master Electrical Component List
Brake Warning System Description and Operation
Control Module References
SP 205
G104, G105 and G107