GM Service Manual Online
For 1990-2009 cars only
Makes
🢒
Saab
🢒
2006
🢒
9-7x
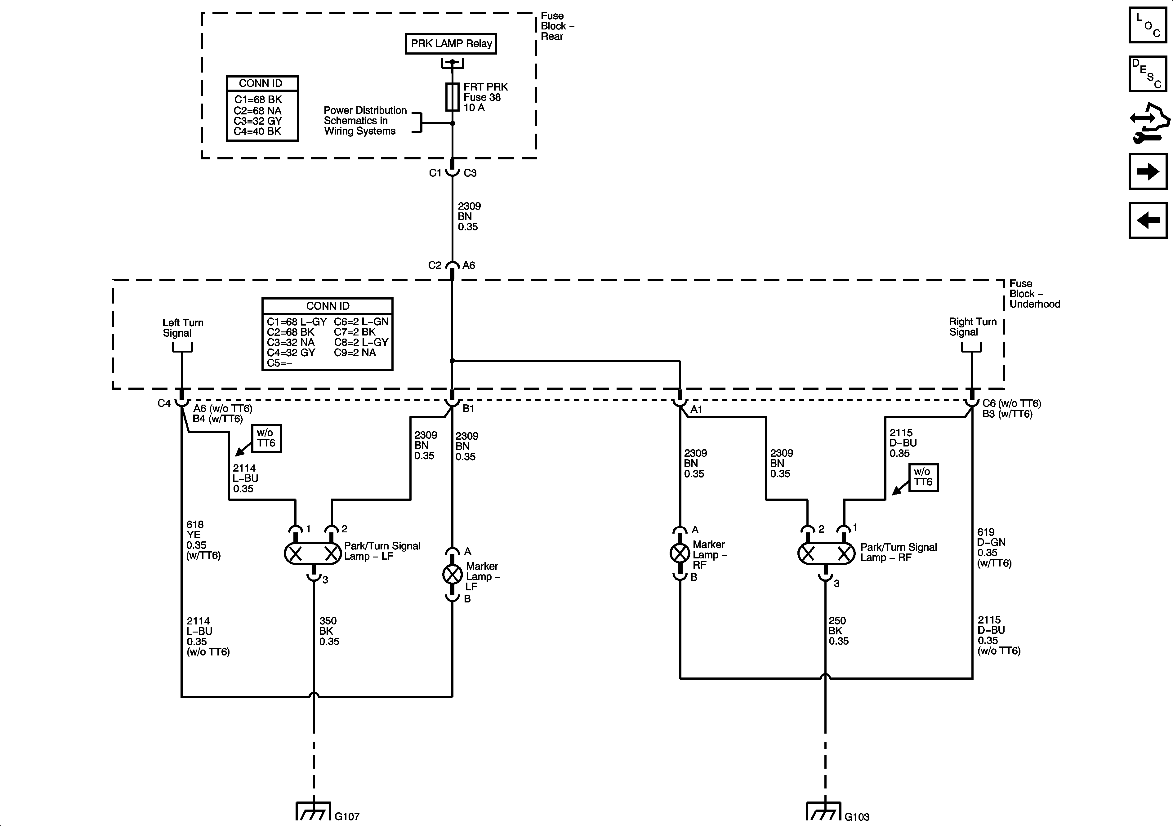
🢒 Marker and Front Park Lamps
Marker and Front Park Lamps
Marker and Front Park Lamps
Master Electrical Component List
Exterior Lighting Systems Description and Operation
Control Module References
Rear Park, Marker, and License Lamps
Park Lamp Relay
FRT PRK, LGM #2, LR PRK, RR PRK, TRLR PRK Fuses and REAR WPR Circuit Breaker
Park Lamp Relay
Left Turn Signal
G104, G105 and G107
G101, G103, G106, and G110
Right Turn Signal