GM Service Manual Online
For 1990-2009 cars only
Makes
🢒
Saab
🢒
2006
🢒
9-7x
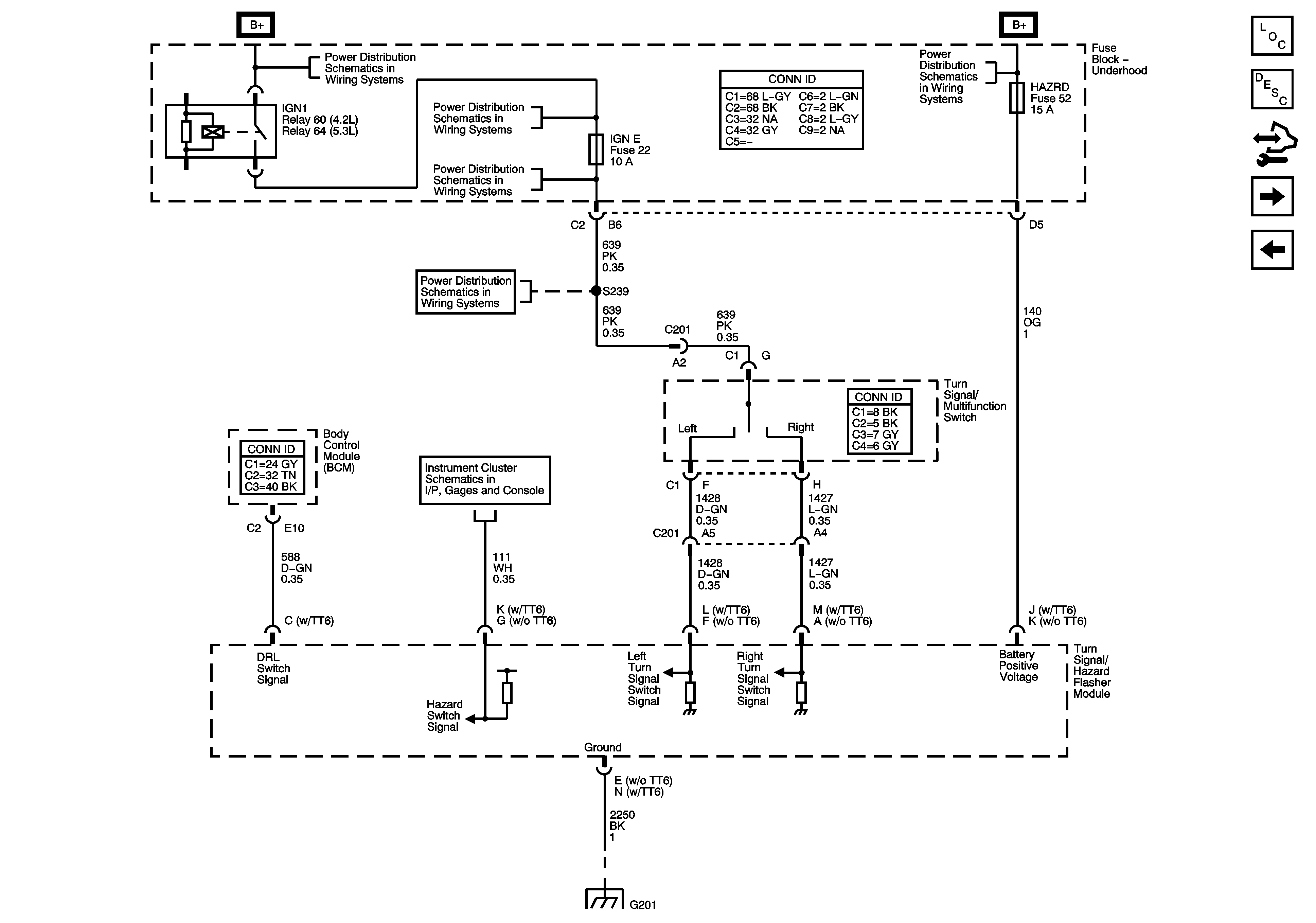
🢒 Turn Signal Lamps Controls
Turn Signal Lamps Controls
Turn Signal Lamps Controls
Master Electrical Component List
Exterior Lighting Systems Description and Operation
Control Module References
Left Turn Signal
Stop Lamps
B+ Bus - Underhood Fuse Block - 2 of 2
ENG I, INJA, INJB, O2 SNSR A, and O2 SNSR B Fuses - 5.3L
ENG I, INJA, INJB, O2 SNSR A, and O2 SNSR B Fuses - 5.3L
BCK/UP, BTSI, IGN E, and TRLR BCK/UP Fuses
Indicators and DIC Controls
G201 - 1 of 2
B+ Bus - Underhood Fuse Block - 1 of 2