GM Service Manual Online
For 1990-2009 cars only
Figure 1:

G101, G103, G106, and G110


Object Number: 1749197  Size: FS
Master Electrical Component List
Control Module References
G102
Figure 2:

G102


Object Number: 1749199  Size: FS
Master Electrical Component List
Control Module References
G104, G105, and G107
G101, G103, G106, and G110
Power and Grounding Schematic Icons
Figure 3:

G104, G105, and G107


Object Number: 1749201  Size: FS
Master Electrical Component List
Control Module References
G108
G102
Figure 4:

G108


Object Number: 1749203  Size: FS
Master Electrical Component List
Control Module References
G109
G104, G105, and G107
Figure 5:

G109


Object Number: 1749205  Size: FS
Master Electrical Component List
Control Module References
G201 - 1 of 2
G108
Figure 6:

G201 - 1 of 2


Object Number: 1749207  Size: FS
Master Electrical Component List
Control Module References
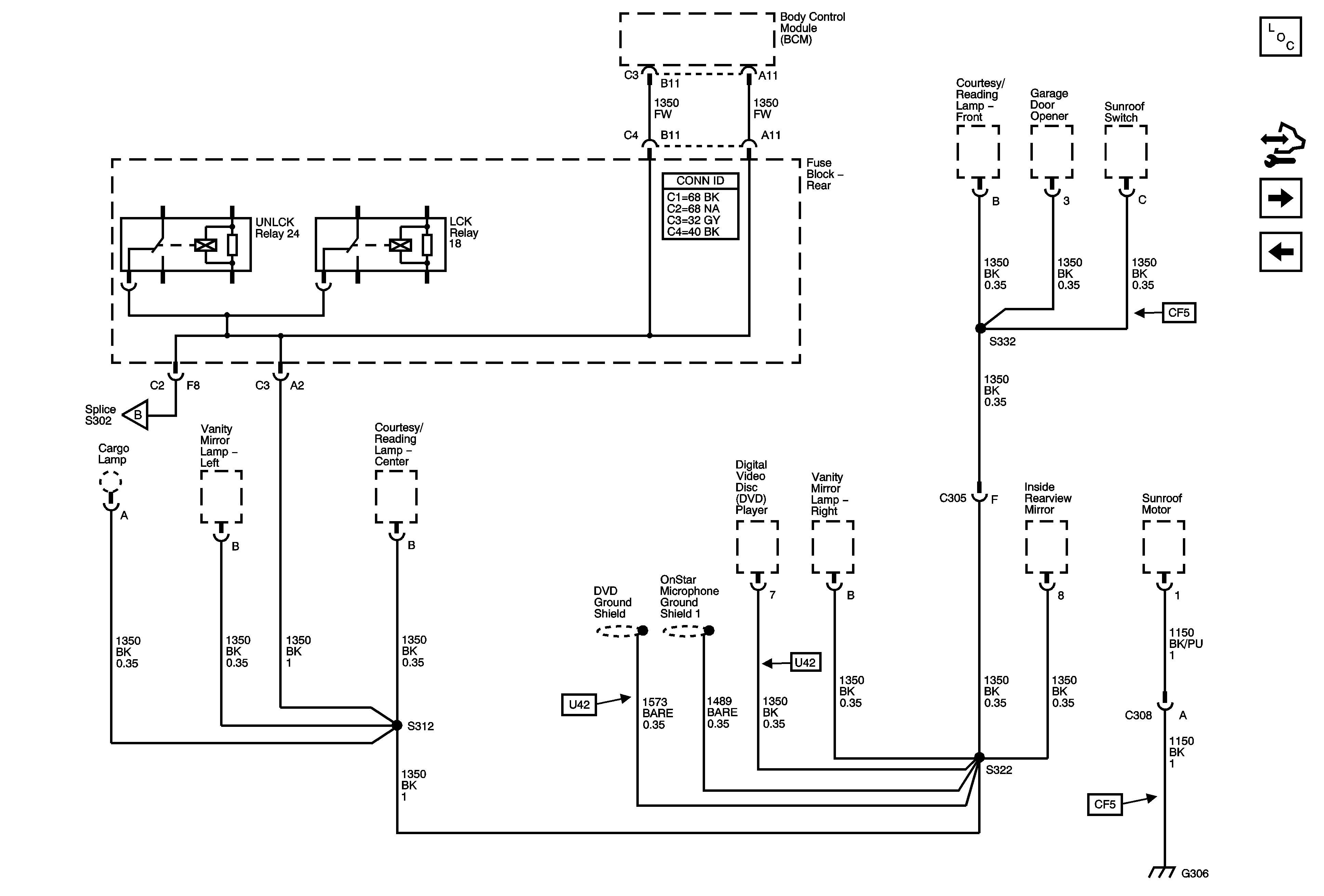
G201 - 2 of 2, and G305
G109
Power and Grounding Schematic Icons
G201 - 2 of 2, and G305
Figure 7:

G201 - 2 of 2, and G305


Object Number: 1749208  Size: FS
Master Electrical Component List
Control Module References
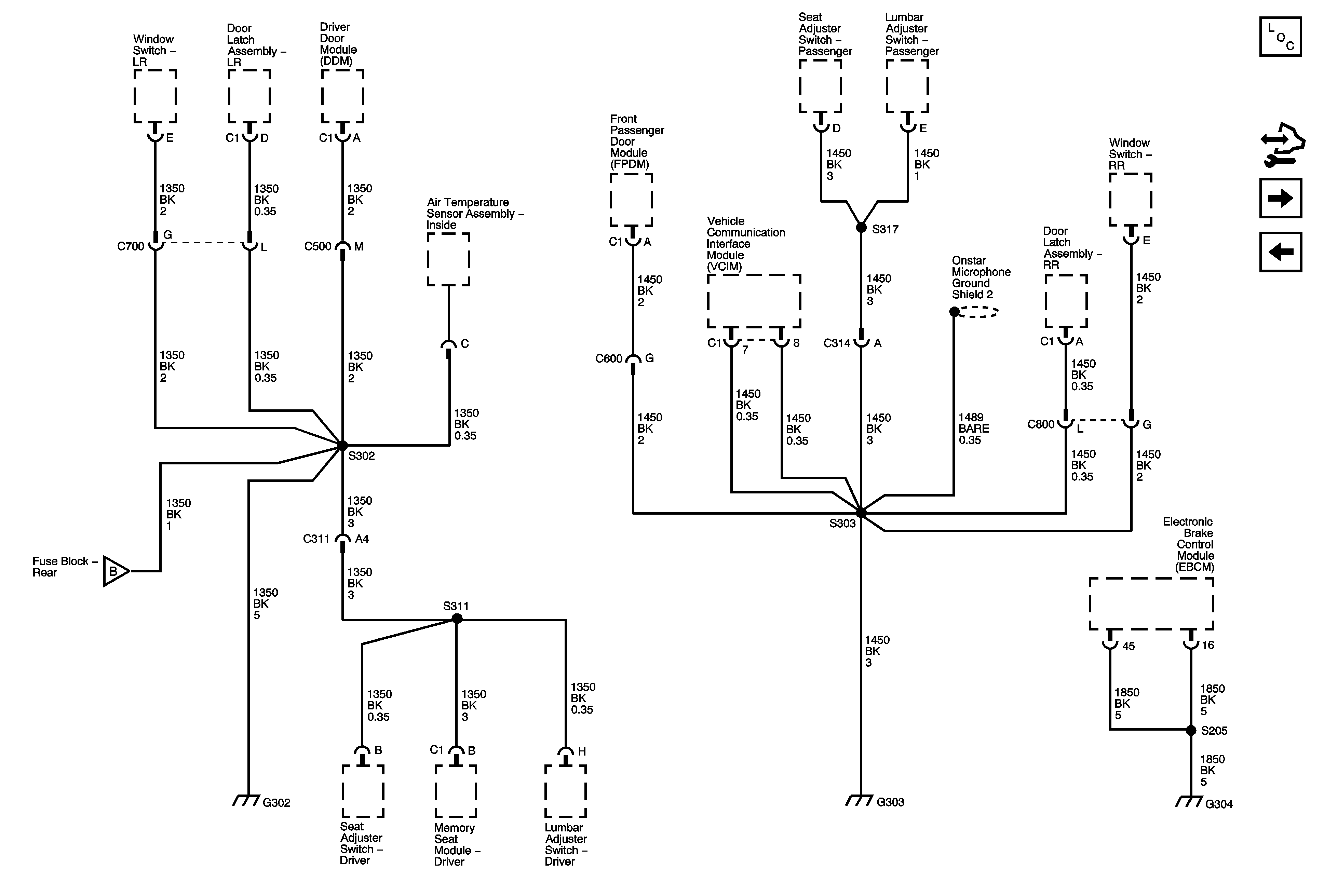
G302 - 1 of 2, G303, and G304
G201 - 1 of 2
G201 - 1 of 2
Figure 8:

G302 - 1 of 2, G303, and G304


Object Number: 1749216  Size: FS
Master Electrical Component List
Control Module References
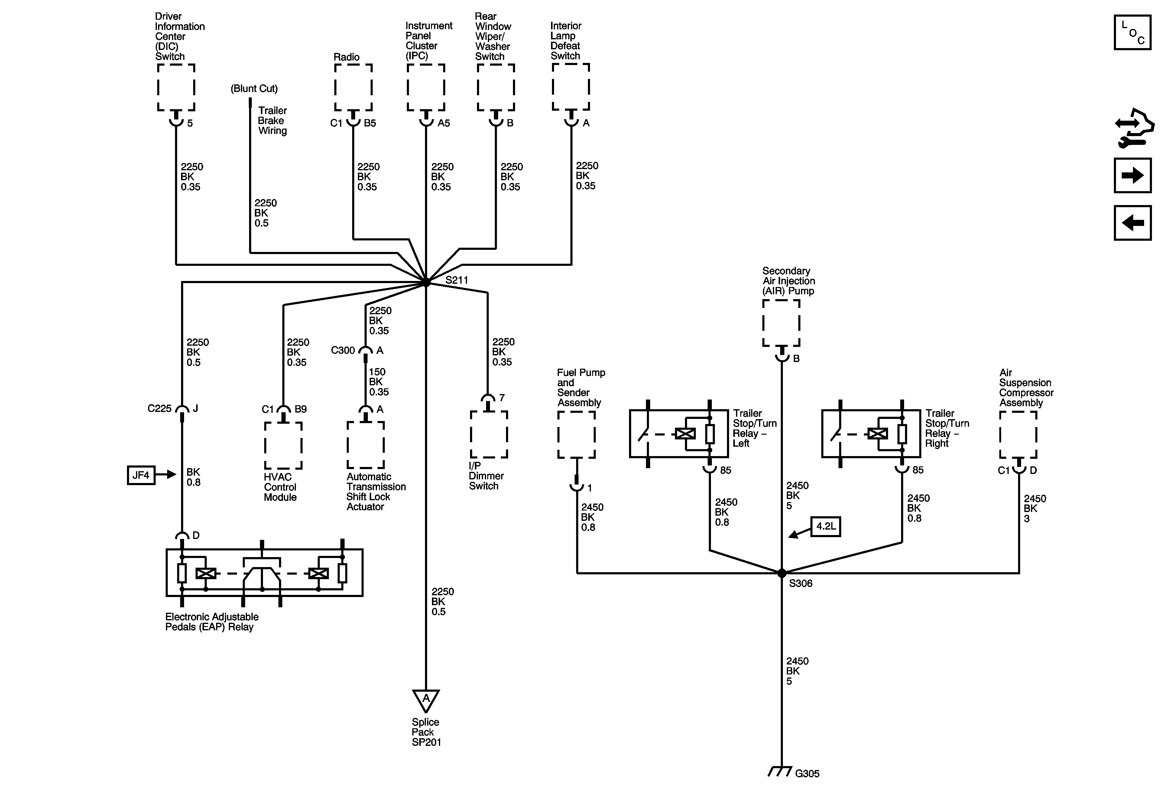
G302 - 2 of 2, and G306
G201 - 2 of 2, and G305
G302 - 2 of 2, and G306
Figure 9:

G302 - 2 of 2, and G306


Object Number: 1749219  Size: FS
Master Electrical Component List
Control Module References
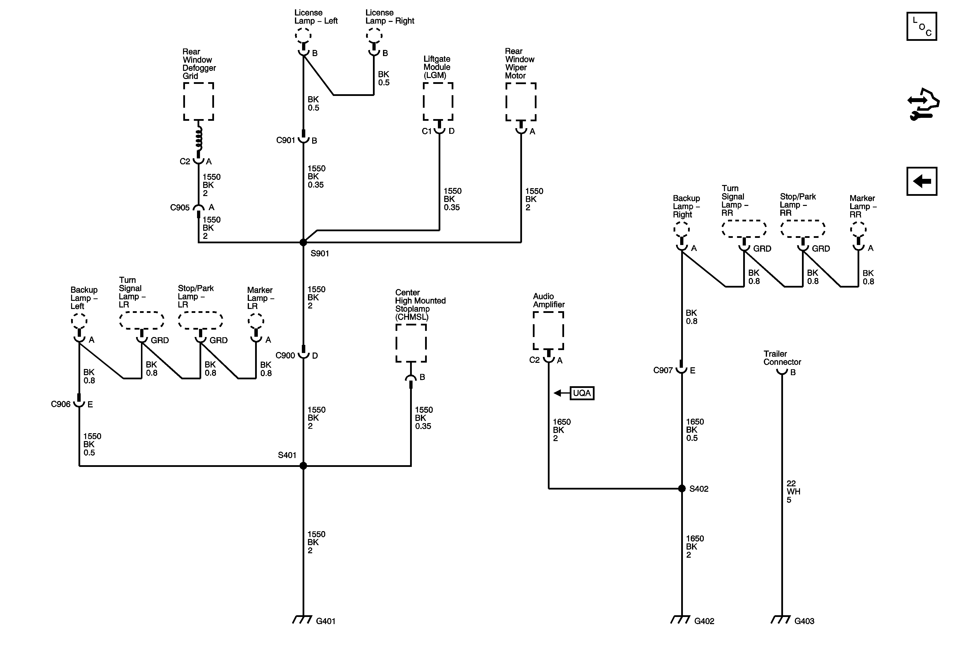
G401, G402, and G403
G302 - 1 of 2, G303, and G304
G302 - 1 of 2, G303, and G304
Figure 10:

G401, G402, and G403


Object Number: 1749221  Size: FS
Master Electrical Component List
Control Module References
G302 - 2 of 2, and G306