GM Service Manual Online
For 1990-2009 cars only
Makes
🢒
Saab
🢒
2007
🢒
9-7x
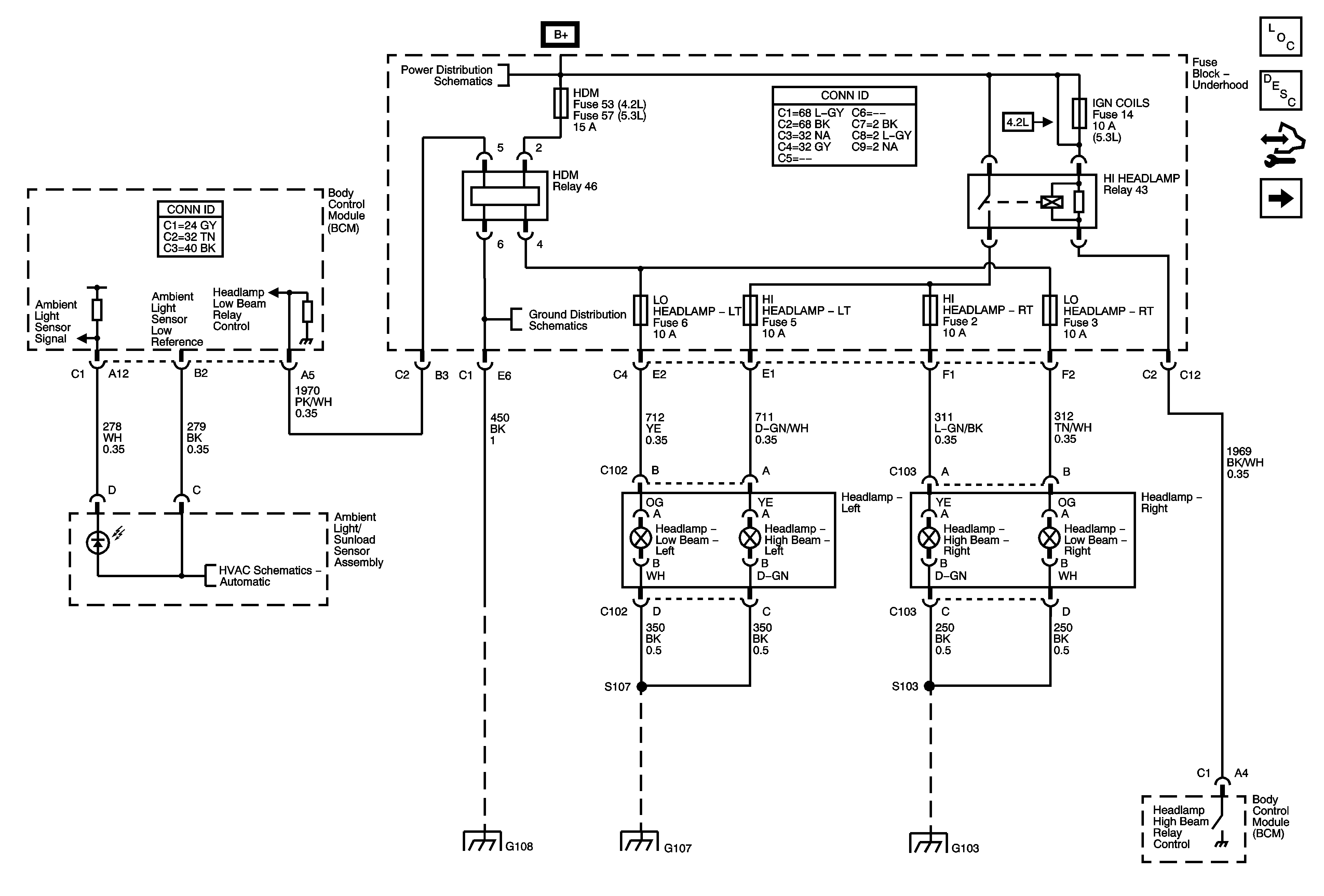
🢒 Headlamps (w/o TT6)
Headlamps (w/o TT6)
Headlamps (w/o TT6)
Master Electrical Component List
Exterior Lighting Systems Description and Operation
Control Module References
Headlamps (w/TT6)
B+ BUS - Underhood Fuse Block - 2 of 2
Ambient Light/Sunload Sensor
G108
G104, G105, and G107
G101, G103, G106, and G110