GM Service Manual Online
For 1990-2009 cars only
Makes
🢒
Saab
🢒
2007
🢒
9-7x
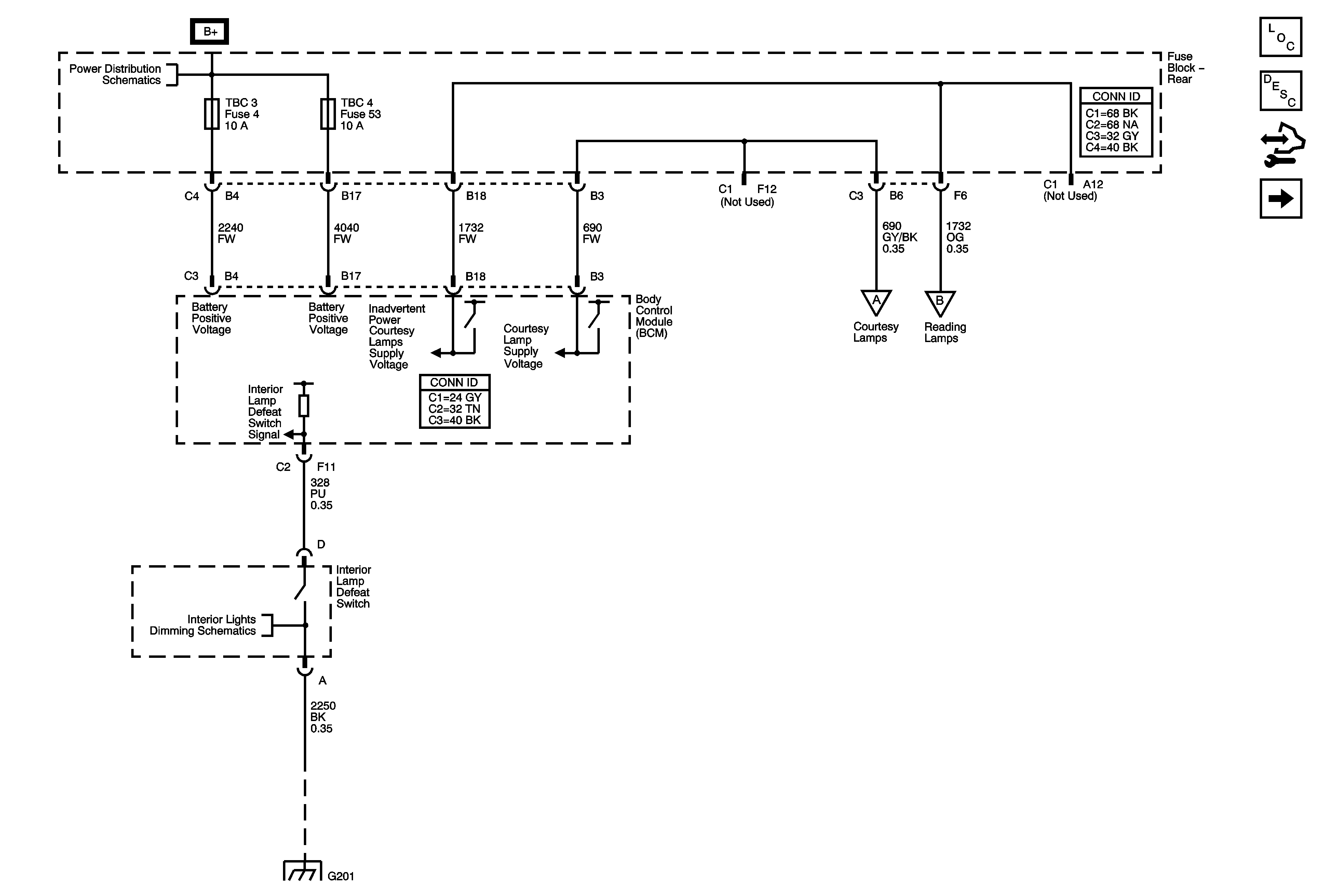
🢒 Interior Lamps Controls
Interior Lamps Controls
Interior Lamps Controls
Master Electrical Component List
Interior Lighting Systems Description and Operation
Control Module References
Interior Lamps
B+ BUS - Rear Fuse Block
Interior Lamps
Interior Lamps
I/P Dimming Supply - 1 of 2
G201 - 1 of 2