GM Service Manual Online
For 1990-2009 cars only
Makes
🢒
Saab
🢒
2007
🢒
9-7x
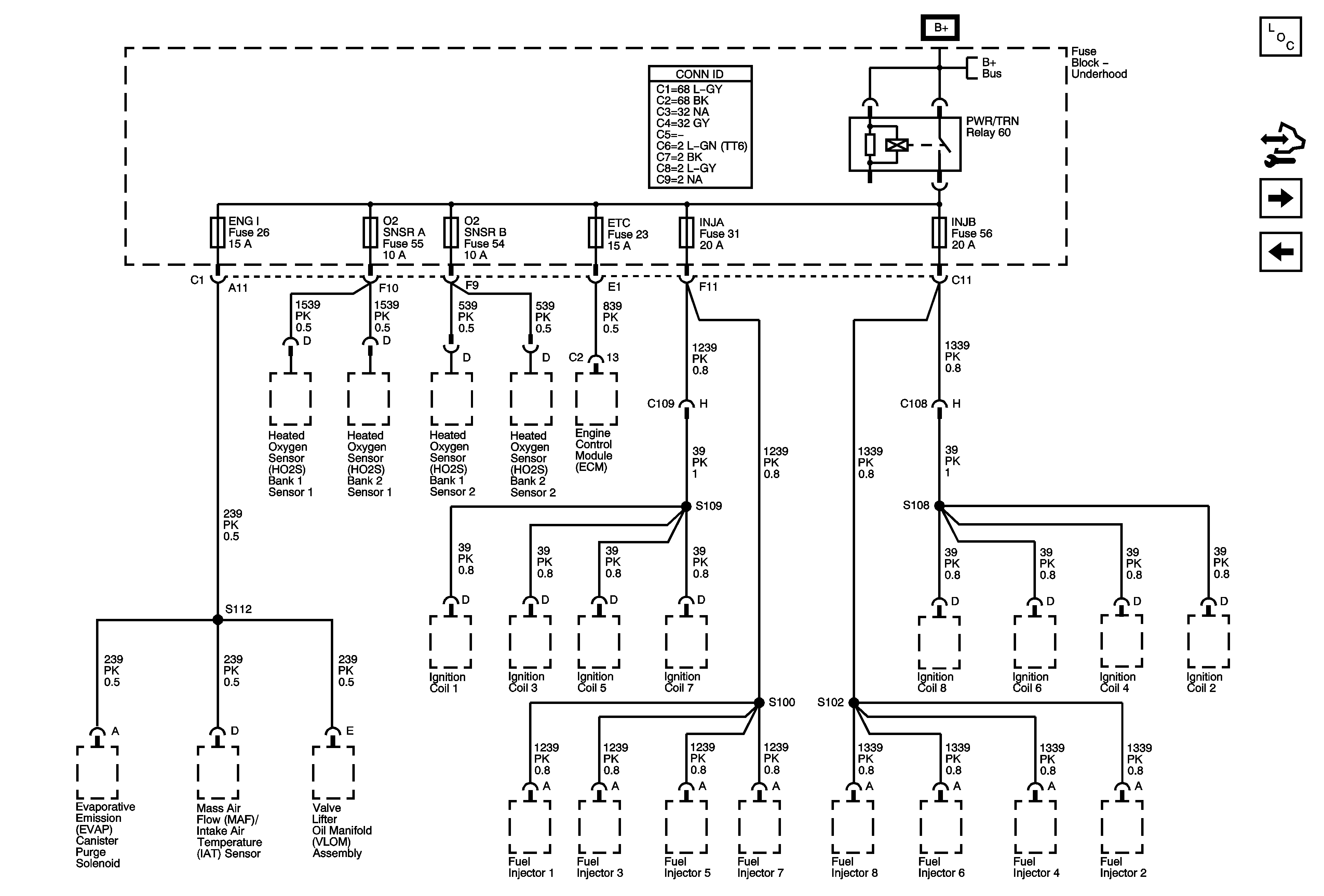
🢒 ENG I, ETC, INJA, INJB, O2 SNSR A, and O2 SNSR B Fuses - 5.3L
ENG I, ETC, INJA, INJB, O2 SNSR A, and O2 SNSR B Fuses - 5.3L
ENG I, ETC, INJA, INJB, O2 SNSR A, and O2 SNSR B Fuses - 5.3L
Master Electrical Component List
Control Module References
BCK/UP, BTSI, IGN E, and TRLR BCK/UP Fuses
O2 SNSR and ETC Fuses - 4.2L
B+ BUS - Underhood Fuse Block - 2 of 2