GM Service Manual Online
For 1990-2009 cars only
Makes
🢒
Saab
🢒
2008
🢒
9-7x
🢒
Diagnostic Navigation
🢒
Vehicle Diagnostic Information
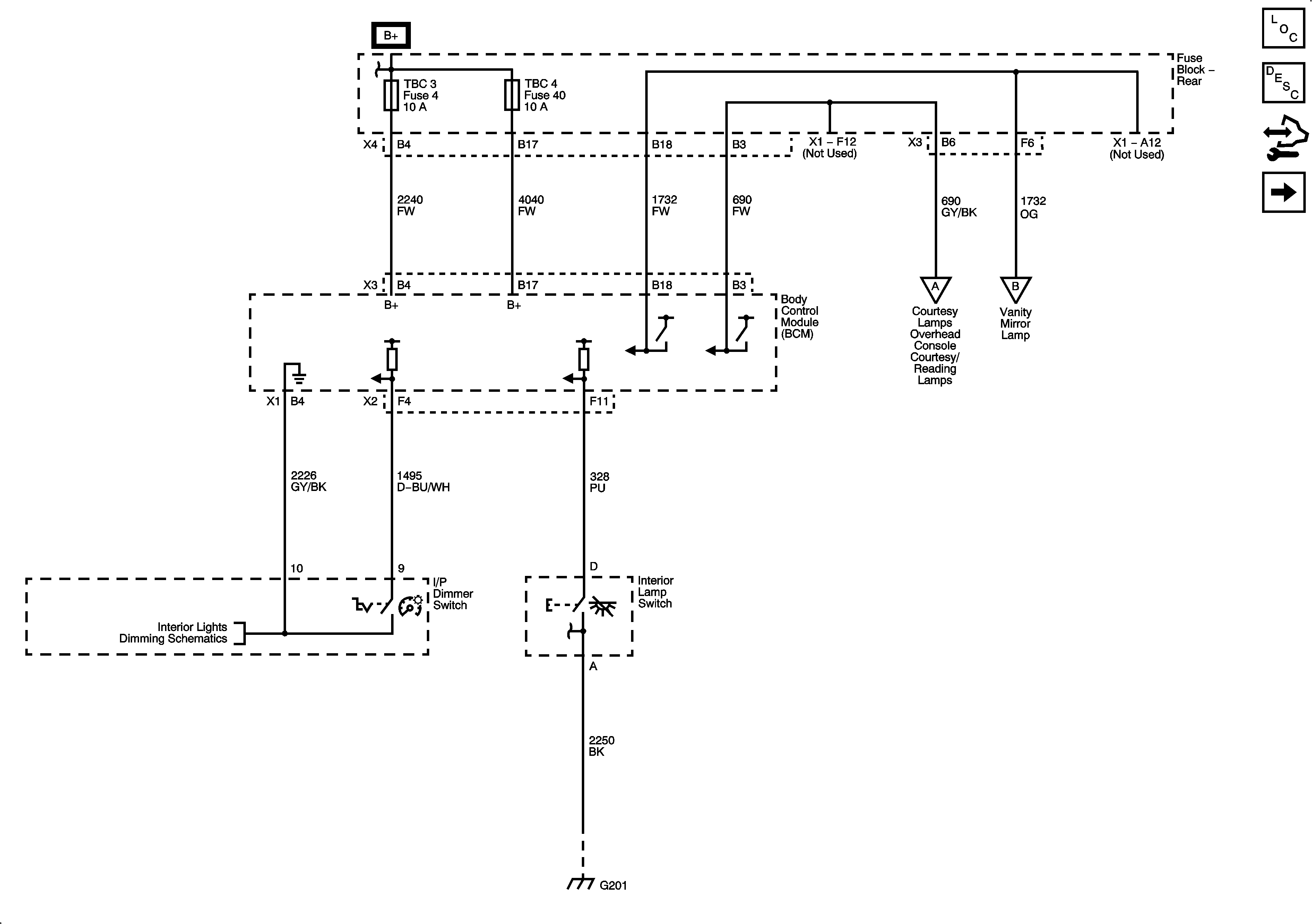
🢒 Interior Lights Schematics
Figure
1:
Interior Lamps Controls
Master Electrical Component List
Interior Lighting Systems Description and Operation
Control Module References
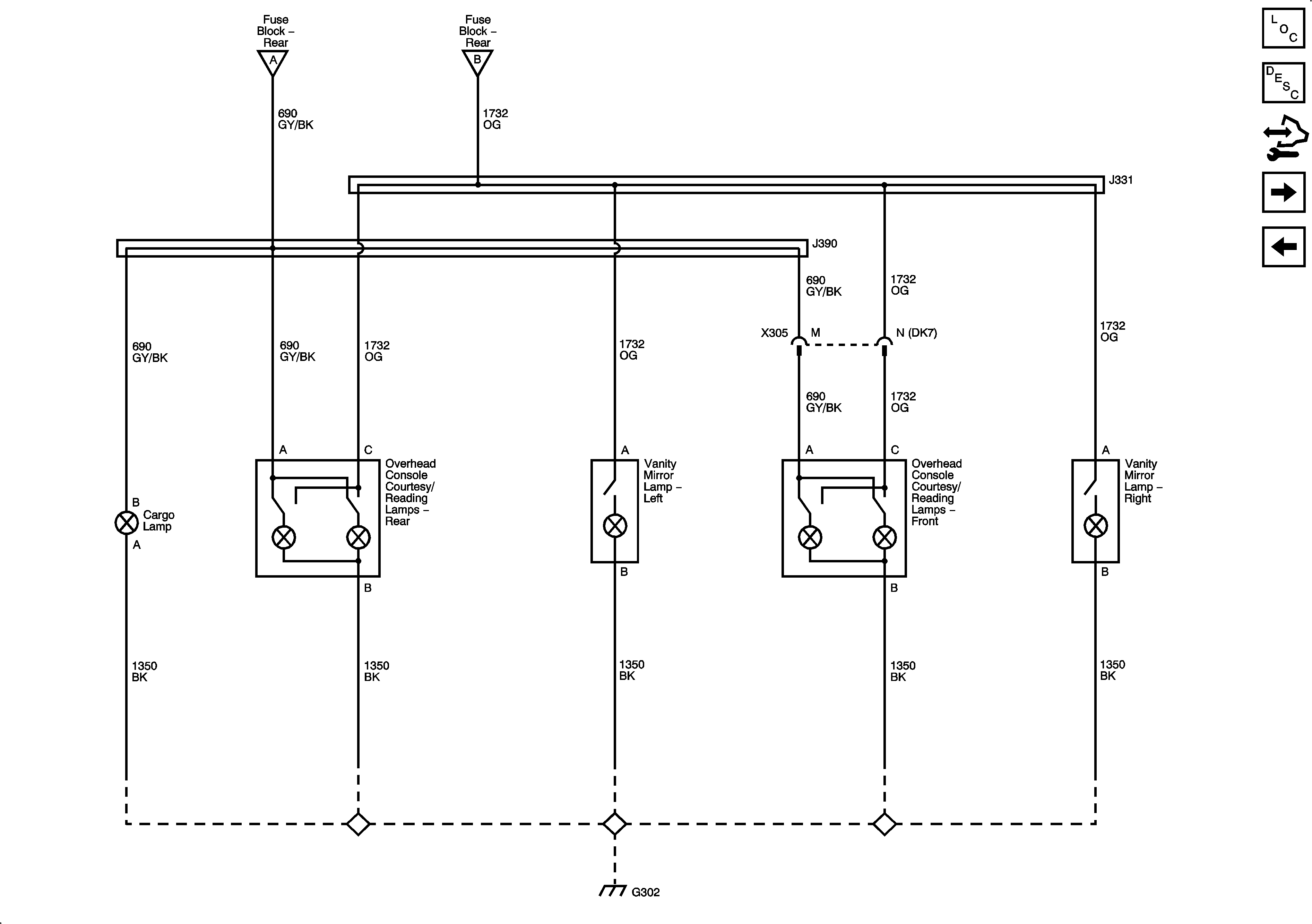
Interior Lamps
Figure
2:
Interior Lamps
Master Electrical Component List
Interior Lighting Systems Description and Operation
Control Module References
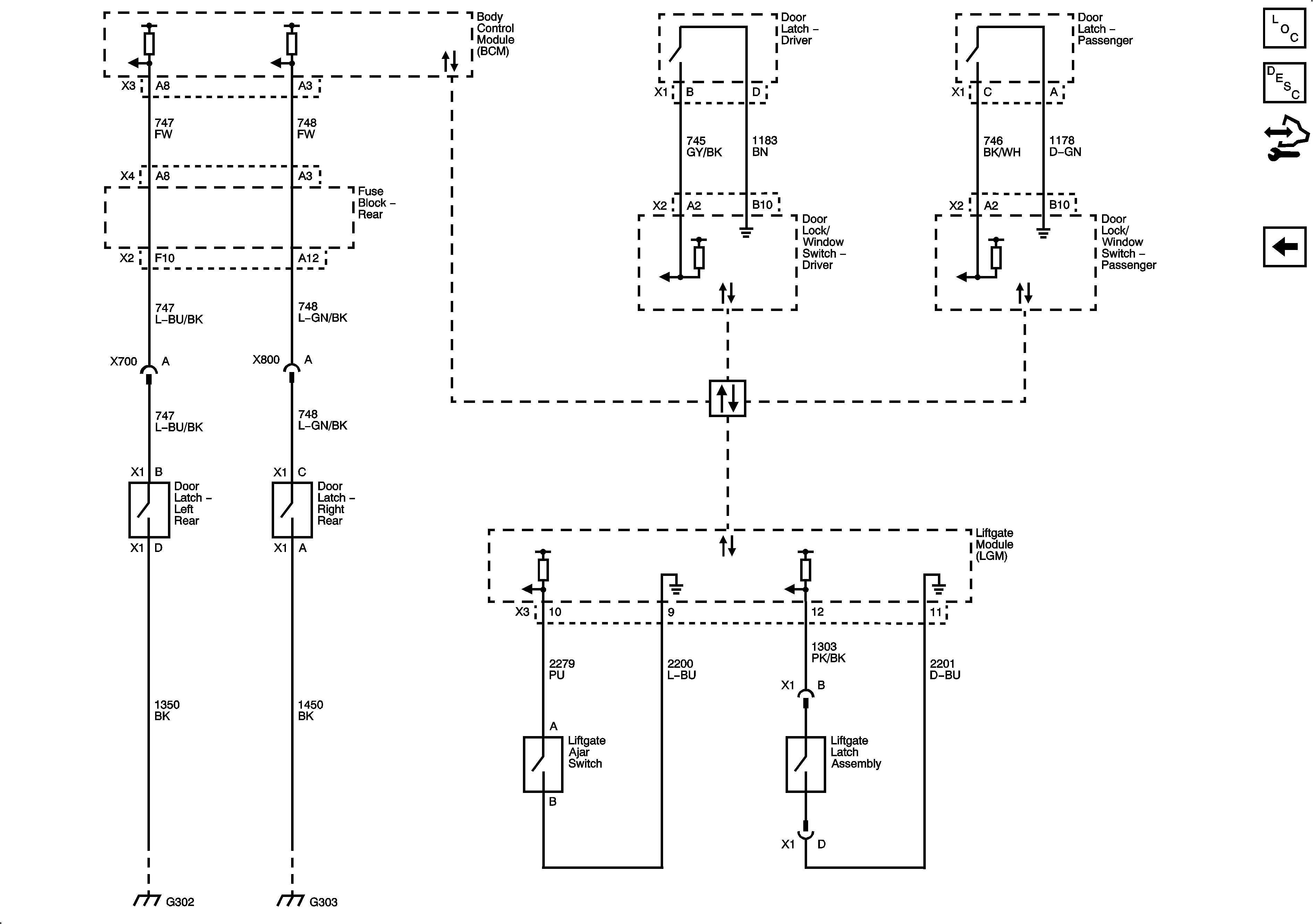
Door Switch and Liftgate Inputs
Interior Lamps Controls
Figure
3:
Door Switch and Liftgate Inputs
Master Electrical Component List
Interior Lighting Systems Description and Operation
Control Module References
Interior Lamps