GM Service Manual Online
For 1990-2009 cars only
Makes
🢒
Saab
🢒
2008
🢒
9-7x
🢒
Suspension
🢒
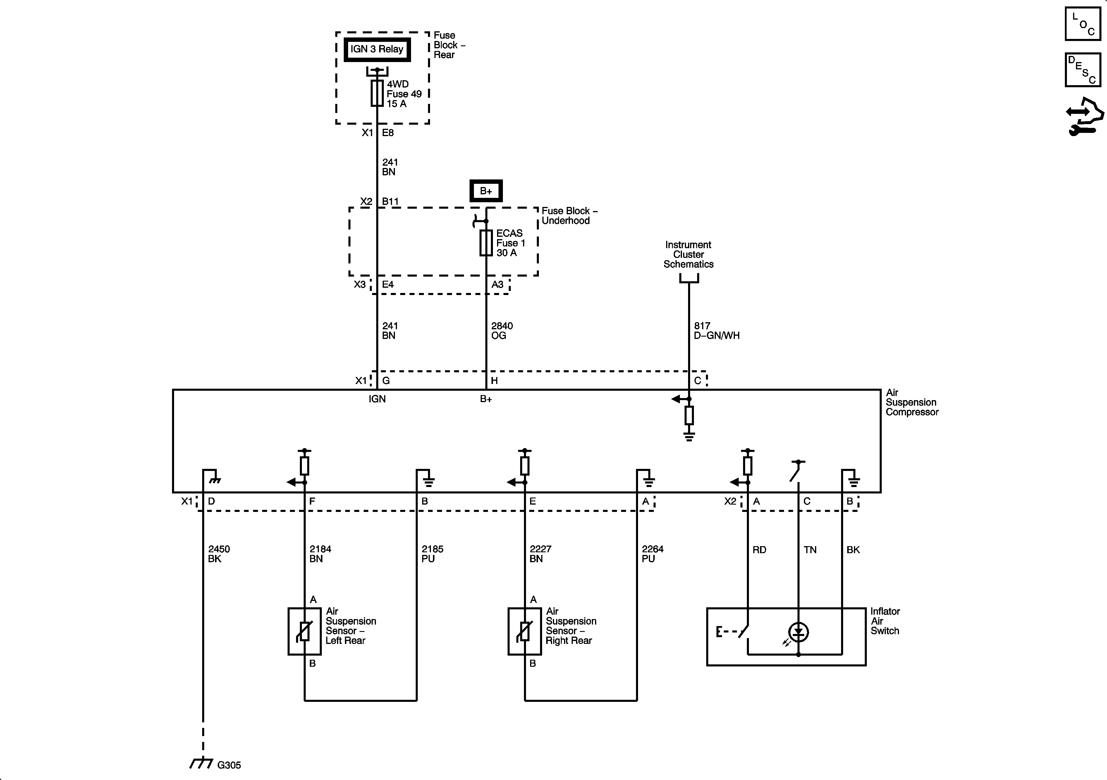
Air Suspension
🢒 Air Suspension Schematics
Master Electrical Component List
Air Suspension Description and Operation
Control Module References