GM Service Manual Online
For 1990-2009 cars only
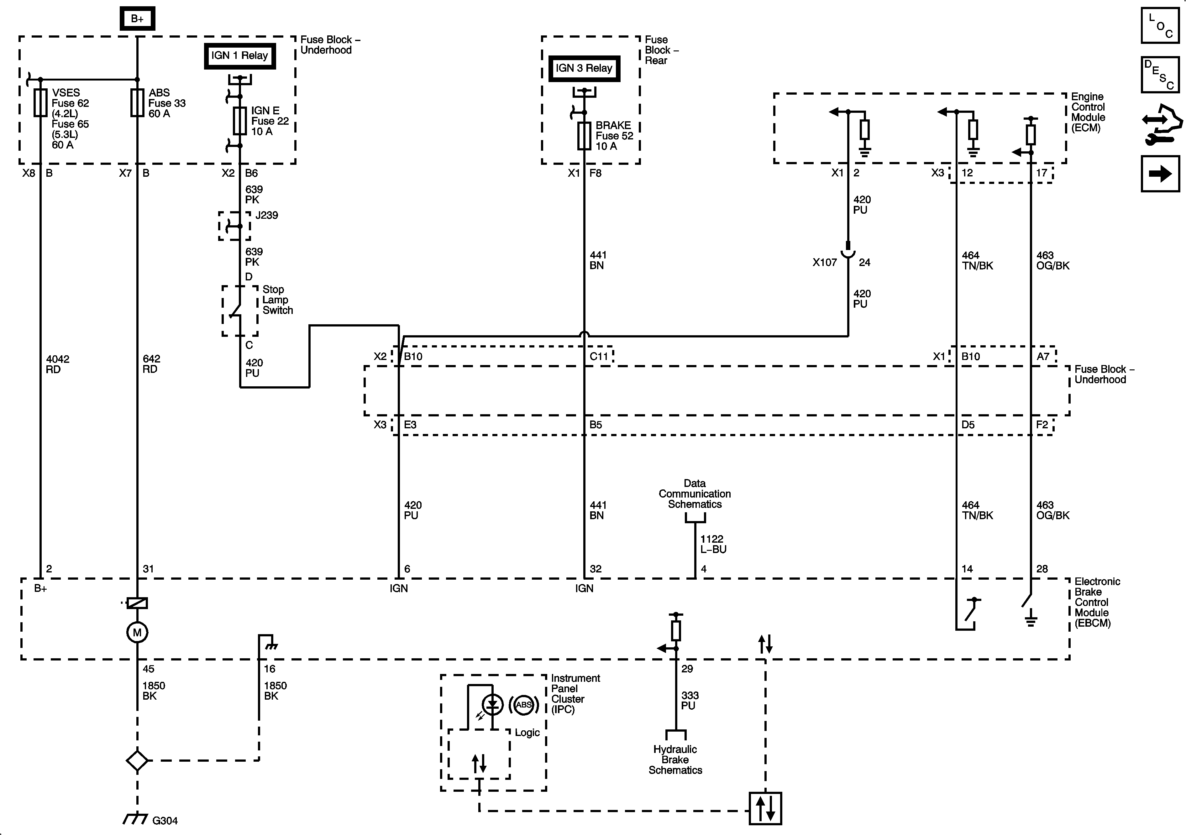
Figure 1:

EBCM Power, Ground, Serial Data, Indicator, and Signal Circuits


Object Number: 1924871  Size: FS
Master Electrical Component List
ABS Description and Operation
Control Module References
Wheel Speed Sensors and Yaw Rate/Lateral Acceleration Sensor
Figure 2:

Wheel Speed Sensors and Yaw Rate/Lateral Acceleration Sensor


Object Number: 1924876  Size: FS
Master Electrical Component List
ABS Description and Operation
Control Module References
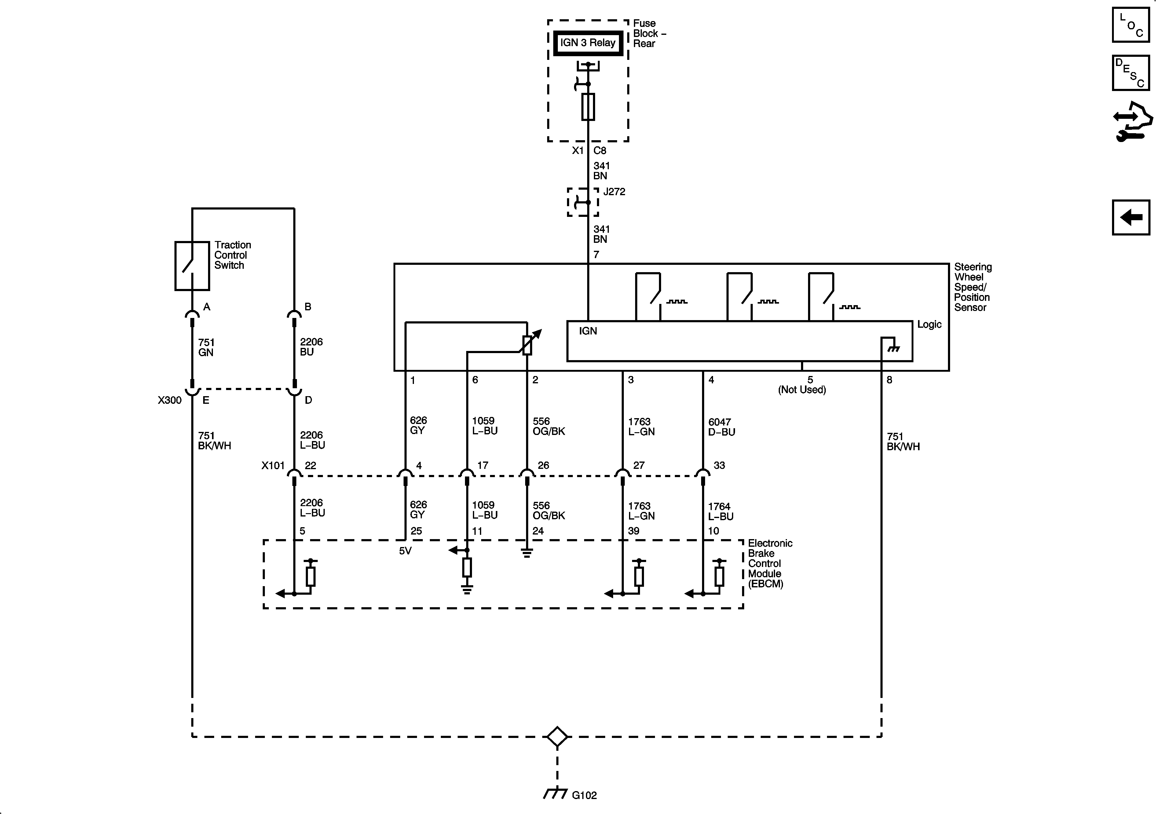
Steering Wheel Speed/Position Sensor and Traction Control Switch
EBCM Power, Ground, Serial Data, Indicator, and Signal Circuits
Figure 3:

Steering Wheel Speed/Position Sensor and Traction Control Switch


Object Number: 1924881  Size: FS
Master Electrical Component List
ABS Description and Operation
Control Module References
Wheel Speed Sensors and Yaw Rate/Lateral Acceleration Sensor