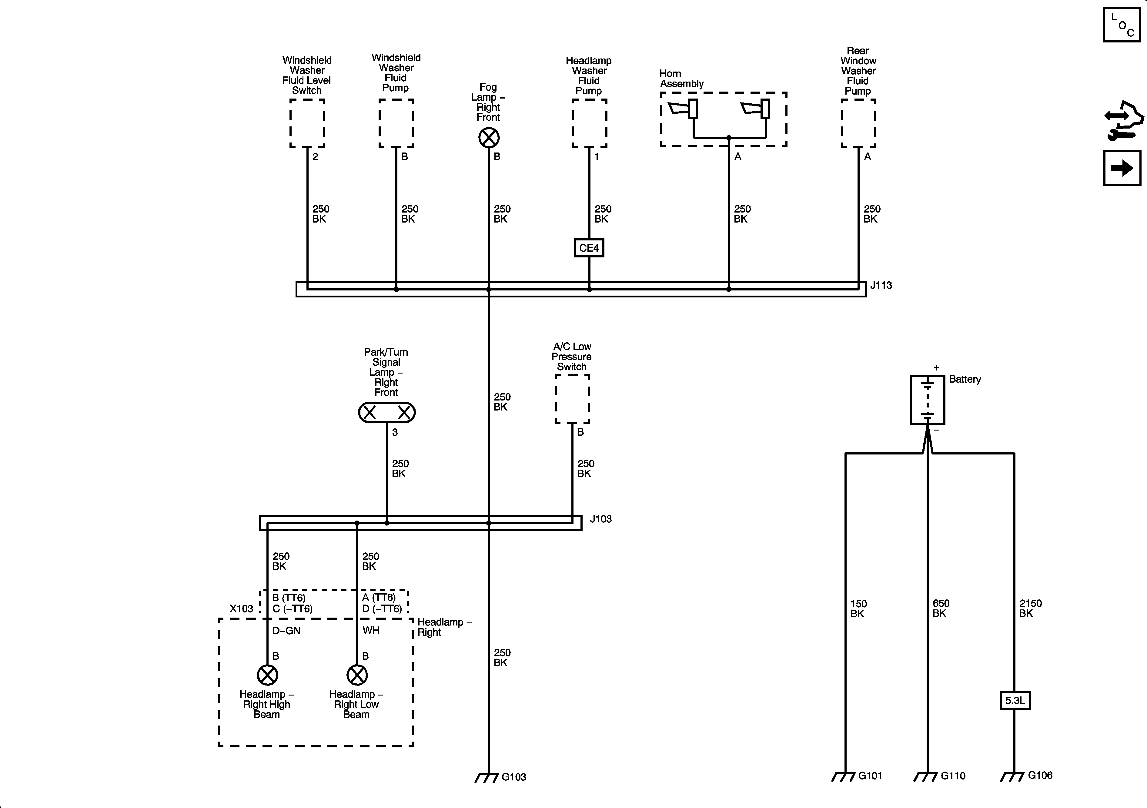
| Figure 1: |
G101, G103, G106, and G110
|
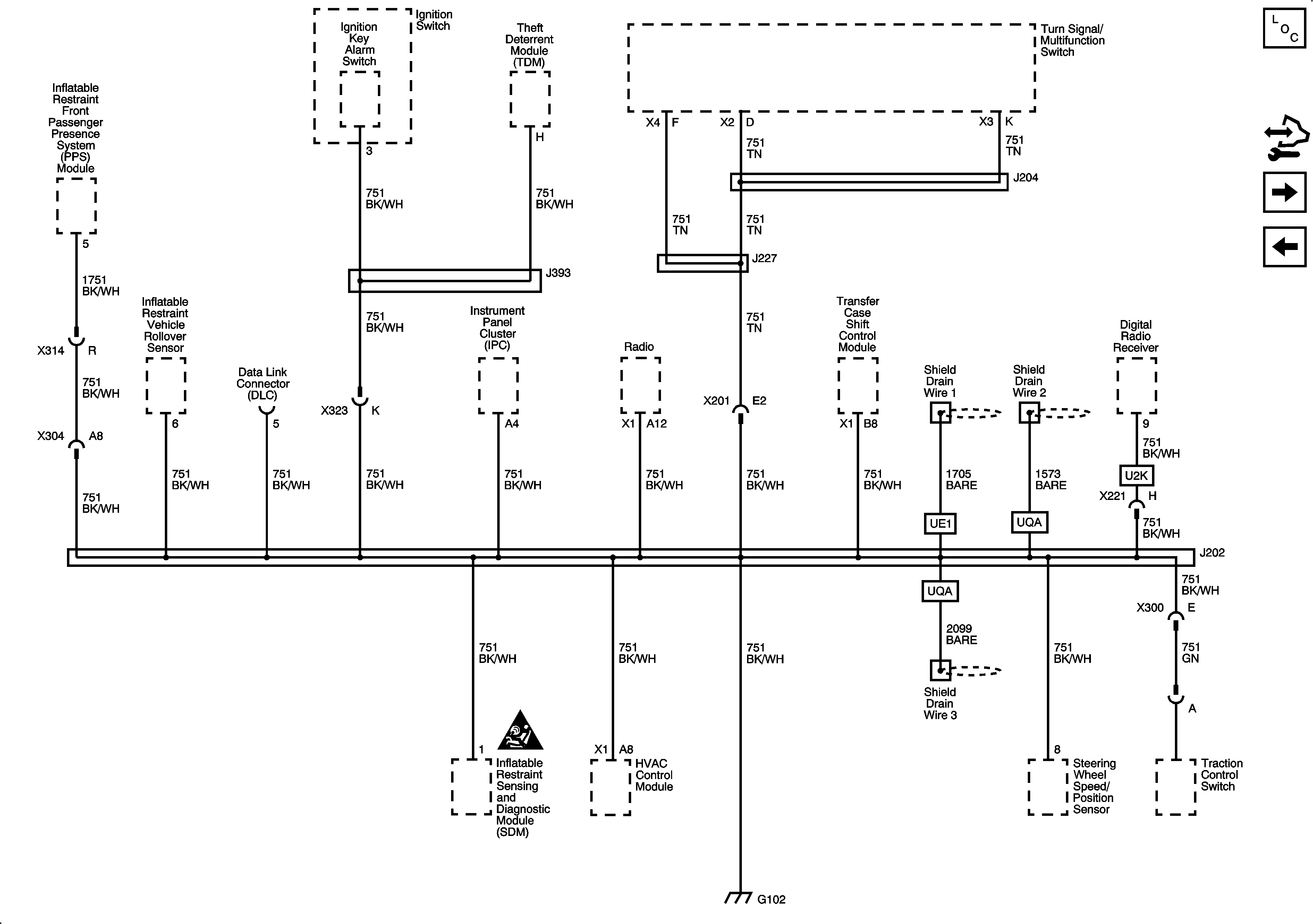
| Figure 2: |
G102
|
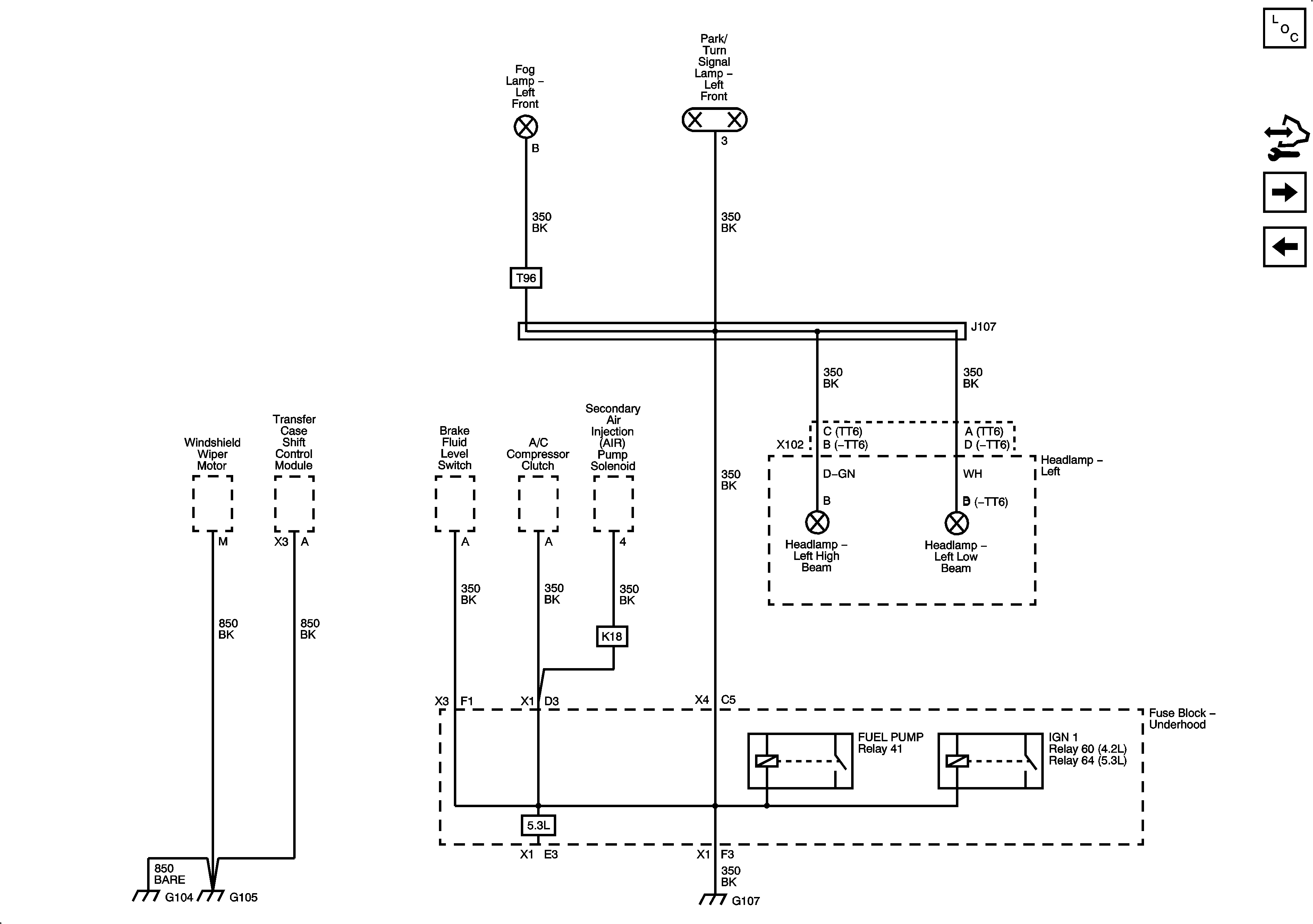
| Figure 3: |
G104, G105, and G107
|
| Figure 4: |
G108
|
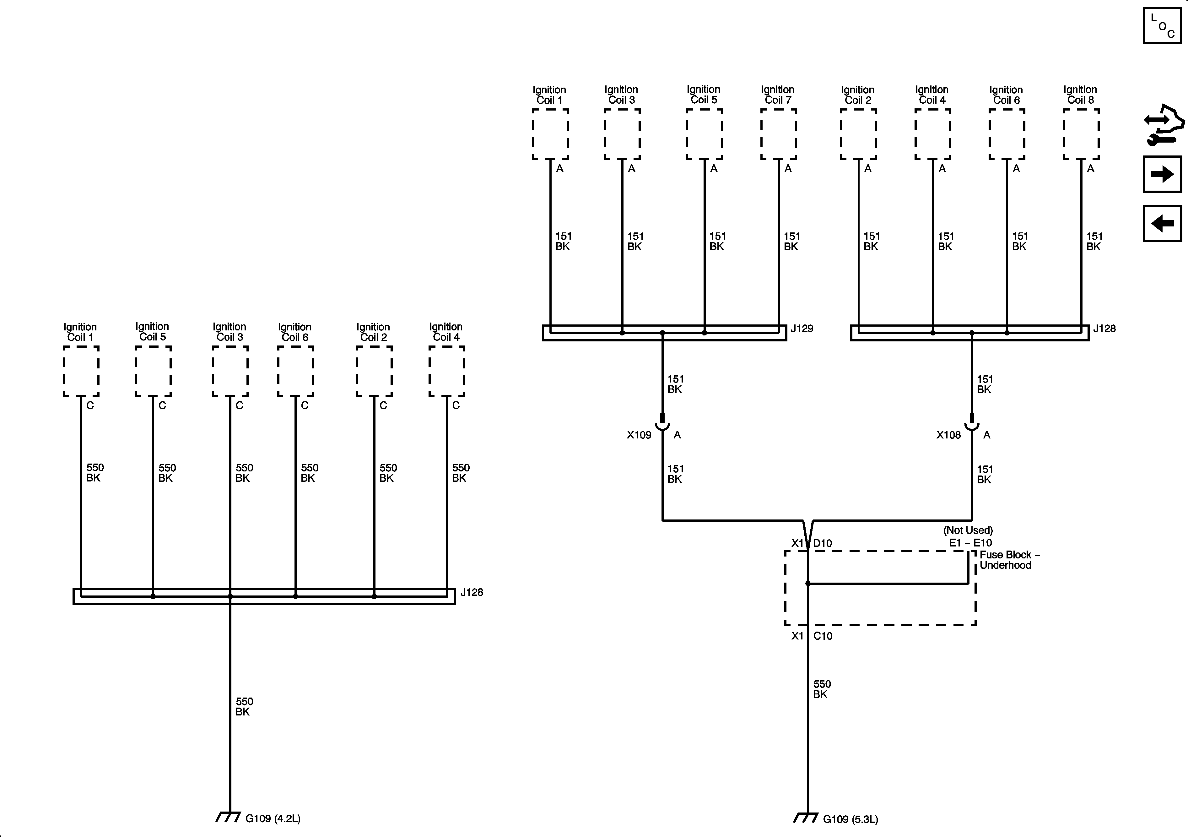
| Figure 5: |
G109
|
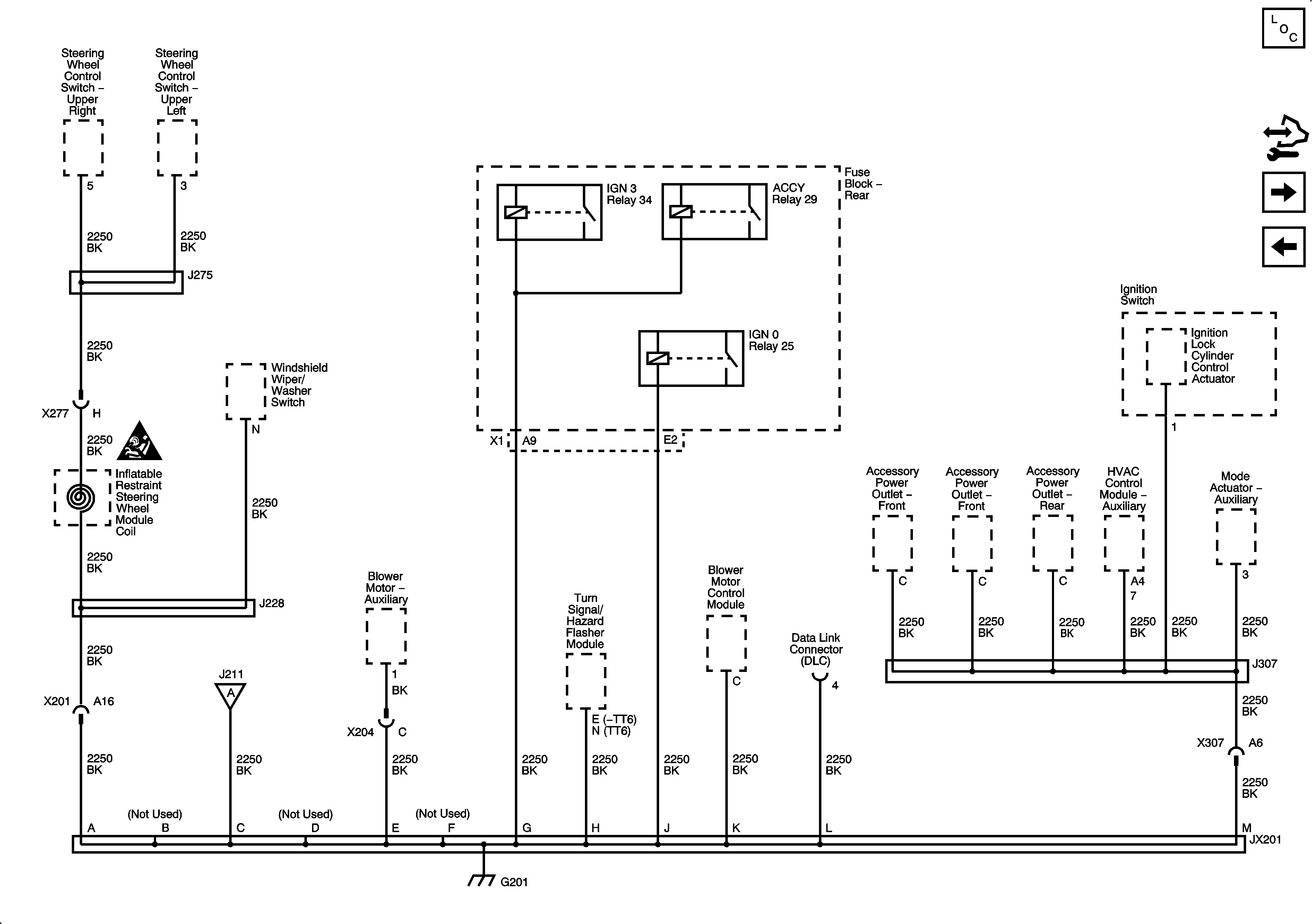
| Figure 6: |
G201 - 1 of 2
|
| Figure 7: |
G201 - 2 of 2, and G305
|
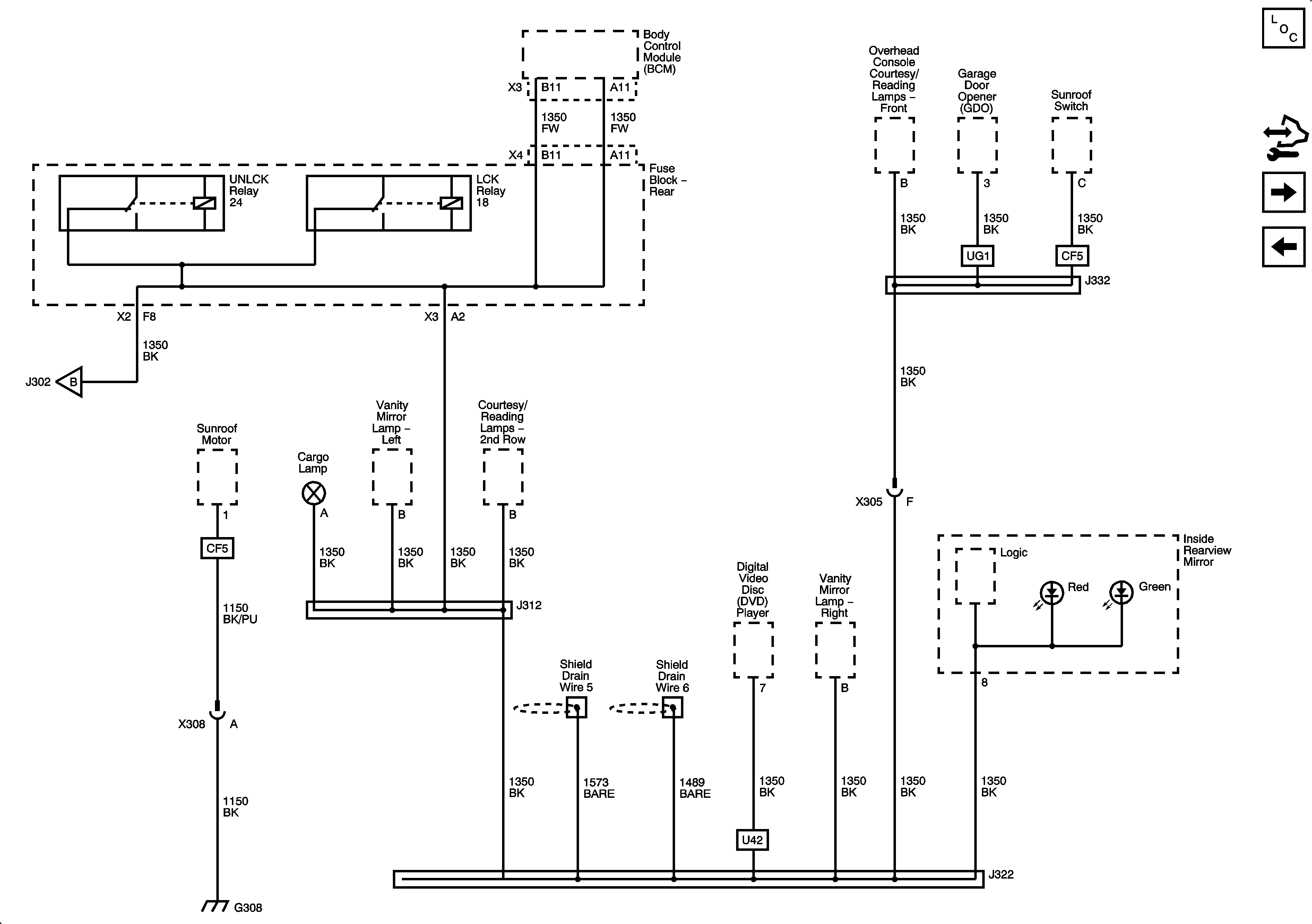
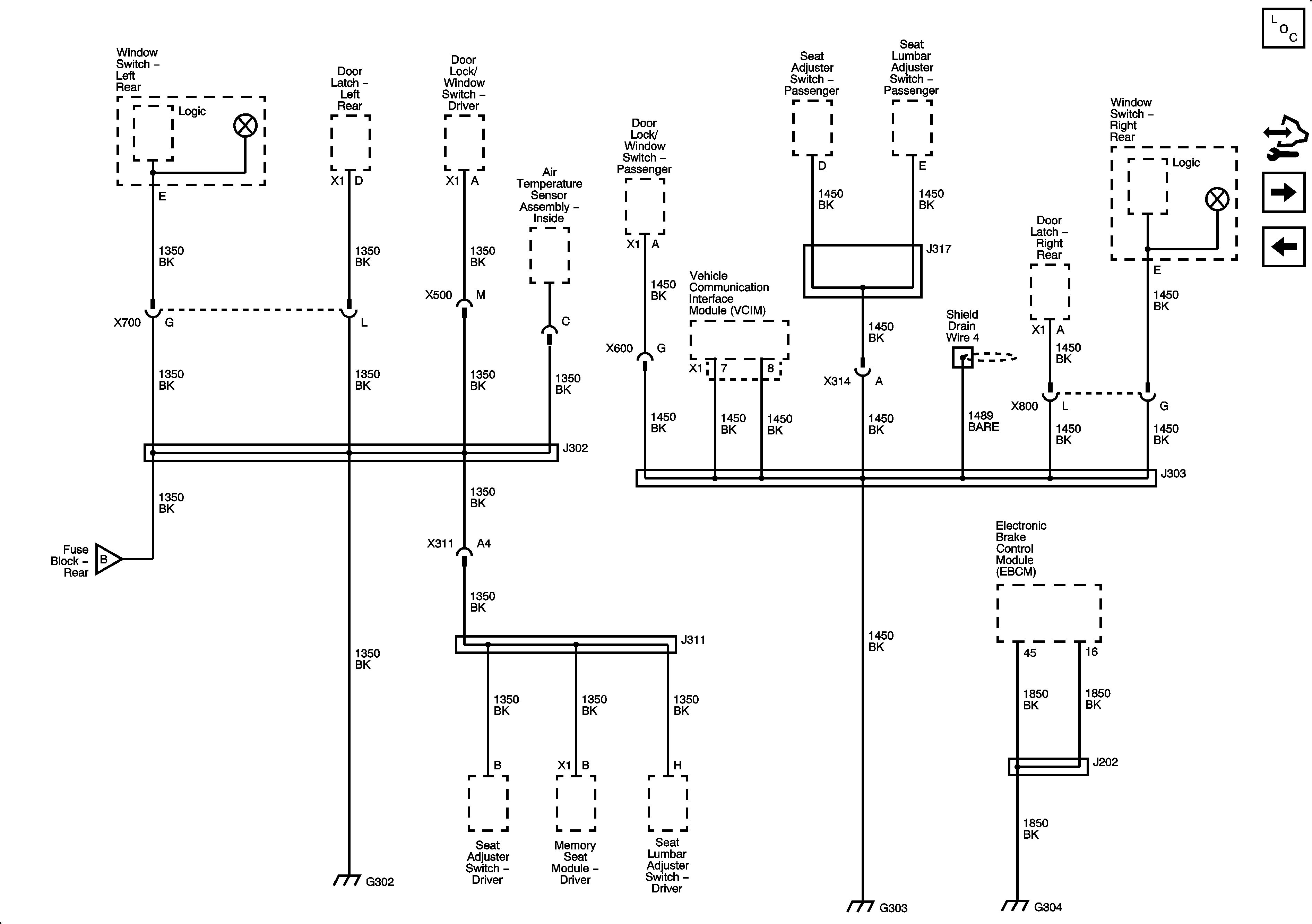
| Figure 8: |
G302 - 1 of 2, G303, and G304
|
| Figure 9: |
G302 - 2 of 2, and G308
|
| Figure 10: |
G401, G402, and G403
|