GM Service Manual Online
For 1990-2009 cars only
Makes
🢒
Saab
🢒
2008
🢒
9-7x
🢒
Seats
🢒
Seat Heating and Cooling
🢒 Heated/Cooled Seat Schematics
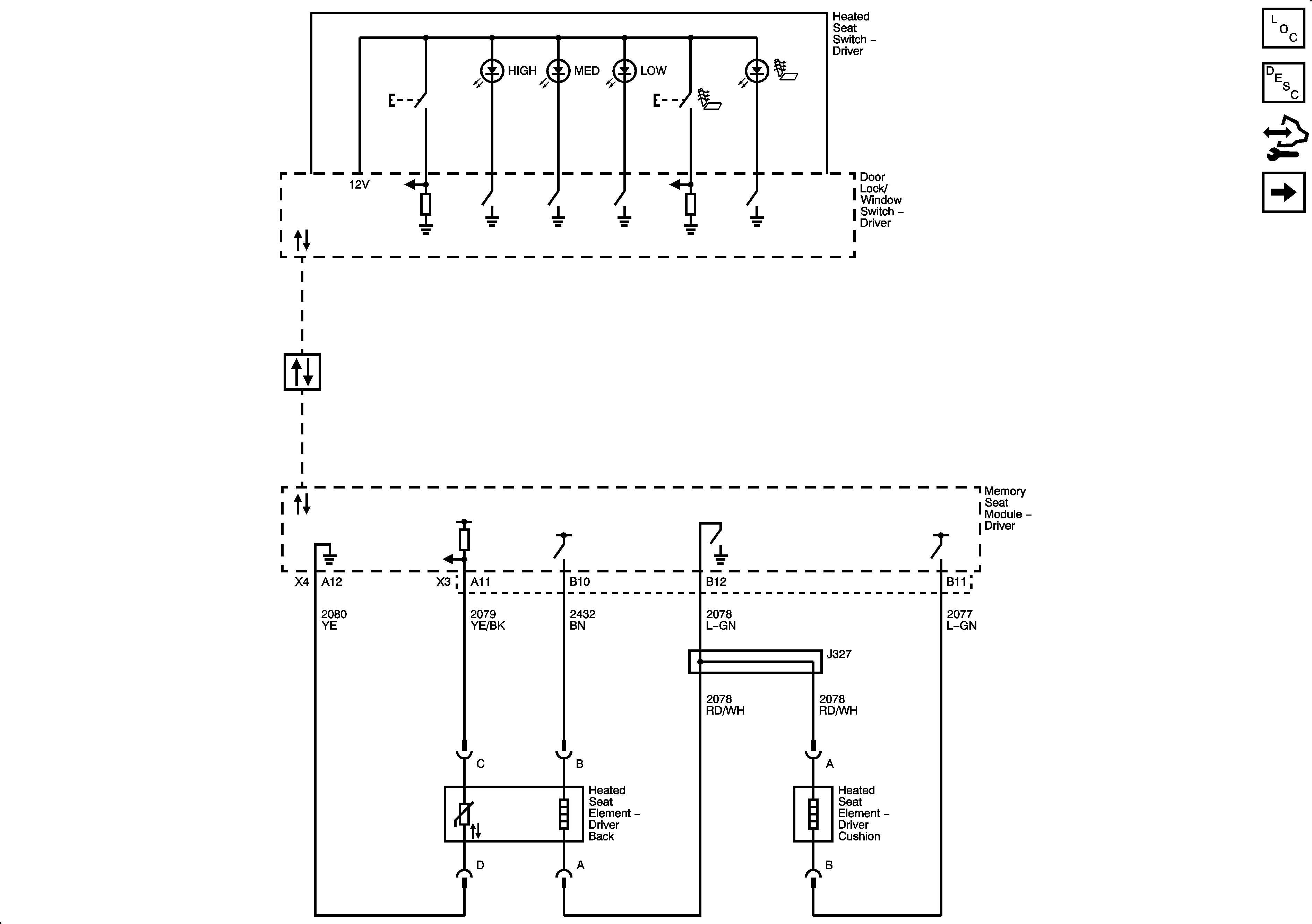
Figure
1:
Driver Heat Controls
Master Electrical Component List
Heated Seats Description and Operation
Control Module References
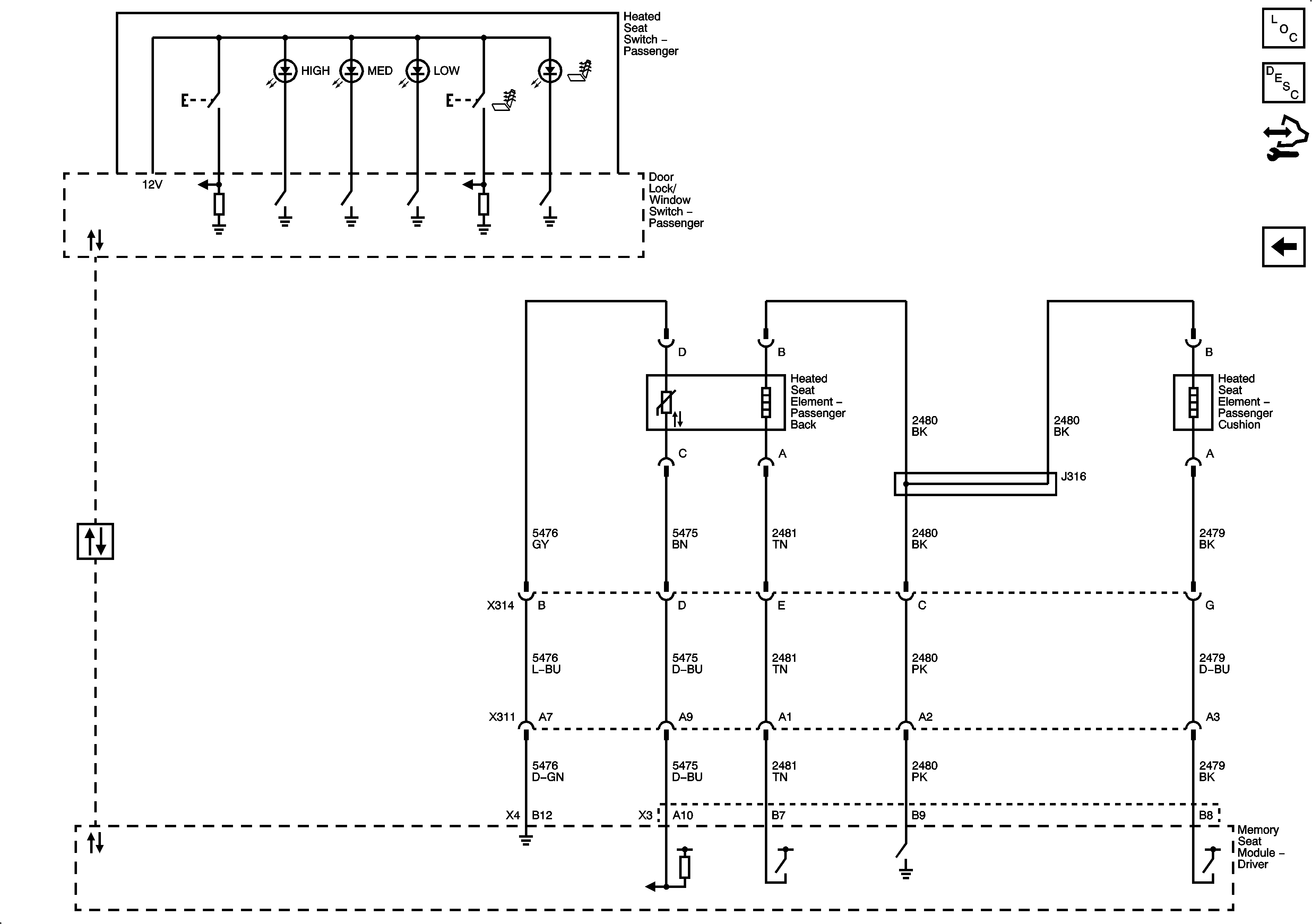
Passenger Heat Controls
Figure
2:
Passenger Heat Controls
Master Electrical Component List
Heated Seats Description and Operation
Control Module References
Driver Heat Controls