GM Service Manual Online
For 1990-2009 cars only
Figure 1:

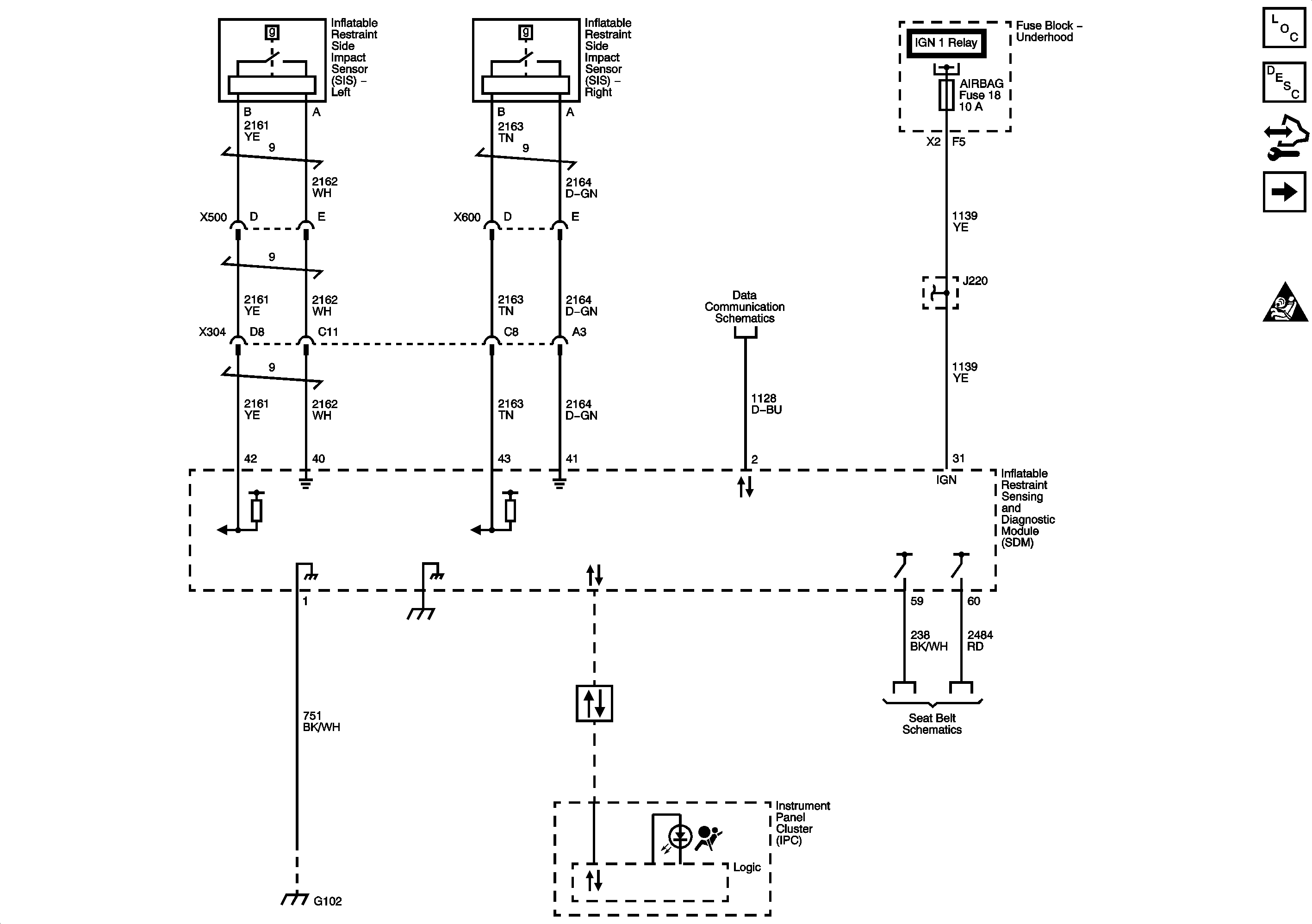
Module Power, Ground, IGN 1 Relay, Serial Data, Indicator, and Side Impact Sensor


Object Number: 1927408  Size: FS
Master Electrical Component List
SIR System Description and Operation
Control Module References
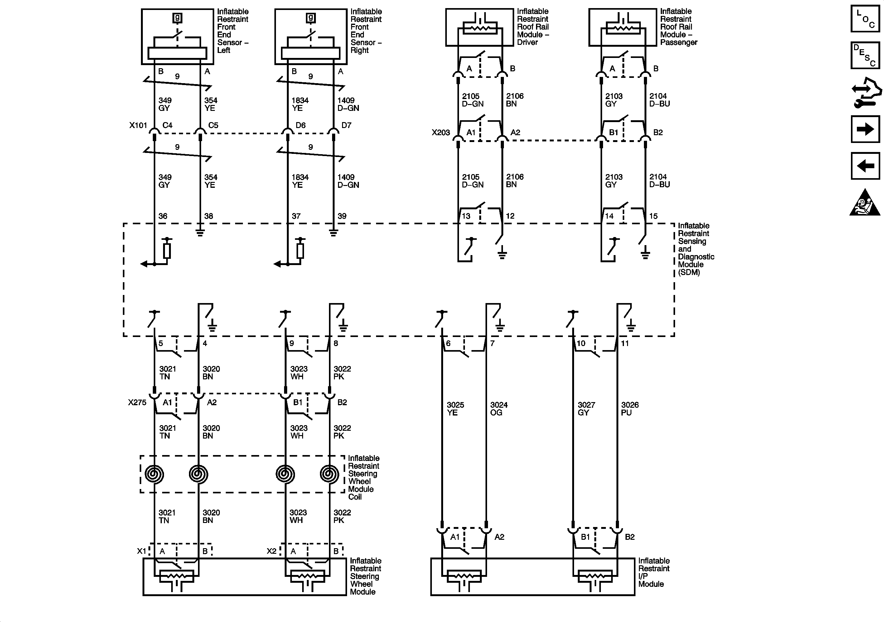
Front Sensors and Modules
Figure 2:

Front Sensors and Modules


Object Number: 1927453  Size: FS
Master Electrical Component List
SIR System Description and Operation
Control Module References
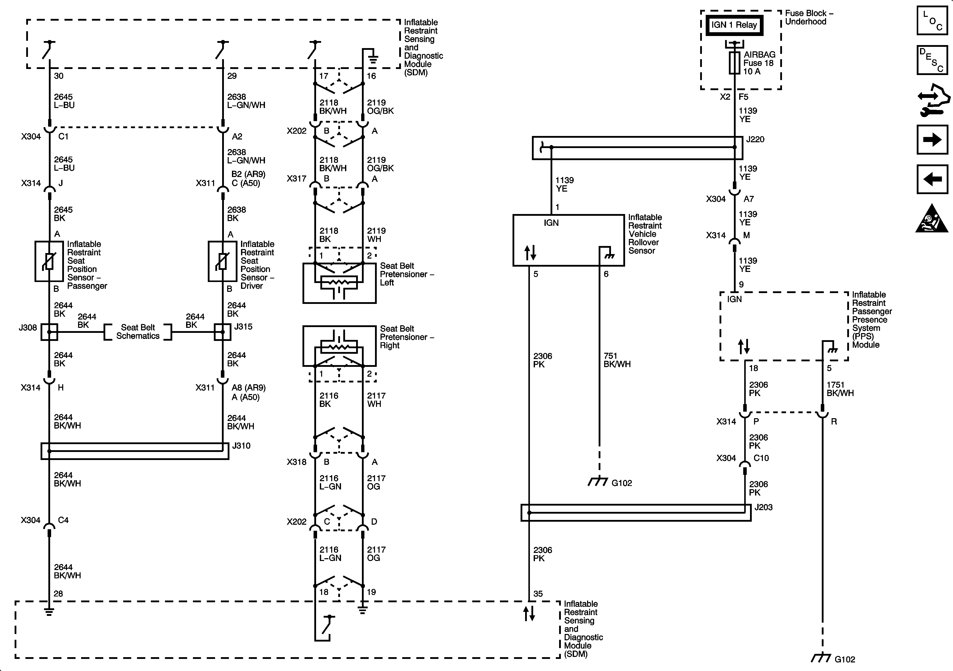
Seat Position Sensors, Rollover Sensor, and PPS Module
Module Power, Ground, IGN1 Relay, Serial Data, Indicator, and Side Impact Sensor
Figure 3:

Seat Position Sensors, Rollover Sensor, and PPS Module


Object Number: 1927486  Size: FS
Master Electrical Component List
SIR System Description and Operation
Control Module References
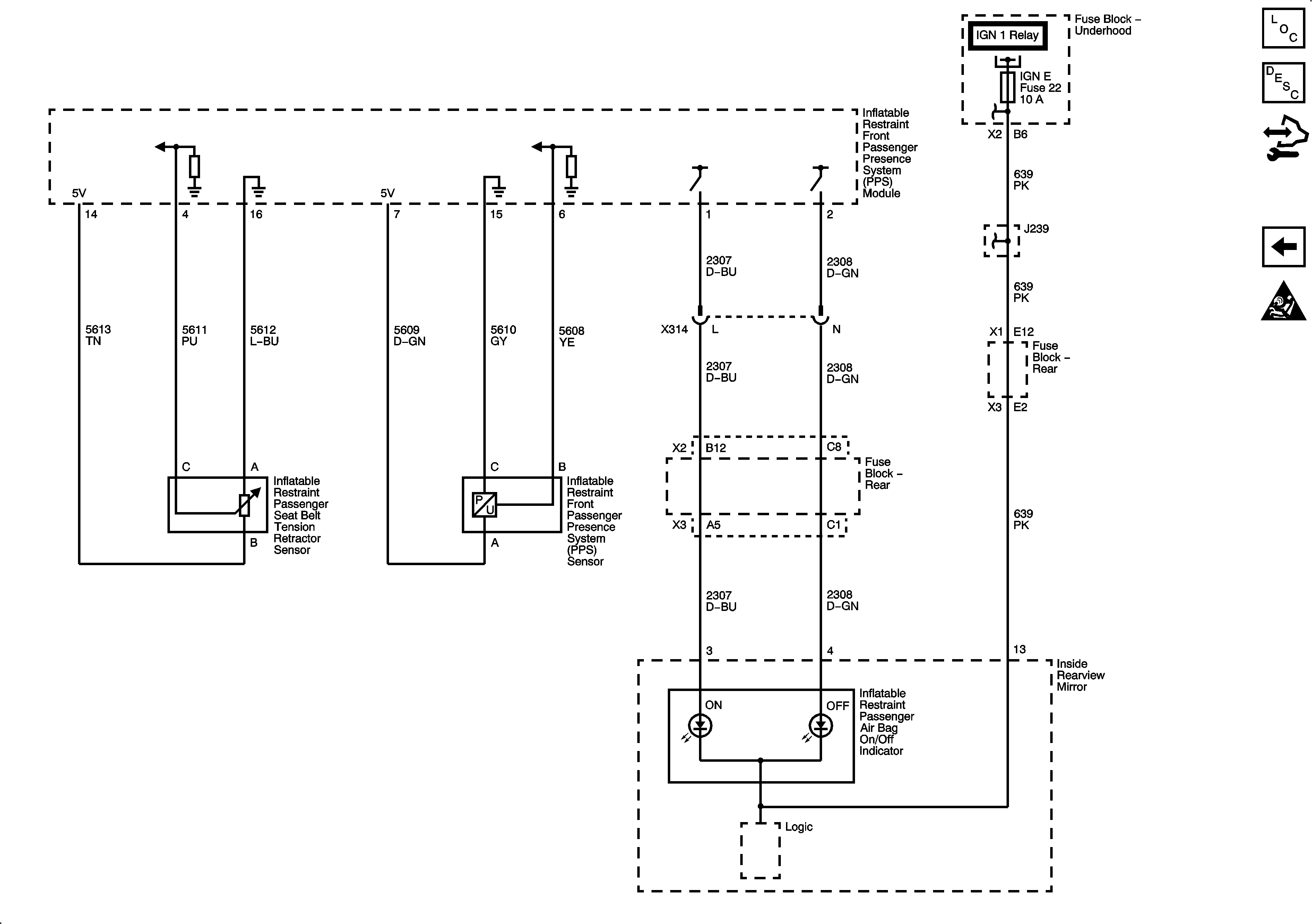
PPS Sensors and Indicators
Front Sensors and Modules
Figure 4:

PPS Sensors and Indicators


Object Number: 1927509  Size: FS
Master Electrical Component List
SIR System Description and Operation
Control Module References
Seat Position Sensors, Rollover Sensor, and PPS Module