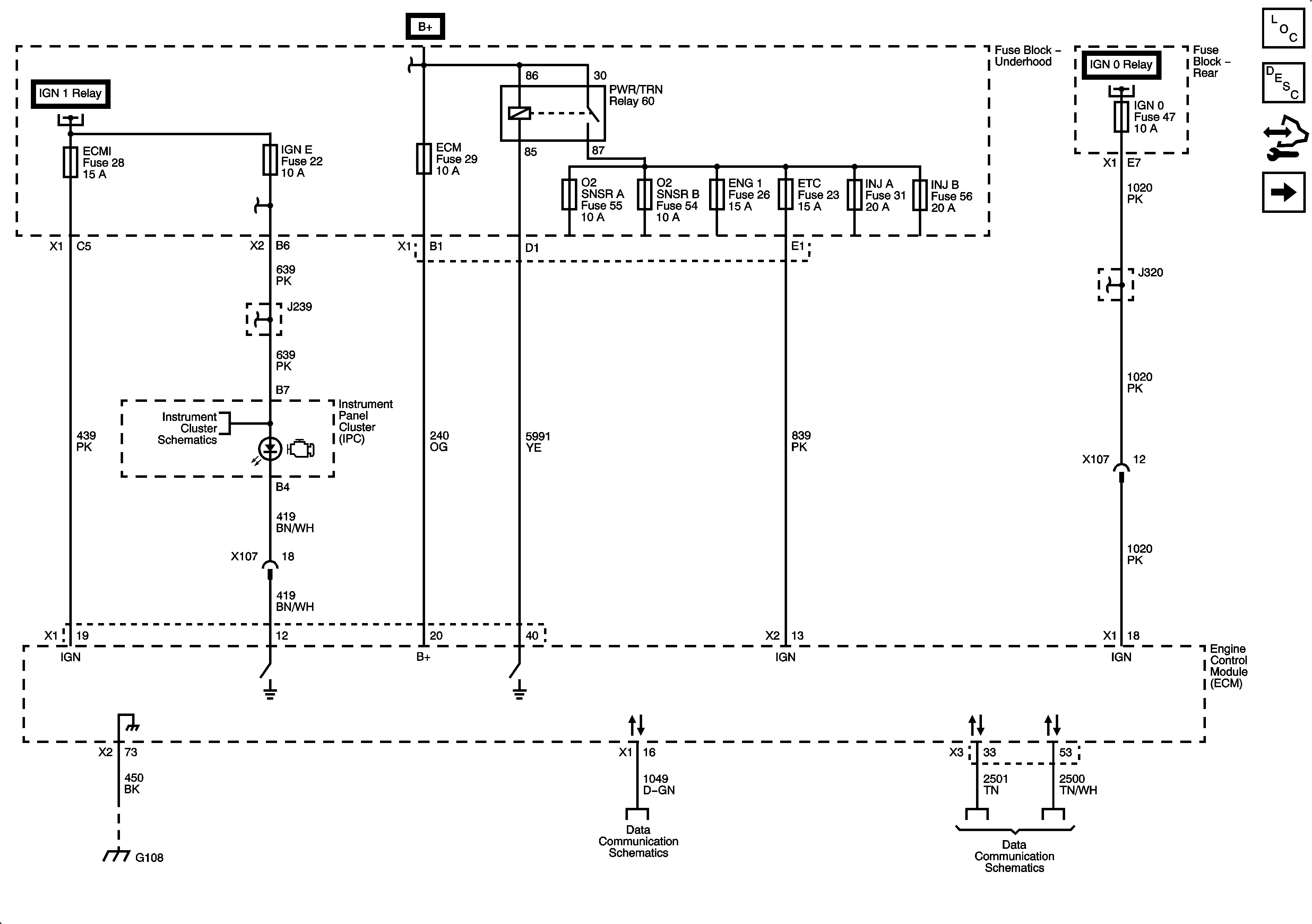
| Figure 1: |
Module Power, Grounds, Serial Data, and MIL
|
| Figure 2: |
Engine Data Sensors - 5-Volt and Low Reference
|
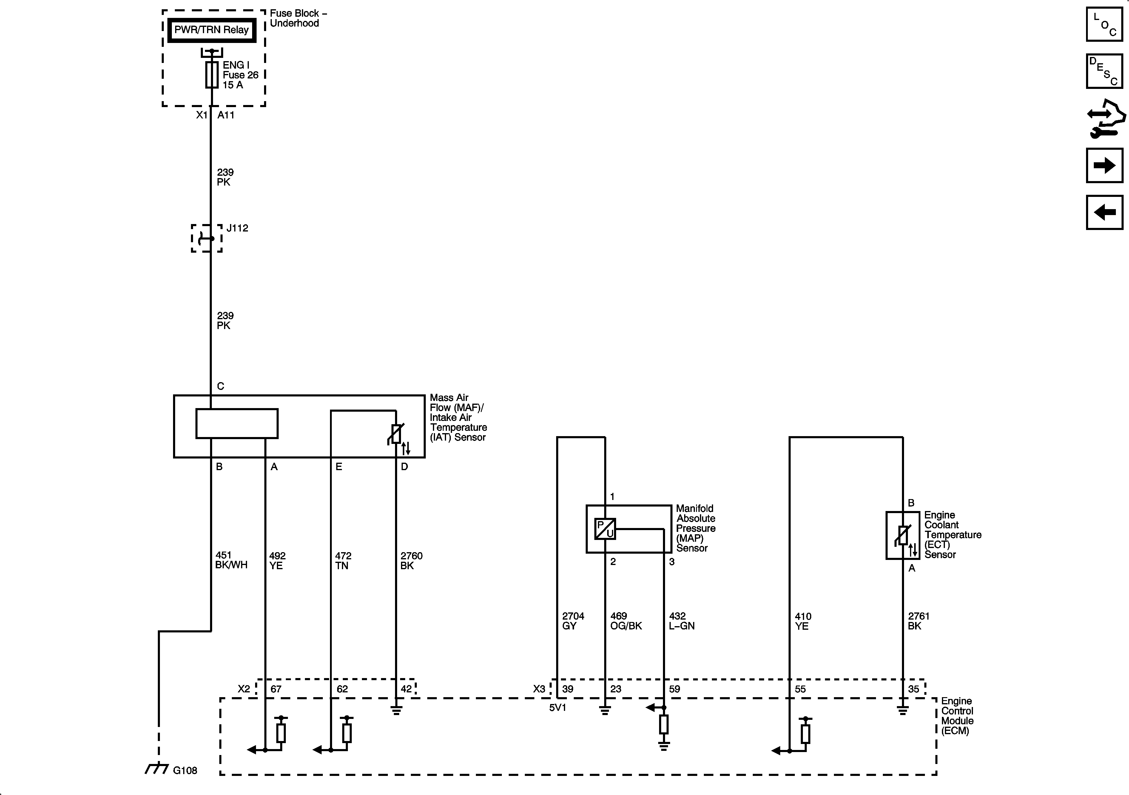
| Figure 3: |
Engine Data Sensors - MAF, Pressure and Temperature
|
| Figure 4: |
Engine Data Sensors - Oxygen Sensors
|
| Figure 5: |
Engine Data Sensors - Electronic Throttle Actuator Controls
|
| Figure 6: |
Ignition Controls - Ignition Coils 1, 3 and 5
|
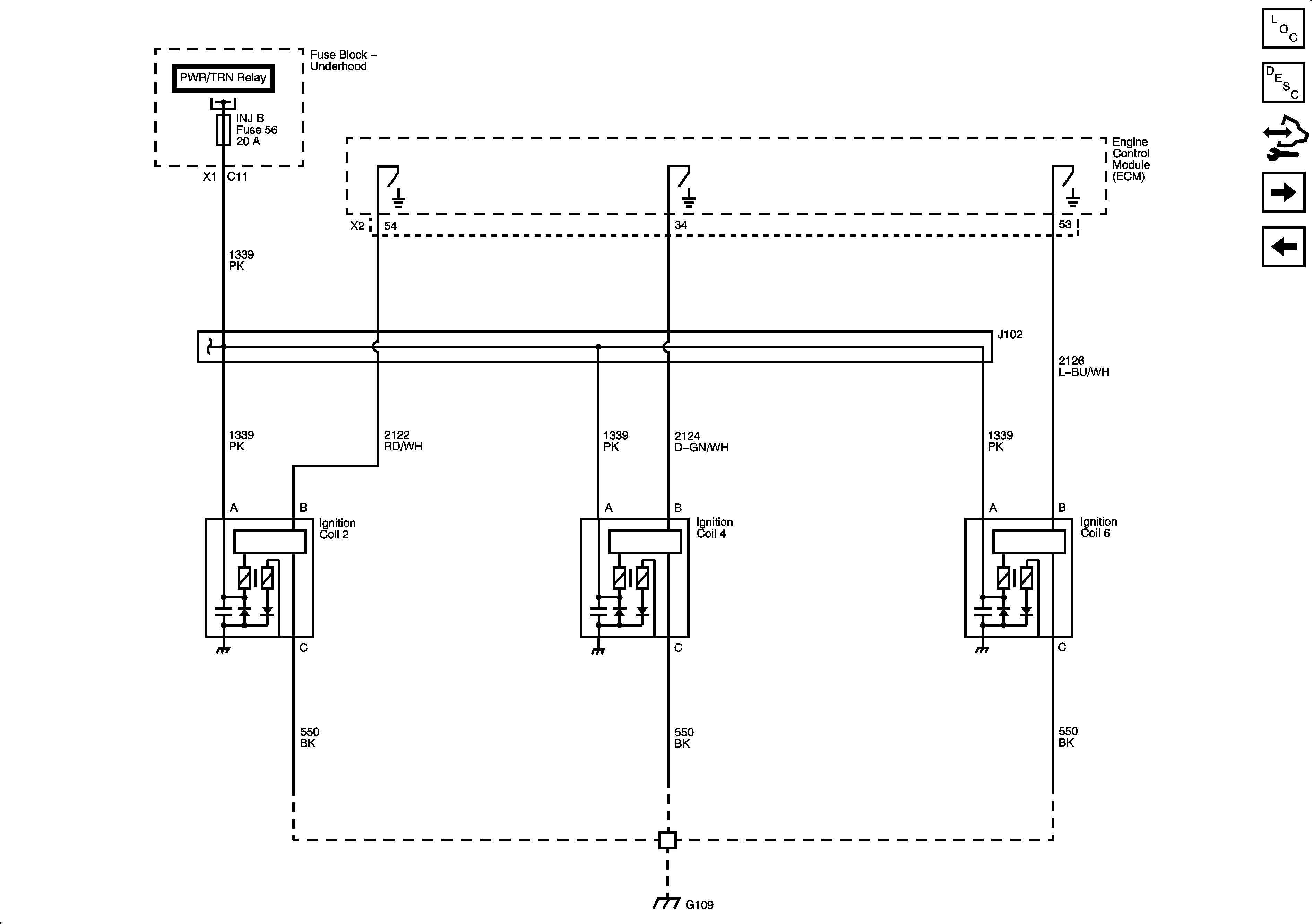
| Figure 7: |
Ignition Controls - Ignition Coils 2, 4 and 6
|
| Figure 8: |
Ignition Controls - Sensors
|
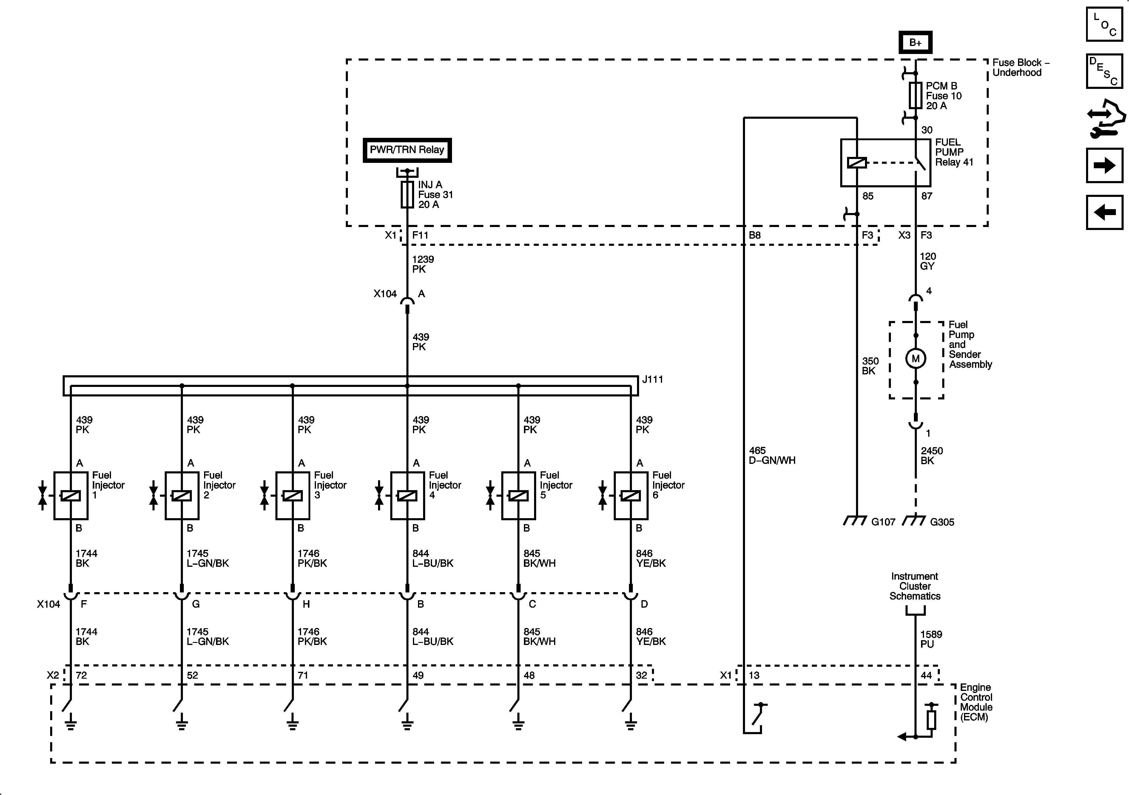
| Figure 9: |
Fuel Controls - Fuel Pump and Fuel Injectors
|
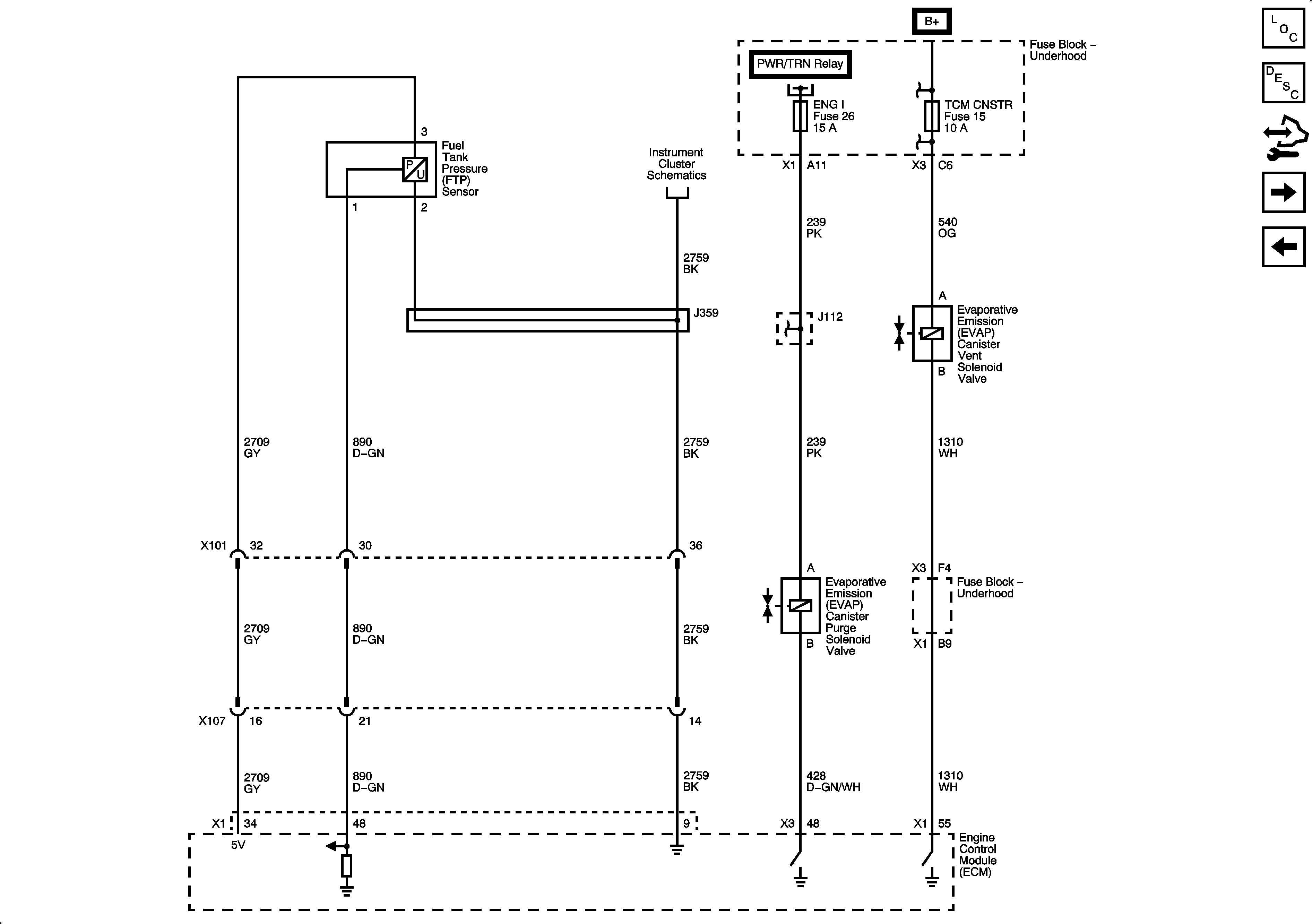
| Figure 10: |
Fuel Controls - EVAP Controls
|
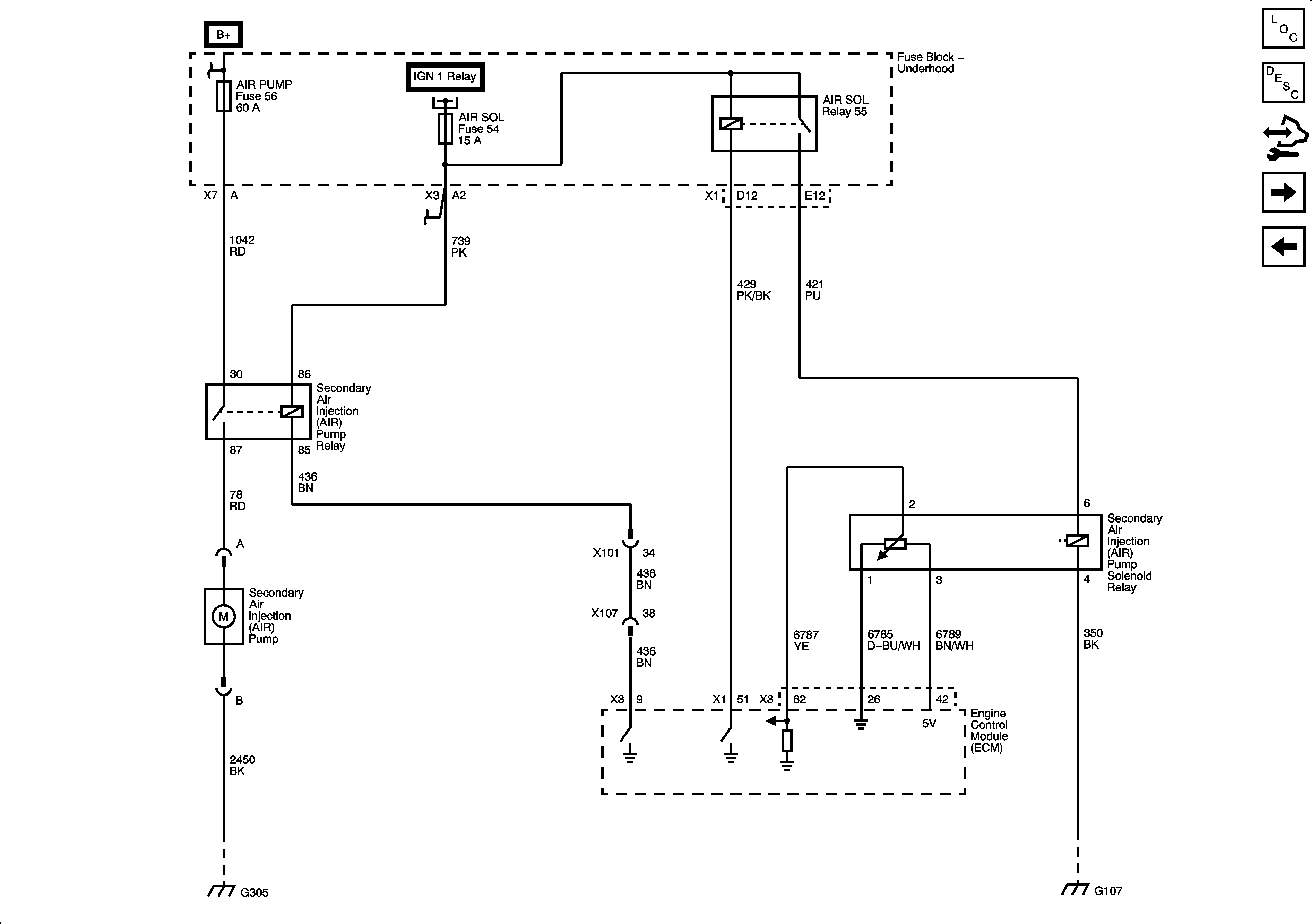
| Figure 11: |
Device Controls - K18
|
| Figure 12: |
Controlled/Monitored Subsystem References
|