GM Service Manual Online
For 1990-2009 cars only
Makes
🢒
Saab
🢒
2009
🢒
9-7x
🢒
Diagnostic Navigation
🢒
Vehicle Diagnostic Information
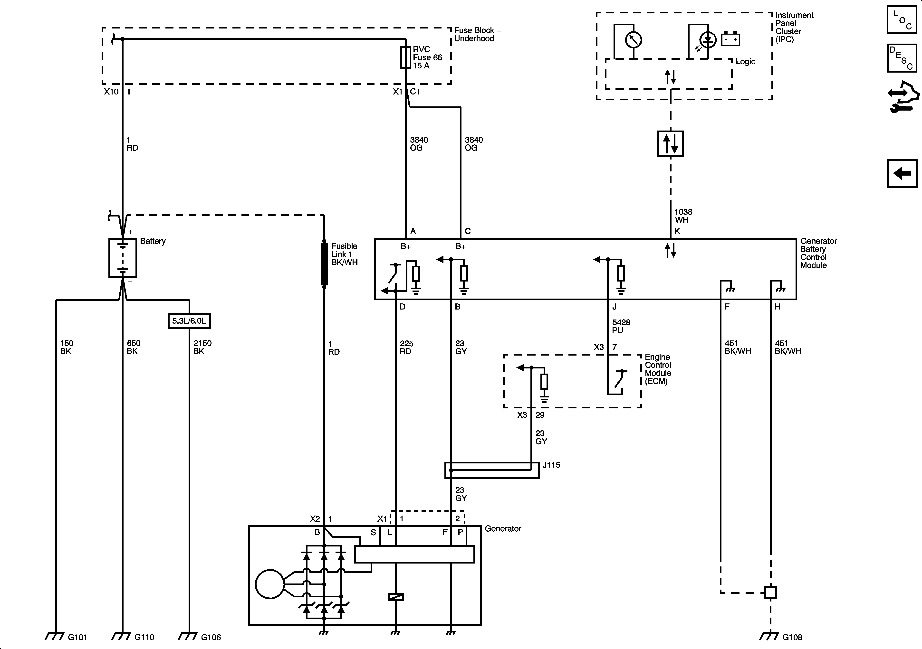
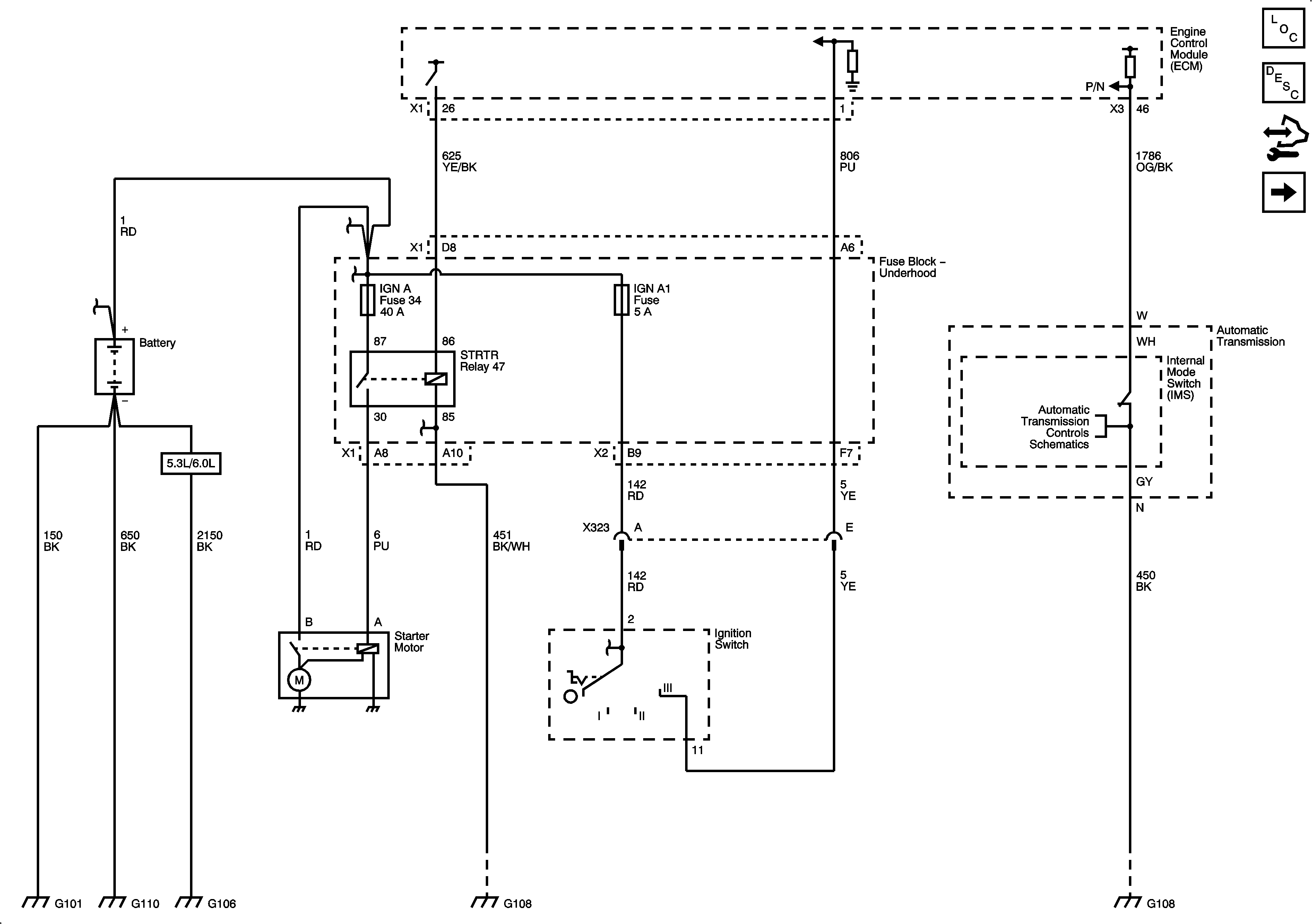
🢒 Starting and Charging Schematics
Figure
1:
Starting System
Figure
2:
Charging System