GM Service Manual Online
For 1990-2009 cars only
Figure 1:

Power, Ground, and Data Link Connector


Object Number: 2081927  Size: FS
Master Electrical Component List
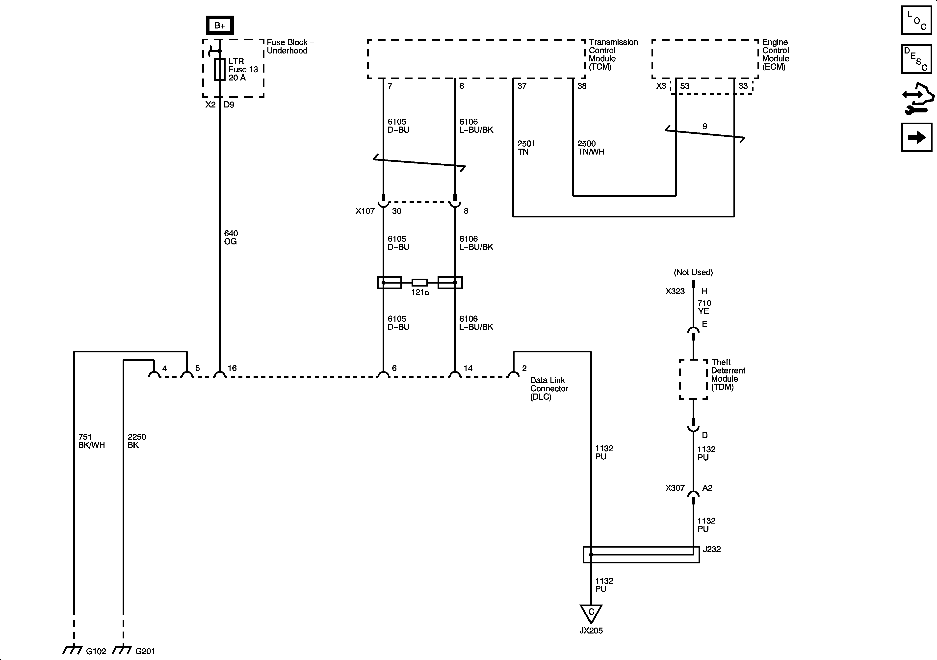
Figure 2:

JX205


Object Number: 2081930  Size: FS
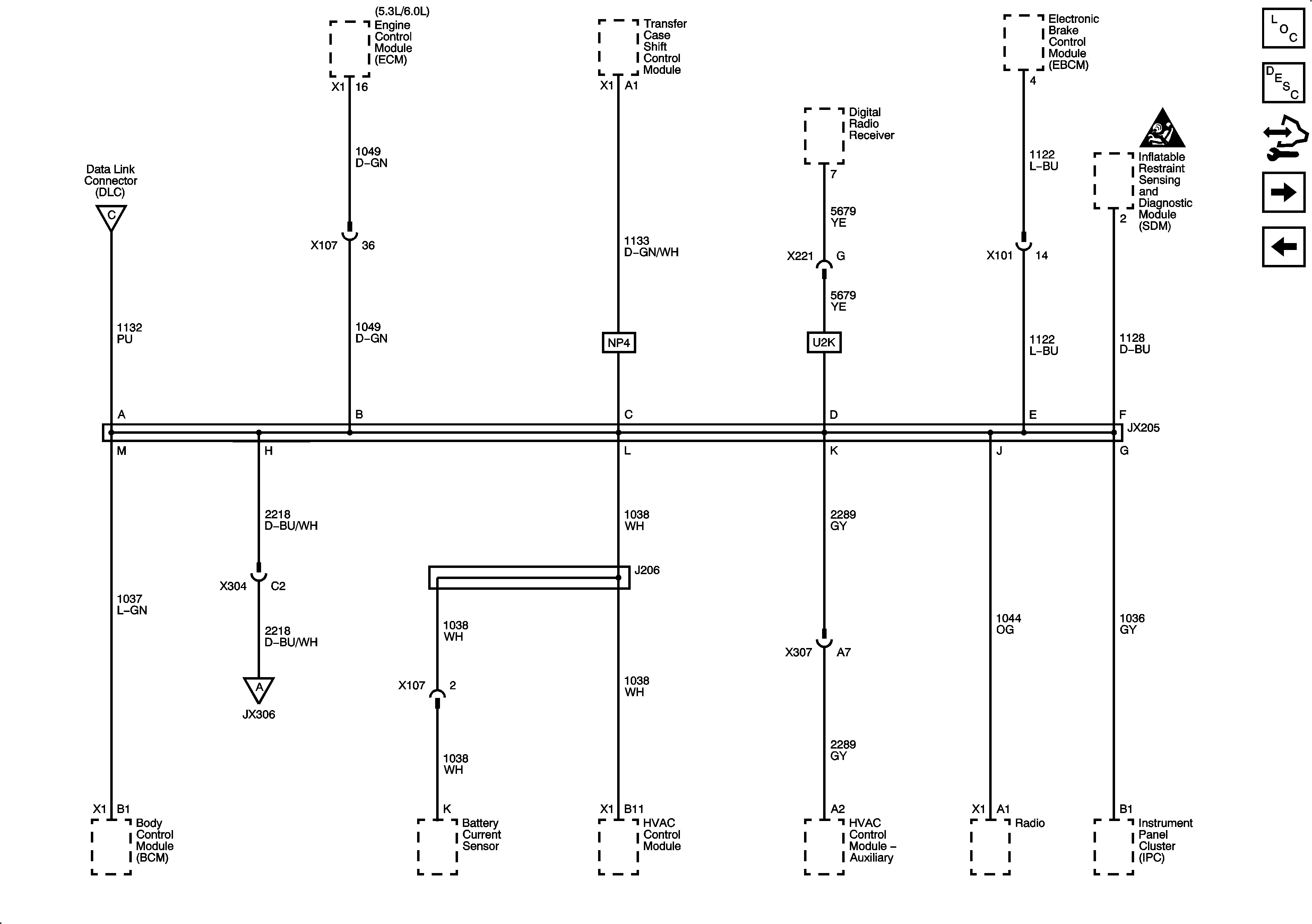
Figure 3:

JX306


Object Number: 2081932  Size: FS
Master Electrical Component List