GM Service Manual Online
For 1990-2009 cars only
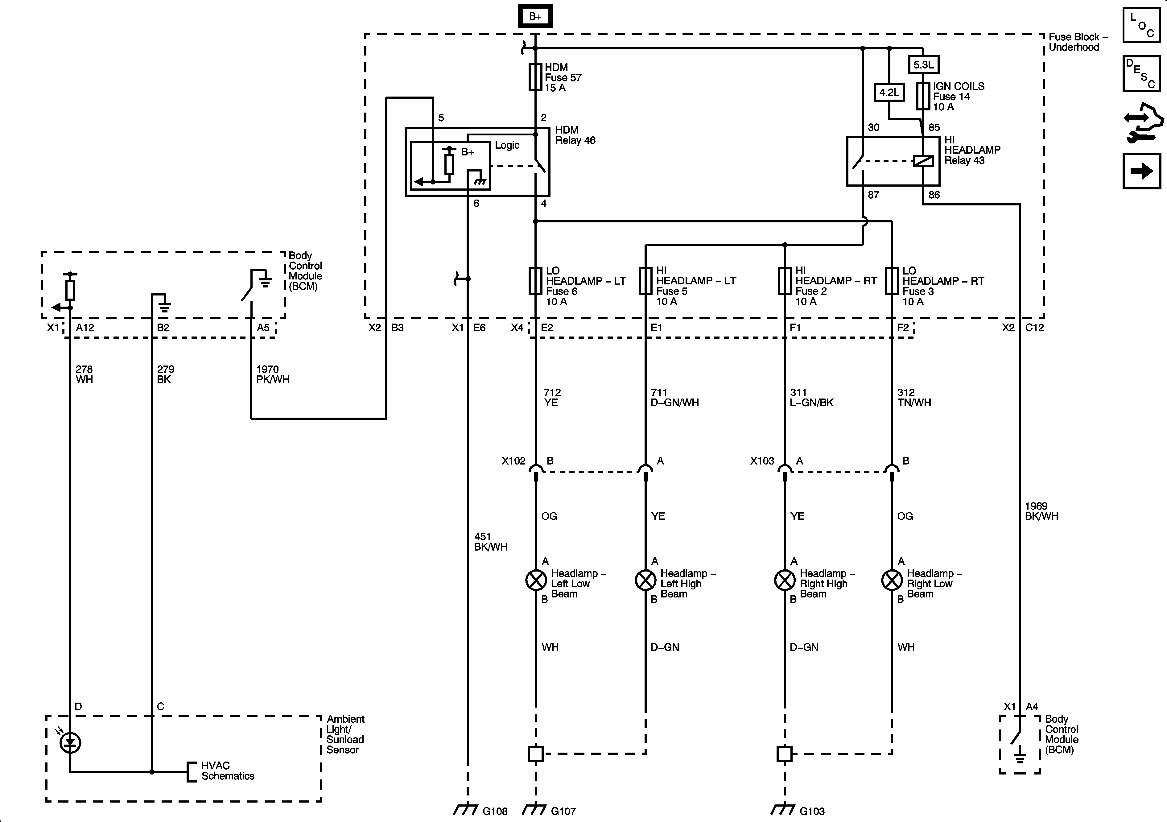
Figure 1:

Headlamps (without TT6)


Object Number: 2081544  Size: FS
Figure 2:

Headlamps (with TT6)


Object Number: 2081548  Size: FS
Figure 3:

Headlamp Switch


Object Number: 2081551  Size: FS