GM Service Manual Online
For 1990-2009 cars only
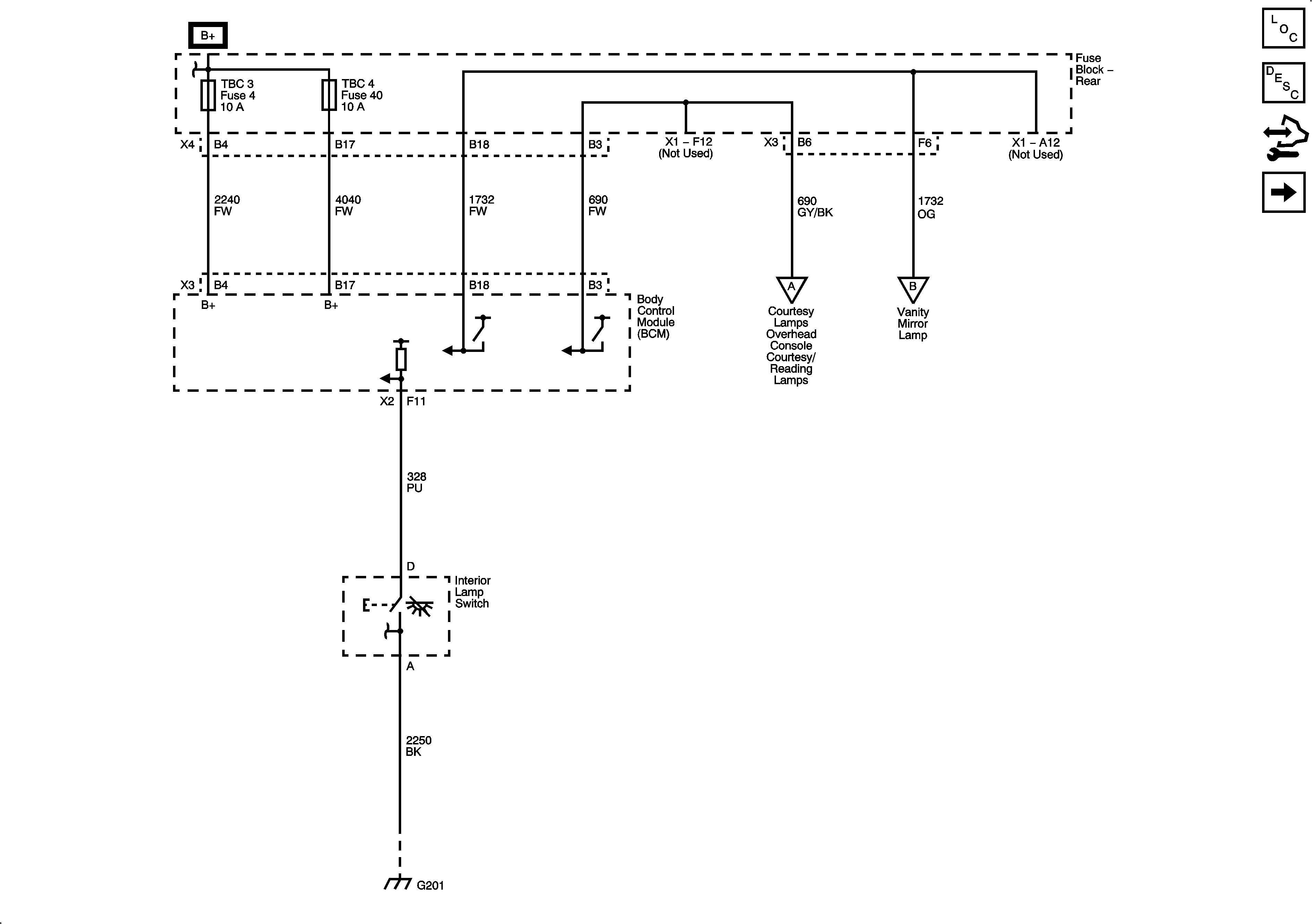
Figure 1:

Interior Lamps Controls


Object Number: 2081581  Size: FS
Figure 2:

Interior Lamps


Object Number: 2081584  Size: FS
Figure 3:

Door Switch and Liftgate Inputs


Object Number: 2081586  Size: FS