GM Service Manual Online
For 1990-2009 cars only
Figure 1:

Shift Control and Stop Lamp Switch


Object Number: 2082136  Size: FS
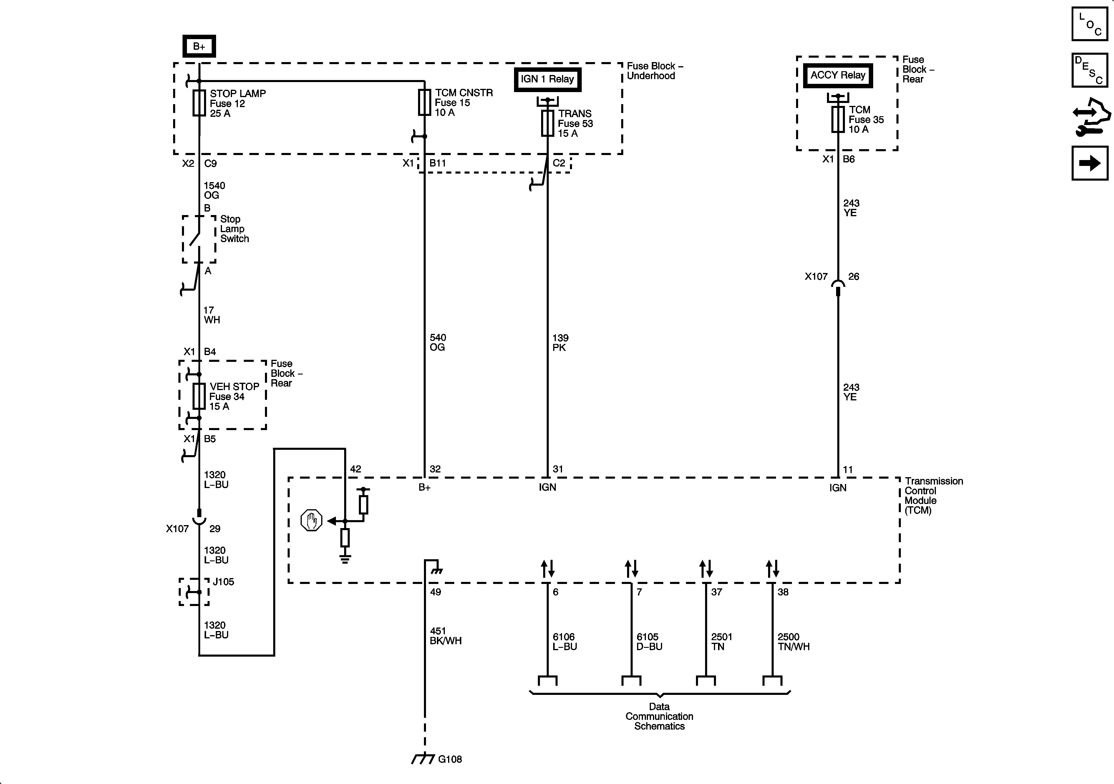
Figure 2:

Module Power, Ground, Serial Data, and Stop Lamp Switch


Object Number: 2082138  Size: FS
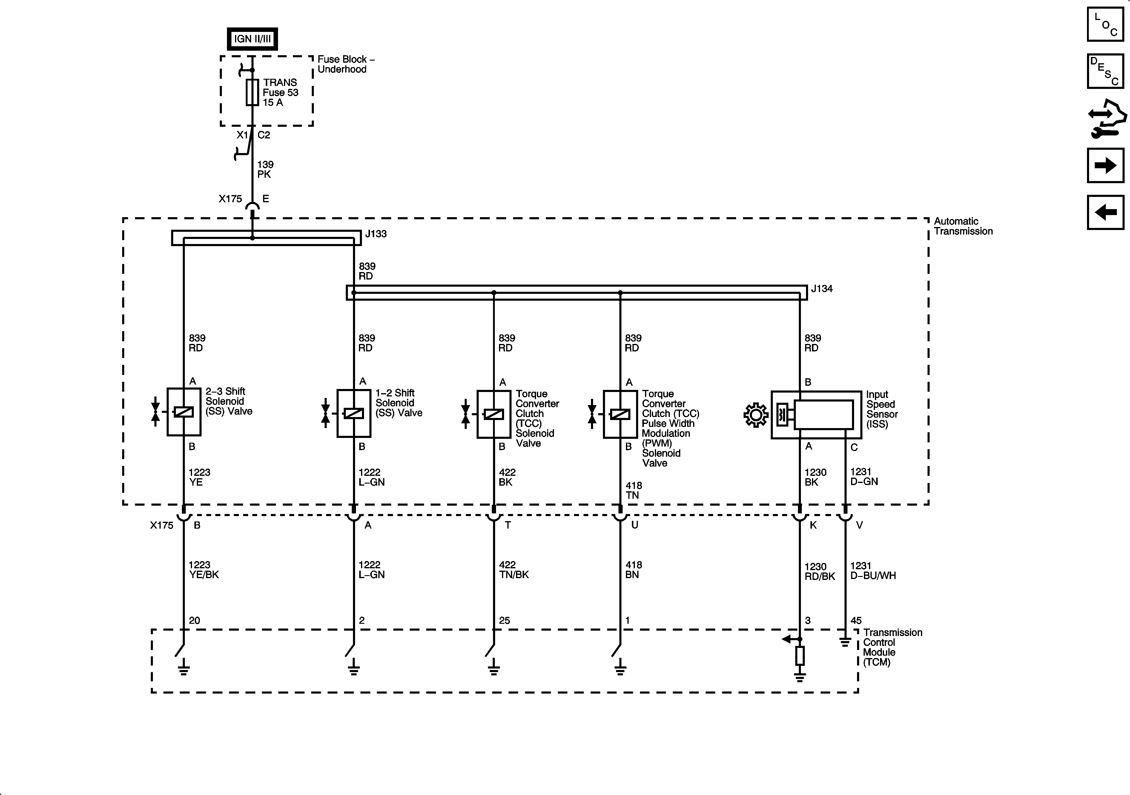
Figure 3:

Transmission Controls


Object Number: 2082140  Size: FS
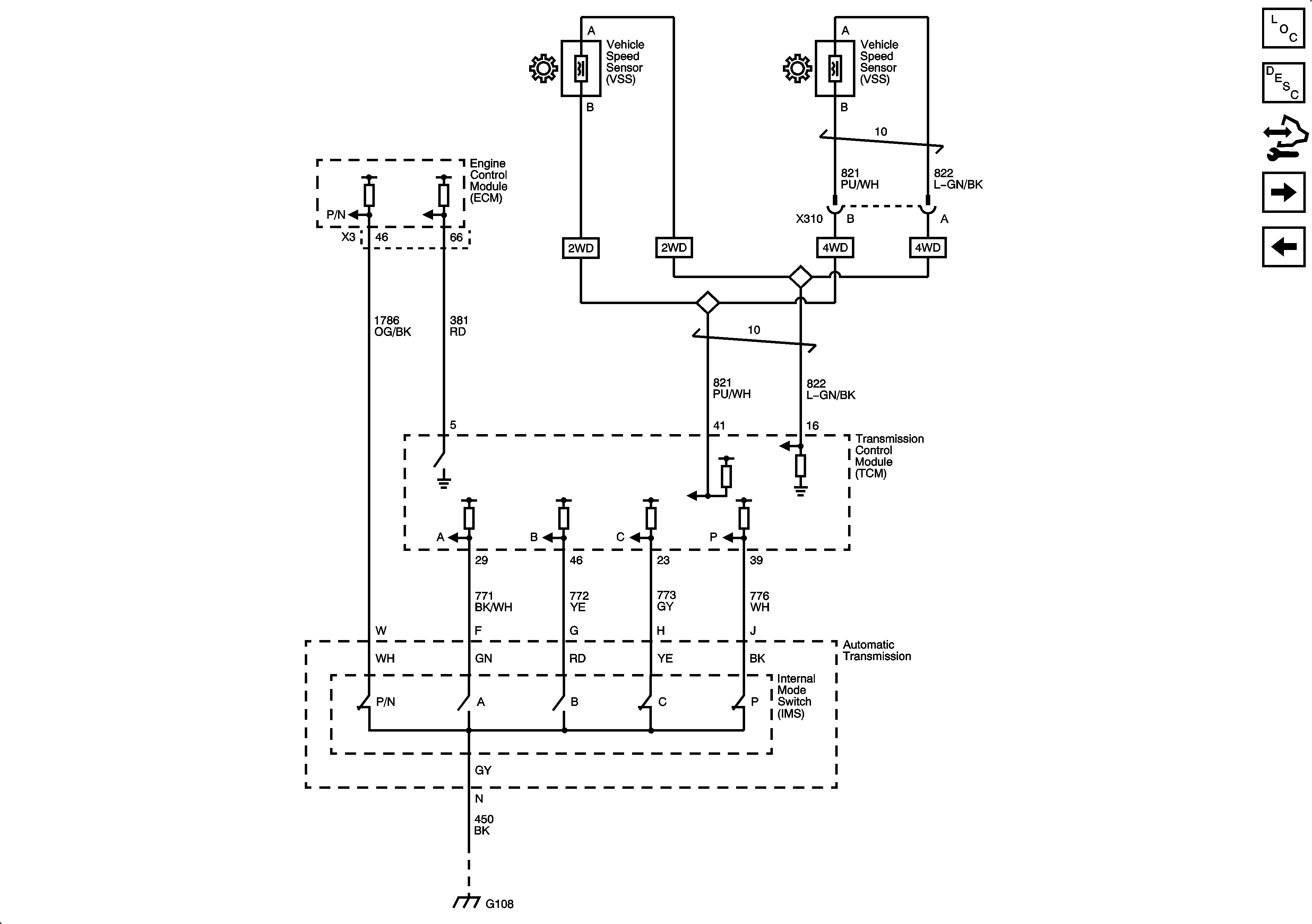
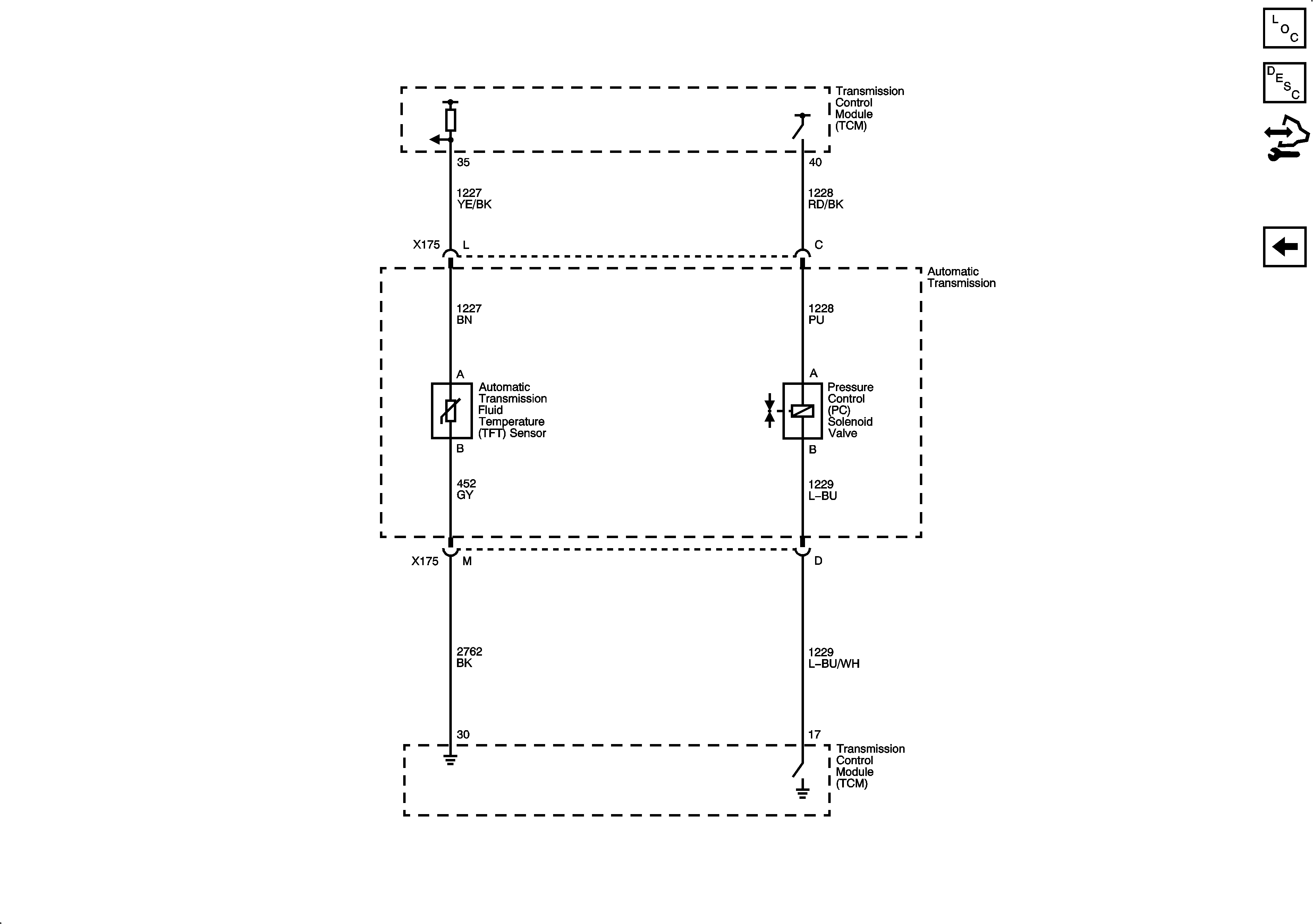
Figure 4:

Pressure Controls, Temperature, and VSS


Object Number: 2082142  Size: FS